T
Texas Instruments
| Series | Category | # Parts | Status | Description |
|---|---|---|---|---|
| Part | Spec A | Spec B | Spec C | Spec D | Description |
|---|---|---|---|---|---|
| Series | Category | # Parts | Status | Description |
|---|---|---|---|---|
| Part | Spec A | Spec B | Spec C | Spec D | Description |
|---|---|---|---|---|---|
| Part | Category | Description |
|---|---|---|
Texas Instruments | Integrated Circuits (ICs) | BUS DRIVER, BCT/FBT SERIES |
Texas Instruments | Integrated Circuits (ICs) | 12BIT 3.3V~3.6V 210MHZ PARALLEL VQFN-48-EP(7X7) ANALOG TO DIGITAL CONVERTERS (ADC) ROHS |
Texas Instruments | Integrated Circuits (ICs) | TMX320DRE311 179PIN UBGA 200MHZ |
Texas Instruments TPS61040DRVTG4Unknown | Integrated Circuits (ICs) | IC LED DRV RGLTR PWM 350MA 6WSON |
Texas Instruments LP3876ET-2.5Obsolete | Integrated Circuits (ICs) | IC REG LINEAR 2.5V 3A TO220-5 |
Texas Instruments LMS1585ACSX-ADJObsolete | Integrated Circuits (ICs) | IC REG LIN POS ADJ 5A DDPAK |
Texas Instruments INA111APG4Obsolete | Integrated Circuits (ICs) | IC INST AMP 1 CIRCUIT 8DIP |
Texas Instruments | Integrated Circuits (ICs) | AUTOMOTIVE, QUAD 36V 1.2MHZ OPERATIONAL AMPLIFIER |
Texas Instruments OPA340NA/3KG4Unknown | Integrated Circuits (ICs) | IC OPAMP GP 1 CIRCUIT SOT23-5 |
Texas Instruments PT5112AObsolete | Power Supplies - Board Mount | DC DC CONVERTER 8V 8W |
| Series | Category | # Parts | Status | Description |
|---|---|---|---|---|
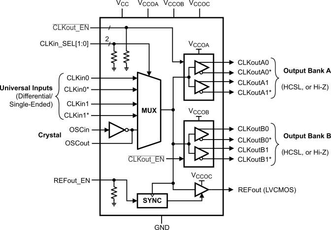
LMK003063.1-GHz differential clock buffer/level translator with 6 configurable outputs | Evaluation Boards | 3 | Active | The LMK00306 is a 3-GHz, 6-output differential fanout buffer intended for high-frequency, low-jitter clock/data distribution and level translation. The input clock can be selected from two universal inputs or one crystal input. The selected input clock is distributed to two banks of 3 differential outputs and one LVCMOS output. Both differential output banks can be independently configured as LVPECL, LVDS, or HCSL drivers, or disabled. The LVCMOS output has a synchronous enable input for runt-pulse-free operation when enabled or disabled. The LMK00306 operates from a 3.3 V core supply and 3 independent 3.3 V/2.5 V output supplies.
The LMK00306 provides high performance, versatility, and power efficiency, making it ideal for replacing fixed-output buffer devices while increasing timing margin in the system.
The LMK00306 is a 3-GHz, 6-output differential fanout buffer intended for high-frequency, low-jitter clock/data distribution and level translation. The input clock can be selected from two universal inputs or one crystal input. The selected input clock is distributed to two banks of 3 differential outputs and one LVCMOS output. Both differential output banks can be independently configured as LVPECL, LVDS, or HCSL drivers, or disabled. The LVCMOS output has a synchronous enable input for runt-pulse-free operation when enabled or disabled. The LMK00306 operates from a 3.3 V core supply and 3 independent 3.3 V/2.5 V output supplies.
The LMK00306 provides high performance, versatility, and power efficiency, making it ideal for replacing fixed-output buffer devices while increasing timing margin in the system. |
| Clock/Timing | 3 | Active | ||
LMK00334-Q1Automotive 4-output PCIe® Gen1/Gen2/Gen3/Gen4/Gen5 clock buffer and level translator | Development Boards, Kits, Programmers | 4 | Active | The LMK00334 -Q1 device is a 4-output HCSL fanout buffer intended for high-frequency, low-jitter clock, data distribution, and level translation. It is capable of distributing the reference clock for ADCs, DACs, multi-gigabit ethernet, XAUI, fibre channel, SATA/SAS, SONET/SDH, CPRI, and high-frequency backplanes.
The input clock can be selected from two universal inputs or one crystal input. The selected input clock is distributed to two banks of two HCSL outputs and one LVCMOS output. The LVCMOS output has a synchronous enable input for runt-pulse-free operation when enabled or disabled. The LMK00334 -Q1 operates from a 3.3-V core supply and three independent 3.3-V or 2.5-V output supplies.
The LMK00334 -Q1 provides high performance, versatility, and power efficiency, making it ideal for replacing fixed-output buffer devices while increasing timing margin in the system.
The LMK00334 -Q1 device is a 4-output HCSL fanout buffer intended for high-frequency, low-jitter clock, data distribution, and level translation. It is capable of distributing the reference clock for ADCs, DACs, multi-gigabit ethernet, XAUI, fibre channel, SATA/SAS, SONET/SDH, CPRI, and high-frequency backplanes.
The input clock can be selected from two universal inputs or one crystal input. The selected input clock is distributed to two banks of two HCSL outputs and one LVCMOS output. The LVCMOS output has a synchronous enable input for runt-pulse-free operation when enabled or disabled. The LMK00334 -Q1 operates from a 3.3-V core supply and three independent 3.3-V or 2.5-V output supplies.
The LMK00334 -Q1 provides high performance, versatility, and power efficiency, making it ideal for replacing fixed-output buffer devices while increasing timing margin in the system. |
LMK003388-output PCIe® Gen1/Gen2/Gen3/Gen4/Gen5 clock buffer and level translator | Evaluation and Demonstration Boards and Kits | 1 | Active | The LMK00338 device is an 8-output PCIe Gen1/Gen2/Gen3/Gen4/Gen5 fanout buffer intended for high-frequency, low-jitter clock, data distribution, and level translation. The input clock can be selected from two universal inputs or one crystal input. The selected input clock is distributed to two banks of 4 HCSL outputs and one LVCMOS output. The LVCMOS output has a synchronous enable input for runt-pulse-free operation when enabled or disabled. The LMK00338 operates from a 3.3-V core supply and 3 independent 3.3-V or 2.5-V output supplies.
The LMK00338 provides high performance, versatility, and power efficiency, making it ideal for replacing fixed-output buffer devices while increasing timing margin in the system.
The LMK00338 device is an 8-output PCIe Gen1/Gen2/Gen3/Gen4/Gen5 fanout buffer intended for high-frequency, low-jitter clock, data distribution, and level translation. The input clock can be selected from two universal inputs or one crystal input. The selected input clock is distributed to two banks of 4 HCSL outputs and one LVCMOS output. The LVCMOS output has a synchronous enable input for runt-pulse-free operation when enabled or disabled. The LMK00338 operates from a 3.3-V core supply and 3 independent 3.3-V or 2.5-V output supplies.
The LMK00338 provides high performance, versatility, and power efficiency, making it ideal for replacing fixed-output buffer devices while increasing timing margin in the system. |
LMK00725Low skew, 1-to-5, differential-to-3.3-V LVPECL fanout buffer | Clock/Timing | 1 | Active | The LMK00725 is a low skew, high-performance clock fanout buffer which can distribute up to five 3.3V LVPECL outputs from one of two inputs, which can accept differential or single-ended inputs. The clock enable input is synchronized internally to eliminate runt or glitch pulses on the outputs when the clock enable pin is asserted or de-asserted. The low additive jitter and phase noise floor and ensured output and part-to-part skew characteristics make the LMK00725 ideal for applications demanding high performance and repeatability.
The LMK00725 is a low skew, high-performance clock fanout buffer which can distribute up to five 3.3V LVPECL outputs from one of two inputs, which can accept differential or single-ended inputs. The clock enable input is synchronized internally to eliminate runt or glitch pulses on the outputs when the clock enable pin is asserted or de-asserted. The low additive jitter and phase noise floor and ensured output and part-to-part skew characteristics make the LMK00725 ideal for applications demanding high performance and repeatability. |
LMK00804B-Q1Automotive, 1.5-V to 3.3-V, 1-to-4 high-performance LVCMOS fanout buffer & level translator | Evaluation and Demonstration Boards and Kits | 4 | Active | The LMK00804B-Q1 is a high-performance clock fan-out buffer and level translator that can distribute up to four LVCMOS/LVTTL outputs (3.3-V, 2.5-V, 1.8-V, or 1.5-V levels) from one of two selectable inputs that can accept differential or single-ended inputs. The clock enable input is synchronized internally to eliminate runt or glitch pulses on the outputs when the clock enable terminal is asserted or deasserted. The outputs are held in logic low state when the clock is disabled. The LMK00804B-Q1 can also distribute a low-jitter clock across four transceivers and can improve the overall target detection and resolution in a cascaded mmWave radar system.
The LMK00804B-Q1 is a high-performance clock fan-out buffer and level translator that can distribute up to four LVCMOS/LVTTL outputs (3.3-V, 2.5-V, 1.8-V, or 1.5-V levels) from one of two selectable inputs that can accept differential or single-ended inputs. The clock enable input is synchronized internally to eliminate runt or glitch pulses on the outputs when the clock enable terminal is asserted or deasserted. The outputs are held in logic low state when the clock is disabled. The LMK00804B-Q1 can also distribute a low-jitter clock across four transceivers and can improve the overall target detection and resolution in a cascaded mmWave radar system. |
LMK010001.6-GHz high performance clock buffer, divider, and distributor with 3 LVDS & 5 LVPECL outputs | Development Boards, Kits, Programmers | 4 | Active | The LMK01000 family provides an easy way to divide and distribute high performance clock signals throughout the system. These devices provide best-in-class noise performance and are designed to be pin-to-pin and footprint compatible with LMK03000/LMK02000 family of precision clock conditioners.
The LMK01000 family features two programmable clock inputs (CLKin0 and CLKin1) that allow the user to dynamically switch between different clock domains.
Each device features 8 clock outputs with independently programmable dividers and delay adjustments. The outputs of the device can be easily synchronized by an external pin (SYNC*).
The LMK01000 family provides an easy way to divide and distribute high performance clock signals throughout the system. These devices provide best-in-class noise performance and are designed to be pin-to-pin and footprint compatible with LMK03000/LMK02000 family of precision clock conditioners.
The LMK01000 family features two programmable clock inputs (CLKin0 and CLKin1) that allow the user to dynamically switch between different clock domains.
Each device features 8 clock outputs with independently programmable dividers and delay adjustments. The outputs of the device can be easily synchronized by an external pin (SYNC*). |
LMK010101.6-GHz high performance clock buffer, divider, and distributor with 8 LVDS outputs | Integrated Circuits (ICs) | 3 | Active | The LMK01000 family provides an easy way to divide and distribute high performance clock signals throughout the system. These devices provide best-in-class noise performance and are designed to be pin-to-pin and footprint compatible with LMK03000/LMK02000 family of precision clock conditioners.
The LMK01000 family features two programmable clock inputs (CLKin0 and CLKin1) that allow the user to dynamically switch between different clock domains.
Each device features 8 clock outputs with independently programmable dividers and delay adjustments. The outputs of the device can be easily synchronized by an external pin (SYNC*).
The LMK01000 family provides an easy way to divide and distribute high performance clock signals throughout the system. These devices provide best-in-class noise performance and are designed to be pin-to-pin and footprint compatible with LMK03000/LMK02000 family of precision clock conditioners.
The LMK01000 family features two programmable clock inputs (CLKin0 and CLKin1) that allow the user to dynamically switch between different clock domains.
Each device features 8 clock outputs with independently programmable dividers and delay adjustments. The outputs of the device can be easily synchronized by an external pin (SYNC*). |
LMK010201.6-GHz high performance clock buffer, divider, and distributor with 8 LVPECL outputs | Clock/Timing | 3 | Active | The LMK01000 family provides an easy way to divide and distribute high performance clock signals throughout the system. These devices provide best-in-class noise performance and are designed to be pin-to-pin and footprint compatible with LMK03000/LMK02000 family of precision clock conditioners.
The LMK01000 family features two programmable clock inputs (CLKin0 and CLKin1) that allow the user to dynamically switch between different clock domains.
Each device features 8 clock outputs with independently programmable dividers and delay adjustments. The outputs of the device can be easily synchronized by an external pin (SYNC*).
The LMK01000 family provides an easy way to divide and distribute high performance clock signals throughout the system. These devices provide best-in-class noise performance and are designed to be pin-to-pin and footprint compatible with LMK03000/LMK02000 family of precision clock conditioners.
The LMK01000 family features two programmable clock inputs (CLKin0 and CLKin1) that allow the user to dynamically switch between different clock domains.
Each device features 8 clock outputs with independently programmable dividers and delay adjustments. The outputs of the device can be easily synchronized by an external pin (SYNC*). |
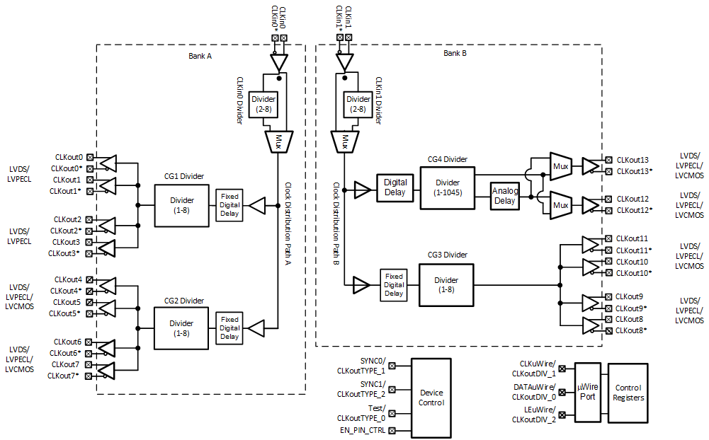
LMK01801Dual clock distribution | Integrated Circuits (ICs) | 3 | Active | The LMK01801 is a very low noise solution for clocking systems that require distribution and frequency division of precision clocks.
The LMK01801 features extremely low residual noise, frequency division, digital and analog delay adjustments, and fourteen (14) programmable differential outputs: LVPECL, LVDS and LVCMOS (2 outputs per differential output).
The LMK01801 features two independent inputs that can be driven differentially (LVDS, LVPECL) or in single-ended mode (LVCMOS, RF Sinewave). The first input drives output Bank A consisting of eight (8) outputs. The second input drives output Bank B consisting of six (6) outputs.
The LMK01801 is a very low noise solution for clocking systems that require distribution and frequency division of precision clocks.
The LMK01801 features extremely low residual noise, frequency division, digital and analog delay adjustments, and fourteen (14) programmable differential outputs: LVPECL, LVDS and LVCMOS (2 outputs per differential output).
The LMK01801 features two independent inputs that can be driven differentially (LVDS, LVPECL) or in single-ended mode (LVCMOS, RF Sinewave). The first input drives output Bank A consisting of eight (8) outputs. The second input drives output Bank B consisting of six (6) outputs. |