T
Texas Instruments
| Series | Category | # Parts | Status | Description |
|---|---|---|---|---|
| Part | Spec A | Spec B | Spec C | Spec D | Description |
|---|---|---|---|---|---|
| Series | Category | # Parts | Status | Description |
|---|---|---|---|---|
| Part | Spec A | Spec B | Spec C | Spec D | Description |
|---|---|---|---|---|---|
| Part | Category | Description |
|---|---|---|
Texas Instruments | Integrated Circuits (ICs) | BUS DRIVER, BCT/FBT SERIES |
Texas Instruments | Integrated Circuits (ICs) | 12BIT 3.3V~3.6V 210MHZ PARALLEL VQFN-48-EP(7X7) ANALOG TO DIGITAL CONVERTERS (ADC) ROHS |
Texas Instruments | Integrated Circuits (ICs) | TMX320DRE311 179PIN UBGA 200MHZ |
Texas Instruments TPS61040DRVTG4Unknown | Integrated Circuits (ICs) | IC LED DRV RGLTR PWM 350MA 6WSON |
Texas Instruments LP3876ET-2.5Obsolete | Integrated Circuits (ICs) | IC REG LINEAR 2.5V 3A TO220-5 |
Texas Instruments LMS1585ACSX-ADJObsolete | Integrated Circuits (ICs) | IC REG LIN POS ADJ 5A DDPAK |
Texas Instruments INA111APG4Obsolete | Integrated Circuits (ICs) | IC INST AMP 1 CIRCUIT 8DIP |
Texas Instruments | Integrated Circuits (ICs) | AUTOMOTIVE, QUAD 36V 1.2MHZ OPERATIONAL AMPLIFIER |
Texas Instruments OPA340NA/3KG4Unknown | Integrated Circuits (ICs) | IC OPAMP GP 1 CIRCUIT SOT23-5 |
Texas Instruments PT5112AObsolete | Power Supplies - Board Mount | DC DC CONVERTER 8V 8W |
| Series | Category | # Parts | Status | Description |
|---|---|---|---|---|
| Integrated Circuits (ICs) | 3 | Obsolete | ||
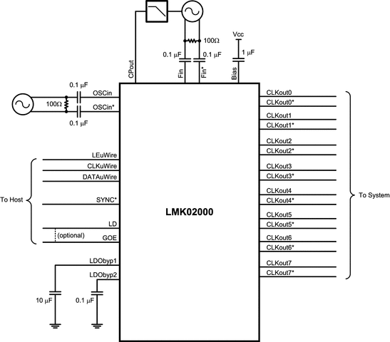
LMK020021 to 800-MHz, precision clock distributor with integrated PLL and 4 LVPECL outputs | Integrated Circuits (ICs) | 1 | Active | TheLMK02002precision clock conditioner combines the functions of jitter cleaning/reconditioning, multiplication, and distribution of a reference clock. The device integrates a high performance Integer-N Phase Locked Loop (PLL), and four LVPECL clock output distribution blocks.
Each clock distribution block includes a programmable divider, a phase synchronization circuit, a programmable delay, a clock output mux, and an LVPECL output buffer. This allows multiple integer-related and phase-adjusted copies of the reference to be distributed to eight system components.
The clock conditioner comes in a 48-pin LLP package and is footprint compatible with other clocking devices in the same family.
TheLMK02002precision clock conditioner combines the functions of jitter cleaning/reconditioning, multiplication, and distribution of a reference clock. The device integrates a high performance Integer-N Phase Locked Loop (PLL), and four LVPECL clock output distribution blocks.
Each clock distribution block includes a programmable divider, a phase synchronization circuit, a programmable delay, a clock output mux, and an LVPECL output buffer. This allows multiple integer-related and phase-adjusted copies of the reference to be distributed to eight system components.
The clock conditioner comes in a 48-pin LLP package and is footprint compatible with other clocking devices in the same family. |
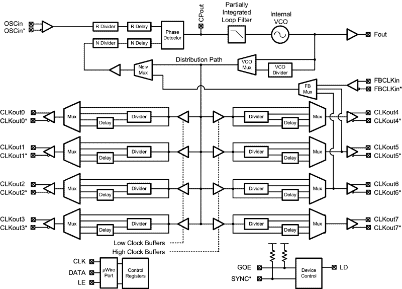
LMK030001185 to 1296-MHz, 800fs RMS jitter, precision clock conditioner with integrated VCO | Clock/Timing | 4 | Active | The LMK03000 family of precision clock conditioners combine the functions of jitter cleaning/reconditioning, multiplication, and distribution of a reference clock. The devices integrate a Voltage Controlled Oscillator (VCO), a high performance Integer-N Phase Locked Loop (PLL), a partially integrated loop filter, and up to eight outputs in various LVDS and LVPECL combinations.
The VCO output is optionally accessible on the Fout port. Internally, the VCO output goes through a VCO Divider to feed the various clock distribution blocks.
Each clock distribution block includes a programmable divider, a phase synchronization circuit, a programmable delay, a clock output mux, and an LVDS or LVPECL output buffer. This allows multiple integer-related and phase-adjusted copies of the reference to be distributed to eight system components.
The clock conditioners come in a 48-pin WQFN package and are footprint compatible with other clocking devices in the same family.
The LMK03000 family of precision clock conditioners combine the functions of jitter cleaning/reconditioning, multiplication, and distribution of a reference clock. The devices integrate a Voltage Controlled Oscillator (VCO), a high performance Integer-N Phase Locked Loop (PLL), a partially integrated loop filter, and up to eight outputs in various LVDS and LVPECL combinations.
The VCO output is optionally accessible on the Fout port. Internally, the VCO output goes through a VCO Divider to feed the various clock distribution blocks.
Each clock distribution block includes a programmable divider, a phase synchronization circuit, a programmable delay, a clock output mux, and an LVDS or LVPECL output buffer. This allows multiple integer-related and phase-adjusted copies of the reference to be distributed to eight system components.
The clock conditioners come in a 48-pin WQFN package and are footprint compatible with other clocking devices in the same family. |
LMK030011470 to 1570-MHz, 800-fs RMS jitter, precision clock conditioner with integrated VCO | Evaluation and Demonstration Boards and Kits | 8 | Active | The LMK03000 family of precision clock conditioners combine the functions of jitter cleaning/reconditioning, multiplication, and distribution of a reference clock. The devices integrate a Voltage Controlled Oscillator (VCO), a high performance Integer-N Phase Locked Loop (PLL), a partially integrated loop filter, and up to eight outputs in various LVDS and LVPECL combinations.
The VCO output is optionally accessible on the Fout port. Internally, the VCO output goes through a VCO Divider to feed the various clock distribution blocks.
Each clock distribution block includes a programmable divider, a phase synchronization circuit, a programmable delay, a clock output mux, and an LVDS or LVPECL output buffer. This allows multiple integer-related and phase-adjusted copies of the reference to be distributed to eight system components.
The clock conditioners come in a 48-pin WQFN package and are footprint compatible with other clocking devices in the same family.
The LMK03000 family of precision clock conditioners combine the functions of jitter cleaning/reconditioning, multiplication, and distribution of a reference clock. The devices integrate a Voltage Controlled Oscillator (VCO), a high performance Integer-N Phase Locked Loop (PLL), a partially integrated loop filter, and up to eight outputs in various LVDS and LVPECL combinations.
The VCO output is optionally accessible on the Fout port. Internally, the VCO output goes through a VCO Divider to feed the various clock distribution blocks.
Each clock distribution block includes a programmable divider, a phase synchronization circuit, a programmable delay, a clock output mux, and an LVDS or LVPECL output buffer. This allows multiple integer-related and phase-adjusted copies of the reference to be distributed to eight system components.
The clock conditioners come in a 48-pin WQFN package and are footprint compatible with other clocking devices in the same family. |
LMK030021566 to 1724-MHz, 800-fs RMS jitter, precision clock conditioner with integrated VCO | Clock Generators, PLLs, Frequency Synthesizers | 3 | Active | The LMK03002/LMK03002C precision clock conditioners combine the functions of jitter cleaning/reconditioning, multiplication, and distribution of a reference clock. The devices integrate a Voltage Controlled Oscillator (VCO), a high performance Integer-N Phase Locked Loop (PLL), a partially integrated loop filter, and four LVPECL clock output distribution blocks.
The VCO output is optionally accessible on the Fout port. Internally, the VCO output goes through a VCO Divider to feed the various clock distribution blocks.
Each clock distribution block includes a programmable divider, a phase synchronization circuit, a programmable delay, a clock output mux, and an LVPECL output buffer. This allows multiple integer-related and phase-adjusted copies of the reference to be distributed to four system components.
The clock conditioners come in a 48-pin WQFN package and are footprint compatible with other clocking devices in the same family.
The LMK03002/LMK03002C precision clock conditioners combine the functions of jitter cleaning/reconditioning, multiplication, and distribution of a reference clock. The devices integrate a Voltage Controlled Oscillator (VCO), a high performance Integer-N Phase Locked Loop (PLL), a partially integrated loop filter, and four LVPECL clock output distribution blocks.
The VCO output is optionally accessible on the Fout port. Internally, the VCO output goes through a VCO Divider to feed the various clock distribution blocks.
Each clock distribution block includes a programmable divider, a phase synchronization circuit, a programmable delay, a clock output mux, and an LVPECL output buffer. This allows multiple integer-related and phase-adjusted copies of the reference to be distributed to four system components.
The clock conditioners come in a 48-pin WQFN package and are footprint compatible with other clocking devices in the same family. |
LMK030331843 to 2160-MHz, 800-fs RMS jitter, precision clock conditioner with integrated VCO | Evaluation Boards | 6 | Active | The LMK03000 family of precision clock conditioners combine the functions of jitter cleaning/reconditioning, multiplication, and distribution of a reference clock. The devices integrate a Voltage Controlled Oscillator (VCO), a high performance Integer-N Phase Locked Loop (PLL), a partially integrated loop filter, and up to eight outputs in various LVDS and LVPECL combinations.
The VCO output is optionally accessible on the Fout port. Internally, the VCO output goes through a VCO Divider to feed the various clock distribution blocks.
Each clock distribution block includes a programmable divider, a phase synchronization circuit, a programmable delay, a clock output mux, and an LVDS or LVPECL output buffer. This allows multiple integer-related and phase-adjusted copies of the reference to be distributed to eight system components.
The clock conditioners come in a 48-pin WQFN package and are footprint compatible with other clocking devices in the same family.
The LMK03000 family of precision clock conditioners combine the functions of jitter cleaning/reconditioning, multiplication, and distribution of a reference clock. The devices integrate a Voltage Controlled Oscillator (VCO), a high performance Integer-N Phase Locked Loop (PLL), a partially integrated loop filter, and up to eight outputs in various LVDS and LVPECL combinations.
The VCO output is optionally accessible on the Fout port. Internally, the VCO output goes through a VCO Divider to feed the various clock distribution blocks.
Each clock distribution block includes a programmable divider, a phase synchronization circuit, a programmable delay, a clock output mux, and an LVDS or LVPECL output buffer. This allows multiple integer-related and phase-adjusted copies of the reference to be distributed to eight system components.
The clock conditioners come in a 48-pin WQFN package and are footprint compatible with other clocking devices in the same family. |
LMK03200Precision 0-delay clock conditioner with integrated VCO | Integrated Circuits (ICs) | 2 | Active | The LMK03200 family of precision clock conditioners combine the functions of jitter cleaning/reconditioning, multiplication, and 0-delay distribution of a reference clock. The devices integrate a Voltage Controlled Oscillator (VCO), a high performance Integer-N Phase Locked Loop (PLL), a partially integrated loop filter, and up to eight outputs in various LVDS and LVPECL combinations.
The VCO output is optionally accessible on the Fout port. Internally, the VCO output goes through a VCO divider to feed the various clock distribution blocks.
Each clock distribution block includes a programmable divider, a phase synchronization circuit, a programmable delay, a clock output mux, and an LVDS or LVPECL output buffer. The PLL also features delay blocks to permit global phase adjustment of clock output phase. This allows multiple integer-related and phase-adjusted copies of the reference to be distributed to eight system components.
The clock conditioners come in a 48-pin WQFN package and are footprint compatible with other clocking devices in the same family.
The LMK03200 family of precision clock conditioners combine the functions of jitter cleaning/reconditioning, multiplication, and 0-delay distribution of a reference clock. The devices integrate a Voltage Controlled Oscillator (VCO), a high performance Integer-N Phase Locked Loop (PLL), a partially integrated loop filter, and up to eight outputs in various LVDS and LVPECL combinations.
The VCO output is optionally accessible on the Fout port. Internally, the VCO output goes through a VCO divider to feed the various clock distribution blocks.
Each clock distribution block includes a programmable divider, a phase synchronization circuit, a programmable delay, a clock output mux, and an LVDS or LVPECL output buffer. The PLL also features delay blocks to permit global phase adjustment of clock output phase. This allows multiple integer-related and phase-adjusted copies of the reference to be distributed to eight system components.
The clock conditioners come in a 48-pin WQFN package and are footprint compatible with other clocking devices in the same family. |
LMK03318Ultra-low jitter clock generator family with single PLL | Evaluation and Demonstration Boards and Kits | 2 | Active | The LMK03318 device is an ultra-low-noise PLLATINUM™ clock generator with one fractional-N frequency synthesizer with integrated VCO, flexible clock distribution and fanout, and pin-selectable configuration states stored in on-chip EEPROM. The device can generate multiple clocks for various multi-gigabit serial interfaces and digital devices, thus reducing BOM cost and board area and improving reliability by replacing multiple oscillators and clock distribution devices. The ultra-low jitter reduces bit-error rate (BER) in high-speed serial links.
For the PLL, a differential clock, a single-ended clock, or a crystal input can be selected as the reference clock. The selected reference input can be used to lock the VCO frequency at an integer or fractional multiple of the reference input frequency. The VCO frequency can be tuned between 4.8 GHz and 5.4 GHz. The PLL offers the flexibility to select a predefined or user-defined loop bandwidth, depending on the needs of the application. The PLL has a post-divider that can be selected between divide-by 2, 3, 4, 5, 6, 7, or 8.
All the output channels can select the divided-down VCO clock from the PLL as the source for the output divider to set the final output frequency. Some output channels can also independently select the reference input for the PLL as an alternative source to be bypassed to the corresponding output buffers. The 8-bit output dividers support a divide range of 1 to 256 (even or odd), output frequencies up to 1 GHz, and output phase synchronization capability.
All output pairs are ground-referenced CML drivers with programmable swing that can be interfaced to LVDS, LVPECL, or CML receivers with AC coupling. All output pairs can also be independently configured as HCSL outputs or 2 × 1.8-V LVCMOS outputs. The outputs offer lower power at 1.8 V, higher performance and power supply noise immunity, and lower EMI compared to voltage-referenced driver designs (such as traditional LVDS and LVPECL drivers). Two additional 3.3-V LVCMOS outputs can be obtained via the STATUS pins. This is an optional feature in case of a need for 3.3-V LVCMOS outputs and device status signals are not needed.
The device features self start-up from on-chip programmable EEPROM or pre-defined ROM memory, which offers multiple custom device modes selectable via pin control eliminating the need for serial programming. The device registers and on-chip EEPROM settings are fully programmable through the I2C-compatible serial interface. The device slave address is programmable in EEPROM and LSBs can be set with a 3-state pin.
The device provides two frequency margining options with glitch-free operation to support system design verification tests (DVT), such as standard compliance and system timing margin testing. Fine frequency margining (in ppm) can be supported by using a low-cost pullable crystal on the internal crystal oscillator (XO), and selecting this input as the reference to the PLL synthesizer. The frequency margining range is determined by the trim sensitivity of the crystal and the on-chip varactor range. XO frequency margining can be controlled through pin or I2C control for ease-of use and high flexibility. Coarse frequency margining (in %) is available on any output channel by changing the output divide value via I2C interface, which synchronously stops and restarts the output clock to prevent a glitch or runt pulse when the divider is changed.
Internal power conditioning provide excellent power supply noise rejection (PSNR), reducing the cost and complexity of the power delivery network. The analog and digital core blocks operate from 3.3-V ± 5% supply and output blocks operate from 1.8-V, 2.5-V, or 3.3-V ± 5% supply.
The LMK03318 device is an ultra-low-noise PLLATINUM™ clock generator with one fractional-N frequency synthesizer with integrated VCO, flexible clock distribution and fanout, and pin-selectable configuration states stored in on-chip EEPROM. The device can generate multiple clocks for various multi-gigabit serial interfaces and digital devices, thus reducing BOM cost and board area and improving reliability by replacing multiple oscillators and clock distribution devices. The ultra-low jitter reduces bit-error rate (BER) in high-speed serial links.
For the PLL, a differential clock, a single-ended clock, or a crystal input can be selected as the reference clock. The selected reference input can be used to lock the VCO frequency at an integer or fractional multiple of the reference input frequency. The VCO frequency can be tuned between 4.8 GHz and 5.4 GHz. The PLL offers the flexibility to select a predefined or user-defined loop bandwidth, depending on the needs of the application. The PLL has a post-divider that can be selected between divide-by 2, 3, 4, 5, 6, 7, or 8.
All the output channels can select the divided-down VCO clock from the PLL as the source for the output divider to set the final output frequency. Some output channels can also independently select the reference input for the PLL as an alternative source to be bypassed to the corresponding output buffers. The 8-bit output dividers support a divide range of 1 to 256 (even or odd), output frequencies up to 1 GHz, and output phase synchronization capability.
All output pairs are ground-referenced CML drivers with programmable swing that can be interfaced to LVDS, LVPECL, or CML receivers with AC coupling. All output pairs can also be independently configured as HCSL outputs or 2 × 1.8-V LVCMOS outputs. The outputs offer lower power at 1.8 V, higher performance and power supply noise immunity, and lower EMI compared to voltage-referenced driver designs (such as traditional LVDS and LVPECL drivers). Two additional 3.3-V LVCMOS outputs can be obtained via the STATUS pins. This is an optional feature in case of a need for 3.3-V LVCMOS outputs and device status signals are not needed.
The device features self start-up from on-chip programmable EEPROM or pre-defined ROM memory, which offers multiple custom device modes selectable via pin control eliminating the need for serial programming. The device registers and on-chip EEPROM settings are fully programmable through the I2C-compatible serial interface. The device slave address is programmable in EEPROM and LSBs can be set with a 3-state pin.
The device provides two frequency margining options with glitch-free operation to support system design verification tests (DVT), such as standard compliance and system timing margin testing. Fine frequency margining (in ppm) can be supported by using a low-cost pullable crystal on the internal crystal oscillator (XO), and selecting this input as the reference to the PLL synthesizer. The frequency margining range is determined by the trim sensitivity of the crystal and the on-chip varactor range. XO frequency margining can be controlled through pin or I2C control for ease-of use and high flexibility. Coarse frequency margining (in %) is available on any output channel by changing the output divide value via I2C interface, which synchronously stops and restarts the output clock to prevent a glitch or runt pulse when the divider is changed.
Internal power conditioning provide excellent power supply noise rejection (PSNR), reducing the cost and complexity of the power delivery network. The analog and digital core blocks operate from 3.3-V ± 5% supply and output blocks operate from 1.8-V, 2.5-V, or 3.3-V ± 5% supply. |
LMK03328Ultra-low jitter clock generator family with two independent PLLs | Integrated Circuits (ICs) | 2 | Active | The LMK03328 device is an ultra-low-noise clock generator that has two fractional-N frequency synthesizers with integrated VCOs, flexible clock distribution and fan-out, and pin-selectable configuration states stored in an on-chip EEPROM. The device can generate multiple clocks for various multi-gigabit serial interfaces and digital devices, which can reduce the BOM cost and board area, and can improve reliability by replacing multiple oscillators and clock distribution devices. The ultra-low-jitter reduces bit error rate (BER) in high-speed serial links.
The LMK03328 device is an ultra-low-noise clock generator that has two fractional-N frequency synthesizers with integrated VCOs, flexible clock distribution and fan-out, and pin-selectable configuration states stored in an on-chip EEPROM. The device can generate multiple clocks for various multi-gigabit serial interfaces and digital devices, which can reduce the BOM cost and board area, and can improve reliability by replacing multiple oscillators and clock distribution devices. The ultra-low-jitter reduces bit error rate (BER) in high-speed serial links. |
LMK03806Ultra-low jitter clock generator with 14 outputs | Evaluation and Demonstration Boards and Kits | 4 | Active | The LMK03806 device is a high-performance, ultra low-jitter, multi-rate clock generator capable of synthesizing 8 different frequencies on 14 outputs at frequencies of up to 2.6 GHz. Each output clock is programmable in LVDS, LVPECL or LVCMOS format. The LMK03806 integrates a high-performance integer-N PLL, low-noise VCO, and programmable output dividers to generate multiple reference clocks for SONET, Ethernet, Fiber Channel, XAUI, Backplane, PCIe, SATA, and Network Processors from a low-cost crystal.
The LMK03806 device is a high-performance, ultra low-jitter, multi-rate clock generator capable of synthesizing 8 different frequencies on 14 outputs at frequencies of up to 2.6 GHz. Each output clock is programmable in LVDS, LVPECL or LVCMOS format. The LMK03806 integrates a high-performance integer-N PLL, low-noise VCO, and programmable output dividers to generate multiple reference clocks for SONET, Ethernet, Fiber Channel, XAUI, Backplane, PCIe, SATA, and Network Processors from a low-cost crystal. |