| Evaluation Boards | 3 | Obsolete | |
| Evaluation Boards | 3 | Obsolete | |
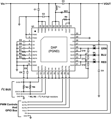
LM3435Compact Sequential Mode RGB LED driver with IC Control interface | LED Drivers | 1 | Active | The LM3435, a Synchronously Rectified non-isolated Flyback Converter, features all required functions to implement a highly efficient and cost effective RGB LED driver. Different from conventional Flyback converter, LEDs connect across the VOUT pin and the VIN pin through internal passing elements at corresponding LED pins. Thus, voltage across LEDs can be higher than, equal to or lower than the input supply voltage.
Load current to LEDs is up to 2A with voltage across LEDs ranging from 2.0V to 4.5V. Integrated N-Channel main MOSFET, P-Channel synchronous MOSFET and three N-Channel current regulating pass switches allow low component count, thus reducing complexity and minimize board size. The LM3435 is designed to work exceptionally well with ceramic output capacitors with low output ripple voltage. Loop compensation is not required resulting in a fast load transient response. Non-overlapping RGB LEDs are driven sequentially through individual control. Output voltage hence can be optimized for different forward voltage of LEDs during the non-overlapping period. I2C interface eases the programming of the individual RGB LED current up to 1,024 levels per channel.
The LM3435 is available in the thermally enhanced 40-pin WQFN package.
The LM3435, a Synchronously Rectified non-isolated Flyback Converter, features all required functions to implement a highly efficient and cost effective RGB LED driver. Different from conventional Flyback converter, LEDs connect across the VOUT pin and the VIN pin through internal passing elements at corresponding LED pins. Thus, voltage across LEDs can be higher than, equal to or lower than the input supply voltage.
Load current to LEDs is up to 2A with voltage across LEDs ranging from 2.0V to 4.5V. Integrated N-Channel main MOSFET, P-Channel synchronous MOSFET and three N-Channel current regulating pass switches allow low component count, thus reducing complexity and minimize board size. The LM3435 is designed to work exceptionally well with ceramic output capacitors with low output ripple voltage. Loop compensation is not required resulting in a fast load transient response. Non-overlapping RGB LEDs are driven sequentially through individual control. Output voltage hence can be optimized for different forward voltage of LEDs during the non-overlapping period. I2C interface eases the programming of the individual RGB LED current up to 1,024 levels per channel.
The LM3435 is available in the thermally enhanced 40-pin WQFN package. |
LM3444AC-DC offline LED driver | Development Boards, Kits, Programmers | 8 | Active | The LM3444 is an adaptive constant off-time AC/DC buck (step-down) constant current controller that provides a constant current for illuminating high power LEDs. The high-frequency capable architecture allows the use of small external passive components. A passive PFC circuit ensures good power factor by drawing current directly from the line for most of the cycle, and provides a constant positive voltage to the buck regulator. Additional features include thermal shutdown, current limit and VCCundervoltage lockout. The LM3444 is available in a low profile 10-pin VSSOP package or an 8-lead SOIC package.
The LM3444 is an adaptive constant off-time AC/DC buck (step-down) constant current controller that provides a constant current for illuminating high power LEDs. The high-frequency capable architecture allows the use of small external passive components. A passive PFC circuit ensures good power factor by drawing current directly from the line for most of the cycle, and provides a constant positive voltage to the buck regulator. Additional features include thermal shutdown, current limit and VCCundervoltage lockout. The LM3444 is available in a low profile 10-pin VSSOP package or an 8-lead SOIC package. |
| Integrated Circuits (ICs) | 8 | Active | |
| LED Drivers | 5 | Active | |
| Integrated Circuits (ICs) | 4 | Obsolete | |
LM3450LED drivers with active power factor correction and phase dimming decoder | LED Driver Evaluation Boards | 6 | Active | The LM3450/50A is a power factor controller (PFC) with separate phase dimming decoder. The PFC regulates the output voltage while maintaining excellent power factor. The phase dimming decoder interprets the phase angle and remaps it to a 500Hz PWM output. This device is ideal for implementing a dimmable off-line LED driver for 10-100W loads.
The phase dimming decoder has several unique features. The input-output mapping is programmable for design flexibility, while a dynamic filter and variable sampling rate provide smooth uniform dimming. A dynamic hold circuit ensures that the phase dimmer angle is decoded properly while minimizing extra power loss.
The LM3450A is identical to the LM3450 with the exception of one circuit operation. The dynamic hold current is sampled in the LM3450 while it continuously operates in the LM3450A. This difference between the two devices defines the suitable applications for each. The following is a general guideline for choosing the correct device:
The LM3450/50A is a power factor controller (PFC) with separate phase dimming decoder. The PFC regulates the output voltage while maintaining excellent power factor. The phase dimming decoder interprets the phase angle and remaps it to a 500Hz PWM output. This device is ideal for implementing a dimmable off-line LED driver for 10-100W loads.
The phase dimming decoder has several unique features. The input-output mapping is programmable for design flexibility, while a dynamic filter and variable sampling rate provide smooth uniform dimming. A dynamic hold circuit ensures that the phase dimmer angle is decoded properly while minimizing extra power loss.
The LM3450A is identical to the LM3450 with the exception of one circuit operation. The dynamic hold current is sampled in the LM3450 while it continuously operates in the LM3450A. This difference between the two devices defines the suitable applications for each. The following is a general guideline for choosing the correct device: |
| Instrumentation, Op Amps, Buffer Amps | 4 | Obsolete | |
| Power Management (PMIC) | 3 | Obsolete | |