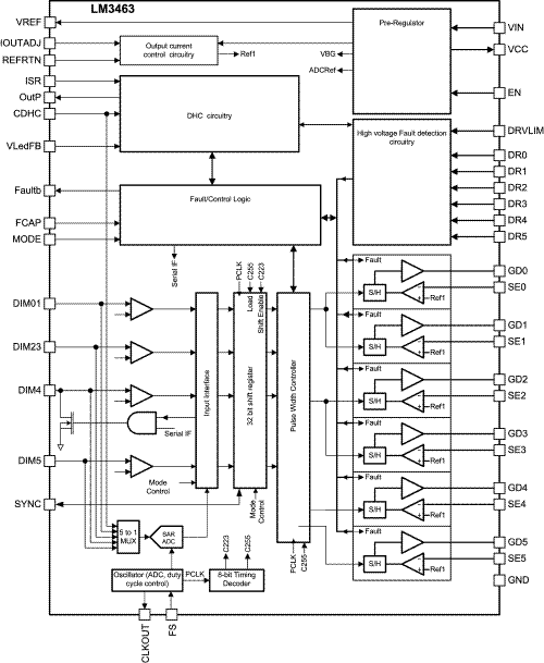
LM34636-channel high-Voltage, constant current LED driver with Dynamic Headroom Control | LED Drivers | 2 | Active | The LM3463 is a six channel linear LED driver with Dynamic Headroom Control (DHC) interface that is specialized for high power LED lighting applications. The variation of the output current of every output channel in the temperature range of -40°C to 125°C is well controlled to less than ±1%. The output current of every channel is accurately matched to each other with less than ± 1% difference as well.
By interfacing the LM3463 to the output voltage feedback node of a switching power supply via the DHC interface, the system efficiency is optimized automatically. The dynamic headroom control circuit in the LM3463 minimizes power dissipation on the external MOSFETs by adjusting the output voltage of the primary switching power supply according to the changing forward voltage of the LEDs. Comprising the advantages of linear and switching converters, the LM3463 delivers accurately regulated current to LEDs while maximizing the system efficiency.
The dimming control interface of the LM3463 accepts both analog and PWM dimming control signals. The analog dimming control input controls the current of all LEDs while the PWM control inputs control the dimming duty of output channels individually.
All trademarks are the property of their respective owners.
The LM3463 provides a sophisticated protection mechanism that secures high reliability and stability of the lighting system. The protection features include VINUnder-Voltage–Lock-Out (UVLO), thermal shut-down, LED short / open circuit protection and MOSFET drain voltage limiting. The LED short circuit protection protects both the LED and MOSFETS by limiting the power dissipation on the MOSFETS.
The LM3463 is a six channel linear LED driver with Dynamic Headroom Control (DHC) interface that is specialized for high power LED lighting applications. The variation of the output current of every output channel in the temperature range of -40°C to 125°C is well controlled to less than ±1%. The output current of every channel is accurately matched to each other with less than ± 1% difference as well.
By interfacing the LM3463 to the output voltage feedback node of a switching power supply via the DHC interface, the system efficiency is optimized automatically. The dynamic headroom control circuit in the LM3463 minimizes power dissipation on the external MOSFETs by adjusting the output voltage of the primary switching power supply according to the changing forward voltage of the LEDs. Comprising the advantages of linear and switching converters, the LM3463 delivers accurately regulated current to LEDs while maximizing the system efficiency.
The dimming control interface of the LM3463 accepts both analog and PWM dimming control signals. The analog dimming control input controls the current of all LEDs while the PWM control inputs control the dimming duty of output channels individually.
All trademarks are the property of their respective owners.
The LM3463 provides a sophisticated protection mechanism that secures high reliability and stability of the lighting system. The protection features include VINUnder-Voltage–Lock-Out (UVLO), thermal shut-down, LED short / open circuit protection and MOSFET drain voltage limiting. The LED short circuit protection protects both the LED and MOSFETS by limiting the power dissipation on the MOSFETS. |
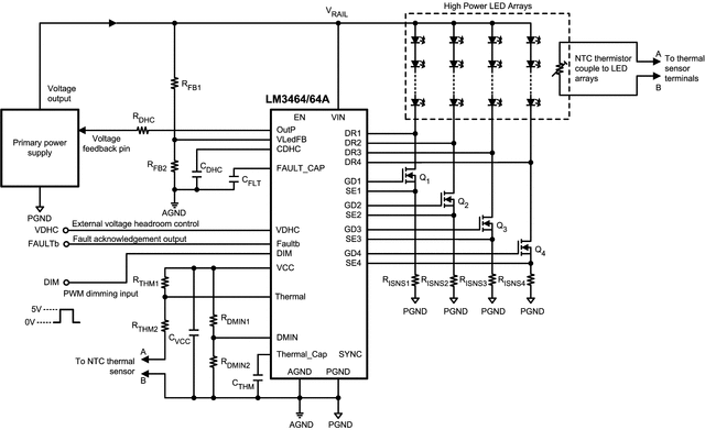
LM3464A80-V LED driver with Dynamic Headroom Control and Thermal Control interfaces | Evaluation Boards | 5 | Active | The LM3464/64A is a 4-channel high voltage current regulator that provides a simple solution for LED lighting applications. The LM3464/64A provides four individual current regulator channels and works in conjunction with external N-channel MOSFETs and sense resistors to give accurate driving current for every LED string. Additionally, the Dynamic Headroom Control (DHC) output can be interfaced to the external power supply to adjust the LED supply voltage to the lowest level that is adequate to maintain all the string currents in regulation, yielding the optimal overall efficiency.
Digital PWM or analog voltage signals can be used to control the duty cycle of the all the channels. When analog control is used, the dimming frequency can be programmed via an external capacitor. A minimum duty cycle control is provided in the conditions that the analog dimming is configured as thermal feedback.
Protection features include VIN under-voltage lock-out, LED open/short circuit and over-temperature fault signaling to the system controller.
The LM3464/64A is a 4-channel high voltage current regulator that provides a simple solution for LED lighting applications. The LM3464/64A provides four individual current regulator channels and works in conjunction with external N-channel MOSFETs and sense resistors to give accurate driving current for every LED string. Additionally, the Dynamic Headroom Control (DHC) output can be interfaced to the external power supply to adjust the LED supply voltage to the lowest level that is adequate to maintain all the string currents in regulation, yielding the optimal overall efficiency.
Digital PWM or analog voltage signals can be used to control the duty cycle of the all the channels. When analog control is used, the dimming frequency can be programmed via an external capacitor. A minimum duty cycle control is provided in the conditions that the analog dimming is configured as thermal feedback.
Protection features include VIN under-voltage lock-out, LED open/short circuit and over-temperature fault signaling to the system controller. |
LM3466Multi-String LED current balancer for use with constant current power Supplies | Development Boards, Kits, Programmers | 3 | Active | The LM3466 integrates a linear LED driver for lighting systems which consist of multiple LED strings powered by a constant current power supply. It balances the current provided by the supply in a pre-set ratio for each active LED string, where an active string is a fully turned on LED string, regardless of the number of strings connected to the supply or the forward voltage of each LED string. If any LED string opens during operation, the LM3466 automatically balances the supply current through all of the remaining active LED strings. As a result, the overall brightness of the lighting system is maintained even if some LED strings open during operation.
The LM3466 lighting system is simple to design owing to a proprietary control scheme. To minimize the component count, the LM3466 integrates a 70-V, 1.5-A, N-channel power MOSFET with a current limit of 2.06 A. To add one more LED string to the system, only a single resistor, a capacitor, and a LM3466 are required. Other supervisory features of the LM3466 include under-voltage lock-out, fault reporting, thermal latch off, and thermal shutdown protection.
The LM3466 consists of only linear circuitry so that the EMI of the application circuit is not deteriorated. The LM3466 lighting system is EMI friendly if the constant current power supply used is complied to EMI standards. The LM3466 is available in the DDA-8 exposed thermal pad and TO220-7
The LM3466 integrates a linear LED driver for lighting systems which consist of multiple LED strings powered by a constant current power supply. It balances the current provided by the supply in a pre-set ratio for each active LED string, where an active string is a fully turned on LED string, regardless of the number of strings connected to the supply or the forward voltage of each LED string. If any LED string opens during operation, the LM3466 automatically balances the supply current through all of the remaining active LED strings. As a result, the overall brightness of the lighting system is maintained even if some LED strings open during operation.
The LM3466 lighting system is simple to design owing to a proprietary control scheme. To minimize the component count, the LM3466 integrates a 70-V, 1.5-A, N-channel power MOSFET with a current limit of 2.06 A. To add one more LED string to the system, only a single resistor, a capacitor, and a LM3466 are required. Other supervisory features of the LM3466 include under-voltage lock-out, fault reporting, thermal latch off, and thermal shutdown protection.
The LM3466 consists of only linear circuitry so that the EMI of the application circuit is not deteriorated. The LM3466 lighting system is EMI friendly if the constant current power supply used is complied to EMI standards. The LM3466 is available in the DDA-8 exposed thermal pad and TO220-7 |
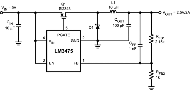
LM347510-V, hysteretic PFET buck controller | Development Boards, Kits, Programmers | 5 | Active | The LM3475 is a hysteretic P-FET buck controller designed to support a wide range of high efficiency applications in a very small SOT-23-5 package. The hysteretic control scheme has several advantages, including simple system design with no external compensation, stable operation with a wide range of components, and extremely fast transient response. Hysteretic control also provides high efficiency operation, even at light loads. The PFET architecture allows for low component count as well as 100% duty cycle and ultra-low dropout operation.
The LM3475 is a hysteretic P-FET buck controller designed to support a wide range of high efficiency applications in a very small SOT-23-5 package. The hysteretic control scheme has several advantages, including simple system design with no external compensation, stable operation with a wide range of components, and extremely fast transient response. Hysteretic control also provides high efficiency operation, even at light loads. The PFET architecture allows for low component count as well as 100% duty cycle and ultra-low dropout operation. |
| DC/DC & AC/DC (Off-Line) SMPS Evaluation Boards | 7 | Active | |
LM3478Q-Q140-V wide VIN low-side N-channel controller for switching regulators with 10-µA shutdown current | Evaluation Boards | 5 | Active | The LM3478Q-Q1 is a versatile Low-Side N-Channel MOSFET controller for switching regulators. It is suitable for use in topologies requiring a low side MOSFET, such as boost, flyback, SEPIC, etc. Moreover, the LM3478Q-Q1 can be operated at extremely high switching frequency in order to reduce the overall solution size. The switching frequency of the LM3478Q-Q1 can be adjusted to any value between 100 kHz and 1 MHz by using a single external resistor. Current mode control provides superior bandwidth and transient response, besides cycle-by-cycle current limiting. Output current can be programmed with a single external resistor.
The LM3478Q-Q1 has built in features such as thermal shutdown, short-circuit protection, over voltage protection, etc. Power saving shutdown mode reduces the total supply current to 5 µA and allows power supply sequencing. Internal soft-start limits the inrush current at start-up.
The LM3478Q-Q1 is a versatile Low-Side N-Channel MOSFET controller for switching regulators. It is suitable for use in topologies requiring a low side MOSFET, such as boost, flyback, SEPIC, etc. Moreover, the LM3478Q-Q1 can be operated at extremely high switching frequency in order to reduce the overall solution size. The switching frequency of the LM3478Q-Q1 can be adjusted to any value between 100 kHz and 1 MHz by using a single external resistor. Current mode control provides superior bandwidth and transient response, besides cycle-by-cycle current limiting. Output current can be programmed with a single external resistor.
The LM3478Q-Q1 has built in features such as thermal shutdown, short-circuit protection, over voltage protection, etc. Power saving shutdown mode reduces the total supply current to 5 µA and allows power supply sequencing. Internal soft-start limits the inrush current at start-up. |
| Instrumentation, OP Amps, Buffer Amps | 11 | Active | |
LM3480100-mA, 30-V, low-dropout voltage regulator | Voltage Regulators - Linear, Low Drop Out (LDO) Regulators | 11 | Active | The LM3480 is an integrated linear voltage regulator. It features operation from an input as high as 30 V and an ensured maximum dropout of 1.2 V at the full 100-mA load. Standard packaging for the LM3480 is the 3-lead SOT-23 package.
The 5-V, 12-V, and 15-V members of the LM3480 series are intended as tiny alternatives to industry standard LM78Lxx series and similar devices. The 1.2-V quasi-low dropout of LM3480 series devices makes them a nice fit in many applications where the 2-V to 2.5-V dropout of LM78Lxx series devices precludes their (LM78Lxx series devices) use.
The LM3480 series also features a 3.3-V member. The SOT-23 packaging and quasi-low dropout features of the LM3480 series converge in this device to provide a very nice, very tiny, 3.3-V, 100-mA bias supply that regulates directly off the system 5-V ±5% power supply.
The LM3480 is an integrated linear voltage regulator. It features operation from an input as high as 30 V and an ensured maximum dropout of 1.2 V at the full 100-mA load. Standard packaging for the LM3480 is the 3-lead SOT-23 package.
The 5-V, 12-V, and 15-V members of the LM3480 series are intended as tiny alternatives to industry standard LM78Lxx series and similar devices. The 1.2-V quasi-low dropout of LM3480 series devices makes them a nice fit in many applications where the 2-V to 2.5-V dropout of LM78Lxx series devices precludes their (LM78Lxx series devices) use.
The LM3480 series also features a 3.3-V member. The SOT-23 packaging and quasi-low dropout features of the LM3480 series converge in this device to provide a very nice, very tiny, 3.3-V, 100-mA bias supply that regulates directly off the system 5-V ±5% power supply. |
LM3481-Q12.97-V to 48-V high-efficiency controller for boost, SEPIC and flyback, AEC-Q100 qualified | Evaluation Boards | 6 | Active | The LM3481-Q1 device is a versatile Low-Side N-FET high-performance controller for switching regulators. The device is designed for use in boost, SEPIC and flyback converters and topologies requiring a low-side FET as the primary switch. The LM3481-Q1 device can be operated at very high switching frequencies to reduce the overall solution size. The switching frequency of the LM3481-Q1 device can be adjusted to any value between 100 kHz and 1 MHz by using a single external resistor or by synchronizing it to an external clock. Current mode control provides superior bandwidth and transient response in addition to cycle-by-cycle current limiting. Current limit can be programmed with a single external resistor.
The LM3481-Q1 device has built-in protection features such as thermal shutdown, short-circuit protection and overvoltage protection. Power-saving shutdown mode reduces the total supply current to 5 µA and allows power supply sequencing. Internal soft start limits the inrush current at start-up. Integrated current slope compensation simplifies the design and, if needed for specific applications, can be increased using a single resistor.
The LM3481-Q1 device is a versatile Low-Side N-FET high-performance controller for switching regulators. The device is designed for use in boost, SEPIC and flyback converters and topologies requiring a low-side FET as the primary switch. The LM3481-Q1 device can be operated at very high switching frequencies to reduce the overall solution size. The switching frequency of the LM3481-Q1 device can be adjusted to any value between 100 kHz and 1 MHz by using a single external resistor or by synchronizing it to an external clock. Current mode control provides superior bandwidth and transient response in addition to cycle-by-cycle current limiting. Current limit can be programmed with a single external resistor.
The LM3481-Q1 device has built-in protection features such as thermal shutdown, short-circuit protection and overvoltage protection. Power-saving shutdown mode reduces the total supply current to 5 µA and allows power supply sequencing. Internal soft start limits the inrush current at start-up. Integrated current slope compensation simplifies the design and, if needed for specific applications, can be increased using a single resistor. |
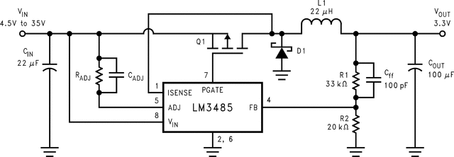
LM34854.5-35V, Hysteretic Non-Synchronous PFET Buck Controller | Evaluation Boards | 5 | Active | The LM3485 is a high-efficiency PFET switching regulator controller that can be used to quickly and easily develop a small, low-cost, switching buck regulator for a wide range of applications. The hysteretic control architecture provides for simple design without any control-loop stability concerns using a wide variety of external components. The PFET architecture also allows for low component count as well as ultralow dropout, 100% duty cycle operation. Another benefit is high efficiency operation at light loads without an increase in output ripple.
Current limit protection is provided by measuring the voltage across the RDS(ON)of the PFET, thus eliminating the need for a sense resistor. The cycle-by-cycle current limit can be adjusted with a single resistor, ensuring safe operation over a range of output currents.
The LM3485 is a high-efficiency PFET switching regulator controller that can be used to quickly and easily develop a small, low-cost, switching buck regulator for a wide range of applications. The hysteretic control architecture provides for simple design without any control-loop stability concerns using a wide variety of external components. The PFET architecture also allows for low component count as well as ultralow dropout, 100% duty cycle operation. Another benefit is high efficiency operation at light loads without an increase in output ripple.
Current limit protection is provided by measuring the voltage across the RDS(ON)of the PFET, thus eliminating the need for a sense resistor. The cycle-by-cycle current limit can be adjusted with a single resistor, ensuring safe operation over a range of output currents. |