T
Texas Instruments
| Series | Category | # Parts | Status | Description |
|---|---|---|---|---|
| Part | Spec A | Spec B | Spec C | Spec D | Description |
|---|---|---|---|---|---|
| Series | Category | # Parts | Status | Description |
|---|---|---|---|---|
| Part | Spec A | Spec B | Spec C | Spec D | Description |
|---|---|---|---|---|---|
| Part | Category | Description |
|---|---|---|
Texas Instruments | Integrated Circuits (ICs) | BUS DRIVER, BCT/FBT SERIES |
Texas Instruments | Integrated Circuits (ICs) | 12BIT 3.3V~3.6V 210MHZ PARALLEL VQFN-48-EP(7X7) ANALOG TO DIGITAL CONVERTERS (ADC) ROHS |
Texas Instruments | Integrated Circuits (ICs) | TMX320DRE311 179PIN UBGA 200MHZ |
Texas Instruments TPS61040DRVTG4Unknown | Integrated Circuits (ICs) | IC LED DRV RGLTR PWM 350MA 6WSON |
Texas Instruments LP3876ET-2.5Obsolete | Integrated Circuits (ICs) | IC REG LINEAR 2.5V 3A TO220-5 |
Texas Instruments LMS1585ACSX-ADJObsolete | Integrated Circuits (ICs) | IC REG LIN POS ADJ 5A DDPAK |
Texas Instruments INA111APG4Obsolete | Integrated Circuits (ICs) | IC INST AMP 1 CIRCUIT 8DIP |
Texas Instruments | Integrated Circuits (ICs) | AUTOMOTIVE, QUAD 36V 1.2MHZ OPERATIONAL AMPLIFIER |
Texas Instruments OPA340NA/3KG4Unknown | Integrated Circuits (ICs) | IC OPAMP GP 1 CIRCUIT SOT23-5 |
Texas Instruments PT5112AObsolete | Power Supplies - Board Mount | DC DC CONVERTER 8V 8W |
| Series | Category | # Parts | Status | Description |
|---|---|---|---|---|
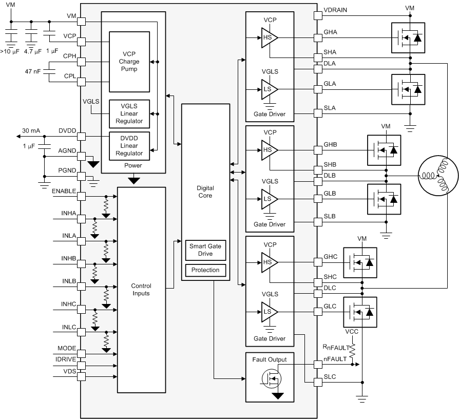
DRV8340-Q1Automotive 12-V to 24-V battery 3-phase smart gate driver | Motor Drivers, Controllers | 1 | Active | The DRV8340-Q1 device is an integrated gate driver for three-phase applications. The device provides three half-bridge gate drivers, each capable of driving high-side and low-side N-channel power MOSFETs. The dedicated Source and Drain pins enable the independent MOSFET control for solenoid application. The DRV8340-Q1 generates the correct gate drive voltages using an integrated charge pump sufficient for the high-side MOSFETs and a linear regulator for the low-side MOSFETs. The Smart Gate Drive architecture supports peak gate drive currents up to 1-A source and 2-A. The DRV8340-Q1 can operate from a single power supply and supports a wide input supply range of 5.5 to 60 V for the gate driver.
The 6x, 3x, 1x, and independent input PWM modes allow for simple interfacing to controller circuits. The configuration settings for the gate driver and device are highly configurable through the SPI or hardware (H/W) interface.
A low-power sleep mode is provided to achieve low quiescent current. Internal protection functions are provided for undervoltage lockout, charge pump fault, MOSFET overcurrent, MOSFET short circuit, phase-node short to supply and ground, gate driver fault, and overtemperature. Fault conditions are indicated on the nFAULT pin with details through the device registers for the SPI device variant.
The DRV8340-Q1 device is an integrated gate driver for three-phase applications. The device provides three half-bridge gate drivers, each capable of driving high-side and low-side N-channel power MOSFETs. The dedicated Source and Drain pins enable the independent MOSFET control for solenoid application. The DRV8340-Q1 generates the correct gate drive voltages using an integrated charge pump sufficient for the high-side MOSFETs and a linear regulator for the low-side MOSFETs. The Smart Gate Drive architecture supports peak gate drive currents up to 1-A source and 2-A. The DRV8340-Q1 can operate from a single power supply and supports a wide input supply range of 5.5 to 60 V for the gate driver.
The 6x, 3x, 1x, and independent input PWM modes allow for simple interfacing to controller circuits. The configuration settings for the gate driver and device are highly configurable through the SPI or hardware (H/W) interface.
A low-power sleep mode is provided to achieve low quiescent current. Internal protection functions are provided for undervoltage lockout, charge pump fault, MOSFET overcurrent, MOSFET short circuit, phase-node short to supply and ground, gate driver fault, and overtemperature. Fault conditions are indicated on the nFAULT pin with details through the device registers for the SPI device variant. |
DRV8343-Q1Automotive 12-V to 24-V battery 3-phase smart gate driver with current shunt amplifiers | Evaluation Boards | 3 | Active | The DRV8343-Q1 device is an integrated gate driver for three-phase applications. The device provides three half-bridge gate drivers, each capable of driving high-side and low-side N-channel power MOSFETs. The dedicated Source and Drain pins enable the independent MOSFET control for solenoid application. The DRV8343-Q1 generates the correct gate drive voltages using an integrated charge pump sufficient for the high-side MOSFETs and a linear regulator for the low-side MOSFETs. The Smart Gate Drive architecture supports peak gate drive currents up to 1-A source and 2-A. The DRV8343-Q1 can operate from a single power supply and supports a wide input supply range of 5.5 to 60 V for the gate driver.
The 6x, 3x, 1x, and independent input PWM modes allow for simple interfacing to controller circuits. The configuration settings for the gate driver and device are highly configurable through the SPI or hardware (H/W) interface. The DRV8343-Q1 device integrates three low-side current sense amplifiers that allow bidirectional current sensing on all three phases of the drive stage.
A low-power sleep mode is provided to achieve low quiescent current. Internal protection functions are provided for undervoltage lockout, charge pump fault, MOSFET overcurrent, MOSFET short circuit, phase-node short to supply and ground, gate driver fault, and overtemperature. Fault conditions are indicated on the nFAULT pin with details through the device registers for the SPI device variant.
The DRV8343-Q1 device is an integrated gate driver for three-phase applications. The device provides three half-bridge gate drivers, each capable of driving high-side and low-side N-channel power MOSFETs. The dedicated Source and Drain pins enable the independent MOSFET control for solenoid application. The DRV8343-Q1 generates the correct gate drive voltages using an integrated charge pump sufficient for the high-side MOSFETs and a linear regulator for the low-side MOSFETs. The Smart Gate Drive architecture supports peak gate drive currents up to 1-A source and 2-A. The DRV8343-Q1 can operate from a single power supply and supports a wide input supply range of 5.5 to 60 V for the gate driver.
The 6x, 3x, 1x, and independent input PWM modes allow for simple interfacing to controller circuits. The configuration settings for the gate driver and device are highly configurable through the SPI or hardware (H/W) interface. The DRV8343-Q1 device integrates three low-side current sense amplifiers that allow bidirectional current sensing on all three phases of the drive stage.
A low-power sleep mode is provided to achieve low quiescent current. Internal protection functions are provided for undervoltage lockout, charge pump fault, MOSFET overcurrent, MOSFET short circuit, phase-node short to supply and ground, gate driver fault, and overtemperature. Fault conditions are indicated on the nFAULT pin with details through the device registers for the SPI device variant. |
DRV8350R102-V max 3-phase Functional Safety Quality-Managed smart gate driver | Evaluation Boards | 7 | Active | The DRV835x family of devices are highly-integrated gate drivers for three-phase brushless DC (BLDC) motor applications. These applications include field-oriented control (FOC), sinusoidal current control, and trapezoidal current control of BLDC motors. The device variants provide optional integrated current shunt amplifiers to support different motor control schemes and a buck regulator to power the gate driver or external controller.
The DRV835x uses smart gate drive (SGD) architecture to decrease the number of external components that are typically necessary for MOSFET slew rate control and protection circuits. The SGD architecture also optimizes dead time to prevent shoot-through conditions, provides flexibility in decreasing electromagnetic interference (EMI) by MOSFET slew rate control, and protects against gate short circuit conditions through VGSmonitors. A strong gate pulldown circuit helps prevent unwanted dV/dt parasitic gate turn on events
Various PWM control modes (6x, 3x, 1x, and independent) are supported for simple interfacing to the external controller. These modes can decrease the number of outputs required of the controller for the motor driver PWM control signals. This family of devices also includes 1x PWM mode for simple sensored trapezoidal control of a BLDC motor by using an internal block commutation table.
The DRV835x family of devices are highly-integrated gate drivers for three-phase brushless DC (BLDC) motor applications. These applications include field-oriented control (FOC), sinusoidal current control, and trapezoidal current control of BLDC motors. The device variants provide optional integrated current shunt amplifiers to support different motor control schemes and a buck regulator to power the gate driver or external controller.
The DRV835x uses smart gate drive (SGD) architecture to decrease the number of external components that are typically necessary for MOSFET slew rate control and protection circuits. The SGD architecture also optimizes dead time to prevent shoot-through conditions, provides flexibility in decreasing electromagnetic interference (EMI) by MOSFET slew rate control, and protects against gate short circuit conditions through VGSmonitors. A strong gate pulldown circuit helps prevent unwanted dV/dt parasitic gate turn on events
Various PWM control modes (6x, 3x, 1x, and independent) are supported for simple interfacing to the external controller. These modes can decrease the number of outputs required of the controller for the motor driver PWM control signals. This family of devices also includes 1x PWM mode for simple sensored trapezoidal control of a BLDC motor by using an internal block commutation table. |
DRV8353R102-V max 3-phase smart gate driver with current shunt amplifiers and extended temperature | Development Boards, Kits, Programmers | 10 | Active | The DRV8353M family of devices are highly-integrated gate drivers for three-phase brushless DC (BLDC) motor applications. These applications include field-oriented control (FOC), sinusoidal current control, and trapezoidal current control of BLDC motors. The device variants provide optional integrated current shunt amplifiers to support different motor control schemes and a buck regulator to power the gate driver or external controller.
The DRV8353M uses smart gate drive (SGD) architecture to decrease the number of external components that are typically necessary for MOSFET slew rate control and protection circuits. The SGD architecture also optimizes dead time to prevent shoot-through conditions, provides flexibility in decreasing electromagnetic interference (EMI) by MOSFET slew rate control, and protects against gate short circuit conditions through VGSmonitors. A strong gate pulldown circuit helps prevent unwanted dV/dt parasitic gate turn on events
Various PWM control modes (6x, 3x, 1x, and independent) are supported for simple interfacing to the external controller. These modes can decrease the number of outputs required of the controller for the motor driver PWM control signals. This family of devices also includes 1x PWM mode for simple sensored trapezoidal control of a BLDC motor by using an internal block commutation table.
The DRV8353M family of devices are highly-integrated gate drivers for three-phase brushless DC (BLDC) motor applications. These applications include field-oriented control (FOC), sinusoidal current control, and trapezoidal current control of BLDC motors. The device variants provide optional integrated current shunt amplifiers to support different motor control schemes and a buck regulator to power the gate driver or external controller.
The DRV8353M uses smart gate drive (SGD) architecture to decrease the number of external components that are typically necessary for MOSFET slew rate control and protection circuits. The SGD architecture also optimizes dead time to prevent shoot-through conditions, provides flexibility in decreasing electromagnetic interference (EMI) by MOSFET slew rate control, and protects against gate short circuit conditions through VGSmonitors. A strong gate pulldown circuit helps prevent unwanted dV/dt parasitic gate turn on events
Various PWM control modes (6x, 3x, 1x, and independent) are supported for simple interfacing to the external controller. These modes can decrease the number of outputs required of the controller for the motor driver PWM control signals. This family of devices also includes 1x PWM mode for simple sensored trapezoidal control of a BLDC motor by using an internal block commutation table. |
| Development Boards, Kits, Programmers | 2 | Obsolete | ||
DRV84111.65V-to-11V, 4A dual H-bridge motor driver with current regulation | Power Management (PMIC) | 1 | Active | The DRV8411 is a dual H-bridge motor driver that can drive one or two DC brush motors, one stepper motor, solenoids, or other inductive loads. The tripler charge pump allows the device to operate down to 1.65V to accommodate 1.8V supply rails and low-battery conditions. The charge pump integrates all capacitors and allows for 100% duty cycle operation. The inputs and outputs can be paralleled to drive high current brush DC motors with half the RDS(on).
The device implements current regulation by comparing an internal refernce voltage to the voltage on the xISEN pins, which is proportional to motor current through an external sense resistor. The ability to limit current can significantly reduce large currents during motor startup and stall conditions.
A low-power sleep mode achieves ultra-low quiescent current draw by shutting down most of the internal circuitry. Internal protection features include undervoltage, overcurrent, and overtemperature.
The DRV8411 is part of a family of devices which come in pin-to-pin, scalable RDS(ON) options to support various loads with minimal design changes. See for information on the devices in this family. View our full portfolio ofbrushed motor driverson ti.com.
The DRV8411 is a dual H-bridge motor driver that can drive one or two DC brush motors, one stepper motor, solenoids, or other inductive loads. The tripler charge pump allows the device to operate down to 1.65V to accommodate 1.8V supply rails and low-battery conditions. The charge pump integrates all capacitors and allows for 100% duty cycle operation. The inputs and outputs can be paralleled to drive high current brush DC motors with half the RDS(on).
The device implements current regulation by comparing an internal refernce voltage to the voltage on the xISEN pins, which is proportional to motor current through an external sense resistor. The ability to limit current can significantly reduce large currents during motor startup and stall conditions.
A low-power sleep mode achieves ultra-low quiescent current draw by shutting down most of the internal circuitry. Internal protection features include undervoltage, overcurrent, and overtemperature.
The DRV8411 is part of a family of devices which come in pin-to-pin, scalable RDS(ON) options to support various loads with minimal design changes. See for information on the devices in this family. View our full portfolio ofbrushed motor driverson ti.com. |
DRV8411A1.65V-to-11V, 4A dual H-bridge motor driver with IPROPI current regulation | Integrated Circuits (ICs) | 2 | Active | The DRV8411A is a dual H-bridge motor driver that can drive one or two DC brush motors, one stepper motor, solenoids, or other inductive loads. The tripler charge pump allows the device to operate down to 1.65V to accommodate 1.8V supply rails and low-battery conditions. The charge pump integrates all capacitors and allows for 100% duty cycle operation. The inputs and outputs can be paralleled to drive high current brush DC motors with half the RDS(on).
The device implements current sensing and regulation. Internal current mirrors output the current sense information on the IPROPI pins, eliminating the need for large power shunt resistors, thereby saving board area and reducing system cost. The IPROPI outputs allow a microcontroller to detect motor stall or changes in load conditions. Using the VREF pin, the devices can regulate the motor current during startup and high-load events without interaction from a microcontroller.
A low-power sleep mode achieves ultra-low quiescent current draw by shutting down most of the internal circuitry. Internal protection features include undervoltage, overcurrent, and overtemperature.
The DRV8411A is part of a family of devices which come in pin-to-pin, scalable RDS(ON) options to support various loads with minimal design changes. See for information on the devices in this family. View our full portfolio ofbrushed motor driverson ti.com.
The DRV8411A is a dual H-bridge motor driver that can drive one or two DC brush motors, one stepper motor, solenoids, or other inductive loads. The tripler charge pump allows the device to operate down to 1.65V to accommodate 1.8V supply rails and low-battery conditions. The charge pump integrates all capacitors and allows for 100% duty cycle operation. The inputs and outputs can be paralleled to drive high current brush DC motors with half the RDS(on).
The device implements current sensing and regulation. Internal current mirrors output the current sense information on the IPROPI pins, eliminating the need for large power shunt resistors, thereby saving board area and reducing system cost. The IPROPI outputs allow a microcontroller to detect motor stall or changes in load conditions. Using the VREF pin, the devices can regulate the motor current during startup and high-load events without interaction from a microcontroller.
A low-power sleep mode achieves ultra-low quiescent current draw by shutting down most of the internal circuitry. Internal protection features include undervoltage, overcurrent, and overtemperature.
The DRV8411A is part of a family of devices which come in pin-to-pin, scalable RDS(ON) options to support various loads with minimal design changes. See for information on the devices in this family. View our full portfolio ofbrushed motor driverson ti.com. |
DRV841270V, 6A dual H-bridge motor driver with current regulation | Evaluation and Demonstration Boards and Kits | 3 | Active | The DRV841x2 are high-performance, integrated dual full-bridge motor driver with an advanced protection system.
Because of the low RDS(on) of the H-Bridge MOSFETs and intelligent gate drive design, the efficiency of these motor drivers can be up to 97%. This high efficiency enables the use of smaller power supplies and heatsinks, and the devices are good candidates for energy-efficient applications.
The DRV841x2 requires two power supplies, one at 12V for GVDD and VDD, and another up to 50 V for PVDD. The DRV841x2 can operate at up to 500kHz switching frequency while still maintaining precise control and high efficiency. The devices also have an innovative protection system safeguarding the device against a wide range of fault conditions that could damage the system. These safeguards are short-circuit protection, overcurrent protection, undervoltage protection, and two-stage thermal protection. The DRV841x2 has a current-limiting circuit that prevents device shutdown during load transients such as motor start-up. A programmable overcurrent detector allows adjustable current limit and protection level to meet different motor requirements.
The DRV841x2 has unique independent supply and ground pins for each half-bridge. These pins make it possible to provide current measurement through external shunt resistor and support multiple motors with different power supply voltage requirements.
The DRV841x2 are high-performance, integrated dual full-bridge motor driver with an advanced protection system.
Because of the low RDS(on) of the H-Bridge MOSFETs and intelligent gate drive design, the efficiency of these motor drivers can be up to 97%. This high efficiency enables the use of smaller power supplies and heatsinks, and the devices are good candidates for energy-efficient applications.
The DRV841x2 requires two power supplies, one at 12V for GVDD and VDD, and another up to 50 V for PVDD. The DRV841x2 can operate at up to 500kHz switching frequency while still maintaining precise control and high efficiency. The devices also have an innovative protection system safeguarding the device against a wide range of fault conditions that could damage the system. These safeguards are short-circuit protection, overcurrent protection, undervoltage protection, and two-stage thermal protection. The DRV841x2 has a current-limiting circuit that prevents device shutdown during load transients such as motor start-up. A programmable overcurrent detector allows adjustable current limit and protection level to meet different motor requirements.
The DRV841x2 has unique independent supply and ground pins for each half-bridge. These pins make it possible to provide current measurement through external shunt resistor and support multiple motors with different power supply voltage requirements. |
DRV8424E35-V, 2.5-A bipolar stepper or dual brushed motor driver with integrated current sensing | Development Boards, Kits, Programmers | 6 | Active | The DRV8424E/P, DRV8425E/P devices are dual H-bridge motor drivers for a wide variety of industrial applications. The devices can be used for driving two DC motors, or a bipolar stepper motor.
The output stage of the driver consists of N-channel power MOSFETs configured as two full H-bridges, charge pump regulator, current sensing and regulation, and protection circuitry. The integrated current sensing uses an internal current mirror architecture, removing the need for a large power shunt resistor, saving board area and reducing system cost. A low-power sleep mode is provided to achieve ultra- low quiescent current draw by shutting down most of the internal circuitry. Internal protection features are provided for supply undervoltage lockout (UVLO), charge pump undervoltage (CPUV), output overcurrent (OCP), and device overtemperature (OTSD).
The DRV8424E/P is capable of driving a stepper motor with up to 2.5-A full scale or brushed motors with up to 4-A peak; and the DRV8425E/P is capable of driving a stepper motor with up to 2-A full scale or brushed motors with up to 3.2-A peak (dependent on PCB design).
The DRV8424E/P, DRV8425E/P devices are dual H-bridge motor drivers for a wide variety of industrial applications. The devices can be used for driving two DC motors, or a bipolar stepper motor.
The output stage of the driver consists of N-channel power MOSFETs configured as two full H-bridges, charge pump regulator, current sensing and regulation, and protection circuitry. The integrated current sensing uses an internal current mirror architecture, removing the need for a large power shunt resistor, saving board area and reducing system cost. A low-power sleep mode is provided to achieve ultra- low quiescent current draw by shutting down most of the internal circuitry. Internal protection features are provided for supply undervoltage lockout (UVLO), charge pump undervoltage (CPUV), output overcurrent (OCP), and device overtemperature (OTSD).
The DRV8424E/P is capable of driving a stepper motor with up to 2.5-A full scale or brushed motors with up to 4-A peak; and the DRV8425E/P is capable of driving a stepper motor with up to 2-A full scale or brushed motors with up to 3.2-A peak (dependent on PCB design). |
DRV8425E35V, 2A bipolar stepper motor driver with integrated current sensing and 1/256 microstepping | Integrated Circuits (ICs) | 4 | Active | The DRV8424/25 are stepper motor drivers for industrial and consumer applications. The device is fully integrated with two N-channel power MOSFET H-bridge drivers, a microstepping indexer, and integrated current sensing. The DRV8424 is capable of driving up to 2.5-A full-scale output current; and the DRV8425 is capable of driving up to 2-A full-scale output current (dependent on PCB design).
The DRV8424/25 use an internal current sense architecture to eliminate the need for two external power sense resistors, saving PCB area and system cost. The devices use an internal PWM current regulation scheme selectable between smart tune, slow and mixed decay options. Smart tune automatically adjusts for optimal current regulation, compensates for motor variation and aging effects and reduces audible noise from the motor.
A simple STEP/DIR interface allows an external controller to manage the direction and step rate of the stepper motor. The device can be configured in full-step to 1/256 microstepping. A low-power sleep mode is provided using a dedicated nSLEEP pin. Protection features are provided for supply undervoltage, charge pump faults, overcurrent, short circuits, and overtemperature. Fault conditions are indicated by the nFAULT pin.
The DRV8424/25 are stepper motor drivers for industrial and consumer applications. The device is fully integrated with two N-channel power MOSFET H-bridge drivers, a microstepping indexer, and integrated current sensing. The DRV8424 is capable of driving up to 2.5-A full-scale output current; and the DRV8425 is capable of driving up to 2-A full-scale output current (dependent on PCB design).
The DRV8424/25 use an internal current sense architecture to eliminate the need for two external power sense resistors, saving PCB area and system cost. The devices use an internal PWM current regulation scheme selectable between smart tune, slow and mixed decay options. Smart tune automatically adjusts for optimal current regulation, compensates for motor variation and aging effects and reduces audible noise from the motor.
A simple STEP/DIR interface allows an external controller to manage the direction and step rate of the stepper motor. The device can be configured in full-step to 1/256 microstepping. A low-power sleep mode is provided using a dedicated nSLEEP pin. Protection features are provided for supply undervoltage, charge pump faults, overcurrent, short circuits, and overtemperature. Fault conditions are indicated by the nFAULT pin. |