| Evaluation Boards | 5 | Active | |
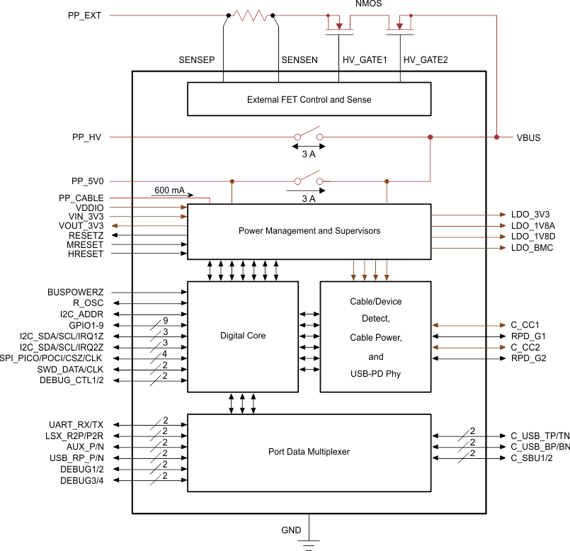
TPS65982Dual USB billboard for USB-C® Power Delivery devices with integrated 5-V load switch | Development Boards, Kits, Programmers | 10 | Active | The TPS65982 device is a stand-alone USB Type-C and Power Delivery (PD) controller providing cable-plug and orientation detection at the USB Type-C connector. Upon cable detection, the TPS65982 device communicates on the CC wire using the USB PD protocol. After successful USB PD negotiation is complete, the TPS65982 enables the appropriate power path and configures alternate mode settings for internal and (optional) external multiplexers.
The mixed-signal front end on the CC pins advertises default, 1.5 A or 3 A for USB Type-C power sources, detects a plug event and determines the Type-C cable orientation, and autonomously negotiates USB PD contracts using a Bi-phase Marked Coding (BMC) and the Physical Layer (PHY) protocol.
The port power switch provides up to 3 A downstream at 5 V for legacy and Type-C USB power. An additional bidirectional switch path provides USB PD power up to 3 A at a maximum of 20 V as either a source (host), sink (device), or source-sink.
The TPS65982 is also an upstream-facing port (UFP), downstream-facing port (DFP), or dual-role port for data. The port data multiplexer passes data to or from the top or bottom D+/D– signal pair at the port for USB 2.0 HS; additionally, the Sideband-Use (SBU) signal pair is used for Alternate Modes. The power management circuitry supports dead battery or no-battery operation using VBUS as a primary power supply when 3.3 V is not available.
The TPS65982 device is a stand-alone USB Type-C and Power Delivery (PD) controller providing cable-plug and orientation detection at the USB Type-C connector. Upon cable detection, the TPS65982 device communicates on the CC wire using the USB PD protocol. After successful USB PD negotiation is complete, the TPS65982 enables the appropriate power path and configures alternate mode settings for internal and (optional) external multiplexers.
The mixed-signal front end on the CC pins advertises default, 1.5 A or 3 A for USB Type-C power sources, detects a plug event and determines the Type-C cable orientation, and autonomously negotiates USB PD contracts using a Bi-phase Marked Coding (BMC) and the Physical Layer (PHY) protocol.
The port power switch provides up to 3 A downstream at 5 V for legacy and Type-C USB power. An additional bidirectional switch path provides USB PD power up to 3 A at a maximum of 20 V as either a source (host), sink (device), or source-sink.
The TPS65982 is also an upstream-facing port (UFP), downstream-facing port (DFP), or dual-role port for data. The port data multiplexer passes data to or from the top or bottom D+/D– signal pair at the port for USB 2.0 HS; additionally, the Sideband-Use (SBU) signal pair is used for Alternate Modes. The power management circuitry supports dead battery or no-battery operation using VBUS as a primary power supply when 3.3 V is not available. |
| Power Management (PMIC) | 3 | NRND | |
| Integrated Circuits (ICs) | 2 | Active | |
TPS65987USB-C® Power Delivery controller with integrated power switches for PC hosts & Thunderbolt devices | Evaluation Boards | 5 | Active | The TPS65987DDK is a highly integrated stand-alone USB Type-C and Power Delivery (PD) controller optimized for USB4 & TBT4 Device. The TPS65987DDK integrates fully managed power paths with robust protection for a complete USB-C PD solution. The TPS65987DDK is a stand-alone USB Type-C and Power Delivery (PD) controller providing cable plug and orientation detection for a single USB Type-C connector. Upon cable detection, the TPS65987DDK communicates on the CC wire using the USB PD protocol. When cable detection and USB PD negotiation are complete, the TPS65987DDK enables the appropriate power path and configures alternate mode settings for external multiplexers. This device is featured on Intel’s Reference Design for USB4 & TBT4 Device end equipments ensuring the PD controller has proper system level interaction in these types of designs. This greatly reduces system design complexity and results in reduced time to market.
The TPS65987DDK is a highly integrated stand-alone USB Type-C and Power Delivery (PD) controller optimized for USB4 & TBT4 Device. The TPS65987DDK integrates fully managed power paths with robust protection for a complete USB-C PD solution. The TPS65987DDK is a stand-alone USB Type-C and Power Delivery (PD) controller providing cable plug and orientation detection for a single USB Type-C connector. Upon cable detection, the TPS65987DDK communicates on the CC wire using the USB PD protocol. When cable detection and USB PD negotiation are complete, the TPS65987DDK enables the appropriate power path and configures alternate mode settings for external multiplexers. This device is featured on Intel’s Reference Design for USB4 & TBT4 Device end equipments ensuring the PD controller has proper system level interaction in these types of designs. This greatly reduces system design complexity and results in reduced time to market. |
TPS65988USB-C® Power Delivery controller with integrated power switches for PC & Thunderbolt systems | Power Management (PMIC) | 5 | Active | The TPS65988DK is a highly integrated stand-alone Dual Port USB Type-C and Power Delivery (PD) controller optimized for USB4 & TBT4 Device. The TPS65988DK integrates fully managed power paths with robust protection for a complete USB-C PD solution. Upon cable detection, the TPS65988DK communicates on the CC wire using the USB PD protocol. When cable detection and USB PD negotiation are complete, the TPS65988DK enables the appropriate power path and configures alternate mode settings for external multiplexers. This device is featured on Intel’s Reference Design for USB4 & TBT4 Device end equipments ensuring the PD controller has proper system level interaction in these types of designs. This greatly reduces system design complexity and results in reduced time to market.
The TPS65988DK is a highly integrated stand-alone Dual Port USB Type-C and Power Delivery (PD) controller optimized for USB4 & TBT4 Device. The TPS65988DK integrates fully managed power paths with robust protection for a complete USB-C PD solution. Upon cable detection, the TPS65988DK communicates on the CC wire using the USB PD protocol. When cable detection and USB PD negotiation are complete, the TPS65988DK enables the appropriate power path and configures alternate mode settings for external multiplexers. This device is featured on Intel’s Reference Design for USB4 & TBT4 Device end equipments ensuring the PD controller has proper system level interaction in these types of designs. This greatly reduces system design complexity and results in reduced time to market. |
TPS65994Dual port USB-C® Power Delivery controller w/ source power switches, USB4 & alternate mode support | Power Management - Specialized | 3 | Active | The TPS65994AD is a highly integrated stand-alone Dual Port USB Type-C and Power Delivery (PD) controller for PC and notebooks applications. The TPS65994AD integrates fully managed source paths with robust protection for a complete USB-C PD solution. TPS65994AD is featured on Intel and AMD’s Reference Design for PC and notebook end equipment ensuring the PD controller has proper system level interaction in these types of designs. This feature greatly reduces system design complexity and results in reduced time to market.
The TPS65994AD is a highly integrated stand-alone Dual Port USB Type-C and Power Delivery (PD) controller for PC and notebooks applications. The TPS65994AD integrates fully managed source paths with robust protection for a complete USB-C PD solution. TPS65994AD is featured on Intel and AMD’s Reference Design for PC and notebook end equipment ensuring the PD controller has proper system level interaction in these types of designs. This feature greatly reduces system design complexity and results in reduced time to market. |
| Integrated Circuits (ICs) | 2 | Active | |
TPS66021USB-C® Power Delivery 20V sink & 5V source power switch with 5V dead battery LDO | Integrated Circuits (ICs) | 1 | Active | The TPS6602x is a full-featured power switch multiplexer that contains an integrated 5-V Source power path and a 4-V to 22-V Sink power path. The 5-V Source path limits the output current to a safe level by operating in a constant-current mode when the output load exceeds the selected current-limit threshold. Each power path supports overtemperature and reverse current protection. VBUS has overvoltage protection with its level being set by an optional external resistor divider. If no overvoltage protection is desired, it may be disabled by grounding the OVP terminal. The TPS6602x series supports a fault pin that indicates overcurrent and overtemperature events.
TPS6602x series also supports a high voltage VBUS LDO regulator (3.3-V or 5-V per device type) useful for supplying power to the device and other system components when operating in dead battery conditions. The TPS66020 regulates to 3.3-V and the TPS66021 regulates to 5-V.
The TPS6602x is a full-featured power switch multiplexer that contains an integrated 5-V Source power path and a 4-V to 22-V Sink power path. The 5-V Source path limits the output current to a safe level by operating in a constant-current mode when the output load exceeds the selected current-limit threshold. Each power path supports overtemperature and reverse current protection. VBUS has overvoltage protection with its level being set by an optional external resistor divider. If no overvoltage protection is desired, it may be disabled by grounding the OVP terminal. The TPS6602x series supports a fault pin that indicates overcurrent and overtemperature events.
TPS6602x series also supports a high voltage VBUS LDO regulator (3.3-V or 5-V per device type) useful for supplying power to the device and other system components when operating in dead battery conditions. The TPS66020 regulates to 3.3-V and the TPS66021 regulates to 5-V. |
| Analog Switches - Special Purpose | 1 | Active | |