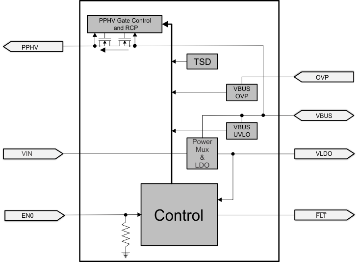
TPS66121USB-C® Power Delivery high voltage power switch for sink with 5V dead battery LDO | Integrated Circuits (ICs) | 1 | Active | The TPS6612x contains an integrated 4-V to 22-V Sink power path. The power path supports overtemperature and reverse current protection. VBUS has overvoltage protection with its level being set by an optional external resistor divider. If no overvoltage protection is desired, it may be disabled by grounding the OVP terminal. The TPS6612x supports a fault pin that indicates overtemperature events.
The TPS6612x series also supports a high voltage VBUS LDO regulator (3.3-V or 5-V per device type) useful for supplying power to the device and other system components when operating in dead battery conditions. The TPS66120 regulates to 3.3 V and the TPS66121 regulates to 5 V.
The TPS6612x contains an integrated 4-V to 22-V Sink power path. The power path supports overtemperature and reverse current protection. VBUS has overvoltage protection with its level being set by an optional external resistor divider. If no overvoltage protection is desired, it may be disabled by grounding the OVP terminal. The TPS6612x supports a fault pin that indicates overtemperature events.
The TPS6612x series also supports a high voltage VBUS LDO regulator (3.3-V or 5-V per device type) useful for supplying power to the device and other system components when operating in dead battery conditions. The TPS66120 regulates to 3.3 V and the TPS66121 regulates to 5 V. |
| Development Boards, Kits, Programmers | 2 | Obsolete | |
| Integrated Circuits (ICs) | 6 | Active | |
TPS6735Fixed Negative 5-V 200-MA Inverting DC/DC Converter | Power Management (PMIC) | 5 | Active | The TPS6735 is a fixed negative 5-V output inverting dc/dc converter capable of delivering 200 mA from inputs as low as 4.5 V. The only external components required are an inductor, an output filter capacitor, an input filter capacitor, a reference filter capacitor, and a Schottky rectifier. An enable input is provided to shut down the inverter when a -5-V output is not needed. The typical supply current is 1.9 mA at no-load and is further reduced to 1-uA when the enable input is low.
The TPS6735 is a 160-kHz current-mode pulse-width-modulation (PWM) controller with a p-channel MOSFET power switch. The gate drive uses the -5-V output to reduce the die area needed to realize the 0.4-MOSFET. Soft start is accomplished with the addition of one small capacitor at SS. A 1.22-V reference is available for external loads up to 125 uA.
The TPS6735 is attractive for board-level dc/dc conversion in computer peripherals and in battery-powered equipment requiring high efficiency and low supply current.
The TPS6735 is available in 8-pin DIP and SOIC packages and operates over a free-air temperature range of -40°C to 85°C.
The TPS6735 is a fixed negative 5-V output inverting dc/dc converter capable of delivering 200 mA from inputs as low as 4.5 V. The only external components required are an inductor, an output filter capacitor, an input filter capacitor, a reference filter capacitor, and a Schottky rectifier. An enable input is provided to shut down the inverter when a -5-V output is not needed. The typical supply current is 1.9 mA at no-load and is further reduced to 1-uA when the enable input is low.
The TPS6735 is a 160-kHz current-mode pulse-width-modulation (PWM) controller with a p-channel MOSFET power switch. The gate drive uses the -5-V output to reduce the die area needed to realize the 0.4-MOSFET. Soft start is accomplished with the addition of one small capacitor at SS. A 1.22-V reference is available for external loads up to 125 uA.
The TPS6735 is attractive for board-level dc/dc conversion in computer peripherals and in battery-powered equipment requiring high efficiency and low supply current.
The TPS6735 is available in 8-pin DIP and SOIC packages and operates over a free-air temperature range of -40°C to 85°C. |
| Integrated Circuits (ICs) | 5 | Active | |
| Development Boards, Kits, Programmers | 3 | Obsolete | |
TPS68000CCFL Controller for Full Bridge Phase Shift Topologies | Integrated Circuits (ICs) | 4 | NRND | The TPS68000 device provides a power supply controller solution for CCFL backlight applications in a large variety of applications. The wide input voltage range of 8 V to 30 V makes it suitable to be powered directly from regulated 12-V or 24-V rails, or any other source with output voltages in this range. When using a 10% accurate regulated 5-V rail, it also can be used in notebook computers or other portable battery-powered equipment having lower minimum supply voltages. The controller is capable of driving the gates of all 4 NMOS switches directly without the need for any additional circuitry, like dedicated gate drivers or gate-drive transformers. The wide input voltage range also makes it easy to design CCFL converters with higher input voltages like 120 V or 400 V available at the output of a power factor correction unit. The TPS68000 also supports CCFL converter circuits driving multi-lamp applications, either by using higher power-rated switches and transformers, or using several TPS68000s synchronized. When synchronized, they can be operated either at the same frequency and phase, or phase shifted to minimize RMS input current. Already implemented smart dimming features, such as support of distributed dimming, also help to optimize the performance of multi-controller applications.
To start the lamp, an automatic strike control is implemented. It smoothly increases the lamp voltage by sweeping the operating frequency across the self resonance frequency of the transformer-series capacitor resonant circuit. During this time the maximum lamp voltage is limited and regulated by a voltage control loop until the lamp current increases to a value allowing the current control loop to take over control. The lamp current is regulated over a wide current range. To set the lamp brightness, analog and PWM dimming circuits are implemented. Analog and PWM dimming can be used independent of each other to control lamp brightness over a wide range.
To protect the circuit during fault conditions, for example broken, disconnected, or shorted lamps, overvoltage protection and overcurrent protection circuits are implemented. To protect the TPS68000 from overheating, an internal temperature sensor is implemented that triggers controller turn-off at an excessive device temperature.
The device is packaged in a 30-pin TSSOP package measuring 6,4 mm x 7,8 mm (DBT).
The TPS68000 device provides a power supply controller solution for CCFL backlight applications in a large variety of applications. The wide input voltage range of 8 V to 30 V makes it suitable to be powered directly from regulated 12-V or 24-V rails, or any other source with output voltages in this range. When using a 10% accurate regulated 5-V rail, it also can be used in notebook computers or other portable battery-powered equipment having lower minimum supply voltages. The controller is capable of driving the gates of all 4 NMOS switches directly without the need for any additional circuitry, like dedicated gate drivers or gate-drive transformers. The wide input voltage range also makes it easy to design CCFL converters with higher input voltages like 120 V or 400 V available at the output of a power factor correction unit. The TPS68000 also supports CCFL converter circuits driving multi-lamp applications, either by using higher power-rated switches and transformers, or using several TPS68000s synchronized. When synchronized, they can be operated either at the same frequency and phase, or phase shifted to minimize RMS input current. Already implemented smart dimming features, such as support of distributed dimming, also help to optimize the performance of multi-controller applications.
To start the lamp, an automatic strike control is implemented. It smoothly increases the lamp voltage by sweeping the operating frequency across the self resonance frequency of the transformer-series capacitor resonant circuit. During this time the maximum lamp voltage is limited and regulated by a voltage control loop until the lamp current increases to a value allowing the current control loop to take over control. The lamp current is regulated over a wide current range. To set the lamp brightness, analog and PWM dimming circuits are implemented. Analog and PWM dimming can be used independent of each other to control lamp brightness over a wide range.
To protect the circuit during fault conditions, for example broken, disconnected, or shorted lamps, overvoltage protection and overcurrent protection circuits are implemented. To protect the TPS68000 from overheating, an internal temperature sensor is implemented that triggers controller turn-off at an excessive device temperature.
The device is packaged in a 30-pin TSSOP package measuring 6,4 mm x 7,8 mm (DBT). |
| LED Drivers | 1 | Obsolete | |
| Integrated Circuits (ICs) | 1 | Obsolete | |
TPS68470Power Management IC (PMIC) with flash LED driver and ref clock generation for compact camera module | Integrated Circuits (ICs) | 2 | Active | The TPS68470 device is an advanced power management unit that powers a Compact Camera Module (CCM), generates the clock for the image sensor, drives a dual LED for Flash and incorporates two LED drivers for general purpose indicators . The TPS68470 is capable of generating all needed power rails in a CCM.
The CORE voltage regulator is a state of the art buck converter which can be used for the image sensor digital supply. An LDO (LDO_ANA) can be used for the image sensor analog supply.
The TPS68470 also has a high efficiency boost converter to support two 1A LED flash drivers. The LED currents are controlled with regulated low side current sources.
The TPS68470 has five other LDOs. Two of them can be used for generic and sensor IO supply voltage generation (LDO_IO and LDO_S_IO). One can be dedicated to the VCM driver supply (LDO_VCM). The remaining two are auxiliary LDOs (LDO_AUX1 and LDO_AUX2).
The TPS68470 device is an advanced power management unit that powers a Compact Camera Module (CCM), generates the clock for the image sensor, drives a dual LED for Flash and incorporates two LED drivers for general purpose indicators . The TPS68470 is capable of generating all needed power rails in a CCM.
The CORE voltage regulator is a state of the art buck converter which can be used for the image sensor digital supply. An LDO (LDO_ANA) can be used for the image sensor analog supply.
The TPS68470 also has a high efficiency boost converter to support two 1A LED flash drivers. The LED currents are controlled with regulated low side current sources.
The TPS68470 has five other LDOs. Two of them can be used for generic and sensor IO supply voltage generation (LDO_IO and LDO_S_IO). One can be dedicated to the VCM driver supply (LDO_VCM). The remaining two are auxiliary LDOs (LDO_AUX1 and LDO_AUX2). |