| Power Management (PMIC) | 2 | Active | |
| Power Management - Specialized | 3 | Active | |
| Power Management - Specialized | 1 | Obsolete | |
| Power Management (PMIC) | 2 | Obsolete | |
| Power Management - Specialized | 8 | Active | |
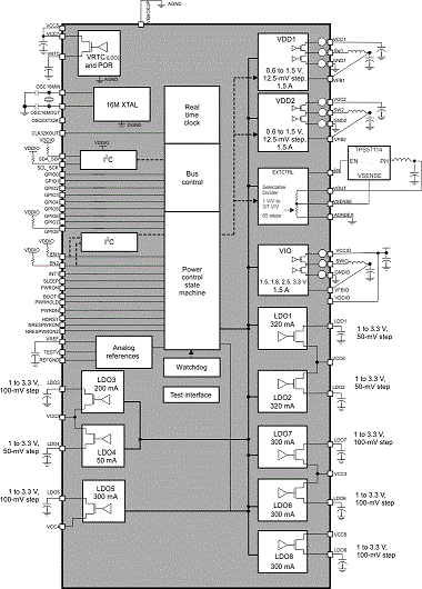
TPS65912Power Management IC (PMIC) with 4DC/DCs, 10 LDOs, 3 LED outputs & 32kHz RC oscillator | Power Management - Specialized | 5 | Active | The TPS65912x device provides four configurable step-down converters with up to 2.5-A output current for memory, processor core, I/O, or preregulation of LDOs. The device also contains ten LDO regulators for external use. These LDOs can be supplied from either a battery or a preregulated supply. Power-up or power-down controller is configurable and can support any power-up or power-down sequences(OTP-based). The TPS65912x device integrates a 32-kHz RC oscillator to sequence all resources during power up or power down. All LDOs and DC-DC converters can be controlled by I2C-SPI interface or basic ENABLE balls. In addition, an independent automatic voltage-scaling interface allows for transitioningDC-DC to a different voltage by I2C or basic Roof/Floor Control. Three RGB LEDs with an advanced dimming feature are integrated inside the device. GPIO functionality is multiplexed with LED/ENABLE/SPI when not used. Each GPIO can be configured as part of the power-up sequence to control external resources. One SLEEP pin enables power mode control between active mode and preprogrammed sleep mode for power optimization. For system control, the TPS65912x device has one comparator for system state management. The TPS65912x device comes in a 9-pin × 9-pin DSBGA package (3.6 mm × 3.6 mm) with a 0.4-mm pitch.
The TPS65912x device provides four configurable step-down converters with up to 2.5-A output current for memory, processor core, I/O, or preregulation of LDOs. The device also contains ten LDO regulators for external use. These LDOs can be supplied from either a battery or a preregulated supply. Power-up or power-down controller is configurable and can support any power-up or power-down sequences(OTP-based). The TPS65912x device integrates a 32-kHz RC oscillator to sequence all resources during power up or power down. All LDOs and DC-DC converters can be controlled by I2C-SPI interface or basic ENABLE balls. In addition, an independent automatic voltage-scaling interface allows for transitioningDC-DC to a different voltage by I2C or basic Roof/Floor Control. Three RGB LEDs with an advanced dimming feature are integrated inside the device. GPIO functionality is multiplexed with LED/ENABLE/SPI when not used. Each GPIO can be configured as part of the power-up sequence to control external resources. One SLEEP pin enables power mode control between active mode and preprogrammed sleep mode for power optimization. For system control, the TPS65912x device has one comparator for system state management. The TPS65912x device comes in a 9-pin × 9-pin DSBGA package (3.6 mm × 3.6 mm) with a 0.4-mm pitch. |
| Power Management - Specialized | 1 | LTB | |
| Integrated Circuits (ICs) | 1 | Active | |
| Evaluation Boards | 6 | Active | |
| Evaluation Boards | 1 | Active | |