TPS61165High brightness white LED driver in 2mm x 2mm QFN Package | Development Boards, Kits, Programmers | 8 | Active | With a 40-V rated integrated switch FET, the TPS61165-Q1 device is a boost converter that drives LEDs in series. The boost converter runs at a 1.2-MHz fixed switching frequency with 1.2-A switch current limit, and allows for the use of a high brightness LED in general lighting.
The default white LED current is set with the external sensor resistor Rset, and the feedback voltage is regulated to 200 mV, as shown in theTypical Applicationsection. During the operation, the LED current can be controlled using the 1-wire digital interface (EasyScale™ protocol) through the CTRL pin. Alternatively, a pulse width modulation (PWM) signal can be applied to the CTRL pin through which the duty cycle determines the feedback reference voltage. In either digital or PWM mode, the TPS61165-Q1 device does not burst the LED current; therefore, the device does not generate audible noises on the output capacitor. For maximum protection, the TPS61165-Q1 device features integrated open LED protection that disables it to prevent the output from exceeding its absolute maximum voltage ratings during open LED conditions.
The TPS61165-Q1 device is available in a SOT-23 package.
With a 40-V rated integrated switch FET, the TPS61165-Q1 device is a boost converter that drives LEDs in series. The boost converter runs at a 1.2-MHz fixed switching frequency with 1.2-A switch current limit, and allows for the use of a high brightness LED in general lighting.
The default white LED current is set with the external sensor resistor Rset, and the feedback voltage is regulated to 200 mV, as shown in theTypical Applicationsection. During the operation, the LED current can be controlled using the 1-wire digital interface (EasyScale™ protocol) through the CTRL pin. Alternatively, a pulse width modulation (PWM) signal can be applied to the CTRL pin through which the duty cycle determines the feedback reference voltage. In either digital or PWM mode, the TPS61165-Q1 device does not burst the LED current; therefore, the device does not generate audible noises on the output capacitor. For maximum protection, the TPS61165-Q1 device features integrated open LED protection that disables it to prevent the output from exceeding its absolute maximum voltage ratings during open LED conditions.
The TPS61165-Q1 device is available in a SOT-23 package. |
TPS61166White LED driver w/ integrated power Diode and Fast Burst dimming Mode | Evaluation Boards | 3 | Active | The TPS61166 is a boost converter with a 20-V rated integrated switch FET and power diode that drives up to 5 LEDs in series. This device integrates a high side switch FET that can turn on/off the LED current within 1-µs of the applied external PWM signal. The high side switch also provides input-to-output isolation during IC shutdown.
The default white LED current is set with the external sensor resistor R1, and the feedback voltage is regulated to 200-mV, as shown in the typical application circuit. The LED current can be adjusted using a pulse width modulation (PWM) signal through the PWM pin. The LED current is synchronized to the PWM signal. The device does not discharge the output ceramic capacitor during dimming, thus reducing audible noise when dimming.
Separating the IC input (VIN pin) and power stage input (VBAT pin) makes the device flexible enough to support single- or two-cell Li-ion battery applications. Other protection features include 1.1-A peak-to-peak over current protection (OCP), over voltage protection (OVP), over load protection (OLP), and thermal shutdown. The TPS61166 is available in a 2.5 mm × 2.5 mm SON package with thermal pad.
The TPS61166 is a boost converter with a 20-V rated integrated switch FET and power diode that drives up to 5 LEDs in series. This device integrates a high side switch FET that can turn on/off the LED current within 1-µs of the applied external PWM signal. The high side switch also provides input-to-output isolation during IC shutdown.
The default white LED current is set with the external sensor resistor R1, and the feedback voltage is regulated to 200-mV, as shown in the typical application circuit. The LED current can be adjusted using a pulse width modulation (PWM) signal through the PWM pin. The LED current is synchronized to the PWM signal. The device does not discharge the output ceramic capacitor during dimming, thus reducing audible noise when dimming.
Separating the IC input (VIN pin) and power stage input (VBAT pin) makes the device flexible enough to support single- or two-cell Li-ion battery applications. Other protection features include 1.1-A peak-to-peak over current protection (OCP), over voltage protection (OVP), over load protection (OLP), and thermal shutdown. The TPS61166 is available in a 2.5 mm × 2.5 mm SON package with thermal pad. |
| LED Driver Evaluation Boards | 2 | Active | |
TPS611703-V to 18-V wide input range, 1.2-A boost converter in 2-mm x 2-mm QFN package, AEC-Q100 qualified | DC/DC & AC/DC (Off-Line) SMPS Evaluation Boards | 6 | Active | The TPS61170-Q1 is a monolithic, high-voltage switching regulator with integrated 1.2-A, 40-V power MOSFET. The device can be configured in several standard switching-regulator topologies, including boost and SEPIC. The device has a wide input-voltage range to support applications with input voltage from multicell batteries or regulated 5-V, 12-V power rails.
The TPS61170-Q1 operates at a 1.2-MHz switching frequency, allowing the use of low-profile inductors and low-value ceramic input and output capacitors. External loop compensation components give the user flexibility to optimize loop compensation and transient response. The device has built-in protection features, such as pulse-by-pulse overcurrent limit, soft start, and thermal shutdown.
The FB pin regulates to a reference voltage of1.229 V. The reference voltage can be lowered using a 1-wire digital interface (EasyScale™ protocol) through the CTRL pin. Alternatively, a pulse width-modulation (PWM) signal can be applied to the CTRL pin. The duty cycle of the signal reduces the feedback reference voltage proportionally.
The TPS61170-Q1 is available in a 6-pin 2-mm ×2-mm SON package, allowing a compact power-supply solution.
The TPS61170-Q1 is a monolithic, high-voltage switching regulator with integrated 1.2-A, 40-V power MOSFET. The device can be configured in several standard switching-regulator topologies, including boost and SEPIC. The device has a wide input-voltage range to support applications with input voltage from multicell batteries or regulated 5-V, 12-V power rails.
The TPS61170-Q1 operates at a 1.2-MHz switching frequency, allowing the use of low-profile inductors and low-value ceramic input and output capacitors. External loop compensation components give the user flexibility to optimize loop compensation and transient response. The device has built-in protection features, such as pulse-by-pulse overcurrent limit, soft start, and thermal shutdown.
The FB pin regulates to a reference voltage of1.229 V. The reference voltage can be lowered using a 1-wire digital interface (EasyScale™ protocol) through the CTRL pin. Alternatively, a pulse width-modulation (PWM) signal can be applied to the CTRL pin. The duty cycle of the signal reduces the feedback reference voltage proportionally.
The TPS61170-Q1 is available in a 6-pin 2-mm ×2-mm SON package, allowing a compact power-supply solution. |
TPS611753-A, 40-V high voltage boost converter with soft-start and programmable switching frequency | DC/DC & AC/DC (Off-Line) SMPS Evaluation Boards | 5 | Active | The TPS61175 device is a monolithic switching regulator with integrated 3-A, 40-V power switch. The device can be configured in several standard switching-regulator topologies, including boost, SEPIC, and flyback. The device has a wide input voltage range to support application with input voltage from multicell batteries or regulated 5-V, 12-V power rails.
The TPS61175 regulates the output voltage with current mode pulse width modulation (PWM) control. The switching frequency of PWM is set by either an external resistor or an external clock signal. The user can program the switching frequency from 200 kHz to 2.2 MHz.
The device features a programmable soft-start function to limit inrush current during start-up, and has other built-in protection features, such as pulse-by-pulse overcurrent limit and thermal shutdown. The TPS61175 is available in 14-pin HTSSOP package with PowerPad.
The TPS61175 device is a monolithic switching regulator with integrated 3-A, 40-V power switch. The device can be configured in several standard switching-regulator topologies, including boost, SEPIC, and flyback. The device has a wide input voltage range to support application with input voltage from multicell batteries or regulated 5-V, 12-V power rails.
The TPS61175 regulates the output voltage with current mode pulse width modulation (PWM) control. The switching frequency of PWM is set by either an external resistor or an external clock signal. The user can program the switching frequency from 200 kHz to 2.2 MHz.
The device features a programmable soft-start function to limit inrush current during start-up, and has other built-in protection features, such as pulse-by-pulse overcurrent limit and thermal shutdown. The TPS61175 is available in 14-pin HTSSOP package with PowerPad. |
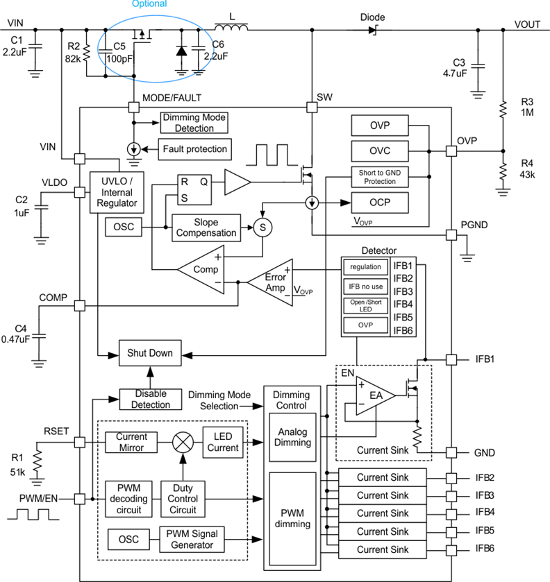
TPS61176High efficient 6-channel WLED driver supporting single-Cell Li-Ion Battery Input | Power Management (PMIC) | 1 | Active | The TPS61176 is an integrated WLED backlight driver for tablets or notebook PCs using single-cell batteries. It comprises a high-efficiency boost converter with an integrated 2-A, 40-V power MOSFET, and six current sink regulators. The device can drive up to 60 WLEDs. The boost output voltage automatically adjusts to the WLED forward voltage to improve efficiency.
The TPS61176 supports mixed dimming mode. The automatic switch between PWM dimming and analog dimming increases the overall electrical-to-optical efficiency, reducing power of the backlight significantly. The switch point can be programmed to 12.5% or 25%. PWM dimming mode can also be programmed to fixed frequency dimming or direct PWM dimming. The device supports up to 14-bit dimming resolution to avoid potential flickering during low brightness dimming.
True shutdown is supported with a driver for an external isolation P-channel MOSFET. When the device is disabled or the boost output is shorted to ground, the isolation PFET is turned off to cut off the power path from battery preventing any leakage current from the battery. The device also integrates soft start, thermal shutdown, WLED open and short protection. Its 16-pin WQFN package provides a space-saving and high-performance WLED driver solution.
The TPS61176 is an integrated WLED backlight driver for tablets or notebook PCs using single-cell batteries. It comprises a high-efficiency boost converter with an integrated 2-A, 40-V power MOSFET, and six current sink regulators. The device can drive up to 60 WLEDs. The boost output voltage automatically adjusts to the WLED forward voltage to improve efficiency.
The TPS61176 supports mixed dimming mode. The automatic switch between PWM dimming and analog dimming increases the overall electrical-to-optical efficiency, reducing power of the backlight significantly. The switch point can be programmed to 12.5% or 25%. PWM dimming mode can also be programmed to fixed frequency dimming or direct PWM dimming. The device supports up to 14-bit dimming resolution to avoid potential flickering during low brightness dimming.
True shutdown is supported with a driver for an external isolation P-channel MOSFET. When the device is disabled or the boost output is shorted to ground, the isolation PFET is turned off to cut off the power path from battery preventing any leakage current from the battery. The device also integrates soft start, thermal shutdown, WLED open and short protection. Its 16-pin WQFN package provides a space-saving and high-performance WLED driver solution. |
TPS61177WLED driver for notebook and Tablet display with Mixed Mode dimming | LED Drivers | 3 | Active | The TPS61177A device provides a highly integrated white LED (WLED) driver solution for notebook LCD backlight. This device has a built-in high-efficiency boost regulator with integrated 1.8-A, 40-V power MOSFET. The six current sink regulators provide high precision current regulation and matching. In total, the device can support up to 72 WLEDs. In addition, the boost output automatically adjusts its voltage to the WLED forward voltage to optimize efficiency.
The TPS61177A supports the analog dimming, analog and PWM dimming, and direct PWM dimming method. During analog dimming mode, each CS current linearly varies depending on the duty cycle information on the PWMB pin. During analog and PWM mixed dimming mode, the input PWM duty cycle information is translated to an analog signal to control the WLED current linearly over 25% to 100% brightness area. The device also allows adding PWM dimming when the analog current is down to 25%. Below 25%, the analog signal translates to PWM duty cycle information to control the on or off of WLED current and averages the WLED current down to 1%. The frequency of adding PWM dimming is same to input PWM frequency on the PWMB pin. While the TPS61177A also supports a direct PWM dimming method, in direct PWM dimming mode the WLED current is turned on or off, synchronized with the input PWM signal.
The TPS61177A device provides a highly integrated white LED (WLED) driver solution for notebook LCD backlight. This device has a built-in high-efficiency boost regulator with integrated 1.8-A, 40-V power MOSFET. The six current sink regulators provide high precision current regulation and matching. In total, the device can support up to 72 WLEDs. In addition, the boost output automatically adjusts its voltage to the WLED forward voltage to optimize efficiency.
The TPS61177A supports the analog dimming, analog and PWM dimming, and direct PWM dimming method. During analog dimming mode, each CS current linearly varies depending on the duty cycle information on the PWMB pin. During analog and PWM mixed dimming mode, the input PWM duty cycle information is translated to an analog signal to control the WLED current linearly over 25% to 100% brightness area. The device also allows adding PWM dimming when the analog current is down to 25%. Below 25%, the analog signal translates to PWM duty cycle information to control the on or off of WLED current and averages the WLED current down to 1%. The frequency of adding PWM dimming is same to input PWM frequency on the PWMB pin. While the TPS61177A also supports a direct PWM dimming method, in direct PWM dimming mode the WLED current is turned on or off, synchronized with the input PWM signal. |
TPS6117820-V, 10-A fully integrated sync boost with load disconnect | Voltage Regulators - DC DC Switching Regulators | 5 | Active | The TPS61178x family is a 20-V synchronous Boost converter with the gate driver built-in for load disconnect. The TPS61178x integrates two low on-resistance power FETs: A 16-mΩ switching FET and a 16-mΩ rectifier FET.
The TPS61178x uses the fixed frequency peak current mode control with the slope compensation integrated. At the light load, the TPS61178 enters into the auto PFM mode while TPS611781 is in the forced PWM mode.
The TPS61178x could isolate the output from input side when shutdown. Once the output is shorted, it enters into the hiccup mode to lower the thermal stress and can recover automatically after the short releases. Additionally, the TPS61178x also has OVP and thermal protection to avoid the fault operation. The TPS61178x is in a 3.0-mm x 3.5-mm 13-pin VQFN package with enhanced thermal dissipation.
The TPS61178x family is a 20-V synchronous Boost converter with the gate driver built-in for load disconnect. The TPS61178x integrates two low on-resistance power FETs: A 16-mΩ switching FET and a 16-mΩ rectifier FET.
The TPS61178x uses the fixed frequency peak current mode control with the slope compensation integrated. At the light load, the TPS61178 enters into the auto PFM mode while TPS611781 is in the forced PWM mode.
The TPS61178x could isolate the output from input side when shutdown. Once the output is shorted, it enters into the hiccup mode to lower the thermal stress and can recover automatically after the short releases. Additionally, the TPS61178x also has OVP and thermal protection to avoid the fault operation. The TPS61178x is in a 3.0-mm x 3.5-mm 13-pin VQFN package with enhanced thermal dissipation. |
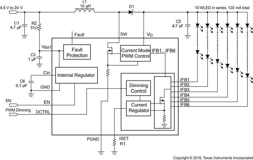
TPS611801.5A white LED driver for notebooks with external 3.3V IC supply | Integrated Circuits (ICs) | 4 | Active | The TPS61180/1/2 ICs provide highly integrated solutions for media size LCD backlight. These devices have a built-in high efficiency boost regulator with integrated 1.5A/40V power MOSFET. The six current sink regulators provide high precision current regulation and matching. In total, the device can support up to 60 WLED. In addition, the boost output automatically adjusts its voltage to the WLED forward voltage to improve efficiency.
The devices support pulse width modulation (PWM) brightness dimming. During dimming, the WLED current is turned on/off at the duty cycle and frequency determined by the PWM signal input on the DCRTL pin. One potential issue of PWM dimming is audible noises from the output ceramic capacitors. The TPS61180/1/2 family is designed to minimize this output AC ripple across a wide dimming duty cycle and frequency range; therefore, reducing the audible noise.
The TPS61180/1/2 ICs provide a driver output for an external PFET connected between the input and inductor. During short circuit or over-current conditions, the ICs turn off the external PFET and disconnect the battery from the WLEDs. The PFET is also turned off during IC shutdown (true shutdown) to prevent any leakage current of the battery. The device also integrates over-voltage protection, soft-start and thermal shutdown.
The TPS61180 IC requires external 3.3V IC supply, while TPS61181 and TPS61182 ICs have a built-in linear regulator for the IC supply. All the devices are in a 3×3 mm QFN package.
The TPS61180/1/2 ICs provide highly integrated solutions for media size LCD backlight. These devices have a built-in high efficiency boost regulator with integrated 1.5A/40V power MOSFET. The six current sink regulators provide high precision current regulation and matching. In total, the device can support up to 60 WLED. In addition, the boost output automatically adjusts its voltage to the WLED forward voltage to improve efficiency.
The devices support pulse width modulation (PWM) brightness dimming. During dimming, the WLED current is turned on/off at the duty cycle and frequency determined by the PWM signal input on the DCRTL pin. One potential issue of PWM dimming is audible noises from the output ceramic capacitors. The TPS61180/1/2 family is designed to minimize this output AC ripple across a wide dimming duty cycle and frequency range; therefore, reducing the audible noise.
The TPS61180/1/2 ICs provide a driver output for an external PFET connected between the input and inductor. During short circuit or over-current conditions, the ICs turn off the external PFET and disconnect the battery from the WLEDs. The PFET is also turned off during IC shutdown (true shutdown) to prevent any leakage current of the battery. The device also integrates over-voltage protection, soft-start and thermal shutdown.
The TPS61180 IC requires external 3.3V IC supply, while TPS61181 and TPS61182 ICs have a built-in linear regulator for the IC supply. All the devices are in a 3×3 mm QFN package. |
TPS611811.5A white LED driver for notebooks with build in LDO | LED Driver Evaluation Boards | 7 | Active | The TPS61180/1/2 ICs provide highly integrated solutions for media size LCD backlight. These devices have a built-in high efficiency boost regulator with integrated 1.5A/40V power MOSFET. The six current sink regulators provide high precision current regulation and matching. In total, the device can support up to 60 WLED. In addition, the boost output automatically adjusts its voltage to the WLED forward voltage to improve efficiency.
The devices support pulse width modulation (PWM) brightness dimming. During dimming, the WLED current is turned on/off at the duty cycle and frequency determined by the PWM signal input on the DCRTL pin. One potential issue of PWM dimming is audible noises from the output ceramic capacitors. The TPS61180/1/2 family is designed to minimize this output AC ripple across a wide dimming duty cycle and frequency range; therefore, reducing the audible noise.
The TPS61180/1/2 ICs provide a driver output for an external PFET connected between the input and inductor. During short circuit or over-current conditions, the ICs turn off the external PFET and disconnect the battery from the WLEDs. The PFET is also turned off during IC shutdown (true shutdown) to prevent any leakage current of the battery. The device also integrates over-voltage protection, soft-start and thermal shutdown.
The TPS61180 IC requires external 3.3V IC supply, while TPS61181 and TPS61182 ICs have a built-in linear regulator for the IC supply. All the devices are in a 3×3 mm QFN package.
The TPS61180/1/2 ICs provide highly integrated solutions for media size LCD backlight. These devices have a built-in high efficiency boost regulator with integrated 1.5A/40V power MOSFET. The six current sink regulators provide high precision current regulation and matching. In total, the device can support up to 60 WLED. In addition, the boost output automatically adjusts its voltage to the WLED forward voltage to improve efficiency.
The devices support pulse width modulation (PWM) brightness dimming. During dimming, the WLED current is turned on/off at the duty cycle and frequency determined by the PWM signal input on the DCRTL pin. One potential issue of PWM dimming is audible noises from the output ceramic capacitors. The TPS61180/1/2 family is designed to minimize this output AC ripple across a wide dimming duty cycle and frequency range; therefore, reducing the audible noise.
The TPS61180/1/2 ICs provide a driver output for an external PFET connected between the input and inductor. During short circuit or over-current conditions, the ICs turn off the external PFET and disconnect the battery from the WLEDs. The PFET is also turned off during IC shutdown (true shutdown) to prevent any leakage current of the battery. The device also integrates over-voltage protection, soft-start and thermal shutdown.
The TPS61180 IC requires external 3.3V IC supply, while TPS61181 and TPS61182 ICs have a built-in linear regulator for the IC supply. All the devices are in a 3×3 mm QFN package. |