T
Texas Instruments
| Series | Category | # Parts | Status | Description |
|---|---|---|---|---|
| Part | Spec A | Spec B | Spec C | Spec D | Description |
|---|---|---|---|---|---|
| Series | Category | # Parts | Status | Description |
|---|---|---|---|---|
| Part | Spec A | Spec B | Spec C | Spec D | Description |
|---|---|---|---|---|---|
| Series | Category | # Parts | Status | Description |
|---|---|---|---|---|
SN74LV8T1651.65-V to 5.5-V 8-bit parallel-load shift register with voltage translation | Logic | 2 | Active | The SN74LV8T165 device is a parallel- or serial-in, serial-out 8-bit shift register. This device has two modes of operation: load data, and shift data which are controlled by the SH/ LD input. The output level is referenced to the supply voltage (V CC) and supports 1.8-V, 2.5-V, 3.3-V, and 5-V CMOS levels.
The input is designed with a lower threshold circuit to support up translation for lower voltage CMOS inputs (for example 1.2 V input to 1.8 V output or 1.8 V input to 3.3 V output). In addition, the 5-V tolerant input pins enable down translation (for example 3.3 V to 2.5 V output).
The SN74LV8T165 device is a parallel- or serial-in, serial-out 8-bit shift register. This device has two modes of operation: load data, and shift data which are controlled by the SH/ LD input. The output level is referenced to the supply voltage (V CC) and supports 1.8-V, 2.5-V, 3.3-V, and 5-V CMOS levels.
The input is designed with a lower threshold circuit to support up translation for lower voltage CMOS inputs (for example 1.2 V input to 1.8 V output or 1.8 V input to 3.3 V output). In addition, the 5-V tolerant input pins enable down translation (for example 3.3 V to 2.5 V output). |
SN74LV8T165-Q1Automotive, 1.65 V to 5 V parallel-load eight-channel shift register with logic level shifter | Integrated Circuits (ICs) | 1 | Active | The SN74LV8T165-Q1 device is a parallel- or serial-in, serial-out 8-bit shift register. This device has two modes of operation: load data, and shift data which are controlled by the SH/ LD input. The output level is referenced to the supply voltage (V CC) and supports 1.8-V, 2.5-V, 3.3-V, and 5-V CMOS levels.
The input is designed with a lower threshold circuit to support up translation for lower voltage CMOS inputs (for example 1.2 V input to 1.8 V output or 1.8 V input to 3.3 V output). In addition, the 5-V tolerant input pins enable down translation (for example 3.3 V to 2.5 V output).
The SN74LV8T165-Q1 device is a parallel- or serial-in, serial-out 8-bit shift register. This device has two modes of operation: load data, and shift data which are controlled by the SH/ LD input. The output level is referenced to the supply voltage (V CC) and supports 1.8-V, 2.5-V, 3.3-V, and 5-V CMOS levels.
The input is designed with a lower threshold circuit to support up translation for lower voltage CMOS inputs (for example 1.2 V input to 1.8 V output or 1.8 V input to 3.3 V output). In addition, the 5-V tolerant input pins enable down translation (for example 3.3 V to 2.5 V output). |
SN74LV8T245Single-supply octal-translating transceiver with tri-state outputs | Logic | 2 | Active | The SN74LV8T245 is an octal bus transceiver with 3-state outputs. All eight channels are controlled by the direction (DIR) pin and output enable ( OE) pin. The output level is referenced to the supply voltage (V CC) and supports 1.8-V, 2.5-V, 3.3-V, and 5-V CMOS levels.
The input is designed with a lower threshold circuit to support up translation for lower voltage CMOS inputs (for example, 1.2 V input to 1.8 V output or 1.8 V input to 3.3 V output). Additionally, the 5-V tolerant input pins enable down translation (for example, 3.3 V to 2.5 V output).
The SN74LV8T245 is an octal bus transceiver with 3-state outputs. All eight channels are controlled by the direction (DIR) pin and output enable ( OE) pin. The output level is referenced to the supply voltage (V CC) and supports 1.8-V, 2.5-V, 3.3-V, and 5-V CMOS levels.
The input is designed with a lower threshold circuit to support up translation for lower voltage CMOS inputs (for example, 1.2 V input to 1.8 V output or 1.8 V input to 3.3 V output). Additionally, the 5-V tolerant input pins enable down translation (for example, 3.3 V to 2.5 V output). |
SN74LV8T245-Q1Automotive single-supply octal-translating transceiver with tri-state outputs | Logic | 2 | Active | The SN74LV8T245-Q1 is an octal bus transceiver with 3-state outputs. All eight channels are controlled by the direction (DIR) pin and output enable ( OE) pin. The output level is referenced to the supply voltage (V CC) and supports 1.8-V, 2.5-V, 3.3-V, and 5-V CMOS levels.
The input is designed with a lower threshold circuit to support up translation for lower voltage CMOS inputs (for example, 1.2 V input to 1.8 V output or 1.8 V input to 3.3 V output). Additionally, the 5-V tolerant input pins enable down translation (for example, 3.3 V to 2.5 V output).
The SN74LV8T245-Q1 is an octal bus transceiver with 3-state outputs. All eight channels are controlled by the direction (DIR) pin and output enable ( OE) pin. The output level is referenced to the supply voltage (V CC) and supports 1.8-V, 2.5-V, 3.3-V, and 5-V CMOS levels.
The input is designed with a lower threshold circuit to support up translation for lower voltage CMOS inputs (for example, 1.2 V input to 1.8 V output or 1.8 V input to 3.3 V output). Additionally, the 5-V tolerant input pins enable down translation (for example, 3.3 V to 2.5 V output). |
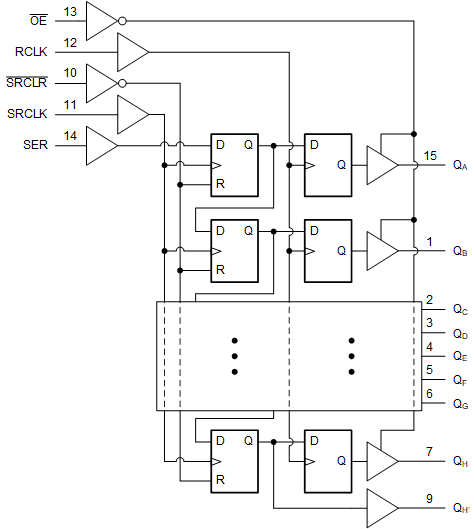
SN74LV8T5941.65V-to-5V eight-channel shift register with logic-level shifter | Integrated Circuits (ICs) | 2 | Active | The SN74LV8T594 device contains an 8-bit, serial-in, parallel-out shift register. Each parallel output of the shift register is fed through a storage register before reaching the primary device outputs (QA through QH). Separate clocks (SRCLK and RCLK) and direct overriding clear (SRCLR and RCLR) inputs are provided for both the shift and storage registers, allowing for loading data separately from sending it to the outputs. Additionally, the last output of the internal shift register is sent directly to the output QH’ providing a method to daisy-chain multiple shift registers.
The input is designed with a reduced threshold circuit to support up translation when the supply voltage is larger than the input voltage. Additionally, the 5V tolerant input pins enable down translation when the input voltage is larger than the supply voltage. The output level is always referenced to the supply voltage (VCC) and supports 1.8V, 2.5V, 3.3V, and 5V CMOS levels.
The SN74LV8T594 device contains an 8-bit, serial-in, parallel-out shift register. Each parallel output of the shift register is fed through a storage register before reaching the primary device outputs (QA through QH). Separate clocks (SRCLK and RCLK) and direct overriding clear (SRCLR and RCLR) inputs are provided for both the shift and storage registers, allowing for loading data separately from sending it to the outputs. Additionally, the last output of the internal shift register is sent directly to the output QH’ providing a method to daisy-chain multiple shift registers.
The input is designed with a reduced threshold circuit to support up translation when the supply voltage is larger than the input voltage. Additionally, the 5V tolerant input pins enable down translation when the input voltage is larger than the supply voltage. The output level is always referenced to the supply voltage (VCC) and supports 1.8V, 2.5V, 3.3V, and 5V CMOS levels. |
SN74LV8T594-Q1Automotive 1.65V-to-5V eight-channel shift register with logic-level shifter | Logic | 1 | Active | The SN74LV8T594-Q1 device contains an 8-bit, serial-in, parallel-out shift register. Each parallel output of the shift register is fed through a storage register before reaching the primary device outputs (QA through QH). Separate clocks (SRCLK and RCLK) and direct overriding clear (SRCLR and RCLR) inputs are provided for both the shift and storage registers, allowing for loading data separately from sending it to the outputs. Additionally, the last output of the internal shift register is sent directly to the output QH’ providing a method to daisy-chain multiple shift registers.
The input is designed with a reduced threshold circuit to support up translation when the supply voltage is larger than the input voltage. Additionally, the 5V tolerant input pins enable down translation when the input voltage is larger than the supply voltage. The output level is always referenced to the supply voltage (VCC) and supports 1.8V, 2.5V, 3.3V, and 5V CMOS levels.
The SN74LV8T594-Q1 device contains an 8-bit, serial-in, parallel-out shift register. Each parallel output of the shift register is fed through a storage register before reaching the primary device outputs (QA through QH). Separate clocks (SRCLK and RCLK) and direct overriding clear (SRCLR and RCLR) inputs are provided for both the shift and storage registers, allowing for loading data separately from sending it to the outputs. Additionally, the last output of the internal shift register is sent directly to the output QH’ providing a method to daisy-chain multiple shift registers.
The input is designed with a reduced threshold circuit to support up translation when the supply voltage is larger than the input voltage. Additionally, the 5V tolerant input pins enable down translation when the input voltage is larger than the supply voltage. The output level is always referenced to the supply voltage (VCC) and supports 1.8V, 2.5V, 3.3V, and 5V CMOS levels. |
SN74LV8T595Eight-bit shift register with tri-state output registers and logic-level shifter | Uncategorized | 2 | Active | The SN74LV8T595 device contains an 8-bit, serial-in, parallel-out shift register that feeds an 8-bit D-type storage register. The storage register has parallel 3-state outputs. Separate clocks are provided for both the shift and storage register. The shift register has a direct overriding clear (SRCLR) input, serial (SER) input, and a serial output (QH’) for cascading. When the output-enable (OE) input is high, the storage register outputs are in a high-impedance state. Internal register data and serial output (QH’) are not impacted by the operation of the OE input.
The input is designed with a reduced threshold circuit to support up translation when the supply voltage is larger than the input voltage. Additionally, the 5V tolerant input pins enable down translation when the input voltage is larger than the supply voltage. The output level is always referenced to the supply voltage (VCC) and supports 1.8V, 2.5V, 3.3V, and 5V CMOS levels.
The SN74LV8T595 device contains an 8-bit, serial-in, parallel-out shift register that feeds an 8-bit D-type storage register. The storage register has parallel 3-state outputs. Separate clocks are provided for both the shift and storage register. The shift register has a direct overriding clear (SRCLR) input, serial (SER) input, and a serial output (QH’) for cascading. When the output-enable (OE) input is high, the storage register outputs are in a high-impedance state. Internal register data and serial output (QH’) are not impacted by the operation of the OE input.
The input is designed with a reduced threshold circuit to support up translation when the supply voltage is larger than the input voltage. Additionally, the 5V tolerant input pins enable down translation when the input voltage is larger than the supply voltage. The output level is always referenced to the supply voltage (VCC) and supports 1.8V, 2.5V, 3.3V, and 5V CMOS levels. |
SN74LV8T595-Q1Automotive eight-bit shift register with tri-state output registers and logic-level shifter | Shift Registers | 2 | Active | The SN74LV8T595-Q1 device contains an 8-bit, serial-in, parallel-out shift register that feeds an 8-bit D-type storage register. The storage register has parallel 3-state outputs. Separate clocks are provided for both the shift and storage register. The shift register has a direct overriding clear (SRCLR) input, serial (SER) input, and a serial output (QH’) for cascading. When the output-enable (OE) input is high, the storage register outputs are in a high-impedance state. Internal register data and serial output (QH’) are not impacted by the operation of the OE input.
The input is designed with a reduced threshold circuit to support up translation when the supply voltage is larger than the input voltage. Additionally, the 5V tolerant input pins enable down translation when the input voltage is larger than the supply voltage. The output level is always referenced to the supply voltage (VCC) and supports 1.8V, 2.5V, 3.3V, and 5V CMOS levels.
The SN74LV8T595-Q1 device contains an 8-bit, serial-in, parallel-out shift register that feeds an 8-bit D-type storage register. The storage register has parallel 3-state outputs. Separate clocks are provided for both the shift and storage register. The shift register has a direct overriding clear (SRCLR) input, serial (SER) input, and a serial output (QH’) for cascading. When the output-enable (OE) input is high, the storage register outputs are in a high-impedance state. Internal register data and serial output (QH’) are not impacted by the operation of the OE input.
The input is designed with a reduced threshold circuit to support up translation when the supply voltage is larger than the input voltage. Additionally, the 5V tolerant input pins enable down translation when the input voltage is larger than the supply voltage. The output level is always referenced to the supply voltage (VCC) and supports 1.8V, 2.5V, 3.3V, and 5V CMOS levels. |
SN74LV8T596Eight-bit voltage translating shift registers | Shift Registers | 1 | Active | The SN74LV8T596 device contains an 8-bit, serial-in, parallel-out shift register that feeds an 8-bit D-type storage register. All inputs include Schmitt-triggers, eliminating any erroneous data outputs due to slow-edged or noisy input signals. The storage register has parallel open-drain outputs. Separate clocks are provided for both the shift and storage register. The shift register has a direct overriding clear (SRCLR) input, serial (SER) input, and a serial output (QH’) for cascading. When the output-enable (OE) input is high, the outputs are in a high impedance state. The operation of the OE input does not impact the internal register data
The input is designed with a reduced threshold circuit to support up translation when the supply voltage is larger than the input voltage. Additionally, the 5V tolerant input pins enable down translation when the input voltage is larger than the supply voltage. The output level is always referenced to the supply voltage (VCC) and supports 1.8V, 2.5V, 3.3V, and 5V CMOS levels.
The SN74LV8T596 device contains an 8-bit, serial-in, parallel-out shift register that feeds an 8-bit D-type storage register. All inputs include Schmitt-triggers, eliminating any erroneous data outputs due to slow-edged or noisy input signals. The storage register has parallel open-drain outputs. Separate clocks are provided for both the shift and storage register. The shift register has a direct overriding clear (SRCLR) input, serial (SER) input, and a serial output (QH’) for cascading. When the output-enable (OE) input is high, the outputs are in a high impedance state. The operation of the OE input does not impact the internal register data
The input is designed with a reduced threshold circuit to support up translation when the supply voltage is larger than the input voltage. Additionally, the 5V tolerant input pins enable down translation when the input voltage is larger than the supply voltage. The output level is always referenced to the supply voltage (VCC) and supports 1.8V, 2.5V, 3.3V, and 5V CMOS levels. |
SN74LV8T596-Q1Automotive eight-bit voltage translating shift registers | Unclassified | 2 | Active | The SN74LV8T596-Q1 device contains an 8-bit, serial-in, parallel-out shift register that feeds an 8-bit D-type storage register. All inputs include Schmitt-triggers, eliminating any erroneous data outputs due to slow-edged or noisy input signals. The storage register has parallel open-drain outputs. Separate clocks are provided for both the shift and storage register. The shift register has a direct overriding clear (SRCLR) input, serial (SER) input, and a serial output (QH’) for cascading. When the output-enable (OE) input is high, the outputs are in a high impedance state. The operation of the OE input does not impact the internal register data
The input is designed with a reduced threshold circuit to support up translation when the supply voltage is larger than the input voltage. Additionally, the 5V tolerant input pins enable down translation when the input voltage is larger than the supply voltage. The output level is always referenced to the supply voltage (VCC) and supports 1.8V, 2.5V, 3.3V, and 5V CMOS levels.
The SN74LV8T596-Q1 device contains an 8-bit, serial-in, parallel-out shift register that feeds an 8-bit D-type storage register. All inputs include Schmitt-triggers, eliminating any erroneous data outputs due to slow-edged or noisy input signals. The storage register has parallel open-drain outputs. Separate clocks are provided for both the shift and storage register. The shift register has a direct overriding clear (SRCLR) input, serial (SER) input, and a serial output (QH’) for cascading. When the output-enable (OE) input is high, the outputs are in a high impedance state. The operation of the OE input does not impact the internal register data
The input is designed with a reduced threshold circuit to support up translation when the supply voltage is larger than the input voltage. Additionally, the 5V tolerant input pins enable down translation when the input voltage is larger than the supply voltage. The output level is always referenced to the supply voltage (VCC) and supports 1.8V, 2.5V, 3.3V, and 5V CMOS levels. |
| Part | Category | Description |
|---|---|---|
Texas Instruments | Integrated Circuits (ICs) | BUS DRIVER, BCT/FBT SERIES |
Texas Instruments | Integrated Circuits (ICs) | 12BIT 3.3V~3.6V 210MHZ PARALLEL VQFN-48-EP(7X7) ANALOG TO DIGITAL CONVERTERS (ADC) ROHS |
Texas Instruments | Integrated Circuits (ICs) | TMX320DRE311 179PIN UBGA 200MHZ |
Texas Instruments TPS61040DRVTG4Unknown | Integrated Circuits (ICs) | IC LED DRV RGLTR PWM 350MA 6WSON |
Texas Instruments LP3876ET-2.5Obsolete | Integrated Circuits (ICs) | IC REG LINEAR 2.5V 3A TO220-5 |
Texas Instruments LMS1585ACSX-ADJObsolete | Integrated Circuits (ICs) | IC REG LIN POS ADJ 5A DDPAK |
Texas Instruments INA111APG4Obsolete | Integrated Circuits (ICs) | IC INST AMP 1 CIRCUIT 8DIP |
Texas Instruments | Integrated Circuits (ICs) | AUTOMOTIVE, QUAD 36V 1.2MHZ OPERATIONAL AMPLIFIER |
Texas Instruments OPA340NA/3KG4Unknown | Integrated Circuits (ICs) | IC OPAMP GP 1 CIRCUIT SOT23-5 |
Texas Instruments PT5112AObsolete | Power Supplies - Board Mount | DC DC CONVERTER 8V 8W |