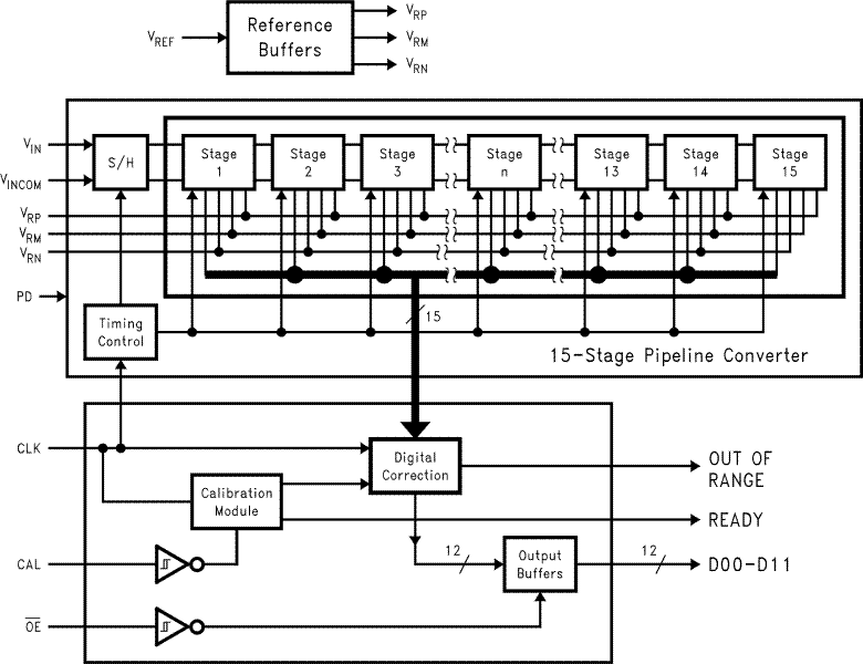
ADC1204012-Bit 40MSPS Analog-to-Digital Converter (ADC) | Integrated Circuits (ICs) | 2 | Active | The ADC12040 is a monolithic CMOS analog-to-digital converter capable of converting analog input signals into 12-bit digital words at 40 Megasamples per second (MSPS), minimum. This converter uses a differential, pipeline architecture with digital error correction and an on-chip sample-and-hold circuit to minimize die size and power consumption while providing excellent dynamic performance. Operating on a single 5V power supply, this device consumes just 340 mW at 40 MSPS, including the reference current. The Power Down feature reduces power consumption to 40 mW.
The differential inputs provide a full scale differential input swing equal to 2VREFwith the possibility of a single-ended input, although full use of the differential input is required for optimum performance. For ease of use, the buffered, high impedance, single-ended reference input is converted on-chip to a differential reference for use by the processing circuitry. Output data format is 12-bit offset binary.
This device is available in the 32-lead LQFP package and will operate over the industrial temperature range of −40°C to +85°C.
The ADC12040 is a monolithic CMOS analog-to-digital converter capable of converting analog input signals into 12-bit digital words at 40 Megasamples per second (MSPS), minimum. This converter uses a differential, pipeline architecture with digital error correction and an on-chip sample-and-hold circuit to minimize die size and power consumption while providing excellent dynamic performance. Operating on a single 5V power supply, this device consumes just 340 mW at 40 MSPS, including the reference current. The Power Down feature reduces power consumption to 40 mW.
The differential inputs provide a full scale differential input swing equal to 2VREFwith the possibility of a single-ended input, although full use of the differential input is required for optimum performance. For ease of use, the buffered, high impedance, single-ended reference input is converted on-chip to a differential reference for use by the processing circuitry. Output data format is 12-bit offset binary.
This device is available in the 32-lead LQFP package and will operate over the industrial temperature range of −40°C to +85°C. |
ADC1208112-Bit, 5 MHz Self-Calibrating, Pipelined A/D Converter with Internal Sample & Hold | Analog to Digital Converters (ADC) | 2 | Active | The ADC12081 is a monolithic CMOS analog-to-digital converter capable of converting analog input signals into 12-bit digital words at 5 megasamples per second (MSPS). The ADC12081 utilizes an innovative pipeline architecture to minimize die size and power consumption. The ADC12081 uses self-calibration and error correction to maintain accuracy and performance over temperature.
The ADC12081 converter operates on a 5V power supply and can digitize analog input signals in the range of 0 to 2V. A single convert clock controls the conversion operation. All digital I/O is TTL compatible.
The ADC12081 is designed to minimize external components necessary for the analog input interface. An internal sample-and-hold circuit samples the analog input and an internal amplifier buffers the reference voltage input.
The ADC12081 is available in the 32-lead LQFP package and is designed to operate over the extended commercial temperature range of -40°C to +85°C.
The ADC12081 is a monolithic CMOS analog-to-digital converter capable of converting analog input signals into 12-bit digital words at 5 megasamples per second (MSPS). The ADC12081 utilizes an innovative pipeline architecture to minimize die size and power consumption. The ADC12081 uses self-calibration and error correction to maintain accuracy and performance over temperature.
The ADC12081 converter operates on a 5V power supply and can digitize analog input signals in the range of 0 to 2V. A single convert clock controls the conversion operation. All digital I/O is TTL compatible.
The ADC12081 is designed to minimize external components necessary for the analog input interface. An internal sample-and-hold circuit samples the analog input and an internal amplifier buffers the reference voltage input.
The ADC12081 is available in the 32-lead LQFP package and is designed to operate over the extended commercial temperature range of -40°C to +85°C. |
ADC12130Self-calibrating 12-bit plus sign serial I/O A/D converter with 2-channel MUX and sample/hold | Data Acquisition | 2 | Active | NOTE: Some device/package combinations are obsolete and are described and shown here for reference only. See our web site for product availability.
The ADC12130, ADC12132 and ADC12138 are 12-bit plus sign successive approximation Analog-to-Digital converters with serial I/O and configurable input multiplexer. The ADC12132 and ADC12138 have a 2 and an 8 channel multiplexer, respectively. The differential multiplexer outputs and ADC inputs are available on the MUXOUT1, MUXOUT2, A/DIN1 and A/DIN2 pins. The ADC12130 has a two channel multiplexer with the multiplexer outputs and ADC inputs internally connected. The ADC12130 family is tested and specified with a 5 MHz clock. On request, these ADCs go through a self calibration process that adjusts linearity, zero and full-scale errors to typically less than ±1 LSB each.
The analog inputs can be configured to operate in various combinations of single-ended, differential, or pseudo-differential modes. A fully differential unipolar analog input range (0V to +5V) can be accommodated with a single +5V supply. In the differential modes, valid outputs are obtained even when the negative inputs are greater than the positive because of the 12-bit plus sign output data format.
The serial I/O is configured to comply with NSC MICROWIRE. For voltage references, see the LM4040, LM4050 or LM4041.
NOTE: Some device/package combinations are obsolete and are described and shown here for reference only. See our web site for product availability.
The ADC12130, ADC12132 and ADC12138 are 12-bit plus sign successive approximation Analog-to-Digital converters with serial I/O and configurable input multiplexer. The ADC12132 and ADC12138 have a 2 and an 8 channel multiplexer, respectively. The differential multiplexer outputs and ADC inputs are available on the MUXOUT1, MUXOUT2, A/DIN1 and A/DIN2 pins. The ADC12130 has a two channel multiplexer with the multiplexer outputs and ADC inputs internally connected. The ADC12130 family is tested and specified with a 5 MHz clock. On request, these ADCs go through a self calibration process that adjusts linearity, zero and full-scale errors to typically less than ±1 LSB each.
The analog inputs can be configured to operate in various combinations of single-ended, differential, or pseudo-differential modes. A fully differential unipolar analog input range (0V to +5V) can be accommodated with a single +5V supply. In the differential modes, valid outputs are obtained even when the negative inputs are greater than the positive because of the 12-bit plus sign output data format.
The serial I/O is configured to comply with NSC MICROWIRE. For voltage references, see the LM4040, LM4050 or LM4041. |
ADC121C021I2C-Compatible, 12-Bit Analog-to-Digital Converter with Alert Pin | Integrated Circuits (ICs) | 2 | Active | These converters are low-power, monolithic, 12-bit, analog-to-digital converters (ADCs) that operates from a +2.7 to 5.5V supply. The converter is based upon a successive approximation register architecture with an internal track-and-hold circuit that can handle input frequencies up to 11MHz. These converters operate from a single supply which also serves as the reference. The device features an I2C-compatible serial interface that operates in all three speed modes, including high speed mode (3.4MHz).
The ADC121C021's Alert feature provides an interrupt that is activated when the analog input violates a programmable upper or lower limit value. The device features an automatic conversion mode, which frees up the controller and I2C interface. In this mode, the ADC continuously monitors the analog input for an "out-of-range" condition and provides an interrupt if the measured voltage goes out-of-range.
The ADC121C021 comes in two packages: a small 6-pin SOT package with an alert output, and an 8-pin VSSOP package with an alert output and two address selection inputs. The ADC121C021Q is available in a 6-pin SOT package. The ADC121C027 comes in a small 6-pin SOT package with an address selection input. The ADC121C027 provides three pin-selectable addresses while the 8-pin VSSOP version of the ADC121C021 provides nine pin-selectable addresses. Pin-compatible alternatives to the 6-pin SOT options are available with additional address options.
Normal power consumption using a +3V or +5V supply is 0.26mW or 0.78mW, respectively. The automatic power-down feature reduces the power consumption to less than 1µW while not converting. Operation over the industrial temperature range of −40°C to +105°C is ensured. Their low power consumption and small packages make this family of ADCs an excellent choice for use in battery operated equipment.
The ADC121C021 and ADC121C027 are part of a family of pin-compatible ADCs that also provide 8 and 10 bit resolution. For 8-bit ADCs see the ADC081C021 and ADC081C027. For 10-bit ADCs see the ADC101C021 and ADC101C027.
These converters are low-power, monolithic, 12-bit, analog-to-digital converters (ADCs) that operates from a +2.7 to 5.5V supply. The converter is based upon a successive approximation register architecture with an internal track-and-hold circuit that can handle input frequencies up to 11MHz. These converters operate from a single supply which also serves as the reference. The device features an I2C-compatible serial interface that operates in all three speed modes, including high speed mode (3.4MHz).
The ADC121C021's Alert feature provides an interrupt that is activated when the analog input violates a programmable upper or lower limit value. The device features an automatic conversion mode, which frees up the controller and I2C interface. In this mode, the ADC continuously monitors the analog input for an "out-of-range" condition and provides an interrupt if the measured voltage goes out-of-range.
The ADC121C021 comes in two packages: a small 6-pin SOT package with an alert output, and an 8-pin VSSOP package with an alert output and two address selection inputs. The ADC121C021Q is available in a 6-pin SOT package. The ADC121C027 comes in a small 6-pin SOT package with an address selection input. The ADC121C027 provides three pin-selectable addresses while the 8-pin VSSOP version of the ADC121C021 provides nine pin-selectable addresses. Pin-compatible alternatives to the 6-pin SOT options are available with additional address options.
Normal power consumption using a +3V or +5V supply is 0.26mW or 0.78mW, respectively. The automatic power-down feature reduces the power consumption to less than 1µW while not converting. Operation over the industrial temperature range of −40°C to +105°C is ensured. Their low power consumption and small packages make this family of ADCs an excellent choice for use in battery operated equipment.
The ADC121C021 and ADC121C027 are part of a family of pin-compatible ADCs that also provide 8 and 10 bit resolution. For 8-bit ADCs see the ADC081C021 and ADC081C027. For 10-bit ADCs see the ADC101C021 and ADC101C027. |
ADC121C027I2C-Compatible, 12-Bit Analog-to-Digital Converter with Alert Function | Analog to Digital Converters (ADC) | 1 | Active | These converters are low-power, monolithic, 12-bit, analog-to-digital converters (ADCs) that operates from a +2.7 to 5.5V supply. The converter is based upon a successive approximation register architecture with an internal track-and-hold circuit that can handle input frequencies up to 11MHz. These converters operate from a single supply which also serves as the reference. The device features an I2C-compatible serial interface that operates in all three speed modes, including high speed mode (3.4MHz).
The ADC121C021's Alert feature provides an interrupt that is activated when the analog input violates a programmable upper or lower limit value. The device features an automatic conversion mode, which frees up the controller and I2C interface. In this mode, the ADC continuously monitors the analog input for an "out-of-range" condition and provides an interrupt if the measured voltage goes out-of-range.
The ADC121C021 comes in two packages: a small 6-pin SOT package with an alert output, and an 8-pin VSSOP package with an alert output and two address selection inputs. The ADC121C021Q is available in a 6-pin SOT package. The ADC121C027 comes in a small 6-pin SOT package with an address selection input. The ADC121C027 provides three pin-selectable addresses while the 8-pin VSSOP version of the ADC121C021 provides nine pin-selectable addresses. Pin-compatible alternatives to the 6-pin SOT options are available with additional address options.
Normal power consumption using a +3V or +5V supply is 0.26mW or 0.78mW, respectively. The automatic power-down feature reduces the power consumption to less than 1µW while not converting. Operation over the industrial temperature range of −40°C to +105°C is ensured. Their low power consumption and small packages make this family of ADCs an excellent choice for use in battery operated equipment.
The ADC121C021 and ADC121C027 are part of a family of pin-compatible ADCs that also provide 8 and 10 bit resolution. For 8-bit ADCs see the ADC081C021 and ADC081C027. For 10-bit ADCs see the ADC101C021 and ADC101C027.
These converters are low-power, monolithic, 12-bit, analog-to-digital converters (ADCs) that operates from a +2.7 to 5.5V supply. The converter is based upon a successive approximation register architecture with an internal track-and-hold circuit that can handle input frequencies up to 11MHz. These converters operate from a single supply which also serves as the reference. The device features an I2C-compatible serial interface that operates in all three speed modes, including high speed mode (3.4MHz).
The ADC121C021's Alert feature provides an interrupt that is activated when the analog input violates a programmable upper or lower limit value. The device features an automatic conversion mode, which frees up the controller and I2C interface. In this mode, the ADC continuously monitors the analog input for an "out-of-range" condition and provides an interrupt if the measured voltage goes out-of-range.
The ADC121C021 comes in two packages: a small 6-pin SOT package with an alert output, and an 8-pin VSSOP package with an alert output and two address selection inputs. The ADC121C021Q is available in a 6-pin SOT package. The ADC121C027 comes in a small 6-pin SOT package with an address selection input. The ADC121C027 provides three pin-selectable addresses while the 8-pin VSSOP version of the ADC121C021 provides nine pin-selectable addresses. Pin-compatible alternatives to the 6-pin SOT options are available with additional address options.
Normal power consumption using a +3V or +5V supply is 0.26mW or 0.78mW, respectively. The automatic power-down feature reduces the power consumption to less than 1µW while not converting. Operation over the industrial temperature range of −40°C to +105°C is ensured. Their low power consumption and small packages make this family of ADCs an excellent choice for use in battery operated equipment.
The ADC121C021 and ADC121C027 are part of a family of pin-compatible ADCs that also provide 8 and 10 bit resolution. For 8-bit ADCs see the ADC081C021 and ADC081C027. For 10-bit ADCs see the ADC101C021 and ADC101C027. |
ADC121S021Single Channel, 50 to 200 ksps, 12-Bit A/D Converter | Integrated Circuits (ICs) | 4 | Active | The ADC121S021 device is a low-power, single-channel CMOS 12-bit analog-to-digital converter with a high-speed serial interface. Unlike the conventional practice of specifying performance at a single sample rate only, the ADC121S021 is fully specified over a sample rate range of 50 ksps to 200 ksps. The converter is based upon a successive-approximation register architecture with an internal track-and-hold circuit.
The output serial data is straight binary, and is compatible with several standards, such as SPI™, QSPI™, MICROWIRE, and many common DSP serial interfaces.
The ADC121S021 operates with a single supply that can range from 2.7 V to 5.25 V. Normal power consumption using a 3.6-V or 5.25-V supply is 1.5 mW and 7.9 mW, respectively. The power-down feature reduces the power consumption to as low as 2.6 µW using a 5.25-V supply.
The ADC121S021 is packaged in 6-pin WSON and SOT-23 packages. Operation over the industrial temperature range of –40°C to 85°C is ensured.
The ADC121S021 device is a low-power, single-channel CMOS 12-bit analog-to-digital converter with a high-speed serial interface. Unlike the conventional practice of specifying performance at a single sample rate only, the ADC121S021 is fully specified over a sample rate range of 50 ksps to 200 ksps. The converter is based upon a successive-approximation register architecture with an internal track-and-hold circuit.
The output serial data is straight binary, and is compatible with several standards, such as SPI™, QSPI™, MICROWIRE, and many common DSP serial interfaces.
The ADC121S021 operates with a single supply that can range from 2.7 V to 5.25 V. Normal power consumption using a 3.6-V or 5.25-V supply is 1.5 mW and 7.9 mW, respectively. The power-down feature reduces the power consumption to as low as 2.6 µW using a 5.25-V supply.
The ADC121S021 is packaged in 6-pin WSON and SOT-23 packages. Operation over the industrial temperature range of –40°C to 85°C is ensured. |
ADC121S051Single Channel, 200 to 500 ksps, 12-Bit A/D Converter | Analog to Digital Converters (ADC) | 3 | Active | The ADC121S051 is a low-power, single channel CMOS 12-bit analog-to-digital converter with a high-speed serial interface. Unlike the conventional practice of specifying performance at a single sample rate only, the ADC121S051 is fully specified over a sample rate range of 200 ksps to 500 ksps. The converter is based upon a successive-approximation register architecture with an internal track-and-hold circuit.
The output serial data is straight binary, and is compatible with several standards, such as SPI™, QSPI™, MICROWIRE, and many common DSP serial interfaces.
The ADC121S051 operates with a single supply that can range from +2.7V to +5.25V. Normal power consumption using a +3.6V or +5.25V supply is 1.7 mW and 8.7 mW, respectively. The power-down feature reduces the power consumption to as low as 2.6 µW using a +5.25V supply.
The ADC121S051 is packaged in 6-lead WSON and SOT-23 packages. Operation over the industrial temperature range of −40°C to +85°C is ensured.
The ADC121S051 is a low-power, single channel CMOS 12-bit analog-to-digital converter with a high-speed serial interface. Unlike the conventional practice of specifying performance at a single sample rate only, the ADC121S051 is fully specified over a sample rate range of 200 ksps to 500 ksps. The converter is based upon a successive-approximation register architecture with an internal track-and-hold circuit.
The output serial data is straight binary, and is compatible with several standards, such as SPI™, QSPI™, MICROWIRE, and many common DSP serial interfaces.
The ADC121S051 operates with a single supply that can range from +2.7V to +5.25V. Normal power consumption using a +3.6V or +5.25V supply is 1.7 mW and 8.7 mW, respectively. The power-down feature reduces the power consumption to as low as 2.6 µW using a +5.25V supply.
The ADC121S051 is packaged in 6-lead WSON and SOT-23 packages. Operation over the industrial temperature range of −40°C to +85°C is ensured. |
ADC121S101Single Channel, 0.5 to 1 Msps, 12-Bit A/D Converter | Analog to Digital Converters (ADC) | 3 | Active | The ADC121S101 is a low-power, single-channel CMOS 12-bit analog-to-digital converter with a high-speed serial interface. Unlike the conventional practice of specifying performance at a single sample rate only, the ADC121S101 is fully specified over a sample rate range of 500 ksps to 1 Msps. The converter is based upon a successive-approximation register architecture with an internal track-and-hold circuit.
The output serial data is straight binary, and is compatible with several standards, such as SPI™, QSPI™, MICROWIRE, and many common DSP serial interfaces.
The ADC121S101 operates with a single supply with a range from 2.7 V to 5.25 V. Normal power consumption using a 3 V or 5 V supply is 2 mW and 10 mW, respectively. The power-down feature reduces the power consumption to as low as 2.6 µW using a 5-V supply.
The ADC121S101 is packaged in 6-pin WSON and SOT-23 packages. Operation over the temperature range of –40°C to 125°C is specified.
The ADC121S101 is a low-power, single-channel CMOS 12-bit analog-to-digital converter with a high-speed serial interface. Unlike the conventional practice of specifying performance at a single sample rate only, the ADC121S101 is fully specified over a sample rate range of 500 ksps to 1 Msps. The converter is based upon a successive-approximation register architecture with an internal track-and-hold circuit.
The output serial data is straight binary, and is compatible with several standards, such as SPI™, QSPI™, MICROWIRE, and many common DSP serial interfaces.
The ADC121S101 operates with a single supply with a range from 2.7 V to 5.25 V. Normal power consumption using a 3 V or 5 V supply is 2 mW and 10 mW, respectively. The power-down feature reduces the power consumption to as low as 2.6 µW using a 5-V supply.
The ADC121S101 is packaged in 6-pin WSON and SOT-23 packages. Operation over the temperature range of –40°C to 125°C is specified. |
ADC121S101-Q1Automotive Single Channel, 0.5 to 1 Msps, 12-Bit A/D Converter | Analog to Digital Converters (ADCs) Evaluation Boards | 28 | Active | The ADC121S101 is a low-power, single-channel CMOS 12-bit analog-to-digital converter with a high-speed serial interface. Unlike the conventional practice of specifying performance at a single sample rate only, the ADC121S101 is fully specified over a sample rate range of 500 ksps to 1 Msps. The converter is based upon a successive-approximation register architecture with an internal track-and-hold circuit.
The output serial data is straight binary, and is compatible with several standards, such as SPI™, QSPI™, MICROWIRE, and many common DSP serial interfaces.
The ADC121S101 operates with a single supply with a range from 2.7 V to 5.25 V. Normal power consumption using a 3 V or 5 V supply is 2 mW and 10 mW, respectively. The power-down feature reduces the power consumption to as low as 2.6 µW using a 5-V supply.
The ADC121S101 is packaged in 6-pin WSON and SOT-23 packages. Operation over the temperature range of –40°C to 125°C is specified.
The ADC121S101 is a low-power, single-channel CMOS 12-bit analog-to-digital converter with a high-speed serial interface. Unlike the conventional practice of specifying performance at a single sample rate only, the ADC121S101 is fully specified over a sample rate range of 500 ksps to 1 Msps. The converter is based upon a successive-approximation register architecture with an internal track-and-hold circuit.
The output serial data is straight binary, and is compatible with several standards, such as SPI™, QSPI™, MICROWIRE, and many common DSP serial interfaces.
The ADC121S101 operates with a single supply with a range from 2.7 V to 5.25 V. Normal power consumption using a 3 V or 5 V supply is 2 mW and 10 mW, respectively. The power-down feature reduces the power consumption to as low as 2.6 µW using a 5-V supply.
The ADC121S101 is packaged in 6-pin WSON and SOT-23 packages. Operation over the temperature range of –40°C to 125°C is specified. |
ADC121S65512-Bit, 200 kSPS to 500 kSPS, Differential Input, Micro Power A/D Converter | Data Acquisition | 1 | NRND | The ADC121S655 is a 12-bit, 200 kSPS to 500 kSPS sampling Analog-to-Digital (A/D) converter that features a fully differential, high impedance analog input and an external reference. The reference voltage can be varied from 1.0V to VA, with a corresponding resolution between 244µV and VAdivided by 4096.
The output serial data is binary 2's complement and is compatible with several standards, such as SPI, QSPI, MICROWIRE, and many common DSP serial interfaces. The differential input, low power consumption, and small size make the ADC121S655 ideal for direct connection to transducers in battery operated systems or remote data acquisition applications.
Operating from a single 5V supply, the supply current when operating at 500 kSPS is typically 1.8 mA. The supply current drops down to 0.3 µA typically when the ADC121S655 enters power-down mode. The ADC121S655 is available in the VSSOP-8 package. Operation is specified over the industrial temperature range of −40°C to +105°C and clock rates of 3.2 MHz to 8 MHz.
The ADC121S655 is a 12-bit, 200 kSPS to 500 kSPS sampling Analog-to-Digital (A/D) converter that features a fully differential, high impedance analog input and an external reference. The reference voltage can be varied from 1.0V to VA, with a corresponding resolution between 244µV and VAdivided by 4096.
The output serial data is binary 2's complement and is compatible with several standards, such as SPI, QSPI, MICROWIRE, and many common DSP serial interfaces. The differential input, low power consumption, and small size make the ADC121S655 ideal for direct connection to transducers in battery operated systems or remote data acquisition applications.
Operating from a single 5V supply, the supply current when operating at 500 kSPS is typically 1.8 mA. The supply current drops down to 0.3 µA typically when the ADC121S655 enters power-down mode. The ADC121S655 is available in the VSSOP-8 package. Operation is specified over the industrial temperature range of −40°C to +105°C and clock rates of 3.2 MHz to 8 MHz. |