T
Texas Instruments
| Series | Category | # Parts | Status | Description |
|---|---|---|---|---|
| Part | Spec A | Spec B | Spec C | Spec D | Description |
|---|---|---|---|---|---|
| Series | Category | # Parts | Status | Description |
|---|---|---|---|---|
| Part | Spec A | Spec B | Spec C | Spec D | Description |
|---|---|---|---|---|---|
| Part | Category | Description |
|---|---|---|
Texas Instruments | Integrated Circuits (ICs) | BUS DRIVER, BCT/FBT SERIES |
Texas Instruments | Integrated Circuits (ICs) | 12BIT 3.3V~3.6V 210MHZ PARALLEL VQFN-48-EP(7X7) ANALOG TO DIGITAL CONVERTERS (ADC) ROHS |
Texas Instruments | Integrated Circuits (ICs) | TMX320DRE311 179PIN UBGA 200MHZ |
Texas Instruments TPS61040DRVTG4Unknown | Integrated Circuits (ICs) | IC LED DRV RGLTR PWM 350MA 6WSON |
Texas Instruments LP3876ET-2.5Obsolete | Integrated Circuits (ICs) | IC REG LINEAR 2.5V 3A TO220-5 |
Texas Instruments LMS1585ACSX-ADJObsolete | Integrated Circuits (ICs) | IC REG LIN POS ADJ 5A DDPAK |
Texas Instruments INA111APG4Obsolete | Integrated Circuits (ICs) | IC INST AMP 1 CIRCUIT 8DIP |
Texas Instruments | Integrated Circuits (ICs) | AUTOMOTIVE, QUAD 36V 1.2MHZ OPERATIONAL AMPLIFIER |
Texas Instruments OPA340NA/3KG4Unknown | Integrated Circuits (ICs) | IC OPAMP GP 1 CIRCUIT SOT23-5 |
Texas Instruments PT5112AObsolete | Power Supplies - Board Mount | DC DC CONVERTER 8V 8W |
| Series | Category | # Parts | Status | Description |
|---|---|---|---|---|
DLPC3438DLP® display controller for DLP3010 (0.3 720p) DMD | Display Drivers | 2 | Active | TheDLPC3433orDLPC3438digital controller, part of the DLP3010 (.3 720p) chipset, supports reliable operation of theDLP3010digital micromirror device (DMD). The DLPC3433 or DLPC3438 controllers provide a convenient, multi-functional interface between system electronics and the DMD, enabling small form factor, low power, and high resolution HD displays.
Visit thegetting started with TI DLP Pico™ display technology page, and view theprogrammer’s guideto learn how to get started.
The chipsets include established resources to help the user accelerate the design cycle, which includeproduction ready optical modules,optical module manufacturers, anddesign houses.
TheDLPC3433orDLPC3438digital controller, part of the DLP3010 (.3 720p) chipset, supports reliable operation of theDLP3010digital micromirror device (DMD). The DLPC3433 or DLPC3438 controllers provide a convenient, multi-functional interface between system electronics and the DMD, enabling small form factor, low power, and high resolution HD displays.
Visit thegetting started with TI DLP Pico™ display technology page, and view theprogrammer’s guideto learn how to get started.
The chipsets include established resources to help the user accelerate the design cycle, which includeproduction ready optical modules,optical module manufacturers, anddesign houses. |
DLPC3470DLP® controller for DLP2010LC digital micromirror device (DMD) | Power Management (PMIC) | 1 | Active | TheDLPC3470display and light controller supports reliable operation of theDLP2010LCorDLP2010NIRdigital micromirror device (DMD) for video display and light control applications. The DLPC3470 controller provides a convenient interface between user electronics and the DMD to display video and steer light patterns with high speed, precision, and efficiency.
Visit thegetting started with TI DLP Pico™ display technologypage, and view theprogrammer’s guideto learn how to get started.
The chipsets include established resources to help the user accelerate the design cycle, which includeproduction ready optical modules, optical module manufacturers, anddesign houses.
TheDLPC3470display and light controller supports reliable operation of theDLP2010LCorDLP2010NIRdigital micromirror device (DMD) for video display and light control applications. The DLPC3470 controller provides a convenient interface between user electronics and the DMD to display video and steer light patterns with high speed, precision, and efficiency.
Visit thegetting started with TI DLP Pico™ display technologypage, and view theprogrammer’s guideto learn how to get started.
The chipsets include established resources to help the user accelerate the design cycle, which includeproduction ready optical modules, optical module manufacturers, anddesign houses. |
DLPC3479DLP® controller for DLP4710LC digital micromirror device (DMD) | Power Management (PMIC) | 1 | Active | TheDLPC3479display and light controller, part of theDLP4710LC(.47 1080p) chipset, supports reliable operation of the DLP4710LC digital micromirror device (DMD) for video display and light control applications. The DLPC3479 controller provides a convenient interface between system electronics and the DMD to display video and steer light patterns with high speed, precision, and efficiency.
Visit theTI DLP Light Control page, and view theprogrammer’s guideto learn how to get started.
The chipsets include established resources to help the user accelerate the design cycle, which includeproduction ready optical modules,optical module manufacturers, anddesign houses.
TheDLPC3479display and light controller, part of theDLP4710LC(.47 1080p) chipset, supports reliable operation of the DLP4710LC digital micromirror device (DMD) for video display and light control applications. The DLPC3479 controller provides a convenient interface between system electronics and the DMD to display video and steer light patterns with high speed, precision, and efficiency.
Visit theTI DLP Light Control page, and view theprogrammer’s guideto learn how to get started.
The chipsets include established resources to help the user accelerate the design cycle, which includeproduction ready optical modules,optical module manufacturers, anddesign houses. |
DLPC350DLP® controller for DLP4500 and DLP4500NIR digital micromirror devices (DMDs) | Integrated Circuits (ICs) | 1 | Active | The DLPC350 digital controller is required for reliable operation of the DLP4500 or DLP4500NIR digital micromirror device (DMD). The DLPC350 controller provides a convenient, multi-functional interface between user electronics and the DMD, enabling high-speed pattern rates, along with LED control and data formatting for multiple input formats.
The DLPC350 controller provides input and output trigger signals for synchronizing displayed patterns with a camera, sensor, or other peripherals. The controller enables integration into small-form-factor and low-cost light steering applications. Applications include 3D scanning or metrology systems, spectrometers, interactive displays, chemical analyzers, medical instruments, and other end equipment that requires spatial light modulation (light steering and patterning).
The DLPC350 controller is the data formatting and DMD controlling ASIC for either the visible or near-infrared (NIR) version of the DLP4500. For further details, please see theDLPR350 firmware homepage, theDLP4500 data sheet, and theDLP4500NIR data sheet.
The DLPC350 digital controller is required for reliable operation of the DLP4500 or DLP4500NIR digital micromirror device (DMD). The DLPC350 controller provides a convenient, multi-functional interface between user electronics and the DMD, enabling high-speed pattern rates, along with LED control and data formatting for multiple input formats.
The DLPC350 controller provides input and output trigger signals for synchronizing displayed patterns with a camera, sensor, or other peripherals. The controller enables integration into small-form-factor and low-cost light steering applications. Applications include 3D scanning or metrology systems, spectrometers, interactive displays, chemical analyzers, medical instruments, and other end equipment that requires spatial light modulation (light steering and patterning).
The DLPC350 controller is the data formatting and DMD controlling ASIC for either the visible or near-infrared (NIR) version of the DLP4500. For further details, please see theDLPR350 firmware homepage, theDLP4500 data sheet, and theDLP4500NIR data sheet. |
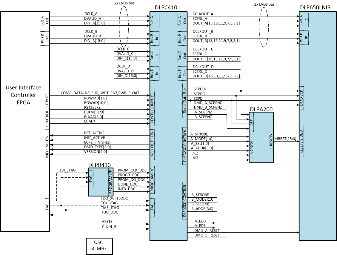
DLPC410DLP® controller for DLP650LNIR, DLP7000, and DLP9500 digital micromirror devices (DMDs) | Specialized ICs | 1 | Active | The DLPC410 is a digital controller that supports five DMD options: DLP650LNIR, DLP7000, DLP7000UV, DLP9500, and DLP9500UV. It is the convenient, high-speed data and control interface between the application electronics and the DMD. The DLPC410 provides DMD Mirror Clocking Pulses (Resets) and timing information to the DLPA200 DMD Micromirror Driver. The device is configured with firmware stored in the DLPR410 PROM.
This family of chipsets enables pixel data rates up to 48 Gigabits per second (Gbps) with the option for single, dual, quad, and global Resets. In addition, random row addressing and LOAD4 capabilities are offered. Often the family of chips is used when designing UV and NIR systems such as direct imaging lithography, 3D printing, and laser marking systems that need fast throughput and pixel accurate control.
In DLP-based electronics solutions, image data is 100% digital from the DLPC410 input port to the projected image. The image stays in digital form and is never converted into an analog signal. The DLPC410 processes the digital input image and converts the data into a format needed by the image on the DMD. The DMD then steers the light using binary pulse-width modulation (PWM) for each pixel mirror.
The DLPC410 is the DMD digital controller that controls the DLP650LNIR, DLP7000, DLP7000UV, DLP9500, and DLP9500UV DMDs (seeFunctional Block Diagram,Functional Block Diagram, andFunctional Block Diagram). The DLPC410 provides developers easy access to the DMD as well as high speed, independent micromirror control. See the list of required chipset components for each DMD solution inDevice Configurationstable:
Reliable function and operation of the DLPC410 requires that it be used in conjunction with the other components of the chipset inDLPC410 Device Configurationstable. For more information on the chipset components, see the data sheets inRelated Documentation.
The DLPC410 is a digital controller that supports five DMD options: DLP650LNIR, DLP7000, DLP7000UV, DLP9500, and DLP9500UV. It is the convenient, high-speed data and control interface between the application electronics and the DMD. The DLPC410 provides DMD Mirror Clocking Pulses (Resets) and timing information to the DLPA200 DMD Micromirror Driver. The device is configured with firmware stored in the DLPR410 PROM.
This family of chipsets enables pixel data rates up to 48 Gigabits per second (Gbps) with the option for single, dual, quad, and global Resets. In addition, random row addressing and LOAD4 capabilities are offered. Often the family of chips is used when designing UV and NIR systems such as direct imaging lithography, 3D printing, and laser marking systems that need fast throughput and pixel accurate control.
In DLP-based electronics solutions, image data is 100% digital from the DLPC410 input port to the projected image. The image stays in digital form and is never converted into an analog signal. The DLPC410 processes the digital input image and converts the data into a format needed by the image on the DMD. The DMD then steers the light using binary pulse-width modulation (PWM) for each pixel mirror.
The DLPC410 is the DMD digital controller that controls the DLP650LNIR, DLP7000, DLP7000UV, DLP9500, and DLP9500UV DMDs (seeFunctional Block Diagram,Functional Block Diagram, andFunctional Block Diagram). The DLPC410 provides developers easy access to the DMD as well as high speed, independent micromirror control. See the list of required chipset components for each DMD solution inDevice Configurationstable:
Reliable function and operation of the DLPC410 requires that it be used in conjunction with the other components of the chipset inDLPC410 Device Configurationstable. For more information on the chipset components, see the data sheets inRelated Documentation. |
| Integrated Circuits (ICs) | 1 | Active | ||
DLPC4430DLP® controller for DLP780NE, DLP781NE, DLP800RE, and DLP801RE digital micromirror devices (DMDs) | Integrated Circuits (ICs) | 1 | Active | The DLPC4430 is a digital display controller for the DLP display chipset. The chipset comprises the DLPC4430 display controller, the DLP digital micromirror device (DMD), the DLPA100controller power management device, and the DLPA300DMD micromirror driver (refer to the DMD data sheet). This solution is a great fit for display systems that require high resolution, high brightness, and system simplicity. To ensure reliable operation, the DLPC4430 display controller must always be used with a DLP DMD and respective DLP power management devices.
The DLPC4430 is a digital display controller for the DLP display chipset. The chipset comprises the DLPC4430 display controller, the DLP digital micromirror device (DMD), the DLPA100controller power management device, and the DLPA300DMD micromirror driver (refer to the DMD data sheet). This solution is a great fit for display systems that require high resolution, high brightness, and system simplicity. To ensure reliable operation, the DLPC4430 display controller must always be used with a DLP DMD and respective DLP power management devices. |
DLPC6401DLP® display controller for high-brightness portable displays | Integrated Circuits (ICs) | 1 | Active | The DLPC6401 digital controller, part of the DLP4500 (.45 WXGA) chipset, supports reliable operation of the DLP4500 digital micromirror device (DMD). The DLPC6401 controller provides a convenient, multi-functional interface between system electronics and the DMD, enabling small form factor and high resolution HD displays.
The DLPC6401 digital controller, part of the DLP4500 (.45 WXGA) chipset, supports reliable operation of the DLP4500 digital micromirror device (DMD). The DLPC6401 controller provides a convenient, multi-functional interface between system electronics and the DMD, enabling small form factor and high resolution HD displays. |
| Display Drivers | 2 | Obsolete | ||
DLPC6540DLP® display controller for DLP471TP (0.47 4K UHD) DMD | Power Management (PMIC) | 1 | Active | The DLPC6540 is a digital display controller for the TI DLP Products 4K UHD display chipset. The DLPC6540 display controller, together with theDLP471TPdigital micromirror device (DMD) and theDLPA3005power management IC (PMIC) comprise the chipset. This solution is fit for display systems that require high resolution and high brightness in a small form factor. To ensure reliable operation, the DLPC6540 display controller must always be used with the DLP471TP DMD and the DLPA3005 power management integrated circuit per application.
The DLPC6540 is a digital display controller for the TI DLP Products 4K UHD display chipset. The DLPC6540 display controller, together with theDLP471TPdigital micromirror device (DMD) and theDLPA3005power management IC (PMIC) comprise the chipset. This solution is fit for display systems that require high resolution and high brightness in a small form factor. To ensure reliable operation, the DLPC6540 display controller must always be used with the DLP471TP DMD and the DLPA3005 power management integrated circuit per application. |