T
Texas Instruments
| Series | Category | # Parts | Status | Description |
|---|---|---|---|---|
| Part | Spec A | Spec B | Spec C | Spec D | Description |
|---|---|---|---|---|---|
| Series | Category | # Parts | Status | Description |
|---|---|---|---|---|
| Part | Spec A | Spec B | Spec C | Spec D | Description |
|---|---|---|---|---|---|
| Part | Category | Description |
|---|---|---|
Texas Instruments BQ2002CSNTRG4Unknown | Integrated Circuits (ICs) | LINEAR BATTERY CHARGER NICD/NIMH 2000MA 0V TO 6V 8-PIN SOIC T/R |
Texas Instruments LM3676SDX-3.3Obsolete | Integrated Circuits (ICs) | IC REG BUCK 3.3V 600MA 8WSON |
Texas Instruments | Integrated Circuits (ICs) | TMX320DRE311 179PIN UBGA 200MHZ |
Texas Instruments UCC3580N-1G4Obsolete | Integrated Circuits (ICs) | IC REG CTRLR FWRD CONV 16DIP |
Texas Instruments LM2831YMF EVALObsolete | Development Boards Kits Programmers | EVAL BOARD FOR LM2831 |
Texas Instruments | Integrated Circuits (ICs) | BUFFER/LINE DRIVER 8-CH NON-INVERTING 3-ST CMOS 20-PIN SSOP T/R |
Texas Instruments | Integrated Circuits (ICs) | ANALOG OTHER PERIPHERALS |
Texas Instruments | Integrated Circuits (ICs) | RADIATION-HARDENED, QMLP 60V HAL |
Texas Instruments SN75LVDS051DRObsolete | Integrated Circuits (ICs) | IC TRANSCEIVER FULL 2/2 16SOIC |
Texas Instruments | Integrated Circuits (ICs) | AUTOMOTIVE OCTAL D-TYPE FLIP-FLO |
| Series | Category | # Parts | Status | Description |
|---|---|---|---|---|
| Integrated Circuits (ICs) | 2 | Active | ||
TPS2556Automotive 0.5-5A adjustable ILIMIT, 2.5-6.5V, 22mΩ USB power switch, active-low | Power Distribution Switches, Load Drivers | 5 | Active | The TPS2556-Q1 and TPS2557-Q1 power-distribution switches are specialized for automotive applications which require precision current limiting or capacity to handle heavy capacitive loads and short circuits. These devices offer a programmable current-limit threshold between 500 mA and 5 A (typical) via an external resistor. Control of the power-switch rise and fall times minimizes current surges during turnon or turnoff.
TPS2556-Q1 and TPS2557-Q1 devices limit the output current to a safe level by switching into a constant-current mode when the output load exceeds the current-limit threshold. TheFAULTlogic output asserts low during overcurrent and overtemperature conditions.
Use with the TPS2511-Q1 or TPS2513A-Q1 for a low-loss, automotive-qualified, USB charging-port solution capable of charging all of today’s popular phones and tablets.
The TPS2556-Q1 and TPS2557-Q1 power-distribution switches are specialized for automotive applications which require precision current limiting or capacity to handle heavy capacitive loads and short circuits. These devices offer a programmable current-limit threshold between 500 mA and 5 A (typical) via an external resistor. Control of the power-switch rise and fall times minimizes current surges during turnon or turnoff.
TPS2556-Q1 and TPS2557-Q1 devices limit the output current to a safe level by switching into a constant-current mode when the output load exceeds the current-limit threshold. TheFAULTlogic output asserts low during overcurrent and overtemperature conditions.
Use with the TPS2511-Q1 or TPS2513A-Q1 for a low-loss, automotive-qualified, USB charging-port solution capable of charging all of today’s popular phones and tablets. |
TPS25570.5-5A adjustable ILIMIT, 2.5-6.5V, 22mΩ USB power switch, active-high | Evaluation Boards | 5 | Active | The TPS255x power-distribution switch is intended for applications where precision current limiting is required or heavy capacitive loads and short circuits are encountered. These devices offer a programmable current-limit threshold between 500 mA and 5 A (typical) through an external resistor. The power-switch rise and fall times are controlled to minimize current surges during turnon and turnoff.
TPS255x devices limit the output current to a safe level by switching into a constant-current mode when the output load exceeds the current-limit threshold. TheFAULTlogic output asserts low during overcurrent and overtemperature conditions.
The TPS255x power-distribution switch is intended for applications where precision current limiting is required or heavy capacitive loads and short circuits are encountered. These devices offer a programmable current-limit threshold between 500 mA and 5 A (typical) through an external resistor. The power-switch rise and fall times are controlled to minimize current surges during turnon and turnoff.
TPS255x devices limit the output current to a safe level by switching into a constant-current mode when the output load exceeds the current-limit threshold. TheFAULTlogic output asserts low during overcurrent and overtemperature conditions. |
TPS25591.2-4.7A adjustable ILIMIT, 2.5-6.5V, 13mΩ USB power switch, active-high | Integrated Circuits (ICs) | 4 | Active | The TPS2559 power-distribution switch is intended for applications where a low resistance, precision current limit switch is required or heavy capacitive loads are encountered. The TPS2559 provides up to 5.5 A of continuous load current with a precise current limit set by a single resistor to ground. Output current is maintained at a safe level by switching into a constant-current mode when the output load exceeds the current-limit threshold. During overload events the output current is limited to the level set by R(ILIM). If a persistent overload occurs, the device goes into thermal shutoff to prevent damage to the TPS2559.
The power-switch rise and fall times are controlled to minimize current surges during turn on or off. TheFAULTlogic output asserts low during overcurrent or overtemperature conditions.
The TPS2559 power-distribution switch is intended for applications where a low resistance, precision current limit switch is required or heavy capacitive loads are encountered. The TPS2559 provides up to 5.5 A of continuous load current with a precise current limit set by a single resistor to ground. Output current is maintained at a safe level by switching into a constant-current mode when the output load exceeds the current-limit threshold. During overload events the output current is limited to the level set by R(ILIM). If a persistent overload occurs, the device goes into thermal shutoff to prevent damage to the TPS2559.
The power-switch rise and fall times are controlled to minimize current surges during turn on or off. TheFAULTlogic output asserts low during overcurrent or overtemperature conditions. |
TPS2559-Q1Automotive 1.2-4.7A adjustable ILIMIT, 2.5-6.5V, 13mΩ USB power switch, active-high | Power Management (PMIC) | 1 | Active | The TPS2559-Q1 power-distribution switch is intended for applications where a low resistance, precision current limit switch is required or heavy capacitive loads are encountered. The TPS2559-Q1 provides up to 5.5 A of continuous load current with a precise current limit set by a single resistor to ground. Output current is maintained at a safe level by switching into a constant-current mode when the output load exceeds the current-limit threshold. During overload events the output current is limited to the level set by R(ILIM). If a persistent overload occurs, the device goes into thermal shutoff to prevent damage to the TPS2559-Q1.
The power-switch rise and fall times are controlled to minimize current surges during turn on or off. TheFAULTlogic output asserts low during overcurrent or overtemperature conditions.
The TPS2559-Q1 power-distribution switch is intended for applications where a low resistance, precision current limit switch is required or heavy capacitive loads are encountered. The TPS2559-Q1 provides up to 5.5 A of continuous load current with a precise current limit set by a single resistor to ground. Output current is maintained at a safe level by switching into a constant-current mode when the output load exceeds the current-limit threshold. During overload events the output current is limited to the level set by R(ILIM). If a persistent overload occurs, the device goes into thermal shutoff to prevent damage to the TPS2559-Q1.
The power-switch rise and fall times are controlled to minimize current surges during turn on or off. TheFAULTlogic output asserts low during overcurrent or overtemperature conditions. |
TPS25602-ch, 0.25-2.8A adjustable ILIMIT, 2.5-6.5V, 44mΩ USB power switch, active-low | Power Distribution Switches, Load Drivers | 2 | Active | The TPS2560 and TPS2561 (TPS256x) are dual-channel power-distribution switches intended for applications where precision current limiting is required or heavy capacitive loads and short circuits are encountered. These devices offer a programmable current-limit threshold between 250 mA and 2.8 A (typ) per channel through an external resistor. The power-switch rise and fall times are controlled to minimize current surges during turn on and off.
Each channel of the TPS256x devices limit the output current to a safe level by switching into a constant-current mode when the output load exceeds the current-limit threshold. TheFAULTxlogic output for each channel independently asserts low during overcurrent and overtemperature conditions.
The TPS2560 and TPS2561 (TPS256x) are dual-channel power-distribution switches intended for applications where precision current limiting is required or heavy capacitive loads and short circuits are encountered. These devices offer a programmable current-limit threshold between 250 mA and 2.8 A (typ) per channel through an external resistor. The power-switch rise and fall times are controlled to minimize current surges during turn on and off.
Each channel of the TPS256x devices limit the output current to a safe level by switching into a constant-current mode when the output load exceeds the current-limit threshold. TheFAULTxlogic output for each channel independently asserts low during overcurrent and overtemperature conditions. |
TPS2560A2-ch, 0.25-2.8A adj. ILIMIT (tuned for 2.3±0.2A), 2.5-6.5V, 44mΩ USB power switch, active-low | Integrated Circuits (ICs) | 1 | Active | The TPS2560A and TPS2561A are dual-channel power-distribution switches intended for applications where precision current limiting is required or heavy capacitive loads and short circuits are encountered. These devices offer a programmable current-limit threshold between 250 mA and 2.8 A (typ) per channel via an external resistor. The power-switch rise and fall times are controlled to minimize current surges during turn on/off.
Each channel of the TPS2560A/61A devices limits the output current to a safe level by switching into a constant-current mode when the output load exceeds the current-limit threshold. TheFAULTxlogic output for each channel independently asserts low during overcurrent and over temperature conditions.
The TPS2560A and TPS2561A are dual-channel power-distribution switches intended for applications where precision current limiting is required or heavy capacitive loads and short circuits are encountered. These devices offer a programmable current-limit threshold between 250 mA and 2.8 A (typ) per channel via an external resistor. The power-switch rise and fall times are controlled to minimize current surges during turn on/off.
Each channel of the TPS2560A/61A devices limits the output current to a safe level by switching into a constant-current mode when the output load exceeds the current-limit threshold. TheFAULTxlogic output for each channel independently asserts low during overcurrent and over temperature conditions. |
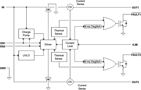
TPS2561AUTO 2-ch 0.25-2.8A adj. ILIMIT (tuned for 2.3±0.2A), 2.5-6.5V, 44mΩ USB power switch, active-high | Evaluation and Demonstration Boards and Kits | 6 | Active | The TPS2561A-Q1 is dual-channel power-distribution switch intended for automotive applications where precision current limiting is required or heavy capacitive loads and short circuits are encountered. These devices offer a programmable current-limit threshold between 250 mA and 2.8 A (typ) per channel via an external resistor. The power-switch rise and fall times are controlled to minimize current surges during turn on/off.
Each channel of the TPS2561A-Q1 devices limits the output current to a safe level by switching into a constant-current mode when the output load exceeds the current-limit threshold. TheFAULTxlogic output for each channel independently asserts low during overcurrent and over temperature conditions.
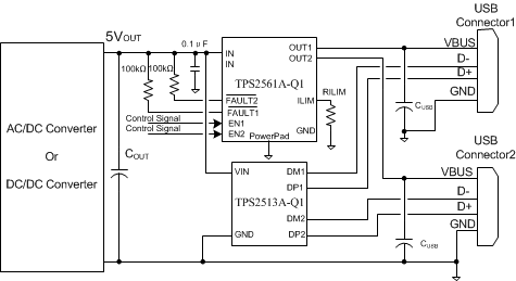
Use with the TPS2511-Q or TPS2513A-Q1 for a low loss, automotive qualified, USB Charging Port Solution capable of charging all of today's popular phones and tablets.
The TPS2561A-Q1 is dual-channel power-distribution switch intended for automotive applications where precision current limiting is required or heavy capacitive loads and short circuits are encountered. These devices offer a programmable current-limit threshold between 250 mA and 2.8 A (typ) per channel via an external resistor. The power-switch rise and fall times are controlled to minimize current surges during turn on/off.
Each channel of the TPS2561A-Q1 devices limits the output current to a safe level by switching into a constant-current mode when the output load exceeds the current-limit threshold. TheFAULTxlogic output for each channel independently asserts low during overcurrent and over temperature conditions.
Use with the TPS2511-Q or TPS2513A-Q1 for a low loss, automotive qualified, USB Charging Port Solution capable of charging all of today's popular phones and tablets. |
TPS2561A2-ch, 0.25-2.8A adj. ILIMIT (tuned for 2.3±0.2A), 2.5-6.5V, 44mΩ USB power switch, active-high | Power Management (PMIC) | 1 | Active | The TPS2560A and TPS2561A are dual-channel power-distribution switches intended for applications where precision current limiting is required or heavy capacitive loads and short circuits are encountered. These devices offer a programmable current-limit threshold between 250 mA and 2.8 A (typ) per channel via an external resistor. The power-switch rise and fall times are controlled to minimize current surges during turn on/off.
Each channel of the TPS2560A/61A devices limits the output current to a safe level by switching into a constant-current mode when the output load exceeds the current-limit threshold. TheFAULTxlogic output for each channel independently asserts low during overcurrent and over temperature conditions.
The TPS2560A and TPS2561A are dual-channel power-distribution switches intended for applications where precision current limiting is required or heavy capacitive loads and short circuits are encountered. These devices offer a programmable current-limit threshold between 250 mA and 2.8 A (typ) per channel via an external resistor. The power-switch rise and fall times are controlled to minimize current surges during turn on/off.
Each channel of the TPS2560A/61A devices limits the output current to a safe level by switching into a constant-current mode when the output load exceeds the current-limit threshold. TheFAULTxlogic output for each channel independently asserts low during overcurrent and over temperature conditions. |
TPS2561A-Q1AUTO 2-ch 0.25-2.8A adj. ILIMIT (tuned for 2.3±0.2A), 2.5-6.5V, 44mΩ USB power switch, active-high | Power Management (PMIC) | 1 | Active | The TPS2561A-Q1 is dual-channel power-distribution switch intended for automotive applications where precision current limiting is required or heavy capacitive loads and short circuits are encountered. These devices offer a programmable current-limit threshold between 250 mA and 2.8 A (typ) per channel via an external resistor. The power-switch rise and fall times are controlled to minimize current surges during turn on/off.
Each channel of the TPS2561A-Q1 devices limits the output current to a safe level by switching into a constant-current mode when the output load exceeds the current-limit threshold. TheFAULTxlogic output for each channel independently asserts low during overcurrent and over temperature conditions.
Use with the TPS2511-Q or TPS2513A-Q1 for a low loss, automotive qualified, USB Charging Port Solution capable of charging all of today's popular phones and tablets.
The TPS2561A-Q1 is dual-channel power-distribution switch intended for automotive applications where precision current limiting is required or heavy capacitive loads and short circuits are encountered. These devices offer a programmable current-limit threshold between 250 mA and 2.8 A (typ) per channel via an external resistor. The power-switch rise and fall times are controlled to minimize current surges during turn on/off.
Each channel of the TPS2561A-Q1 devices limits the output current to a safe level by switching into a constant-current mode when the output load exceeds the current-limit threshold. TheFAULTxlogic output for each channel independently asserts low during overcurrent and over temperature conditions.
Use with the TPS2511-Q or TPS2513A-Q1 for a low loss, automotive qualified, USB Charging Port Solution capable of charging all of today's popular phones and tablets. |