TPS25814USB Type-C® controller with integrated source power switch | Evaluation Boards | 2 | Active | The TPS25814 is a stand-alone USB Type-C controller providing cable plug and orientation detection for one USB Type-C connector. Upon cable attachment, the TPS25814 performs cable detection according to the USB Type-C specification. When cable detection is complete, the TPS25814 enables the internal power path. Status indicator pins may be used to control an external multiplexer.
The TPS25814 is a stand-alone USB Type-C controller providing cable plug and orientation detection for one USB Type-C connector. Upon cable attachment, the TPS25814 performs cable detection according to the USB Type-C specification. When cable detection is complete, the TPS25814 enables the internal power path. Status indicator pins may be used to control an external multiplexer. |
| Specialized | 3 | Active | |
| Specialized | 2 | Active | |
TPS25830USB Type-C® and SDP/CDP charge port converter with short to BATT protection and MFi functionality | Development Boards, Kits, Programmers | 5 | Active | The TPS2583xA-Q1 is a USB Type-C and BC1.2 charging port controller that includes a synchronous DC/DC converter. With cable droop compensation, the VBUSvoltage remains constant regardless of load current, ensuring connected portable devices charge at optimal current and voltage.
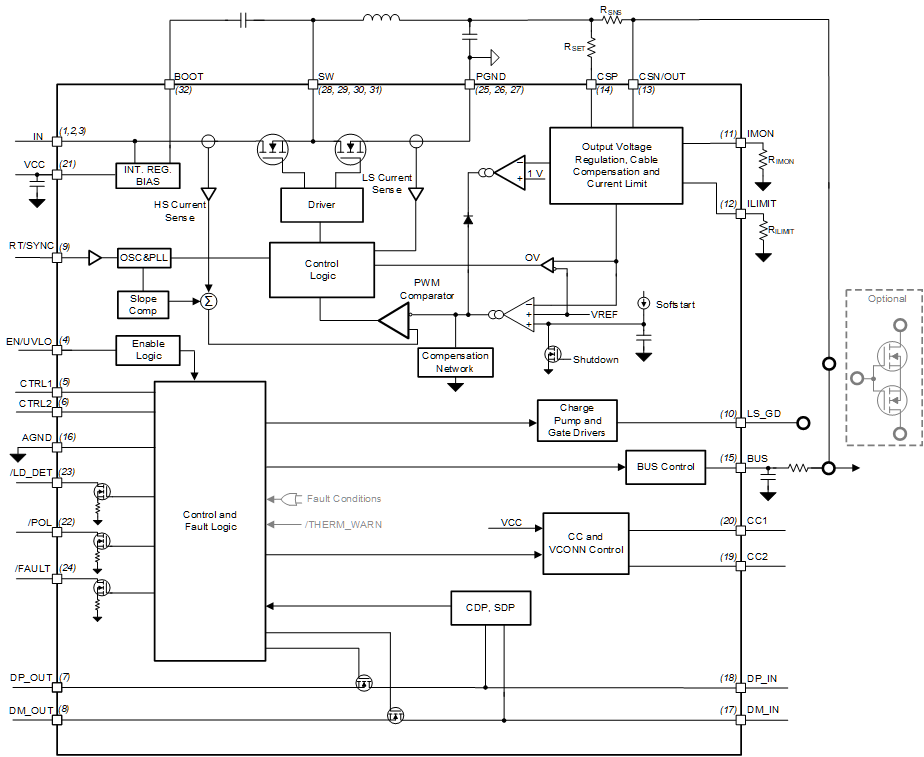
The TPS2583xA-Q1 includes high bandwidth analog switches for DP and DM pass-through.
The TPS25830A-Q1 also integrates short-to-battery protection on VBUS, CC1, CC2, DM_IN and DP_IN pins (up to 18-V support). The TPS25832A-Q1 does not support data line (CC and Dx) short to VBAT protection.
The synchronous buck regulator operates with current mode control and is internally compensated to simplify design. A resistor on the RT pin sets the switching frequency between 300 kHz and 2.2 MHz. Operating below 400 kHz results in better system efficiency. Operation above 2.1 MHz avoids the AM radio bands and allows for use of a smaller inductor.
The TPS2583xA-Q1 integrates standard USB Type-C port controller functionality including Configuration Channel (CC) logic for 3-A and 1.5-A current advertisement. Battery Charging (Rev. 1.2) integration provides the required electrical signatures necessary for non-Type-C, legacy USB devices which use USB data line signaling to determine USB port current sourcing capabilities.
A precision current sense amplifier is included for user programmable cable droop compensation and current limit tuning. Cable compensation aids portable devices in charging at optimum current and voltage under heavy loads by changing the buck regulator output voltage linearly with load current to counteract the voltage drop due to wire resistance in automotive cabling. The VBUSvoltage measured at a connected portable device remains approximately constant, regardless of load current, allowing the portable device’s battery charger to work optimally.
The USB specifications require current limiting of USB charging ports, but give system designers reasonable flexibility to choose overcurrent protection levels based on system requirements. The TPS2583xA-Q1 uses a novel two-threshold current limit circuit allowing system designers to either program average current limit protection of the buck regulator, or optionally, current limit using an external NMOS between the CSN/OUT and BUS pins. The NFET implementation enables the TPS2583xA-Q1 buck regulator to supply a 5-V output for other loads during an overcurrent fault condition on the USB port. Also, the current limit methodology TPS2583xA-Q1 use can meet latest MFI requirement.
TPS2583xA-Q1 Integrated protection features include cycle-by-cycle current limit, hiccup short-circuit protection, undervoltage lockout, VBUSovervoltage and overcurrent, CC overvoltage and overcurrent, data line (Dx) short to VBUSand VBAT, and die overtemperature protection.
The TPS25830A-Q1 includes high bandwidth analog switches for DP and DM pass-through, and support data line (Dx and CC) short-to-VBAT protection. The TPS25832A-Q1 does not support data line (Dx and CC) short-to-VBAT protection.
The TPS2583xA-Q1 is a USB Type-C and BC1.2 charging port controller that includes a synchronous DC/DC converter. With cable droop compensation, the VBUSvoltage remains constant regardless of load current, ensuring connected portable devices charge at optimal current and voltage.
The TPS2583xA-Q1 includes high bandwidth analog switches for DP and DM pass-through.
The TPS25830A-Q1 also integrates short-to-battery protection on VBUS, CC1, CC2, DM_IN and DP_IN pins (up to 18-V support). The TPS25832A-Q1 does not support data line (CC and Dx) short to VBAT protection.
The synchronous buck regulator operates with current mode control and is internally compensated to simplify design. A resistor on the RT pin sets the switching frequency between 300 kHz and 2.2 MHz. Operating below 400 kHz results in better system efficiency. Operation above 2.1 MHz avoids the AM radio bands and allows for use of a smaller inductor.
The TPS2583xA-Q1 integrates standard USB Type-C port controller functionality including Configuration Channel (CC) logic for 3-A and 1.5-A current advertisement. Battery Charging (Rev. 1.2) integration provides the required electrical signatures necessary for non-Type-C, legacy USB devices which use USB data line signaling to determine USB port current sourcing capabilities.
A precision current sense amplifier is included for user programmable cable droop compensation and current limit tuning. Cable compensation aids portable devices in charging at optimum current and voltage under heavy loads by changing the buck regulator output voltage linearly with load current to counteract the voltage drop due to wire resistance in automotive cabling. The VBUSvoltage measured at a connected portable device remains approximately constant, regardless of load current, allowing the portable device’s battery charger to work optimally.
The USB specifications require current limiting of USB charging ports, but give system designers reasonable flexibility to choose overcurrent protection levels based on system requirements. The TPS2583xA-Q1 uses a novel two-threshold current limit circuit allowing system designers to either program average current limit protection of the buck regulator, or optionally, current limit using an external NMOS between the CSN/OUT and BUS pins. The NFET implementation enables the TPS2583xA-Q1 buck regulator to supply a 5-V output for other loads during an overcurrent fault condition on the USB port. Also, the current limit methodology TPS2583xA-Q1 use can meet latest MFI requirement.
TPS2583xA-Q1 Integrated protection features include cycle-by-cycle current limit, hiccup short-circuit protection, undervoltage lockout, VBUSovervoltage and overcurrent, CC overvoltage and overcurrent, data line (Dx) short to VBUSand VBAT, and die overtemperature protection.
The TPS25830A-Q1 includes high bandwidth analog switches for DP and DM pass-through, and support data line (Dx and CC) short-to-VBAT protection. The TPS25832A-Q1 does not support data line (Dx and CC) short-to-VBAT protection. |
| Power Management (PMIC) | 1 | Active | |
TPS25831USB Type-C™ DCP Charge port converter with STB protection, cable comp. and thermal foldback | Integrated Circuits (ICs) | 4 | Active | The TPS2583x-Q1 is a USB Type-C and BC1.2 charging port controller that includes a synchronous DC/DC converter. With cable droop compensation, the VBUSvoltage remains constant regardless of load current, ensuring connected portable devices are charged at optimal current and voltage.
The TPS2583x-Q1 also integrates short-to-battery protection on VBUS, CC1, CC2, DM_IN and DP_IN pins. These pins can withstand voltage up to 18 V.
The TPS25830-Q1 includes high bandwidth analog switches for DP and DM pass-through, while the TPS25831-Q1 includes a thermistor input pin and thermal warning flag for user programmable thermal overload protection.
The TPS2583x-Q1 is a USB Type-C and BC1.2 charging port controller that includes a synchronous DC/DC converter. With cable droop compensation, the VBUSvoltage remains constant regardless of load current, ensuring connected portable devices are charged at optimal current and voltage.
The TPS2583x-Q1 also integrates short-to-battery protection on VBUS, CC1, CC2, DM_IN and DP_IN pins. These pins can withstand voltage up to 18 V.
The TPS25830-Q1 includes high bandwidth analog switches for DP and DM pass-through, while the TPS25831-Q1 includes a thermistor input pin and thermal warning flag for user programmable thermal overload protection. |
TPS25832USB Type-C and SDP/CDP charge port converter with cable compensation | Integrated Circuits (ICs) | 4 | Active | The TPS2583x-Q1 is a USB Type-C and BC1.2 charging port controller that includes a synchronous DC/DC converter. With cable droop compensation, the VBUSvoltage remains constant regardless of load current, ensuring connected portable devices charge at optimal current and voltage.
The TPS25832-Q1 includes high bandwidth analog switches for DP and DM pass-through, while the TPS25833-Q1 includes a thermistor input pin and thermal warning flag for user programmable thermal overload protection.
The synchronous buck regulator operates with current mode control and is internally compensated to simplify the design. A resistor on the RT pin sets the switching frequency between 300 kHz and 2.2 MHz. Operating below 400 kHz results in better system efficiency. Operation above 2.1 MHz avoids the AM radio bands and allows for use of a smaller inductor.
The TPS2583x-Q1 integrates standard USB Type-C port controller functionality including Configuration Channel (CC) logic for 3-A and 1.5-A current advertisement. Battery Charging (Rev. 1.2) integration provides the required electrical signatures necessary for non-Type-C, legacy USB devices that use USB data line signaling to determine USB port current sourcing capabilities.
A precision current sense amplifier is included for user programmable cable droop compensation and current limit tuning. Cable compensation aids portable devices in charging at optimum current and voltage under heavy loads by changing the buck regulator output voltage linearly with load current to counteract the voltage drop due to wire resistance in automotive cabling. The VBUSvoltage measured at a connected portable device remains approximately constant, regardless of load current, allowing the portable device’s battery charger to work optimally.
The USB specifications require current limiting of USB charging ports, but give system designers reasonable flexibility to choose overcurrent protection levels based on system requirements. The TPS2583x-Q1 uses a novel two-threshold current limit circuit allowing system designers to either program average current limit protection of the buck regulator, or optionally, current limit using an external NMOS between the CSN/OUT and BUS pins. The NFET implementation enables the TPS2583x-Q1 buck regulator to supply a 5-V output for other loads during an overcurrent fault condition on the USB port.
The TPS25832-Q1 includes high bandwidth analog switches for DP and DM pass-through. The TPS25833-Q1 includes a thermistor input pin and thermal warning flag for user programmable thermal overload protection.
Integrated protection features include cycle-by-cycle current limit, hiccup short-circuit protection, undervoltage lockout, VBUSovervoltage and overcurrent, CC overvoltage and overcurrent, data line (Dx) short-to-VBUSand die overtemperature protection.
The TPS2583x-Q1 is a USB Type-C and BC1.2 charging port controller that includes a synchronous DC/DC converter. With cable droop compensation, the VBUSvoltage remains constant regardless of load current, ensuring connected portable devices charge at optimal current and voltage.
The TPS25832-Q1 includes high bandwidth analog switches for DP and DM pass-through, while the TPS25833-Q1 includes a thermistor input pin and thermal warning flag for user programmable thermal overload protection.
The synchronous buck regulator operates with current mode control and is internally compensated to simplify the design. A resistor on the RT pin sets the switching frequency between 300 kHz and 2.2 MHz. Operating below 400 kHz results in better system efficiency. Operation above 2.1 MHz avoids the AM radio bands and allows for use of a smaller inductor.
The TPS2583x-Q1 integrates standard USB Type-C port controller functionality including Configuration Channel (CC) logic for 3-A and 1.5-A current advertisement. Battery Charging (Rev. 1.2) integration provides the required electrical signatures necessary for non-Type-C, legacy USB devices that use USB data line signaling to determine USB port current sourcing capabilities.
A precision current sense amplifier is included for user programmable cable droop compensation and current limit tuning. Cable compensation aids portable devices in charging at optimum current and voltage under heavy loads by changing the buck regulator output voltage linearly with load current to counteract the voltage drop due to wire resistance in automotive cabling. The VBUSvoltage measured at a connected portable device remains approximately constant, regardless of load current, allowing the portable device’s battery charger to work optimally.
The USB specifications require current limiting of USB charging ports, but give system designers reasonable flexibility to choose overcurrent protection levels based on system requirements. The TPS2583x-Q1 uses a novel two-threshold current limit circuit allowing system designers to either program average current limit protection of the buck regulator, or optionally, current limit using an external NMOS between the CSN/OUT and BUS pins. The NFET implementation enables the TPS2583x-Q1 buck regulator to supply a 5-V output for other loads during an overcurrent fault condition on the USB port.
The TPS25832-Q1 includes high bandwidth analog switches for DP and DM pass-through. The TPS25833-Q1 includes a thermistor input pin and thermal warning flag for user programmable thermal overload protection.
Integrated protection features include cycle-by-cycle current limit, hiccup short-circuit protection, undervoltage lockout, VBUSovervoltage and overcurrent, CC overvoltage and overcurrent, data line (Dx) short-to-VBUSand die overtemperature protection. |
TPS25832-Q1USB Type-C and SDP/CDP charge port converter with cable compensation | Integrated Circuits (ICs) | 1 | Active | The TPS2583x-Q1 is a USB Type-C and BC1.2 charging port controller that includes a synchronous DC/DC converter. With cable droop compensation, the VBUSvoltage remains constant regardless of load current, ensuring connected portable devices charge at optimal current and voltage.
The TPS25832-Q1 includes high bandwidth analog switches for DP and DM pass-through, while the TPS25833-Q1 includes a thermistor input pin and thermal warning flag for user programmable thermal overload protection.
The synchronous buck regulator operates with current mode control and is internally compensated to simplify the design. A resistor on the RT pin sets the switching frequency between 300 kHz and 2.2 MHz. Operating below 400 kHz results in better system efficiency. Operation above 2.1 MHz avoids the AM radio bands and allows for use of a smaller inductor.
The TPS2583x-Q1 integrates standard USB Type-C port controller functionality including Configuration Channel (CC) logic for 3-A and 1.5-A current advertisement. Battery Charging (Rev. 1.2) integration provides the required electrical signatures necessary for non-Type-C, legacy USB devices that use USB data line signaling to determine USB port current sourcing capabilities.
A precision current sense amplifier is included for user programmable cable droop compensation and current limit tuning. Cable compensation aids portable devices in charging at optimum current and voltage under heavy loads by changing the buck regulator output voltage linearly with load current to counteract the voltage drop due to wire resistance in automotive cabling. The VBUSvoltage measured at a connected portable device remains approximately constant, regardless of load current, allowing the portable device’s battery charger to work optimally.
The USB specifications require current limiting of USB charging ports, but give system designers reasonable flexibility to choose overcurrent protection levels based on system requirements. The TPS2583x-Q1 uses a novel two-threshold current limit circuit allowing system designers to either program average current limit protection of the buck regulator, or optionally, current limit using an external NMOS between the CSN/OUT and BUS pins. The NFET implementation enables the TPS2583x-Q1 buck regulator to supply a 5-V output for other loads during an overcurrent fault condition on the USB port.
The TPS25832-Q1 includes high bandwidth analog switches for DP and DM pass-through. The TPS25833-Q1 includes a thermistor input pin and thermal warning flag for user programmable thermal overload protection.
Integrated protection features include cycle-by-cycle current limit, hiccup short-circuit protection, undervoltage lockout, VBUSovervoltage and overcurrent, CC overvoltage and overcurrent, data line (Dx) short-to-VBUSand die overtemperature protection.
The TPS2583x-Q1 is a USB Type-C and BC1.2 charging port controller that includes a synchronous DC/DC converter. With cable droop compensation, the VBUSvoltage remains constant regardless of load current, ensuring connected portable devices charge at optimal current and voltage.
The TPS25832-Q1 includes high bandwidth analog switches for DP and DM pass-through, while the TPS25833-Q1 includes a thermistor input pin and thermal warning flag for user programmable thermal overload protection.
The synchronous buck regulator operates with current mode control and is internally compensated to simplify the design. A resistor on the RT pin sets the switching frequency between 300 kHz and 2.2 MHz. Operating below 400 kHz results in better system efficiency. Operation above 2.1 MHz avoids the AM radio bands and allows for use of a smaller inductor.
The TPS2583x-Q1 integrates standard USB Type-C port controller functionality including Configuration Channel (CC) logic for 3-A and 1.5-A current advertisement. Battery Charging (Rev. 1.2) integration provides the required electrical signatures necessary for non-Type-C, legacy USB devices that use USB data line signaling to determine USB port current sourcing capabilities.
A precision current sense amplifier is included for user programmable cable droop compensation and current limit tuning. Cable compensation aids portable devices in charging at optimum current and voltage under heavy loads by changing the buck regulator output voltage linearly with load current to counteract the voltage drop due to wire resistance in automotive cabling. The VBUSvoltage measured at a connected portable device remains approximately constant, regardless of load current, allowing the portable device’s battery charger to work optimally.
The USB specifications require current limiting of USB charging ports, but give system designers reasonable flexibility to choose overcurrent protection levels based on system requirements. The TPS2583x-Q1 uses a novel two-threshold current limit circuit allowing system designers to either program average current limit protection of the buck regulator, or optionally, current limit using an external NMOS between the CSN/OUT and BUS pins. The NFET implementation enables the TPS2583x-Q1 buck regulator to supply a 5-V output for other loads during an overcurrent fault condition on the USB port.
The TPS25832-Q1 includes high bandwidth analog switches for DP and DM pass-through. The TPS25833-Q1 includes a thermistor input pin and thermal warning flag for user programmable thermal overload protection.
Integrated protection features include cycle-by-cycle current limit, hiccup short-circuit protection, undervoltage lockout, VBUSovervoltage and overcurrent, CC overvoltage and overcurrent, data line (Dx) short-to-VBUSand die overtemperature protection. |
TPS25833USB Type-C,DCP charge port converter with cable compensation and thermal foldback | Integrated Circuits (ICs) | 1 | Active | The TPS2583x-Q1 is a USB Type-C and BC1.2 charging port controller that includes a synchronous DC/DC converter. With cable droop compensation, the VBUSvoltage remains constant regardless of load current, ensuring connected portable devices charge at optimal current and voltage.
The TPS25832-Q1 includes high bandwidth analog switches for DP and DM pass-through, while the TPS25833-Q1 includes a thermistor input pin and thermal warning flag for user programmable thermal overload protection.
The synchronous buck regulator operates with current mode control and is internally compensated to simplify the design. A resistor on the RT pin sets the switching frequency between 300 kHz and 2.2 MHz. Operating below 400 kHz results in better system efficiency. Operation above 2.1 MHz avoids the AM radio bands and allows for use of a smaller inductor.
The TPS2583x-Q1 integrates standard USB Type-C port controller functionality including Configuration Channel (CC) logic for 3-A and 1.5-A current advertisement. Battery Charging (Rev. 1.2) integration provides the required electrical signatures necessary for non-Type-C, legacy USB devices that use USB data line signaling to determine USB port current sourcing capabilities.
A precision current sense amplifier is included for user programmable cable droop compensation and current limit tuning. Cable compensation aids portable devices in charging at optimum current and voltage under heavy loads by changing the buck regulator output voltage linearly with load current to counteract the voltage drop due to wire resistance in automotive cabling. The VBUSvoltage measured at a connected portable device remains approximately constant, regardless of load current, allowing the portable device’s battery charger to work optimally.
The USB specifications require current limiting of USB charging ports, but give system designers reasonable flexibility to choose overcurrent protection levels based on system requirements. The TPS2583x-Q1 uses a novel two-threshold current limit circuit allowing system designers to either program average current limit protection of the buck regulator, or optionally, current limit using an external NMOS between the CSN/OUT and BUS pins. The NFET implementation enables the TPS2583x-Q1 buck regulator to supply a 5-V output for other loads during an overcurrent fault condition on the USB port.
The TPS25832-Q1 includes high bandwidth analog switches for DP and DM pass-through. The TPS25833-Q1 includes a thermistor input pin and thermal warning flag for user programmable thermal overload protection.
Integrated protection features include cycle-by-cycle current limit, hiccup short-circuit protection, undervoltage lockout, VBUSovervoltage and overcurrent, CC overvoltage and overcurrent, data line (Dx) short-to-VBUSand die overtemperature protection.
The TPS2583x-Q1 is a USB Type-C and BC1.2 charging port controller that includes a synchronous DC/DC converter. With cable droop compensation, the VBUSvoltage remains constant regardless of load current, ensuring connected portable devices charge at optimal current and voltage.
The TPS25832-Q1 includes high bandwidth analog switches for DP and DM pass-through, while the TPS25833-Q1 includes a thermistor input pin and thermal warning flag for user programmable thermal overload protection.
The synchronous buck regulator operates with current mode control and is internally compensated to simplify the design. A resistor on the RT pin sets the switching frequency between 300 kHz and 2.2 MHz. Operating below 400 kHz results in better system efficiency. Operation above 2.1 MHz avoids the AM radio bands and allows for use of a smaller inductor.
The TPS2583x-Q1 integrates standard USB Type-C port controller functionality including Configuration Channel (CC) logic for 3-A and 1.5-A current advertisement. Battery Charging (Rev. 1.2) integration provides the required electrical signatures necessary for non-Type-C, legacy USB devices that use USB data line signaling to determine USB port current sourcing capabilities.
A precision current sense amplifier is included for user programmable cable droop compensation and current limit tuning. Cable compensation aids portable devices in charging at optimum current and voltage under heavy loads by changing the buck regulator output voltage linearly with load current to counteract the voltage drop due to wire resistance in automotive cabling. The VBUSvoltage measured at a connected portable device remains approximately constant, regardless of load current, allowing the portable device’s battery charger to work optimally.
The USB specifications require current limiting of USB charging ports, but give system designers reasonable flexibility to choose overcurrent protection levels based on system requirements. The TPS2583x-Q1 uses a novel two-threshold current limit circuit allowing system designers to either program average current limit protection of the buck regulator, or optionally, current limit using an external NMOS between the CSN/OUT and BUS pins. The NFET implementation enables the TPS2583x-Q1 buck regulator to supply a 5-V output for other loads during an overcurrent fault condition on the USB port.
The TPS25832-Q1 includes high bandwidth analog switches for DP and DM pass-through. The TPS25833-Q1 includes a thermistor input pin and thermal warning flag for user programmable thermal overload protection.
Integrated protection features include cycle-by-cycle current limit, hiccup short-circuit protection, undervoltage lockout, VBUSovervoltage and overcurrent, CC overvoltage and overcurrent, data line (Dx) short-to-VBUSand die overtemperature protection. |
TPS25833-Q1USB Type-C,DCP charge port converter with cable compensation and thermal foldback | Power Management (PMIC) | 2 | Active | The TPS2583x-Q1 is a USB Type-C and BC1.2 charging port controller that includes a synchronous DC/DC converter. With cable droop compensation, the VBUSvoltage remains constant regardless of load current, ensuring connected portable devices charge at optimal current and voltage.
The TPS25832-Q1 includes high bandwidth analog switches for DP and DM pass-through, while the TPS25833-Q1 includes a thermistor input pin and thermal warning flag for user programmable thermal overload protection.
The synchronous buck regulator operates with current mode control and is internally compensated to simplify the design. A resistor on the RT pin sets the switching frequency between 300 kHz and 2.2 MHz. Operating below 400 kHz results in better system efficiency. Operation above 2.1 MHz avoids the AM radio bands and allows for use of a smaller inductor.
The TPS2583x-Q1 integrates standard USB Type-C port controller functionality including Configuration Channel (CC) logic for 3-A and 1.5-A current advertisement. Battery Charging (Rev. 1.2) integration provides the required electrical signatures necessary for non-Type-C, legacy USB devices that use USB data line signaling to determine USB port current sourcing capabilities.
A precision current sense amplifier is included for user programmable cable droop compensation and current limit tuning. Cable compensation aids portable devices in charging at optimum current and voltage under heavy loads by changing the buck regulator output voltage linearly with load current to counteract the voltage drop due to wire resistance in automotive cabling. The VBUSvoltage measured at a connected portable device remains approximately constant, regardless of load current, allowing the portable device’s battery charger to work optimally.
The USB specifications require current limiting of USB charging ports, but give system designers reasonable flexibility to choose overcurrent protection levels based on system requirements. The TPS2583x-Q1 uses a novel two-threshold current limit circuit allowing system designers to either program average current limit protection of the buck regulator, or optionally, current limit using an external NMOS between the CSN/OUT and BUS pins. The NFET implementation enables the TPS2583x-Q1 buck regulator to supply a 5-V output for other loads during an overcurrent fault condition on the USB port.
The TPS25832-Q1 includes high bandwidth analog switches for DP and DM pass-through. The TPS25833-Q1 includes a thermistor input pin and thermal warning flag for user programmable thermal overload protection.
Integrated protection features include cycle-by-cycle current limit, hiccup short-circuit protection, undervoltage lockout, VBUSovervoltage and overcurrent, CC overvoltage and overcurrent, data line (Dx) short-to-VBUSand die overtemperature protection.
The TPS2583x-Q1 is a USB Type-C and BC1.2 charging port controller that includes a synchronous DC/DC converter. With cable droop compensation, the VBUSvoltage remains constant regardless of load current, ensuring connected portable devices charge at optimal current and voltage.
The TPS25832-Q1 includes high bandwidth analog switches for DP and DM pass-through, while the TPS25833-Q1 includes a thermistor input pin and thermal warning flag for user programmable thermal overload protection.
The synchronous buck regulator operates with current mode control and is internally compensated to simplify the design. A resistor on the RT pin sets the switching frequency between 300 kHz and 2.2 MHz. Operating below 400 kHz results in better system efficiency. Operation above 2.1 MHz avoids the AM radio bands and allows for use of a smaller inductor.
The TPS2583x-Q1 integrates standard USB Type-C port controller functionality including Configuration Channel (CC) logic for 3-A and 1.5-A current advertisement. Battery Charging (Rev. 1.2) integration provides the required electrical signatures necessary for non-Type-C, legacy USB devices that use USB data line signaling to determine USB port current sourcing capabilities.
A precision current sense amplifier is included for user programmable cable droop compensation and current limit tuning. Cable compensation aids portable devices in charging at optimum current and voltage under heavy loads by changing the buck regulator output voltage linearly with load current to counteract the voltage drop due to wire resistance in automotive cabling. The VBUSvoltage measured at a connected portable device remains approximately constant, regardless of load current, allowing the portable device’s battery charger to work optimally.
The USB specifications require current limiting of USB charging ports, but give system designers reasonable flexibility to choose overcurrent protection levels based on system requirements. The TPS2583x-Q1 uses a novel two-threshold current limit circuit allowing system designers to either program average current limit protection of the buck regulator, or optionally, current limit using an external NMOS between the CSN/OUT and BUS pins. The NFET implementation enables the TPS2583x-Q1 buck regulator to supply a 5-V output for other loads during an overcurrent fault condition on the USB port.
The TPS25832-Q1 includes high bandwidth analog switches for DP and DM pass-through. The TPS25833-Q1 includes a thermistor input pin and thermal warning flag for user programmable thermal overload protection.
Integrated protection features include cycle-by-cycle current limit, hiccup short-circuit protection, undervoltage lockout, VBUSovervoltage and overcurrent, CC overvoltage and overcurrent, data line (Dx) short-to-VBUSand die overtemperature protection. |