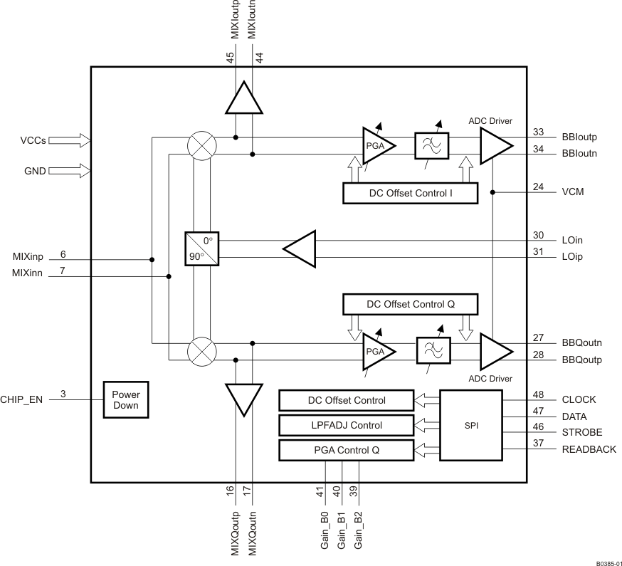
TRF3710Integrated Direct Down-Conversion Receiver | RF and Wireless | 1 | Active | The TRF3710 is a highly linear and integrated direct-conversion quadrature demodulator optimized for Third-Generation (3G) wireless infrastructure. The TRF3710 integrates balanced I and Q mixers, LO buffers and phase splitters to convert an RF signal directly to I and Q baseband. The on-chip programmable-gain amplifiers allow adjustment of the output signal level without the need for external variable-gain (attenuator) devices. The TRF3710 integrates programmable baseband low-pass filters that attenuate nearby interference, eliminating the need for an external baseband filter.
Housed in a 7X7mm QFN package, the TRF3710 provides the smallest and most integrated receiver solution available for high performance equipment.
The TRF3710 is a highly linear and integrated direct-conversion quadrature demodulator optimized for Third-Generation (3G) wireless infrastructure. The TRF3710 integrates balanced I and Q mixers, LO buffers and phase splitters to convert an RF signal directly to I and Q baseband. The on-chip programmable-gain amplifiers allow adjustment of the output signal level without the need for external variable-gain (attenuator) devices. The TRF3710 integrates programmable baseband low-pass filters that attenuate nearby interference, eliminating the need for an external baseband filter.
Housed in a 7X7mm QFN package, the TRF3710 provides the smallest and most integrated receiver solution available for high performance equipment. |
TRF3711090.3 - 1.7 GHz Wide Bandwidth Integrated Direct Downconversion Receiver | RF Evaluation and Development Kits, Boards | 2 | Active | The TRF371109 is a highly linear direct-conversion quadrature receiver. The TRF371109 integrates balanced I and Q mixers, LO buffers, and phase splitters to convert an RF signal directly to I and Q baseband. The on-chip programmable gain amplifiers allow adjustment of the output signal level without the need for external variable gain (attenuator) devices. The TRF371109 integrates programmable baseband low-pass filters that attenuate nearby interference, eliminating the need for an external baseband filter.
Housed in a 7-mm × 7-mm VQFN package, the TRF371109 provides the smallest and most integrated receiver solution available for high-performance equipment.
The TRF371109 is a highly linear direct-conversion quadrature receiver. The TRF371109 integrates balanced I and Q mixers, LO buffers, and phase splitters to convert an RF signal directly to I and Q baseband. The on-chip programmable gain amplifiers allow adjustment of the output signal level without the need for external variable gain (attenuator) devices. The TRF371109 integrates programmable baseband low-pass filters that attenuate nearby interference, eliminating the need for an external baseband filter.
Housed in a 7-mm × 7-mm VQFN package, the TRF371109 provides the smallest and most integrated receiver solution available for high-performance equipment. |
TRF3711250.7 - 4.0 GHz Wide Bandwidth Integrated Direct Down Conversion Receiver | RF Evaluation and Development Kits, Boards | 2 | Active | The TRF371125 is a highly linear and integrated direct-conversion quadrature demodulator. The TRF371125 integrates balanced I and Q mixers, LO buffers, and phase splitters to convert an RF signal directly to I and Q baseband. The on-chip programmable-gain amplifiers allow adjustment of the output signal level without the need for external variable-gain (attenuator) devices. The TRF371125 integrates programmable baseband low-pass filters that attenuate nearby interference, eliminating the need for an external baseband filter.
Housed in a 7-mm × 7-mm QFN package, the TRF371125 provides the smallest and most integrated receiver solution available for high-performance equipment.
The TRF371125 is a highly linear and integrated direct-conversion quadrature demodulator. The TRF371125 integrates balanced I and Q mixers, LO buffers, and phase splitters to convert an RF signal directly to I and Q baseband. The on-chip programmable-gain amplifiers allow adjustment of the output signal level without the need for external variable-gain (attenuator) devices. The TRF371125 integrates programmable baseband low-pass filters that attenuate nearby interference, eliminating the need for an external baseband filter.
Housed in a 7-mm × 7-mm QFN package, the TRF371125 provides the smallest and most integrated receiver solution available for high-performance equipment. |
TRF3711351.7 - 6.0 GHz Wide Bandwidth Integrated Direct Down Conversion Receiver | RF Demodulators | 1 | Active | The TRF371135 is a highly linear and integrated direct-conversion quadrature demodulator. The TRF371135 integrates balanced I and Q mixers, LO buffers, and phase splitters to convert an RF signal directly to I and Q baseband. The on-chip programmable-gain amplifiers allow adjustment of the output signal level without the need for external variable-gain (attenuator) devices. The TRF371135 integrates programmable baseband low-pass filters that attenuate nearby interference, eliminating the need for an external baseband filter.
Housed in a 7-mm × 7-mm QFN package, the TRF371135 provides the smallest and most integrated receiver solution available for high-performance equipment.
The TRF371135 is a highly linear and integrated direct-conversion quadrature demodulator. The TRF371135 integrates balanced I and Q mixers, LO buffers, and phase splitters to convert an RF signal directly to I and Q baseband. The on-chip programmable-gain amplifiers allow adjustment of the output signal level without the need for external variable-gain (attenuator) devices. The TRF371135 integrates programmable baseband low-pass filters that attenuate nearby interference, eliminating the need for an external baseband filter.
Housed in a 7-mm × 7-mm QFN package, the TRF371135 provides the smallest and most integrated receiver solution available for high-performance equipment. |
TRF372017300 MHz to 4.8GHz Quadrature Modulator with integrated wideband PLL/VCO | RF Evaluation and Development Kits, Boards | 3 | Active | TRF372017 is a high-performance, direct up-conversion device, integrating a high-linearity, low-noise IQ modulator and an integer-fractional PLL/VCO. The VCO uses integrated frequency dividers to achieve a wide, continuous tuning range of 300 MHz to 4800 MHz. The LO is available as an output with independent frequency dividers. The device also accepts input from an external LO or VCO. The modulator baseband inputs can be biased either internally or externally. Internal DC offset adjustment enables carrier cancellation. The device is controlled through a 3-wire serial programming interface (SPI). A control pin invokes power-save mode to reduce power consumption while keeping the VCO locked for fast start-up.
TRF372017 is a high-performance, direct up-conversion device, integrating a high-linearity, low-noise IQ modulator and an integer-fractional PLL/VCO. The VCO uses integrated frequency dividers to achieve a wide, continuous tuning range of 300 MHz to 4800 MHz. The LO is available as an output with independent frequency dividers. The device also accepts input from an external LO or VCO. The modulator baseband inputs can be biased either internally or externally. Internal DC offset adjustment enables carrier cancellation. The device is controlled through a 3-wire serial programming interface (SPI). A control pin invokes power-save mode to reduce power consumption while keeping the VCO locked for fast start-up. |
| Development Boards, Kits, Programmers | 6 | Obsolete | |
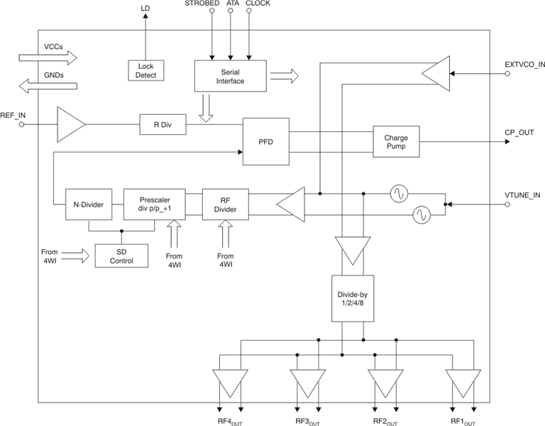
TRF3761-ALow Noise Integer N PLL Frequency Synthesizer With Integrated VCO | Development Boards, Kits, Programmers | 14 | Active | TRF3761 is a family of high performance, highly integrated frequency synthesizers, optimized for high performance applications. The TRF3761 includes a low-noise, voltage-controlled oscillator (VCO) and an integer-N PLL.
TRF3761 integrates divide-by 1, 2, or 4 options for a more flexible output frequency range. It is controlled through a 3-wire serial-programming-interface (SPI) interface. For power sensitive applications the TRF3761 can be powered down by the SPI interface or externally via chip_en pin 2.
TRF3761 is a family of high performance, highly integrated frequency synthesizers, optimized for high performance applications. The TRF3761 includes a low-noise, voltage-controlled oscillator (VCO) and an integer-N PLL.
TRF3761 integrates divide-by 1, 2, or 4 options for a more flexible output frequency range. It is controlled through a 3-wire serial-programming-interface (SPI) interface. For power sensitive applications the TRF3761 can be powered down by the SPI interface or externally via chip_en pin 2. |
| Evaluation and Demonstration Boards and Kits | 3 | Obsolete | |
TRF3765300M-4800MHz Low Noise Integer-N/Fractional-N PLL with Integrated VCO and up to 8 Outputs | Clock/Timing | 2 | Active | The TRF3765 is a wideband Integer-N/Fractional-N frequency synthesizer with an integrated, wideband voltage-controlled oscillator (VCO). Programmable output dividers enable continuous frequency coverage from 300 MHz to 4.8 GHz. Four separate differential, open-collector RF outputs allow multiple devices to be driven in parallel without the need of external splitters.
The TRF3765 also accepts external VCO input signals and allows on/off control through a programmable control output. For maximum flexibility and wide reference frequency range, wide-range divide ratio settings are programmable and an off-chip loop filter can be used.
The TRF3765 is available in an RHB-32 QFN package.
The TRF3765 is a wideband Integer-N/Fractional-N frequency synthesizer with an integrated, wideband voltage-controlled oscillator (VCO). Programmable output dividers enable continuous frequency coverage from 300 MHz to 4.8 GHz. Four separate differential, open-collector RF outputs allow multiple devices to be driven in parallel without the need of external splitters.
The TRF3765 also accepts external VCO input signals and allows on/off control through a programmable control output. For maximum flexibility and wide reference frequency range, wide-range divide ratio settings are programmable and an off-chip loop filter can be used.
The TRF3765 is available in an RHB-32 QFN package. |
TRF37A32400M-1700MHz Dual Down Converter Mixer with Integrated IF Amp & RF Baluns | RF Amplifiers | 2 | Active | The TRF37x32 is a wideband dual down converter mixer with integrated IF amplifier. The device employs integrated baluns for single ended RF and LO inputs. The IF amplifier operates from 30 MHz to 600 MHz in an open collector topology to support a variety of IF frequencies and bandwidths. The TRF37x32 provides excellent mixer linearity and noise performance and offers good isolation between channels for operation with diversity applications. The device operates with low power dissipation and further provides an option for a low power mode for power sensitive applications. Each channel can be independently powered down with fast response times to allow operation in time domain duplexed (TDD) applications.
The TRF37x32 is a wideband dual down converter mixer with integrated IF amplifier. The device employs integrated baluns for single ended RF and LO inputs. The IF amplifier operates from 30 MHz to 600 MHz in an open collector topology to support a variety of IF frequencies and bandwidths. The TRF37x32 provides excellent mixer linearity and noise performance and offers good isolation between channels for operation with diversity applications. The device operates with low power dissipation and further provides an option for a low power mode for power sensitive applications. Each channel can be independently powered down with fast response times to allow operation in time domain duplexed (TDD) applications. |