TPS6508700PMIC for AMD™ family 17h models 10h-1Fh processors | Special Purpose Regulators | 2 | Active | The TPS6508700 device is a single-chip power-management IC (PMIC) designed for the AMD™ family 17h models 10h-1Fh processors targeted for notebooks and all-in-one desktops. The TPS6508700 device offers an input range from 5.6V to 21V, enabling use in a wide range of applications. The device is well suited for NVDC and non-NVDC power architecture using 2S, 3S, or 4S Li-Ion battery packs. The D-CAP2™ and DCS-Control™ high-frequency voltage regulators use small inductors and capacitors to achieve a small solution size. The D-CAP2 and DCS-control topologies have excellent transient response performance, which is optimal for processor core and system memory rails that have fast load switching. An I2C interface allows simple control either by an embedded controller (EC) or by a system on chip (SoC). The PMIC comes in an 8mm × 8mm, single-row VQFN package with thermal pad for good thermal dissipation and ease of board routing.
The TPS6508700 device is a single-chip power-management IC (PMIC) designed for the AMD™ family 17h models 10h-1Fh processors targeted for notebooks and all-in-one desktops. The TPS6508700 device offers an input range from 5.6V to 21V, enabling use in a wide range of applications. The device is well suited for NVDC and non-NVDC power architecture using 2S, 3S, or 4S Li-Ion battery packs. The D-CAP2™ and DCS-Control™ high-frequency voltage regulators use small inductors and capacitors to achieve a small solution size. The D-CAP2 and DCS-control topologies have excellent transient response performance, which is optimal for processor core and system memory rails that have fast load switching. An I2C interface allows simple control either by an embedded controller (EC) or by a system on chip (SoC). The PMIC comes in an 8mm × 8mm, single-row VQFN package with thermal pad for good thermal dissipation and ease of board routing. |
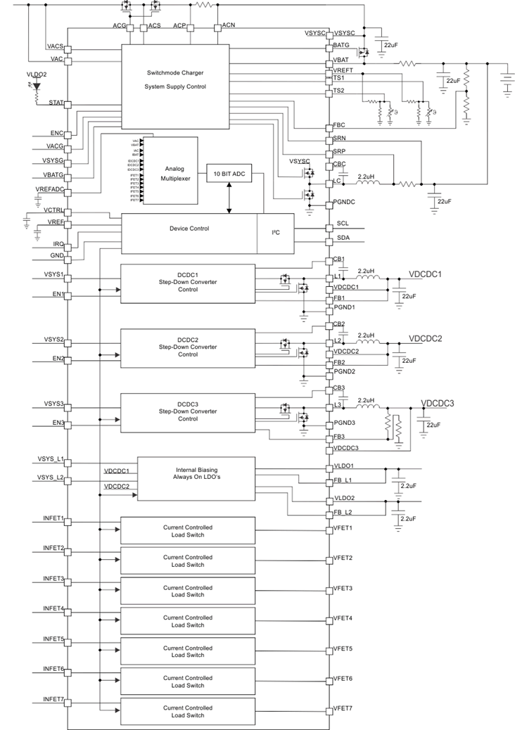
TPS650906-V to 7-V Power Management IC (PMIC) with switchmode charger, 3 DCDCs, 2 LDOs, and 7 load switches | Integrated Circuits (ICs) | 2 | Active | The TPS65090A device is a single-chip power management IC for portable applications consisting of a battery charger with power path management for a dual or triple Li-Ion or Li-Polymer cell battery pack. The charger can be directly connected to an external wall adapter. Three highly efficient step-down converters are targeted for providing a fixed 5-V system voltage, a fixed 3.3-V system voltage, and an adjustable voltage rail. The step-down converters enter a low power mode at light load for maximum efficiency across the widest possible range of load currents. The step-down converters allow the use of small inductors and capacitors to achieve a small solution size. The TPS65090A also integrates two general-purpose always-on LDOs for powering circuit blocks which control the system while shut down. Each LDO operates with an input voltage range from 6 V to 17 V, allowing the LDOs to be supplied from the wall adapter or directly from the main battery pack.
Seven load switches are built into the device. These load switches can be used to control the power supply individually for certain circuit blocks in the application circuit. The current flowing through the load switches, as well as the output current of the step-down converters, the input current from the AC adapter and the charge current is monitored and can be read out using the digital interface.
The TPS65090A device is a single-chip power management IC for portable applications consisting of a battery charger with power path management for a dual or triple Li-Ion or Li-Polymer cell battery pack. The charger can be directly connected to an external wall adapter. Three highly efficient step-down converters are targeted for providing a fixed 5-V system voltage, a fixed 3.3-V system voltage, and an adjustable voltage rail. The step-down converters enter a low power mode at light load for maximum efficiency across the widest possible range of load currents. The step-down converters allow the use of small inductors and capacitors to achieve a small solution size. The TPS65090A also integrates two general-purpose always-on LDOs for powering circuit blocks which control the system while shut down. Each LDO operates with an input voltage range from 6 V to 17 V, allowing the LDOs to be supplied from the wall adapter or directly from the main battery pack.
Seven load switches are built into the device. These load switches can be used to control the power supply individually for certain circuit blocks in the application circuit. The current flowing through the load switches, as well as the output current of the step-down converters, the input current from the AC adapter and the charge current is monitored and can be read out using the digital interface. |
TPS650941Programmable mid input voltage range Power Management IC (PMIC) for Apollo Lake processors | Integrated Circuits (ICs) | 9 | Active | The TPS65094 device is a single-chip solution, power-management integrated chip (PMIC) designed specifically for the latest Intel™ processors targeted for tablets, ultrabooks, notebooks, industrial PCs, and Internet-of-Things (IOT) applications using 2S, 3S, or 4S Li-Ion battery packs (NVDC or non-NVDC power architectures), as well as wall-powered applications. The TPS65094 device is used for essential systems with low-voltage rails merged for the smallest footprint and lowest-cost system-power solution. The TPS65094 device provides the complete power solution based on the Intel Reference Designs. Six highly efficient step-down voltage regulators (VRs), a sink or source LDO (VTT), and a load switch are controlled by power-up sequence logic to provide the proper power rails, sequencing, and protection—including DDR3 and DDR4 memory power. The two regulators (BUCK1 and BUCK2) support dynamic voltage scaling (DVS) for maximum efficiency—including support for connected standby. The high-frequency VRs use small inductors and capacitors to achieve a small solution size. An I2C interface allows simple control by an embedded controller (EC) or by a system on chip (SoC).
The PMIC comes in an 8mm × 8mm single-row VQFN package with a thermal pad for good thermal dissipation and ease of board routing.
The TPS65094 device is a single-chip solution, power-management integrated chip (PMIC) designed specifically for the latest Intel™ processors targeted for tablets, ultrabooks, notebooks, industrial PCs, and Internet-of-Things (IOT) applications using 2S, 3S, or 4S Li-Ion battery packs (NVDC or non-NVDC power architectures), as well as wall-powered applications. The TPS65094 device is used for essential systems with low-voltage rails merged for the smallest footprint and lowest-cost system-power solution. The TPS65094 device provides the complete power solution based on the Intel Reference Designs. Six highly efficient step-down voltage regulators (VRs), a sink or source LDO (VTT), and a load switch are controlled by power-up sequence logic to provide the proper power rails, sequencing, and protection—including DDR3 and DDR4 memory power. The two regulators (BUCK1 and BUCK2) support dynamic voltage scaling (DVS) for maximum efficiency—including support for connected standby. The high-frequency VRs use small inductors and capacitors to achieve a small solution size. An I2C interface allows simple control by an embedded controller (EC) or by a system on chip (SoC).
The PMIC comes in an 8mm × 8mm single-row VQFN package with a thermal pad for good thermal dissipation and ease of board routing. |
| Integrated Circuits (ICs) | 2 | Obsolete | |
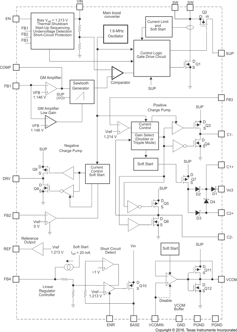
TPS651004-CH LCD Bias w/ Fully Int. Pos. Charge Pump, 3.3V LDO Contr., 1.6A Min. Boost Ilim, Fault & VCOM | DC/DC & AC/DC (Off-Line) SMPS Evaluation Boards | 3 | Active | The TPS6510x series offers a compact and small power supply solution that provides all three voltages required by thin film transistor (TFT) LCD displays. The auxiliary linear regulator controller can be used to generate a 3.3-V logic power rail for systems powered by a 5-V supply rail only.
The main output VO1, is a 1.6-MHz, fixed-frequency PWM boost converter providing the source drive voltage for the LCD display. The device is available in two versions with different internal switch current limits to allow the use of a smaller external inductor when lower output power is required. The TPS65100/01 has a typical switch current limit of 2.3 A, and the TPS65105 has a typical switch current limit of 1.37 A. A fully integrated adjustable charge pump doubler/tripler provides the positive LCD gate drive voltage. An externally adjustable negative charge pump provides the negative gate drive voltage. Due to the high 1.6-MHz switching frequency of the charge pumps, inexpensive and small 220-nF capacitors can be used.
The TPS6510x series has an integrated VCOM buffer to power the LCD backplane. For LCD panels powered by 5 V only, the TPS6510x series has a linear regulator controller using an external transistor to provide a regulated 3.3-V output for the digital circuits. For maximum safety, the TPS65100/05 goes into shutdown as soon as one of the outputs is out of regulation. The device can be enabled again by toggling the input or the enable (EN) pin to GND. The TPS65101 does not enter shutdown when one of the outputs is below its power good threshold.
The TPS6510x series offers a compact and small power supply solution that provides all three voltages required by thin film transistor (TFT) LCD displays. The auxiliary linear regulator controller can be used to generate a 3.3-V logic power rail for systems powered by a 5-V supply rail only.
The main output VO1, is a 1.6-MHz, fixed-frequency PWM boost converter providing the source drive voltage for the LCD display. The device is available in two versions with different internal switch current limits to allow the use of a smaller external inductor when lower output power is required. The TPS65100/01 has a typical switch current limit of 2.3 A, and the TPS65105 has a typical switch current limit of 1.37 A. A fully integrated adjustable charge pump doubler/tripler provides the positive LCD gate drive voltage. An externally adjustable negative charge pump provides the negative gate drive voltage. Due to the high 1.6-MHz switching frequency of the charge pumps, inexpensive and small 220-nF capacitors can be used.
The TPS6510x series has an integrated VCOM buffer to power the LCD backplane. For LCD panels powered by 5 V only, the TPS6510x series has a linear regulator controller using an external transistor to provide a regulated 3.3-V output for the digital circuits. For maximum safety, the TPS65100/05 goes into shutdown as soon as one of the outputs is out of regulation. The device can be enabled again by toggling the input or the enable (EN) pin to GND. The TPS65101 does not enter shutdown when one of the outputs is below its power good threshold. |
TPS651014-CH LCD Bias w/ Fully Int. Pos. Charge Pump, 3.3V LDO Controller, 1.6A Min. Boost Ilim & VCOM | Power Management (PMIC) | 3 | Active | The TPS6510x series offers a compact and small power supply solution that provides all three voltages required by thin film transistor (TFT) LCD displays. The auxiliary linear regulator controller can be used to generate a 3.3-V logic power rail for systems powered by a 5-V supply rail only.
The main output VO1, is a 1.6-MHz, fixed-frequency PWM boost converter providing the source drive voltage for the LCD display. The device is available in two versions with different internal switch current limits to allow the use of a smaller external inductor when lower output power is required. The TPS65100/01 has a typical switch current limit of 2.3 A, and the TPS65105 has a typical switch current limit of 1.37 A. A fully integrated adjustable charge pump doubler/tripler provides the positive LCD gate drive voltage. An externally adjustable negative charge pump provides the negative gate drive voltage. Due to the high 1.6-MHz switching frequency of the charge pumps, inexpensive and small 220-nF capacitors can be used.
The TPS6510x series has an integrated VCOM buffer to power the LCD backplane. For LCD panels powered by 5 V only, the TPS6510x series has a linear regulator controller using an external transistor to provide a regulated 3.3-V output for the digital circuits. For maximum safety, the TPS65100/05 goes into shutdown as soon as one of the outputs is out of regulation. The device can be enabled again by toggling the input or the enable (EN) pin to GND. The TPS65101 does not enter shutdown when one of the outputs is below its power good threshold.
The TPS6510x series offers a compact and small power supply solution that provides all three voltages required by thin film transistor (TFT) LCD displays. The auxiliary linear regulator controller can be used to generate a 3.3-V logic power rail for systems powered by a 5-V supply rail only.
The main output VO1, is a 1.6-MHz, fixed-frequency PWM boost converter providing the source drive voltage for the LCD display. The device is available in two versions with different internal switch current limits to allow the use of a smaller external inductor when lower output power is required. The TPS65100/01 has a typical switch current limit of 2.3 A, and the TPS65105 has a typical switch current limit of 1.37 A. A fully integrated adjustable charge pump doubler/tripler provides the positive LCD gate drive voltage. An externally adjustable negative charge pump provides the negative gate drive voltage. Due to the high 1.6-MHz switching frequency of the charge pumps, inexpensive and small 220-nF capacitors can be used.
The TPS6510x series has an integrated VCOM buffer to power the LCD backplane. For LCD panels powered by 5 V only, the TPS6510x series has a linear regulator controller using an external transistor to provide a regulated 3.3-V output for the digital circuits. For maximum safety, the TPS65100/05 goes into shutdown as soon as one of the outputs is out of regulation. The device can be enabled again by toggling the input or the enable (EN) pin to GND. The TPS65101 does not enter shutdown when one of the outputs is below its power good threshold. |
TPS651054-CH LCD Bias w/ Fully Int. Pos. Charge Pump, 3.3V LDO Contr., 0.96A Min. Boost Ilim, Fault & VCOM | Power Management (PMIC) | 1 | Active | The TPS6510x series offers a compact and small power supply solution that provides all three voltages required by thin film transistor (TFT) LCD displays. The auxiliary linear regulator controller can be used to generate a 3.3-V logic power rail for systems powered by a 5-V supply rail only.
The main output VO1, is a 1.6-MHz, fixed-frequency PWM boost converter providing the source drive voltage for the LCD display. The device is available in two versions with different internal switch current limits to allow the use of a smaller external inductor when lower output power is required. The TPS65100/01 has a typical switch current limit of 2.3 A, and the TPS65105 has a typical switch current limit of 1.37 A. A fully integrated adjustable charge pump doubler/tripler provides the positive LCD gate drive voltage. An externally adjustable negative charge pump provides the negative gate drive voltage. Due to the high 1.6-MHz switching frequency of the charge pumps, inexpensive and small 220-nF capacitors can be used.
The TPS6510x series has an integrated VCOM buffer to power the LCD backplane. For LCD panels powered by 5 V only, the TPS6510x series has a linear regulator controller using an external transistor to provide a regulated 3.3-V output for the digital circuits. For maximum safety, the TPS65100/05 goes into shutdown as soon as one of the outputs is out of regulation. The device can be enabled again by toggling the input or the enable (EN) pin to GND. The TPS65101 does not enter shutdown when one of the outputs is below its power good threshold.
The TPS6510x series offers a compact and small power supply solution that provides all three voltages required by thin film transistor (TFT) LCD displays. The auxiliary linear regulator controller can be used to generate a 3.3-V logic power rail for systems powered by a 5-V supply rail only.
The main output VO1, is a 1.6-MHz, fixed-frequency PWM boost converter providing the source drive voltage for the LCD display. The device is available in two versions with different internal switch current limits to allow the use of a smaller external inductor when lower output power is required. The TPS65100/01 has a typical switch current limit of 2.3 A, and the TPS65105 has a typical switch current limit of 1.37 A. A fully integrated adjustable charge pump doubler/tripler provides the positive LCD gate drive voltage. An externally adjustable negative charge pump provides the negative gate drive voltage. Due to the high 1.6-MHz switching frequency of the charge pumps, inexpensive and small 220-nF capacitors can be used.
The TPS6510x series has an integrated VCOM buffer to power the LCD backplane. For LCD panels powered by 5 V only, the TPS6510x series has a linear regulator controller using an external transistor to provide a regulated 3.3-V output for the digital circuits. For maximum safety, the TPS65100/05 goes into shutdown as soon as one of the outputs is out of regulation. The device can be enabled again by toggling the input or the enable (EN) pin to GND. The TPS65101 does not enter shutdown when one of the outputs is below its power good threshold. |
| Power Management (PMIC) | 2 | Obsolete | |
| Power Management (PMIC) | 3 | Obsolete | |
TPS651204-CH Single Inductor Multiple Outputs (SIMO) Bias IC w/ Fixed 3.3V Vlogic | Integrated Circuits (ICs) | 2 | Active | The TPS6512x DC-DC converter supplies all three voltages required by amorphous-silicon (a-Si) and low-temperature poly-silicon (LTPS) TFT-LCD displays. The compact layout of the TPS6512x uses a single inductor to generate independently-regulated positive and negative outputs. A free-running variable peak current PWM control scheme time-multiplexes the inductor between outputs. This control architecture operates at a pseudo-fixed-frequency to provide fast response to line and load transients while maintaining a relatively constant switching frequency and high efficiency over a wide range of input and output voltages. Due to the high switching frequency capability of the device, inexpensive and ultra-thin 8.2 or 10 µH inductors can be used.
The main output, VMAIN, is post-regulated to provide a low-ripple source drive voltage for the LCD display. The auxiliary outputs generate a boosted output voltage, VGH, up to 20 V, and a negative output voltage, VGL, down to -18 V for the LCD gate drive. The device has internal current limiting for high reliability under fault conditions. Additionally, the device offers a fixed output linear regulator for the LCD logic circuitry.
The TPS6512x DC-DC converter supplies all three voltages required by amorphous-silicon (a-Si) and low-temperature poly-silicon (LTPS) TFT-LCD displays. The compact layout of the TPS6512x uses a single inductor to generate independently-regulated positive and negative outputs. A free-running variable peak current PWM control scheme time-multiplexes the inductor between outputs. This control architecture operates at a pseudo-fixed-frequency to provide fast response to line and load transients while maintaining a relatively constant switching frequency and high efficiency over a wide range of input and output voltages. Due to the high switching frequency capability of the device, inexpensive and ultra-thin 8.2 or 10 µH inductors can be used.
The main output, VMAIN, is post-regulated to provide a low-ripple source drive voltage for the LCD display. The auxiliary outputs generate a boosted output voltage, VGH, up to 20 V, and a negative output voltage, VGL, down to -18 V for the LCD gate drive. The device has internal current limiting for high reliability under fault conditions. Additionally, the device offers a fixed output linear regulator for the LCD logic circuitry. |