TPS65137AS250mA Dual Outputs AMOLED Display Power Supply | Power Management (PMIC) | 2 | Active | The TPS65137AS is designed to drive AMOLED displays (Active Matrix Organic Light Emitting Diode) requiring positive and negative voltage supply rails. The device integrates a boost converter with LDO post regulator and an inverting buckboost converter suitable for battery operated products. The digital control pin (CTRL) allows programming the negative output voltage in digital steps. The TPS65137AS uses a novel technology enabling excellent line and load regulation. This is required to avoid disturbance of the AMOLED display by the input voltage disturbances occurring during transmit periods in mobile phones.
The TPS65137AS is designed to drive AMOLED displays (Active Matrix Organic Light Emitting Diode) requiring positive and negative voltage supply rails. The device integrates a boost converter with LDO post regulator and an inverting buckboost converter suitable for battery operated products. The digital control pin (CTRL) allows programming the negative output voltage in digital steps. The TPS65137AS uses a novel technology enabling excellent line and load regulation. This is required to avoid disturbance of the AMOLED display by the input voltage disturbances occurring during transmit periods in mobile phones. |
TPS65138Dual Output AMOLED Display Power Supply | Power Management (PMIC) | 2 | Active | The TPS65138 is designed to drive AMOLED displays (Active Matrix Organic Light Emitting Diode) requiring positive and negative supply rails. The device integrates boost converter and inverting buck boost converter designed suitable for battery operated products. The digital control pin (CTRL) allows programming the negative output voltage in digital steps. The TPS65138 uses a novel technology enabling excellent line and load regulation. This is required to avoid disturbance of the AMOLED display by the input voltage disturbances occurring during transmit periods in mobile phones.
The TPS65138 is designed to drive AMOLED displays (Active Matrix Organic Light Emitting Diode) requiring positive and negative supply rails. The device integrates boost converter and inverting buck boost converter designed suitable for battery operated products. The digital control pin (CTRL) allows programming the negative output voltage in digital steps. The TPS65138 uses a novel technology enabling excellent line and load regulation. This is required to avoid disturbance of the AMOLED display by the input voltage disturbances occurring during transmit periods in mobile phones. |
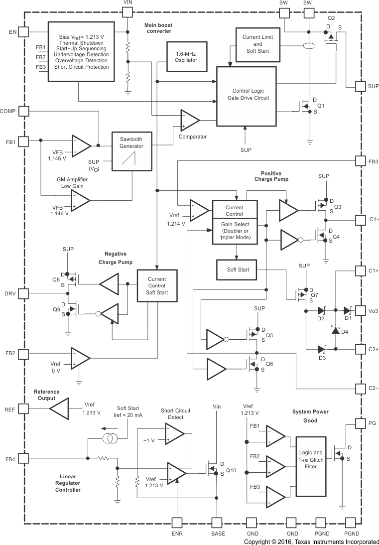
TPS65140-Q14-CH LCD Bias w/ Fully Int. Pos. Charge Pump, 3.3V LDO Contr., 1.6A Min. Boost Ilim & Fault Detect | Development Boards, Kits, Programmers | 6 | Active | The TPS6514x series offers a compact and small power supply solution to provide all three voltages required by thin film transistor (TFT) LCD displays. The auxiliary linear regulator controller can be used to generate a 3.3-V logic power rail for systems powered by a 5-V supply rail only.
The main output VO1is a 1.6-MHz fixed frequency PWM boost converter providing the source drive voltage for the LCD display. The device is available in two versions with different internal switch current limits to allow the use of a smaller external inductor when lower output power is required. The TPS65140 and TPS65141 has a typical switch current limit of 2.3 A and the TPS65145 has a typical switch current limit of 1.37 A. A fully integrated adjustable charge pump doubler or tripler provides the positive LCD gate drive voltage. An externally adjustable negative charge pump provides the negative gate drive voltage. Due to the high 1.6-MHz switching frequency of the charge pumps, inexpensive and small 220-nF capacitors can be used.
Additionally, the TPS6514x series has a system power good output to indicate when all supply rails are acceptable. For LCD panels powered by 5 V the device has a linear regulator controller using an external transistor to provide a regulated 3.3-V output for the digital circuits. For maximum safety, the TPS65140 and TPS65145 goes into shutdown as soon as one of the outputs is out of regulation. The device can be enabled again by toggling the input or the enable (EN) pin to GND. The TPS65141 does not enter shutdown when one of its outputs is below its power good threshold.
The TPS6514x series offers a compact and small power supply solution to provide all three voltages required by thin film transistor (TFT) LCD displays. The auxiliary linear regulator controller can be used to generate a 3.3-V logic power rail for systems powered by a 5-V supply rail only.
The main output VO1is a 1.6-MHz fixed frequency PWM boost converter providing the source drive voltage for the LCD display. The device is available in two versions with different internal switch current limits to allow the use of a smaller external inductor when lower output power is required. The TPS65140 and TPS65141 has a typical switch current limit of 2.3 A and the TPS65145 has a typical switch current limit of 1.37 A. A fully integrated adjustable charge pump doubler or tripler provides the positive LCD gate drive voltage. An externally adjustable negative charge pump provides the negative gate drive voltage. Due to the high 1.6-MHz switching frequency of the charge pumps, inexpensive and small 220-nF capacitors can be used.
Additionally, the TPS6514x series has a system power good output to indicate when all supply rails are acceptable. For LCD panels powered by 5 V the device has a linear regulator controller using an external transistor to provide a regulated 3.3-V output for the digital circuits. For maximum safety, the TPS65140 and TPS65145 goes into shutdown as soon as one of the outputs is out of regulation. The device can be enabled again by toggling the input or the enable (EN) pin to GND. The TPS65141 does not enter shutdown when one of its outputs is below its power good threshold. |
TPS651414-CH LCD Bias w/ Fully Int. Pos. Charge Pump, 3.3V LDO Controller & 1.6A Min. Boost Ilim | Power Management - Specialized | 3 | Active | The TPS6514x series offers a compact and small power supply solution to provide all three voltages required by thin film transistor (TFT) LCD displays. The auxiliary linear regulator controller can be used to generate a 3.3-V logic power rail for systems powered by a 5-V supply rail only.
The main output VO1is a 1.6-MHz fixed frequency PWM boost converter providing the source drive voltage for the LCD display. The device is available in two versions with different internal switch current limits to allow the use of a smaller external inductor when lower output power is required. The TPS65140 and TPS65141 has a typical switch current limit of 2.3 A and the TPS65145 has a typical switch current limit of 1.37 A. A fully integrated adjustable charge pump doubler or tripler provides the positive LCD gate drive voltage. An externally adjustable negative charge pump provides the negative gate drive voltage. Due to the high 1.6-MHz switching frequency of the charge pumps, inexpensive and small 220-nF capacitors can be used.
Additionally, the TPS6514x series has a system power good output to indicate when all supply rails are acceptable. For LCD panels powered by 5 V the device has a linear regulator controller using an external transistor to provide a regulated 3.3-V output for the digital circuits. For maximum safety, the TPS65140 and TPS65145 goes into shutdown as soon as one of the outputs is out of regulation. The device can be enabled again by toggling the input or the enable (EN) pin to GND. The TPS65141 does not enter shutdown when one of its outputs is below its power good threshold.
The TPS6514x series offers a compact and small power supply solution to provide all three voltages required by thin film transistor (TFT) LCD displays. The auxiliary linear regulator controller can be used to generate a 3.3-V logic power rail for systems powered by a 5-V supply rail only.
The main output VO1is a 1.6-MHz fixed frequency PWM boost converter providing the source drive voltage for the LCD display. The device is available in two versions with different internal switch current limits to allow the use of a smaller external inductor when lower output power is required. The TPS65140 and TPS65141 has a typical switch current limit of 2.3 A and the TPS65145 has a typical switch current limit of 1.37 A. A fully integrated adjustable charge pump doubler or tripler provides the positive LCD gate drive voltage. An externally adjustable negative charge pump provides the negative gate drive voltage. Due to the high 1.6-MHz switching frequency of the charge pumps, inexpensive and small 220-nF capacitors can be used.
Additionally, the TPS6514x series has a system power good output to indicate when all supply rails are acceptable. For LCD panels powered by 5 V the device has a linear regulator controller using an external transistor to provide a regulated 3.3-V output for the digital circuits. For maximum safety, the TPS65140 and TPS65145 goes into shutdown as soon as one of the outputs is out of regulation. The device can be enabled again by toggling the input or the enable (EN) pin to GND. The TPS65141 does not enter shutdown when one of its outputs is below its power good threshold. |
TPS65142LCD Bias Solution For LCD Panels with 6ch WLED Driver | Power Management (PMIC) | 1 | Active | The TPS65142 provides a compact solution to the bias power and the WLED backlight in note-pc TFT-LCD panels. The device features a boost converter, a positive charge pump regulator, and a negative charge pump regulator to power the source drivers and the gate drivers. A 150 mA unity-gain high-speed buffer is offered to drive the VCOM plane. Gate voltage shaping and the LCD discharge function are offered to improve the image quality. A reset function allows a proper reset of the TCON at the power on. The TPS65142 also offers the complete solution to driver up to 6 chains of WLEDs with 1000:1 ratio PWM dimming.
All features are integrated in a compact 6 × 3 mm2Thin QFN package.
The TPS65142 provides a compact solution to the bias power and the WLED backlight in note-pc TFT-LCD panels. The device features a boost converter, a positive charge pump regulator, and a negative charge pump regulator to power the source drivers and the gate drivers. A 150 mA unity-gain high-speed buffer is offered to drive the VCOM plane. Gate voltage shaping and the LCD discharge function are offered to improve the image quality. A reset function allows a proper reset of the TCON at the power on. The TPS65142 also offers the complete solution to driver up to 6 chains of WLEDs with 1000:1 ratio PWM dimming.
All features are integrated in a compact 6 × 3 mm2Thin QFN package. |
| Power Management - Specialized | 1 | Unknown | |
TPS65145-Q14-CH LCD Bias w/ Fully Int. Pos. Charge Pump, 3.3V LDO Contr., 0.96A Min. Boost Ilim & Fault Detect | Power Management - Specialized | 3 | Active | The TPS6514x series offers a compact and small power supply solution to provide all three voltages required by thin film transistor (TFT) LCD displays. The auxiliary linear regulator controller can be used to generate a 3.3-V logic power rail for systems powered by a 5-V supply rail only.
The main output VO1is a 1.6-MHz fixed frequency PWM boost converter providing the source drive voltage for the LCD display. The device is available in two versions with different internal switch current limits to allow the use of a smaller external inductor when lower output power is required. The TPS65140 and TPS65141 has a typical switch current limit of 2.3 A and the TPS65145 has a typical switch current limit of 1.37 A. A fully integrated adjustable charge pump doubler or tripler provides the positive LCD gate drive voltage. An externally adjustable negative charge pump provides the negative gate drive voltage. Due to the high 1.6-MHz switching frequency of the charge pumps, inexpensive and small 220-nF capacitors can be used.
Additionally, the TPS6514x series has a system power good output to indicate when all supply rails are acceptable. For LCD panels powered by 5 V the device has a linear regulator controller using an external transistor to provide a regulated 3.3-V output for the digital circuits. For maximum safety, the TPS65140 and TPS65145 goes into shutdown as soon as one of the outputs is out of regulation. The device can be enabled again by toggling the input or the enable (EN) pin to GND. The TPS65141 does not enter shutdown when one of its outputs is below its power good threshold.
The TPS6514x series offers a compact and small power supply solution to provide all three voltages required by thin film transistor (TFT) LCD displays. The auxiliary linear regulator controller can be used to generate a 3.3-V logic power rail for systems powered by a 5-V supply rail only.
The main output VO1is a 1.6-MHz fixed frequency PWM boost converter providing the source drive voltage for the LCD display. The device is available in two versions with different internal switch current limits to allow the use of a smaller external inductor when lower output power is required. The TPS65140 and TPS65141 has a typical switch current limit of 2.3 A and the TPS65145 has a typical switch current limit of 1.37 A. A fully integrated adjustable charge pump doubler or tripler provides the positive LCD gate drive voltage. An externally adjustable negative charge pump provides the negative gate drive voltage. Due to the high 1.6-MHz switching frequency of the charge pumps, inexpensive and small 220-nF capacitors can be used.
Additionally, the TPS6514x series has a system power good output to indicate when all supply rails are acceptable. For LCD panels powered by 5 V the device has a linear regulator controller using an external transistor to provide a regulated 3.3-V output for the digital circuits. For maximum safety, the TPS65140 and TPS65145 goes into shutdown as soon as one of the outputs is out of regulation. The device can be enabled again by toggling the input or the enable (EN) pin to GND. The TPS65141 does not enter shutdown when one of its outputs is below its power good threshold. |
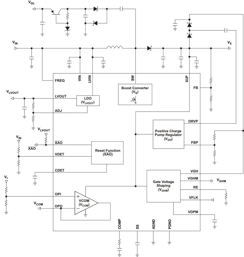
TPS651463-CH LCD Bias w/ LDO, GPM, VCOM Buffer & Reset IC | Power Management (PMIC) | 1 | Active | The TPS65146 offers a very compact power supply solution designed to supply the LCD bias voltages required by TFT (Thin Film Transistor) LCD panels running from a typical 3.3 V or 5 V supply rail. The device integrates a step-up converter for VS(Source Driver voltage), a positive charge pump regulator for VGH(Gate Driver High voltage), a logic voltage rail using an integrated LDO and a Vcom buffer driving the LCD backplane. In addition to that, a gate voltage shaping block is integrated for VGH, modulating the signal (into VGHM) with high flexibility by using a logic input VFLK and an external discharge resistor connected to RE pin. Also, an external discrete negative charge pump can be set using the boost converter of the TPS65146 to generate VGL(Gate Driver Low voltage). The integrated reset function together with the LCD discharge function available in the TPS65146 provide the signals enabling the discharge of the LCD TFT pixels when powering-off. The device includes safety features like overvoltage protection (OVP), as well as thermal shutdown.
The TPS65146 offers a very compact power supply solution designed to supply the LCD bias voltages required by TFT (Thin Film Transistor) LCD panels running from a typical 3.3 V or 5 V supply rail. The device integrates a step-up converter for VS(Source Driver voltage), a positive charge pump regulator for VGH(Gate Driver High voltage), a logic voltage rail using an integrated LDO and a Vcom buffer driving the LCD backplane. In addition to that, a gate voltage shaping block is integrated for VGH, modulating the signal (into VGHM) with high flexibility by using a logic input VFLK and an external discharge resistor connected to RE pin. Also, an external discrete negative charge pump can be set using the boost converter of the TPS65146 to generate VGL(Gate Driver Low voltage). The integrated reset function together with the LCD discharge function available in the TPS65146 provide the signals enabling the discharge of the LCD TFT pixels when powering-off. The device includes safety features like overvoltage protection (OVP), as well as thermal shutdown. |
| Special Purpose Regulators | 2 | Active | |
TPS65150-Q1Automotive, compact LCD bias Power Supply with integrated VCOM Buffer | Evaluation Boards | 5 | Active | The TPS65150-Q1 is an integrated power-supply for automotive LCD applications. The device integrates a boost converter for the source voltage and two regulated adjustable charge pump drivers for the gate voltages. For reduced external cost, improved picture quality and reduced image sticking, the device includes a VCOM buffer and a gate-voltage shaping function.
The device is designed to operate from a supply voltage of 1.8 V to 6 V making it ideal for automotive LCD applications using a fixed 3.3 V or 5 V input-voltage rail.
Adjustable power-on sequencing for VGL and VGH allow the device to be optimized for a variety of displays.
For protection from system malfunction, the TPS65150-Q1 integrates an adjustable shutdown latch feature. The device monitors the outputs (V(VS), V(VGL), V(VGH)); and, as soon as one of the outputs falls below its power-good threshold for longer than the adjustable fault delay time, the device enters shutdown.
The TPS65150-Q1 is an integrated power-supply for automotive LCD applications. The device integrates a boost converter for the source voltage and two regulated adjustable charge pump drivers for the gate voltages. For reduced external cost, improved picture quality and reduced image sticking, the device includes a VCOM buffer and a gate-voltage shaping function.
The device is designed to operate from a supply voltage of 1.8 V to 6 V making it ideal for automotive LCD applications using a fixed 3.3 V or 5 V input-voltage rail.
Adjustable power-on sequencing for VGL and VGH allow the device to be optimized for a variety of displays.
For protection from system malfunction, the TPS65150-Q1 integrates an adjustable shutdown latch feature. The device monitors the outputs (V(VS), V(VGL), V(VGH)); and, as soon as one of the outputs falls below its power-good threshold for longer than the adjustable fault delay time, the device enters shutdown. |