| Power Management (PMIC) | 3 | Active | |
TPS650735-Channel Power Management IC (PMIC) with 3 DC/DCs, 2 LDOs in 6x6mm QFN | Power Management (PMIC) | 2 | Active | The TPS6507x family of devices are single-chip power management ICs (PMICs) for portable applications consisting of a battery charger with power path management for a single Li-Ion or Li-Polymer cell. The charger can either be supplied by a USB port on pinUSBor by a DC voltage from a wall adapter connected to pinAC. Three highly efficient 2.25-MHz step-down converters are targeted at providing the core voltage, memory, and I/O voltage in a processor-based system. The step-down converters enter a low power mode at light load for maximum efficiency across the widest possible range of load currents.
For low noise applications the devices can be forced into fixed-frequency PWM using the I2C interface. The step-down converters allow the use of small inductors and capacitors to achieve a small solution size. The TPS6507x devices also integrate two general purpose LDOs for an output current of 200 mA. These LDOs can be used to power an SD-card interface and analways-onrail, but can be used for other purposes as well. Each LDO operates with an input voltage range from 1.8 V to 6.3 V allowing them to be supplied from one of the step-down converters or directly from the main battery. An inductive boost converter with two programmable current sinks power two strings of white LEDs.
The TPS6507x devices come in a 48-pin leadless package (6-mm × 6-mm VQFN) with a 0.4-mm pitch.
The TPS6507x family of devices are single-chip power management ICs (PMICs) for portable applications consisting of a battery charger with power path management for a single Li-Ion or Li-Polymer cell. The charger can either be supplied by a USB port on pinUSBor by a DC voltage from a wall adapter connected to pinAC. Three highly efficient 2.25-MHz step-down converters are targeted at providing the core voltage, memory, and I/O voltage in a processor-based system. The step-down converters enter a low power mode at light load for maximum efficiency across the widest possible range of load currents.
For low noise applications the devices can be forced into fixed-frequency PWM using the I2C interface. The step-down converters allow the use of small inductors and capacitors to achieve a small solution size. The TPS6507x devices also integrate two general purpose LDOs for an output current of 200 mA. These LDOs can be used to power an SD-card interface and analways-onrail, but can be used for other purposes as well. Each LDO operates with an input voltage range from 1.8 V to 6.3 V allowing them to be supplied from one of the step-down converters or directly from the main battery. An inductive boost converter with two programmable current sinks power two strings of white LEDs.
The TPS6507x devices come in a 48-pin leadless package (6-mm × 6-mm VQFN) with a 0.4-mm pitch. |
TPS6507315-Channel Power Management IC (PMIC) with three DC/DCs, two LDOs in 6x6mm QFN | Integrated Circuits (ICs) | 2 | Active | The TPS6507x family of devices are single-chip power management ICs (PMICs) for portable applications consisting of a battery charger with power path management for a single Li-Ion or Li-Polymer cell. The charger can either be supplied by a USB port on pinUSBor by a DC voltage from a wall adapter connected to pinAC. Three highly efficient 2.25-MHz step-down converters are targeted at providing the core voltage, memory, and I/O voltage in a processor-based system. The step-down converters enter a low power mode at light load for maximum efficiency across the widest possible range of load currents.
For low noise applications the devices can be forced into fixed-frequency PWM using the I2C interface. The step-down converters allow the use of small inductors and capacitors to achieve a small solution size. The TPS6507x devices also integrate two general purpose LDOs for an output current of 200 mA. These LDOs can be used to power an SD-card interface and analways-onrail, but can be used for other purposes as well. Each LDO operates with an input voltage range from 1.8 V to 6.3 V allowing them to be supplied from one of the step-down converters or directly from the main battery. An inductive boost converter with two programmable current sinks power two strings of white LEDs.
The TPS6507x devices come in a 48-pin leadless package (6-mm × 6-mm VQFN) with a 0.4-mm pitch.
The TPS6507x family of devices are single-chip power management ICs (PMICs) for portable applications consisting of a battery charger with power path management for a single Li-Ion or Li-Polymer cell. The charger can either be supplied by a USB port on pinUSBor by a DC voltage from a wall adapter connected to pinAC. Three highly efficient 2.25-MHz step-down converters are targeted at providing the core voltage, memory, and I/O voltage in a processor-based system. The step-down converters enter a low power mode at light load for maximum efficiency across the widest possible range of load currents.
For low noise applications the devices can be forced into fixed-frequency PWM using the I2C interface. The step-down converters allow the use of small inductors and capacitors to achieve a small solution size. The TPS6507x devices also integrate two general purpose LDOs for an output current of 200 mA. These LDOs can be used to power an SD-card interface and analways-onrail, but can be used for other purposes as well. Each LDO operates with an input voltage range from 1.8 V to 6.3 V allowing them to be supplied from one of the step-down converters or directly from the main battery. An inductive boost converter with two programmable current sinks power two strings of white LEDs.
The TPS6507x devices come in a 48-pin leadless package (6-mm × 6-mm VQFN) with a 0.4-mm pitch. |
TPS6507325-Channel Power Management IC (PMIC) with 3 DC/DCs, 2 LDOs in 6x6mm QFN | Integrated Circuits (ICs) | 2 | Active | The TPS6507x family of devices are single-chip power management ICs (PMICs) for portable applications consisting of a battery charger with power path management for a single Li-Ion or Li-Polymer cell. The charger can either be supplied by a USB port on pinUSBor by a DC voltage from a wall adapter connected to pinAC. Three highly efficient 2.25-MHz step-down converters are targeted at providing the core voltage, memory, and I/O voltage in a processor-based system. The step-down converters enter a low power mode at light load for maximum efficiency across the widest possible range of load currents.
For low noise applications the devices can be forced into fixed-frequency PWM using the I2C interface. The step-down converters allow the use of small inductors and capacitors to achieve a small solution size. The TPS6507x devices also integrate two general purpose LDOs for an output current of 200 mA. These LDOs can be used to power an SD-card interface and analways-onrail, but can be used for other purposes as well. Each LDO operates with an input voltage range from 1.8 V to 6.3 V allowing them to be supplied from one of the step-down converters or directly from the main battery. An inductive boost converter with two programmable current sinks power two strings of white LEDs.
The TPS6507x devices come in a 48-pin leadless package (6-mm × 6-mm VQFN) with a 0.4-mm pitch.
The TPS6507x family of devices are single-chip power management ICs (PMICs) for portable applications consisting of a battery charger with power path management for a single Li-Ion or Li-Polymer cell. The charger can either be supplied by a USB port on pinUSBor by a DC voltage from a wall adapter connected to pinAC. Three highly efficient 2.25-MHz step-down converters are targeted at providing the core voltage, memory, and I/O voltage in a processor-based system. The step-down converters enter a low power mode at light load for maximum efficiency across the widest possible range of load currents.
For low noise applications the devices can be forced into fixed-frequency PWM using the I2C interface. The step-down converters allow the use of small inductors and capacitors to achieve a small solution size. The TPS6507x devices also integrate two general purpose LDOs for an output current of 200 mA. These LDOs can be used to power an SD-card interface and analways-onrail, but can be used for other purposes as well. Each LDO operates with an input voltage range from 1.8 V to 6.3 V allowing them to be supplied from one of the step-down converters or directly from the main battery. An inductive boost converter with two programmable current sinks power two strings of white LEDs.
The TPS6507x devices come in a 48-pin leadless package (6-mm × 6-mm VQFN) with a 0.4-mm pitch. |
| Power Management (PMIC) | 1 | Obsolete | |
| Power Management (PMIC) | 4 | Active | |
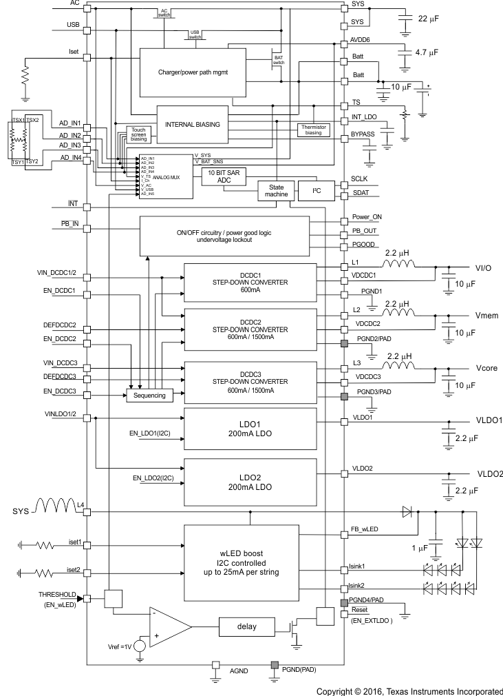
TPS650860Configurable multi-rail PMIC for 2S & 3S Li-ion battery-operated devices or non battery operated | Development Boards, Kits, Programmers | 3 | Active | The TPS650860 device is a single-chip power-management IC designed for multicore processors, FPGAs, and other System-on-Chips (SoCs). The TPS650860 offers an input range of 5.6 V to 21 V, enabling a wide range of applications. The device is well suited for NVDC and non-NVDC power architecture using 2S, 3S, or 4S Li-Ion battery packs. See theApplication Sectionfor 5-V input supplies. The D-CAP2 and DCS-Control high-frequency voltage regulators use small inductors and capacitors to achieve a small solution size. The D-CAP2 and DCS-Control topologies have excellent transient response performance, which is great for processor core and system memory rails that have fast load switching. An I2C interface allows simple control either by an embedded controller (EC) or by an SoC. The PMIC comes in an 8-mm × 8-mm, single-row VQFN package with thermal pad for good thermal dissipation and ease of board routing.
The TPS650860 device is a single-chip power-management IC designed for multicore processors, FPGAs, and other System-on-Chips (SoCs). The TPS650860 offers an input range of 5.6 V to 21 V, enabling a wide range of applications. The device is well suited for NVDC and non-NVDC power architecture using 2S, 3S, or 4S Li-Ion battery packs. See theApplication Sectionfor 5-V input supplies. The D-CAP2 and DCS-Control high-frequency voltage regulators use small inductors and capacitors to achieve a small solution size. The D-CAP2 and DCS-Control topologies have excellent transient response performance, which is great for processor core and system memory rails that have fast load switching. An I2C interface allows simple control either by an embedded controller (EC) or by an SoC. The PMIC comes in an 8-mm × 8-mm, single-row VQFN package with thermal pad for good thermal dissipation and ease of board routing. |
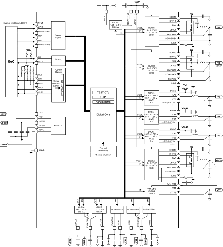
TPS65086100User programmable 3 converter, 3 controller, 4 LDO, & 3 load switch Power Management IC (PMIC) | Special Purpose Regulators | 2 | Active | The TPS650861 device family is a single-chip power-management IC (PMIC) designed to be programmed for optimal output voltages and sequencing. The TPS650861 has three controllers to provide flexible power capable of up to 30A with large external FETs for high power designs but which can scale down in both size and cost for smaller designs. Combined with three 3A converters, three general purpose LDOs, a termination LDO for DDR, and three load switches, the TPS650861 can provide system power for a wide variety of applications. The D-CAP2™ and DCS-Control high-frequency voltage regulators use small passives to achieve a small solution size. The D-CAP2 and DCS-Control topologies have excellent transient response performance, ideal for processor core and system memory rails that have fast load switching. The device has two banks of one-time programmable (OTP) memory. For large volume opportunities, please contact a local TI sales representative to determine if use of TI’s manufacturing for a custom OTP is available. Third party distributors may also support programming of the TPS650861.
The TPS650861 device family is a single-chip power-management IC (PMIC) designed to be programmed for optimal output voltages and sequencing. The TPS650861 has three controllers to provide flexible power capable of up to 30A with large external FETs for high power designs but which can scale down in both size and cost for smaller designs. Combined with three 3A converters, three general purpose LDOs, a termination LDO for DDR, and three load switches, the TPS650861 can provide system power for a wide variety of applications. The D-CAP2™ and DCS-Control high-frequency voltage regulators use small passives to achieve a small solution size. The D-CAP2 and DCS-Control topologies have excellent transient response performance, ideal for processor core and system memory rails that have fast load switching. The device has two banks of one-time programmable (OTP) memory. For large volume opportunities, please contact a local TI sales representative to determine if use of TI’s manufacturing for a custom OTP is available. Third party distributors may also support programming of the TPS650861. |
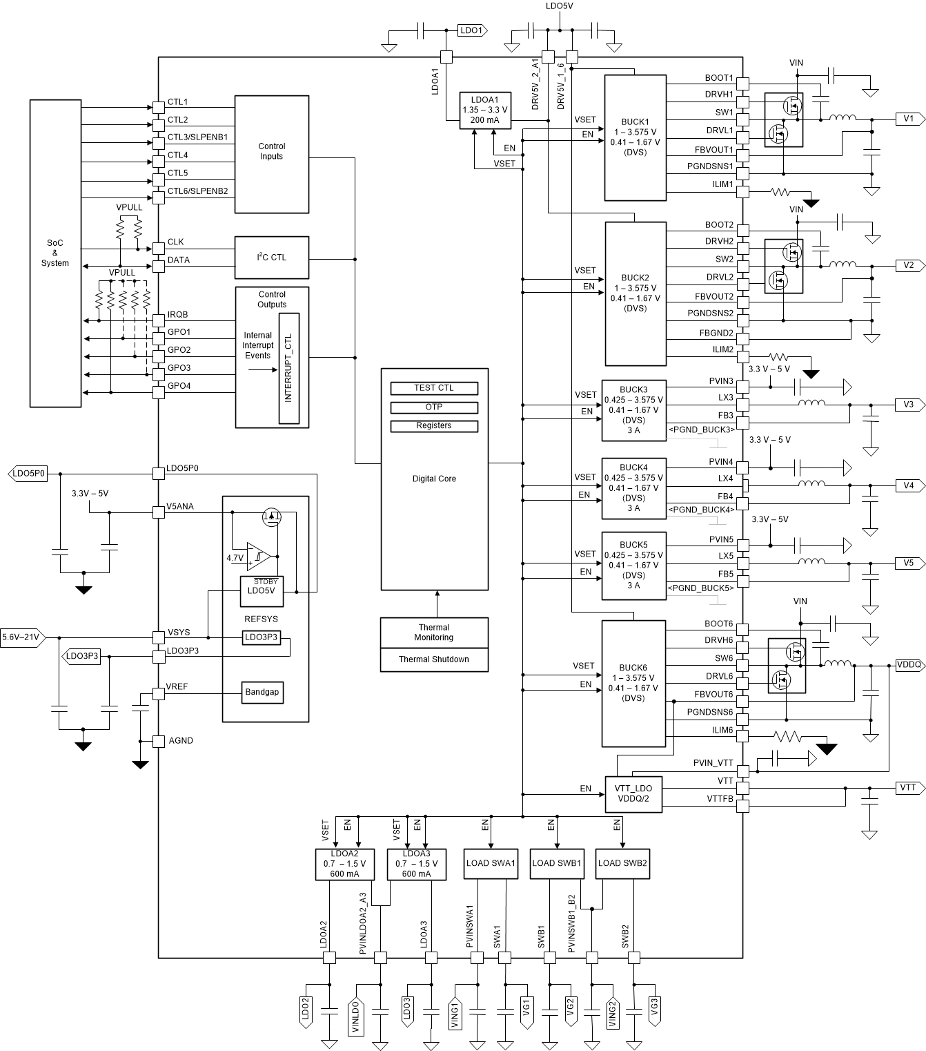
TPS65086401Configurable multi-rail PMIC for Xilinx MPSoCs and FPGAs | Evaluation and Demonstration Boards and Kits | 17 | Active | The TPS650864 device family is a single-chip power-management IC (PMIC) designed for Xilinx Zynq multiprocessor system-on-chip (MPSoCs) and field programmable gate array (FPGA) families. The TPS650864 offers an input range of 5.6V to 21V, enabling a wide range of applications (see the Device Comparison Table). The device is targeted for wall-powered applications or 2S, 3S, or 4S Li-Ion battery packs (NVDC or non-NVDC power architectures). See the Typical Application section for 5V input supplies. The D-CAP2 and DCS-Control high-frequency voltage regulators use small passives to achieve a small solution size. The D-CAP2 and DCS-Control topologies have excellent transient response performance, ideal for processor core and system memory rails that have fast load switching. An I2C interface allows simple control either by an embedded controller (EC) or by an SoC. The PMIC comes in an 8mm × 8mm, single-row VQFN package with thermal pad for good thermal dissipation.
The TPS650864 device family is a single-chip power-management IC (PMIC) designed for Xilinx Zynq multiprocessor system-on-chip (MPSoCs) and field programmable gate array (FPGA) families. The TPS650864 offers an input range of 5.6V to 21V, enabling a wide range of applications (see the Device Comparison Table). The device is targeted for wall-powered applications or 2S, 3S, or 4S Li-Ion battery packs (NVDC or non-NVDC power architectures). See the Typical Application section for 5V input supplies. The D-CAP2 and DCS-Control high-frequency voltage regulators use small passives to achieve a small solution size. The D-CAP2 and DCS-Control topologies have excellent transient response performance, ideal for processor core and system memory rails that have fast load switching. An I2C interface allows simple control either by an embedded controller (EC) or by an SoC. The PMIC comes in an 8mm × 8mm, single-row VQFN package with thermal pad for good thermal dissipation. |
TPS65086470Configurable multi-rail PMIC for Xilinx MPSoCs and FPGAs | Special Purpose Regulators | 2 | Active | The TPS650864 device family is a single-chip power-management IC (PMIC) designed for Xilinx Zynq multiprocessor system-on-chip (MPSoCs) and field programmable gate array (FPGA) families. The TPS650864 offers an input range of 5.6V to 21V, enabling a wide range of applications (see the Device Comparison Table). The device is targeted for wall-powered applications or 2S, 3S, or 4S Li-Ion battery packs (NVDC or non-NVDC power architectures). See the Typical Application section for 5V input supplies. The D-CAP2 and DCS-Control high-frequency voltage regulators use small passives to achieve a small solution size. The D-CAP2 and DCS-Control topologies have excellent transient response performance, ideal for processor core and system memory rails that have fast load switching. An I2C interface allows simple control either by an embedded controller (EC) or by an SoC. The PMIC comes in an 8mm × 8mm, single-row VQFN package with thermal pad for good thermal dissipation.
The TPS650864 device family is a single-chip power-management IC (PMIC) designed for Xilinx Zynq multiprocessor system-on-chip (MPSoCs) and field programmable gate array (FPGA) families. The TPS650864 offers an input range of 5.6V to 21V, enabling a wide range of applications (see the Device Comparison Table). The device is targeted for wall-powered applications or 2S, 3S, or 4S Li-Ion battery packs (NVDC or non-NVDC power architectures). See the Typical Application section for 5V input supplies. The D-CAP2 and DCS-Control high-frequency voltage regulators use small passives to achieve a small solution size. The D-CAP2 and DCS-Control topologies have excellent transient response performance, ideal for processor core and system memory rails that have fast load switching. An I2C interface allows simple control either by an embedded controller (EC) or by an SoC. The PMIC comes in an 8mm × 8mm, single-row VQFN package with thermal pad for good thermal dissipation. |