| Logic | 1 | Active | The SN74LVCZ161284A is designed for 3-V to 3.6-V VCCoperation. This device provides asynchronous two-way communication between data buses. The control-function implementation minimizes external timing requirements.
This device has eight bidirectional bits; data can flow in the A-to-B direction when the direction-control input (DIR) is high, and in the B-to-A direction when DIR is low. This device also has five drivers that drive the cable side, and four receivers. The SN74LVCZ161284A has one receiver dedicated to the HOST LOGIC line and a driver to drive the PERI LOGIC line.
The output drive mode is determined by the high-drive (HD) control pin. When HD is high, the outputs are in a totem-pole configuration, and in an open-drain configuration when HD is low. This meets the drive requirements as specified in the IEEE Std 1284-I (level-1 type) and IEEE Std 1284-II (level-2 type) parallel peripheral-interface specifications. Except for HOST LOGIC IN and peripheral logic out (PERI LOGIC OUT), all cable-side pins have a 1.4-kintegrated pullup resistor. The pullup resistor is switched off if the associated output driver is in the low state or if the output voltage is above VCCCABLE. If VCCCABLE is off, PERI LOGIC OUT is set to low.
The device has two supply voltages. VCCis designed for 3-V to 3.6-V operation. VCCCABLE supplies the inputs and output buffers of the cable side only and is designed for 3-V to 3.6-V and for 4.7-V to 5.5-V operation. Even when VCCCABLE is 3 V to 3.6 V, the cable-side I/O pins are 5-V tolerant.
The Power-On Reset (POR) ensures that the Y outputs (Y9–Y13) stay in the high state after power on until an associated input (A9–A13) goes high. When an associated input goes high, all Y outputs are activated, and noninverting signals of the associated inputs are driven through Y outputs. This special feature prevents printer system errors caused by deasserting the BUSY signal in the cable at power on.
The SN74LVCZ161284A is designed for 3-V to 3.6-V VCCoperation. This device provides asynchronous two-way communication between data buses. The control-function implementation minimizes external timing requirements.
This device has eight bidirectional bits; data can flow in the A-to-B direction when the direction-control input (DIR) is high, and in the B-to-A direction when DIR is low. This device also has five drivers that drive the cable side, and four receivers. The SN74LVCZ161284A has one receiver dedicated to the HOST LOGIC line and a driver to drive the PERI LOGIC line.
The output drive mode is determined by the high-drive (HD) control pin. When HD is high, the outputs are in a totem-pole configuration, and in an open-drain configuration when HD is low. This meets the drive requirements as specified in the IEEE Std 1284-I (level-1 type) and IEEE Std 1284-II (level-2 type) parallel peripheral-interface specifications. Except for HOST LOGIC IN and peripheral logic out (PERI LOGIC OUT), all cable-side pins have a 1.4-kintegrated pullup resistor. The pullup resistor is switched off if the associated output driver is in the low state or if the output voltage is above VCCCABLE. If VCCCABLE is off, PERI LOGIC OUT is set to low.
The device has two supply voltages. VCCis designed for 3-V to 3.6-V operation. VCCCABLE supplies the inputs and output buffers of the cable side only and is designed for 3-V to 3.6-V and for 4.7-V to 5.5-V operation. Even when VCCCABLE is 3 V to 3.6 V, the cable-side I/O pins are 5-V tolerant.
The Power-On Reset (POR) ensures that the Y outputs (Y9–Y13) stay in the high state after power on until an associated input (A9–A13) goes high. When an associated input goes high, all Y outputs are activated, and noninverting signals of the associated inputs are driven through Y outputs. This special feature prevents printer system errors caused by deasserting the BUSY signal in the cable at power on. |
| Integrated Circuits (ICs) | 5 | Active | This 16-bit buffer/driver is designed for 2.7-V to 3.6-V VCCoperation.
The SN74LVCZ16240A is designed specifically to improve both the performance and density of 3-state memory address drivers, clock drivers, and bus-oriented receivers and transmitters.
The device can be used as four 4-bit buffers, two 8-bit buffers, or one 16-bit buffer. This device provides inverting outputs.
Inputs can be driven from either 3.3-V or 5-V devices. This feature allows the use of these devices as translators in a mixed 3.3-V/5-V system environment.
During power up or power down when VCCis between 0 and 1.5 V, the device is in the high-impedance state. However, to ensure the high-impedance state above 1.5 V, OE\ should be tied to VCCthrough a pullup resistor; the minimum value of the resistor is determined by the current-sinking capability of the driver.
This device is fully specified for hot-insertion applications using Ioffand power-up 3-state. The Ioffcircuitry disables the outputs, preventing damaging current backflow through the device when it is powered down (VCC= 0 V). The power-up 3-state circuitry places the outputs in the high-impedance state during power up and power down, which prevents driver conflict.
This 16-bit buffer/driver is designed for 2.7-V to 3.6-V VCCoperation.
The SN74LVCZ16240A is designed specifically to improve both the performance and density of 3-state memory address drivers, clock drivers, and bus-oriented receivers and transmitters.
The device can be used as four 4-bit buffers, two 8-bit buffers, or one 16-bit buffer. This device provides inverting outputs.
Inputs can be driven from either 3.3-V or 5-V devices. This feature allows the use of these devices as translators in a mixed 3.3-V/5-V system environment.
During power up or power down when VCCis between 0 and 1.5 V, the device is in the high-impedance state. However, to ensure the high-impedance state above 1.5 V, OE\ should be tied to VCCthrough a pullup resistor; the minimum value of the resistor is determined by the current-sinking capability of the driver.
This device is fully specified for hot-insertion applications using Ioffand power-up 3-state. The Ioffcircuitry disables the outputs, preventing damaging current backflow through the device when it is powered down (VCC= 0 V). The power-up 3-state circuitry places the outputs in the high-impedance state during power up and power down, which prevents driver conflict. |
| Buffers, Drivers, Receivers, Transceivers | 4 | Active | This 16-bit buffer/driver is designed for 2.7-V to 3.6-V VCCoperation.
The SN74LVCZ16244A is designed specifically to improve the performance and density of 3-state memory address drivers, clock drivers, and bus-oriented receivers and transmitters.
The device can be used as four 4-bit buffers, two 8-bit buffers, or one 16-bit buffer. It provides true outputs.
Inputs can be driven from either 3.3-V or 5-V devices. This feature allows the use of these devices as translators in a mixed 3.3-V/5-V system environment.
During power up or power down when VCCis between 0 and 1.5 V, the device is in the high-impedance state. However, to ensure the high-impedance state above 1.5 V, OE\ should be tied to VCCthrough a pullup resistor; the minimum value of the resistor is determined by the current-sinking capability of the driver.
This device is fully specified for hot-insertion applications using Ioffand power-up 3-state. The Ioffcircuitry disables the outputs, preventing damaging current backflow through the device when it is powered down (VCC= 0 V). The power-up 3-state circuitry places the outputs in the high-impedance state during power up and power down, which prevents driver conflict.
This 16-bit buffer/driver is designed for 2.7-V to 3.6-V VCCoperation.
The SN74LVCZ16244A is designed specifically to improve the performance and density of 3-state memory address drivers, clock drivers, and bus-oriented receivers and transmitters.
The device can be used as four 4-bit buffers, two 8-bit buffers, or one 16-bit buffer. It provides true outputs.
Inputs can be driven from either 3.3-V or 5-V devices. This feature allows the use of these devices as translators in a mixed 3.3-V/5-V system environment.
During power up or power down when VCCis between 0 and 1.5 V, the device is in the high-impedance state. However, to ensure the high-impedance state above 1.5 V, OE\ should be tied to VCCthrough a pullup resistor; the minimum value of the resistor is determined by the current-sinking capability of the driver.
This device is fully specified for hot-insertion applications using Ioffand power-up 3-state. The Ioffcircuitry disables the outputs, preventing damaging current backflow through the device when it is powered down (VCC= 0 V). The power-up 3-state circuitry places the outputs in the high-impedance state during power up and power down, which prevents driver conflict. |
| Integrated Circuits (ICs) | 4 | Active | This 16-bit (dual-octal) noninverting bus transceiver is designed for 2.7-V to 3.6-V VCCoperation.
The SN74LVCZ16245A is designed for asynchronous communication between data buses. The control-function implementation minimizes external timing requirements.
This device can be used as two 8-bit transceivers or one 16-bit transceiver. It allows data transmission from the A bus to the B bus or from the B bus to the A bus, depending on the logic level at the direction-control (DIR) input. The output-enable (OE)\ input can be used to disable the device so that the buses are effectively isolated.
Inputs can be driven from either 3.3-V or 5-V devices. This feature allows the use of these devices as translators in a mixed 3.3-V/5-V system environment.
When VCCis between 0 and 1.5 V, the device is in the high-impedance state during power up or power down. However, to ensure the high-impedance state above 1.5 V, OE\ should be tied to VCCthrough a pullup resistor; the minimum value of the resistor is determined by the current-sinking capability of the driver.
This device is fully specified for hot-insertion applications using Ioffand power-up 3-state. The Ioffcircuitry disables the outputs, preventing damaging current backflow through the device when it is powered down. The power-up 3-state circuitry places the outputs in the high-impedance state during power up and power down, which prevents driver conflict.
This 16-bit (dual-octal) noninverting bus transceiver is designed for 2.7-V to 3.6-V VCCoperation.
The SN74LVCZ16245A is designed for asynchronous communication between data buses. The control-function implementation minimizes external timing requirements.
This device can be used as two 8-bit transceivers or one 16-bit transceiver. It allows data transmission from the A bus to the B bus or from the B bus to the A bus, depending on the logic level at the direction-control (DIR) input. The output-enable (OE)\ input can be used to disable the device so that the buses are effectively isolated.
Inputs can be driven from either 3.3-V or 5-V devices. This feature allows the use of these devices as translators in a mixed 3.3-V/5-V system environment.
When VCCis between 0 and 1.5 V, the device is in the high-impedance state during power up or power down. However, to ensure the high-impedance state above 1.5 V, OE\ should be tied to VCCthrough a pullup resistor; the minimum value of the resistor is determined by the current-sinking capability of the driver.
This device is fully specified for hot-insertion applications using Ioffand power-up 3-state. The Ioffcircuitry disables the outputs, preventing damaging current backflow through the device when it is powered down. The power-up 3-state circuitry places the outputs in the high-impedance state during power up and power down, which prevents driver conflict. |
SN74LVCZ240A8-ch, 2.7-V to 3.6-V inverters with 3-state outputs | Buffers, Drivers, Receivers, Transceivers | 6 | Active | This octal buffer/driver is designed for 2.7-V to 3.6-V VCCoperation.
The SN74LVCZ240A is designed specifically to improve the performance and density of 3-state memory address drivers, clock drivers, and bus-oriented receivers and transmitters.
This device is organized as two 4-bit buffers/drivers with separate output-enable (OE)\ inputs. When OE\ is low, the device passes data from the A inputs to the Y outputs. When OE\ is high, the outputs are in the high-impedance state.
Inputs can be driven from either 3.3-V or 5-V devices. This feature allows the use of this device as a translator in a mixed 3.3-V/5-V system environment.
When VCCis between 0 and 1.5 V, the device is in the high-impedance state during power up or power down. However, to ensure the high-impedance state above 1.5 V, OE\ should be tied to VCCthrough a pullup resistor; the minimum value of the resistor is determined by the current-sinking capability of the driver.
This device is fully specified for hot-insertion applications using Ioffand power-up 3-state. The Ioffcircuitry disables the outputs, preventing damaging current backflow through the device when it is powered down. The power-up 3-state circuitry places the outputs in the high-impedance state during power up and power down, which prevents driver conflict.
This octal buffer/driver is designed for 2.7-V to 3.6-V VCCoperation.
The SN74LVCZ240A is designed specifically to improve the performance and density of 3-state memory address drivers, clock drivers, and bus-oriented receivers and transmitters.
This device is organized as two 4-bit buffers/drivers with separate output-enable (OE)\ inputs. When OE\ is low, the device passes data from the A inputs to the Y outputs. When OE\ is high, the outputs are in the high-impedance state.
Inputs can be driven from either 3.3-V or 5-V devices. This feature allows the use of this device as a translator in a mixed 3.3-V/5-V system environment.
When VCCis between 0 and 1.5 V, the device is in the high-impedance state during power up or power down. However, to ensure the high-impedance state above 1.5 V, OE\ should be tied to VCCthrough a pullup resistor; the minimum value of the resistor is determined by the current-sinking capability of the driver.
This device is fully specified for hot-insertion applications using Ioffand power-up 3-state. The Ioffcircuitry disables the outputs, preventing damaging current backflow through the device when it is powered down. The power-up 3-state circuitry places the outputs in the high-impedance state during power up and power down, which prevents driver conflict. |
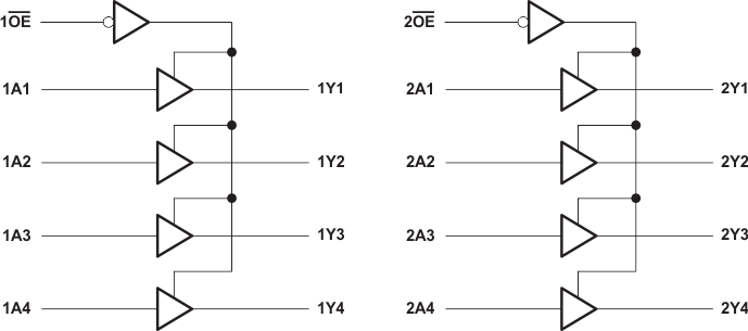
SN74LVCZ244A8-ch, 2.7-V to 3.6-V buffers with 3-state outputs | Integrated Circuits (ICs) | 7 | Active | This octal buffer/line driver is designed for 2.7-V to 3.6-V VCCoperation.
The SN74LVCZ244A device is organized as two 4-bit line drivers with separate output-enable (OE) inputs. WhenOEis low, the device passes data from the A inputs to the Y outputs. WhenOEis high, the outputs are in the high-impedance state.
This octal buffer/line driver is designed for 2.7-V to 3.6-V VCCoperation.
The SN74LVCZ244A device is organized as two 4-bit line drivers with separate output-enable (OE) inputs. WhenOEis low, the device passes data from the A inputs to the Y outputs. WhenOEis high, the outputs are in the high-impedance state. |
| Integrated Circuits (ICs) | 7 | Active | This octal bus transceiver is designed for 2.7-V to 3.6-V VCCoperation.
The SN74LVCZ245A is designed for asynchronous communication between data buses. The device transmits data from the A bus to the B bus or from the B bus to the A bus, depending on the logic level at the direction-control (DIR) input. The output-enable (OE)\ input can be used to disable the device so the buses are effectively isolated.
Inputs can be driven from either 3.3-V or 5-V devices. This feature allows the use of this device as a translator in a mixed 3.3-V/5-V system environment.
When VCCis between 0 and 1.5 V, the device is in the high-impedance state during power up or power down. However, to ensure the high-impedance state above 1.5 V, OE\ should be tied to VCCthrough a pullup resistor; the minimum value of the resistor is determined by the current-sinking capability of the driver.
This device is fully specified for hot-insertion applications using Ioffand power-up 3-state. The Ioffcircuitry disables the outputs, preventing damaging current backflow through the device when it is powered down. The power-up 3-state circuitry places the outputs in the high-impedance state during power up and power down, which prevents driver conflict.
This octal bus transceiver is designed for 2.7-V to 3.6-V VCCoperation.
The SN74LVCZ245A is designed for asynchronous communication between data buses. The device transmits data from the A bus to the B bus or from the B bus to the A bus, depending on the logic level at the direction-control (DIR) input. The output-enable (OE)\ input can be used to disable the device so the buses are effectively isolated.
Inputs can be driven from either 3.3-V or 5-V devices. This feature allows the use of this device as a translator in a mixed 3.3-V/5-V system environment.
When VCCis between 0 and 1.5 V, the device is in the high-impedance state during power up or power down. However, to ensure the high-impedance state above 1.5 V, OE\ should be tied to VCCthrough a pullup resistor; the minimum value of the resistor is determined by the current-sinking capability of the driver.
This device is fully specified for hot-insertion applications using Ioffand power-up 3-state. The Ioffcircuitry disables the outputs, preventing damaging current backflow through the device when it is powered down. The power-up 3-state circuitry places the outputs in the high-impedance state during power up and power down, which prevents driver conflict. |
| Flip Flops | 4 | Obsolete | |
SN74LVT125-Q1Automotive 4-ch, 2.7-V to 3.6-V buffers with bus-hold, TTL-compatible CMOS inputs and 3-state output | Logic | 13 | Active | This bus buffer is designed specifically for low-voltage (3.3-V) VCCoperation, but with the capability to provide a TTL interface to a 5-V system environment.
The SN74LVT125 features independent line drivers with 3-state outputs. Each output is in the high-impedance state when the associated output-enable (OE)\ input is high.
Active bus-hold circuitry holds unused or undriven inputs at a valid logic state. Use of pullup or pulldown resistors with the bus-hold circuitry is not recommended.
This device is fully specified for partial-power-down applications using Ioff. The Ioffcircuitry disables the outputs, preventing damaging current backflow through the device when it is powered down.
To ensure the high-impedance state during power up or power down, OE\ should be tied to VCCthrough a pullup resistor; the minimum value of the resistor is determined by the current-sinking capability of the driver.
This bus buffer is designed specifically for low-voltage (3.3-V) VCCoperation, but with the capability to provide a TTL interface to a 5-V system environment.
The SN74LVT125 features independent line drivers with 3-state outputs. Each output is in the high-impedance state when the associated output-enable (OE)\ input is high.
Active bus-hold circuitry holds unused or undriven inputs at a valid logic state. Use of pullup or pulldown resistors with the bus-hold circuitry is not recommended.
This device is fully specified for partial-power-down applications using Ioff. The Ioffcircuitry disables the outputs, preventing damaging current backflow through the device when it is powered down.
To ensure the high-impedance state during power up or power down, OE\ should be tied to VCCthrough a pullup resistor; the minimum value of the resistor is determined by the current-sinking capability of the driver. |
SN74LVT16224016-ch, 2.7-V to 3.6-V inverters with TTL-compatible CMOS inputs and 3-state outputs | Logic | 5 | Active | The 'LVT162240 devices are 16-bit buffers/drivers designed specifically for low-voltage (3.3-V) VCCoperation and to improve both the performance and density of 3-state memory address drivers, clock drivers, and bus-oriented receivers and transmitters. They have the capability to provide a TTL interface to a 5-V system environment.
These devices can be used as four 4-bit buffers, two 8-bit buffers, or one 16-bit buffer and provide inverting outputs and symmetrical active-low output-enable (OE) inputs.
The outputs, which are designed to source or sink up to 12 mA, include equivalent 22-series resistors to reduce overshoot and undershoot.
When VCC, is between 0 and 1.5 V, the devices are in the high-impedance state during power up or power down. However, to ensure the high-impedance state above 1.5 V,OEshould be tied to VCCthrough a pullup resistor; the minimum value of the resistor is determined by the current-sinking capability of the driver.
These devices are fully specified for hot-insertion applications using Ioffand power-up 3-state. The Ioffcircuitry disables the outputs, preventing damaging current backflow through the devices when they are powered down. The power-up 3-state circuitry places the outputs in the high-impedance state during power up and power down, which prevents driver conflict.
The SN54LVT162240 is characterized for operation over the full military temperature range of -55°C to 125°C. The SN74LVT162240 is characterized for operation from -40°C to 85°C.
The 'LVT162240 devices are 16-bit buffers/drivers designed specifically for low-voltage (3.3-V) VCCoperation and to improve both the performance and density of 3-state memory address drivers, clock drivers, and bus-oriented receivers and transmitters. They have the capability to provide a TTL interface to a 5-V system environment.
These devices can be used as four 4-bit buffers, two 8-bit buffers, or one 16-bit buffer and provide inverting outputs and symmetrical active-low output-enable (OE) inputs.
The outputs, which are designed to source or sink up to 12 mA, include equivalent 22-series resistors to reduce overshoot and undershoot.
When VCC, is between 0 and 1.5 V, the devices are in the high-impedance state during power up or power down. However, to ensure the high-impedance state above 1.5 V,OEshould be tied to VCCthrough a pullup resistor; the minimum value of the resistor is determined by the current-sinking capability of the driver.
These devices are fully specified for hot-insertion applications using Ioffand power-up 3-state. The Ioffcircuitry disables the outputs, preventing damaging current backflow through the devices when they are powered down. The power-up 3-state circuitry places the outputs in the high-impedance state during power up and power down, which prevents driver conflict.
The SN54LVT162240 is characterized for operation over the full military temperature range of -55°C to 125°C. The SN74LVT162240 is characterized for operation from -40°C to 85°C. |