A
Analog Devices
| Series | Category | # Parts | Status | Description |
|---|---|---|---|---|
| Part | Spec A | Spec B | Spec C | Spec D | Description |
|---|---|---|---|---|---|
| Series | Category | # Parts | Status | Description |
|---|---|---|---|---|
| Part | Spec A | Spec B | Spec C | Spec D | Description |
|---|---|---|---|---|---|
| Series | Category | # Parts | Status | Description |
|---|---|---|---|---|
| Clock/Timing | 2 | Obsolete | ||
HMC8342GaAs MMIC ×2 Active Frequency Multiplier, 22 GHz to 42 GHz Output | RF and Wireless | 1 | Active | The HMC8342 is a gallium arsenide (GaAs), monolithic microware integrated circuit (MMIC), ×2 active broadband frequency multiplier. When driven by a 5 dBm signal, the multiplier provides 15 dBm typical output power. The output frequency range is from 22 GHz to 42 GHz, and the input fundamental and third harmonic isolations measured at the output are −23 dBc and −20 dBc, respectively, at an output frequency of 30 GHz. The HMC8342 is ideal for use in LO multiplier chains for point to point and VSAT radios, resulting in a reduced parts count vs. traditional design approaches.APPLICATIONSClock generationPoint to point and very small aperture terminal (VSAT) radiosTest instrumentationMilitary and space |
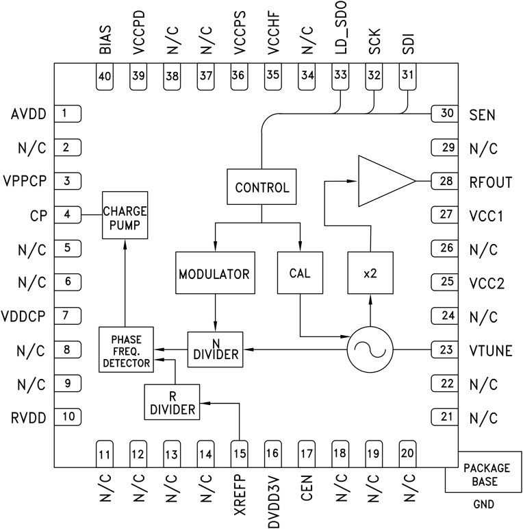
HMC835Wideband PLL+VCO, 33 - 4100 MHz, 4 Outputs | Evaluation and Demonstration Boards and Kits | 2 | Obsolete | The HMC835LP6GE is a low noise, wide band, Fractional-N PLL that features an integrated VCO with a fundamental frequency of 2020 to 4100 MHz, and an integrated VCO Output Divider (divide by 2/4/6/.../60/62) that together enable the HMC835LP6GE to generate frequencies from 33 MHz to 4100 MHz. Integrated Phase Detector (PD) and a deltasigma modulator capable of operating at up to 100 MHz enable wider loop-bandwidths, faster frequency changes along with excellent spectral performance.Two independent RF outputs, with independent gain control, enable the HMC835LP6GE to distribute identical frequency and phase signals to multiple destinations, at optimal signal levels tailored to each output.External VCO input, allows the HMC835LP6GE to lock external VCOs, and enables cascaded LO architectures for MIMO radio applications. Two separate Charge Pump (CP) outputs enable separate loop filters optimized for both integrated and external VCOs, and seamless switching between integrated or external VCOs during operation. Programmable RF output phase feature can further phase adjust and synchronize multiple HMC835LP6GEs enabling scalable MIMO and beam-forming radio architectures.Additional features include configurable output mute function that mutes RF outputs during frequency changes, Exact Frequency Mode that enables the HMC835LP6GE to generate fractional frequencies with 0 Hz frequency error, and the ability to synchronously change frequencies without changing the phase of the output signal.APPLICATIONSMIMO Radio ArchitecturesCellular InfrastructureCellular backhaulCommunications Test EquipmentCATV EquipmentPhased Array ApplicationsDDS Replacement |
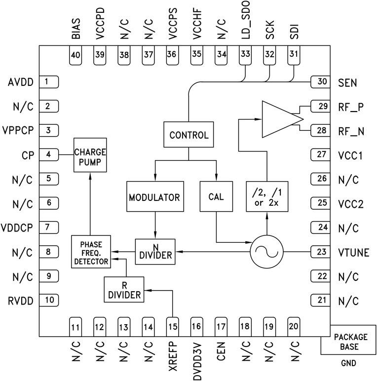
HMC836Fractional-N PLL with Integrated VCO SMT, 3365 - 3705 MHz | Clock/Timing | 2 | Obsolete | The HMC836LP6CE is a fully functioned Fractional-N Phase-Locked-Loop (PLL) with an Integrated Voltage Controlled Oscillator (VCO). The PLL consists of an integrated low noise VCO with x2 output, an autocalibration subsystem for low voltage VCO tuning, a very low noise digital Phase Detector (PD), a precision controlled charge pump, a low noise reference path divider and a fractional divider.The fractional PLL features an advanced delta-sigma modulator design that allows both fine step sizes and low spurious products. The phase detector (PD) features cycle slip prevention (CSP) technology to allow faster frequency hopping times. Ultra low in-close phase noise and low spurious also allows wider loop bandwidths for faster frequency hopping and low micro-phonicsFor theory of operation and register map refer to the "PLLs with Integrated VCO - RF VCOs" Operating Guide.APPLICATIONSCellular/4G InfrastructureRepeaters and FemtocellsCommunications Test EquipmentCATV EquipmentPhased Array ApplicationsDDS ReplacementVery High Data Rate Radios |
HMC836211.90 GHz to 18.30 GHz Quadband VCO | RF and Wireless | 1 | Active | The HMC8362 is a gallium arsenide (GaAs), quadband, monolithic microwave integrated circuit (MMIC), voltage controlled oscillator (VCO) designed to offer wideband capabilities without compromising on phase noise performance. The device integrates four independent, narrow-band VCOs with overlapping frequency bands, operating at a fundamental frequency range of 11.90 GHz to 18.30 GHz. The consistent tuning sensitivity across all frequency bands simplifies the synthesizer loop filter design.The tuning port is common to all VCO cores for a simpler design of the phase-locked loop (PLL) feedback path. The HMC8362 also offers a low typical current consumption of 72 mA for power sensitive applications.The HMC8362 integrates resonators, negative resistance devices, and varactor diodes. The monolithic structure of the oscillator offers very low phase noise, optimal temperature stability, and is immune to vibration and process variation.The four VCOs are packaged in a single, 6 mm × 6 mm, surface-mount lead frame chip scale package (LFCSP), and require no external matching components.Combined with a high frequency, high performance phase-locked loop (PLL), the ADF41513, the HMC8362 offers a complete RF or microwave frequency generation solution.APPLICATIONSElectronic test and measurementIndustrial and medical instrumentationPoint to point and multipoint radiosAerospace and defenseWireless communication infrastructure |
HMC837Fractional-N PLL with Integrated VCO SMT, 1.025 - 4.6 GHz | Integrated Circuits (ICs) | 1 | Obsolete | The HMC837LP6CE is a fully functioned Fractional-N Phase-Locked-Loop (PLL) Frequency Synthesizer with an Integrated Voltage Controlled Oscillator (VCO). The synthesizer consists of an integrated low noise VCO with a triband output, an autocalibration subsystem for low voltage VCO tuning, a very low noise digital Phase Detector (PD), a precision controlled charge pump, a low noise reference path divider and a fractional divider.The fractional synthesizer features an advanced delta-sigma modulator design that allows both ultra-fine step sizes and low spurious products. The phase detector (PD) features cycle slip prevention (CSP) technology to allow faster frequency hopping times. Ultra low in-close phase noise and low spurious also allows wider loop bandwidths for faster frequency hopping and low micro-phonics.For theory of operation and register map refer to the "PLLs with Integrated VCO - RF VCOs" Operating Guide.APPLICATIONSCellular/4G InfrastructureRepeaters & FemtocellsCommunications Test EquipmentCATV EquipmentPhased Array ApplicationsDDS ReplacementVery High Data Rate Radios |
HMC840Fractional-N PLL with Integrated VCO SMT, 1.31 - 5.66 GHz | Clock Generators, PLLs, Frequency Synthesizers | 1 | Obsolete | The HMC840LP6CE is a fully functioned Fractional-N Phase-Locked-Loop (PLL) Frequency Synthesizer with an Integrated Voltage Controlled Oscillator (VCO). The synthesizer consists of an integrated low noise VCO with a triband output, an autocalibration subsystem for low voltage VCO tuning, a very low noise digital Phase Detector (PD), a precision controlled charge pump, a low noise reference path divider and a fractional divider.The fractional synthesizer features an advanced delta-sigma modulator design that allows both ultra-fine step sizes and low spurious products. The phase detector (PD) features cycle slip prevention (CSP) technology to allow faster frequency hopping times. Ultra low in-close phase noise and low spurious also allows wider loop bandwidths for faster frequency hopping and low micro-phonics.For theory of operation and register map refer to the "PLLs with Integrated VCO - RF VCOs" Operating Guide.APPLICATIONSCellular/4G InfrastructureRepeaters & FemtocellsCommunications Test EquipmentCATV EquipmentPhased Array ApplicationsDDS ReplacementVery High Data Rate Radios |
HMC8400-DIE2 GHz to 30 GHz, GaAs pHEMT MMIC Low Noise Amplifier | RF and Wireless | 1 | Active | The HMC8400 is a gallium arsenide (GaAs), pseudomorphic high electron mobility transistor (pHEMT), monolithic microwave integrated circuit (MMIC). The HMC8400 is a wideband low noise amplifier that operates between 2 GHz and 30 GHz. The amplifier provides 13.5 dB of gain, a 2 dB noise figure, 26.5 dBm output IP3, and 14.5 dBm of output power at 1 dB gain compres-sion, requiring 67 mA from a 5 V supply. The HMC8400 is self biased with only a single positive supply needed to achieve a drain current IDDof 67 mA. The HMC8400 also has a gain control option, VGG2. The HMC8400 amplifier input/outputs are internally matched to 50 Ω and dc blocked, facilitating integration into multichip modules (MCMs). All data is taken with the chip connected via two 0.025 mm (1 mil) wire bonds of minimal length 0.31 mm (12 mils).ApplicationsTest instrumentationMicrowave radios and very small aperture terminals (VSATs)Military and spaceTelecommunications infrastructureFiber optics |
HMC8401-DIEDC to 28 GHz, GaAs pHEMT MMIC Low Noise Amplifier | RF and Wireless | 2 | Active | The HMC8401 is a gallium arsenide (GaAs), pseudomorphic high electron mobility transistor (pHEMT), monolithic microwave integrated circuit (MMIC). The HMC8401 is a wideband low noise amplifier which operates between dc and 28 GHz. The amplifier provides 14.5 dB of gain, 1.5 dB noise figure, 26 dBm output IP3 and 16.5 dBm of output power at 1 dB gain compression while requiring 60 mA from a 7.5 V supply. The HMC8401 also has a gain control option, VGG2. The HMC8401 amplifier input/outputs are internally matched to 50 Ω facilitating integration into multichip modules (MCMs). All data is taken with the chip connected via two 0.025 mm (1 mil) wire bonds of minimal length 0.31 mm (12 mils).ApplicationsTest instrumentationMicrowave radios and very small aperture terminals (VSATs)Military and spaceTelecommunications infrastructureFiber optics |
HMC8402-DIE2 GHz to 30 GHz, GaAs, pHEMT, MMIC, Low Noise Amplifier | RF and Wireless | 1 | Active | The HMC8402 is a gallium arsenide (GaAs), pseudomorphic high electron mobility transistor (pHEMT), monolithic microwave integrated circuit (MMIC), low noise amplifier which operates between 2 GHz and 30 GHz. The amplifier provides 13.5 dB of gain, 2 dB noise figure, 26 dBm output IP3, and 21.5 dBm of output power at 1 dB gain compression while requiring 68 mA from a 7 V supply. The HMC8402 is self biased with only a single positive supply needed to achieve a drain current IDQof 68 mA.The HMC8402 amplifier input/outputs are internally matched to 50 Ω facilitating integration into multichip modules (MCMs). All data is taken with the chip connected via two 0.025 mm (1 mil) wire bonds of minimal length 0.31 mm (12 mils).APPLICATIONSTest instrumentationMicrowave radios and very small aperture terminals (VSATs)Military and spaceTelecommunications infrastructureFiber optics |
| Part | Category | Description |
|---|---|---|
Analog Devices ADM6713RAKSZ-REELObsolete | Integrated Circuits (ICs) | IC SUPERVISOR 1 CHANNEL SC70-4 |
Analog Devices | RF and Wireless | RF AMP SINGLE GENERAL PURPOSE RF AMPLIFIER 20GHZ 3.6V 22-PIN DIE TRAY |
Analog Devices | Integrated Circuits (ICs) | LOW NOISE, SWITCHED CAPACITOR REGULATED VOLTAGE INVERTERS |
Analog Devices | Integrated Circuits (ICs) | QUAD 16-BIT/12-BIT ±10V VOUTSOFTSPAN DACS WITH 10PPM/°C MAX REFERENCE |
Analog Devices | Integrated Circuits (ICs) | SERIAL 14-BIT, 3.5MSPS SAMPLING ADC WITH BIPOLAR INPUTS |
Analog Devices | Integrated Circuits (ICs) | ISOSPI ISOLATED COMMUNICATIONS INTERFACE |
Analog Devices | Integrated Circuits (ICs) | 4.5A, 500KHZ STEP-DOWN SWITCHING REGULATOR |
Analog Devices | Integrated Circuits (ICs) | 300 MA, LOW QUIESCENT CURRENT, ADJUSTABLE OUTPUT, CMOS LINEAR REGULATOR |
Analog Devices AD767KNObsolete | Integrated Circuits (ICs) | IC DAC 12BIT V-OUT 24DIP |
Analog Devices | Integrated Circuits (ICs) | QUAD 12-/10-/8-BIT RAIL-TO-RAIL DACS WITH 10PPM/°C REFERENCE |