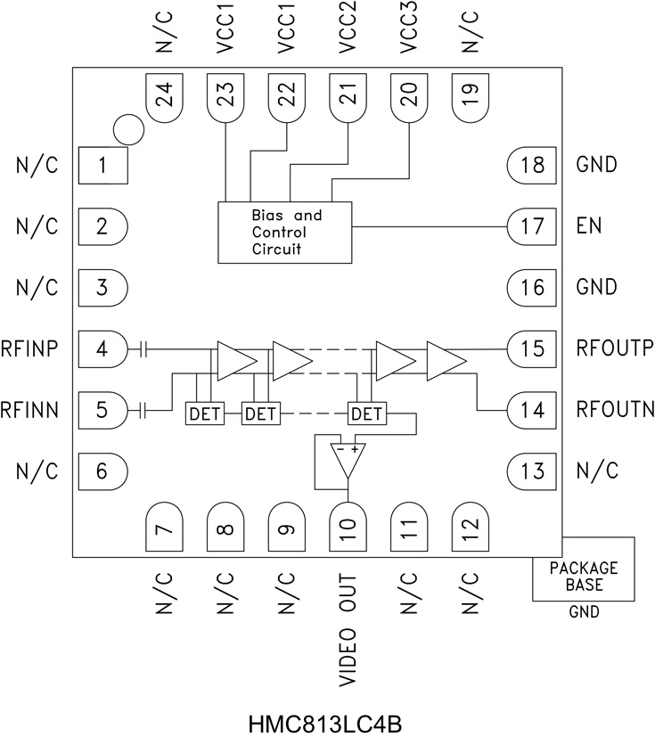
HMC813-DieSuccessive Detection Log Video Amplifier (SDLVA) Chip, 1 - 26 GHz | RF Evaluation and Development Kits, Boards | 3 | Active | The HMC813LC4B is a Successive Detection Log Video Amplifier (SDLVA) with a limited RF output which operates from 1 to 20 GHz. The HMC813LC4B provides a logging range of 55 dB. This device offers typical fast rise/fall times of 5/10 ns. The HMC813LC4B log video output slope is typically 15 mV/dB. Maximum recovery times are less than 15 ns. Ideal for high speed channelized receiver applications, the HMC813LC4B operates from a single +3.3 V supply, and consumes only 153 mA. The HMC813LC4B is available in a highly compact 4×4 mm SMT ceramic package and is ideal for high speed channelized receiver applications.APPLICATIONSEW, ELINT & IFM ReceiversDF Radar SystemsECM SystemsBroadband Test & MeasurementPower Measurement & Control CircuitsMilitary & Space Applications |
HMC814-Die81 GHz to 86 GHz, E-Band Power Amplifier with Power Detector | RF Misc ICs and Modules | 5 | Active | The HMC8142 is an integrated E-band gallium arsenide (GaAs), pseudomorphic (pHEMT), monolithic microwave integrated circuit (MMIC), medium power amplifier with a temperature compensated on-chip power detector that operates from 81 GHz to 86 GHz. The HMC8142 provides 21 dB of gain, 25 dBm of output power at 1 dB compression, 29 dBm of output third-order intercept, and 26 dBm of saturated output power at 20% power added efficiency (PAE) from a 4 V power supply. The HMC8142 exhibits excellent linearity and is optimized for E-band communications and high capacity wireless backhaul radio systems. The amplifier configuration and high gain make it an excellent candidate for last stage signal amplification before the antenna. All data is taken with the chip in a 50 Ω test fixture connected via a 3 mil wide × 0.05 mil thick × 7 mil long ribbon on each port.ApplicationsE-band communication systemsHigh capacity wireless backhaul radio systemsTest and measurement |
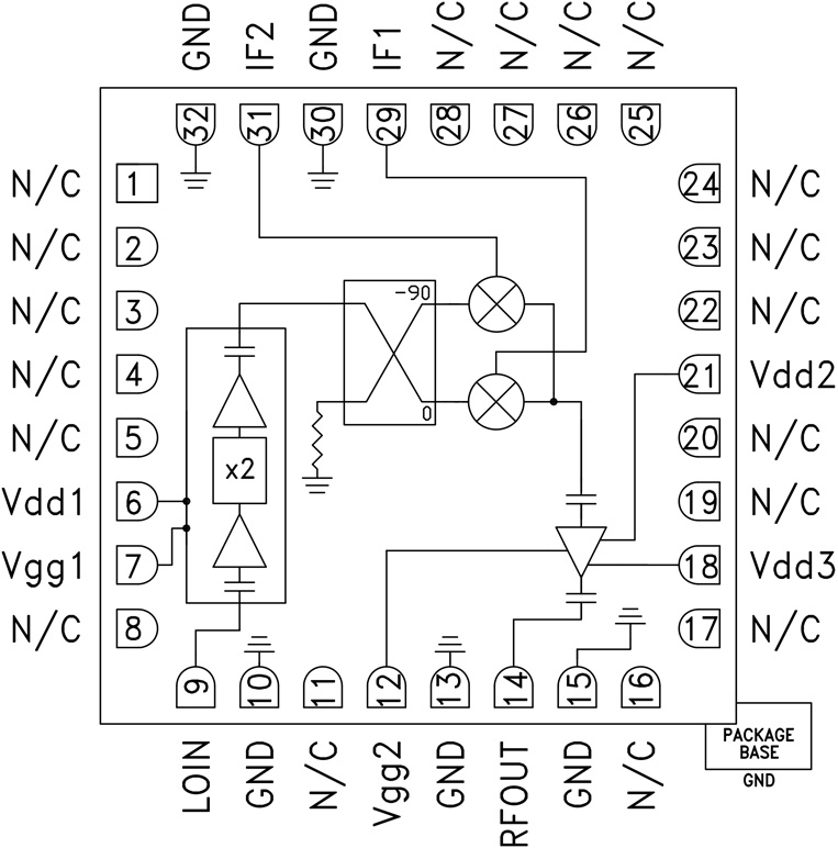
HMC815B21 GHz to 27 GHz, GaAs, MMIC, I/Q Upconverter | RF and Wireless | 2 | Active | The HMC815B is a compact gallium arsenide (GaAs), pseudomorphic high electron mobility transistor (pHEMT), monolithic microwave integrated circuit (MMIC) upconverter in a RoHS compliant package that operates from 21 GHz to 27 GHz. This device provides a small signal conversion gain of 12 dB and a sideband rejection of 20 dBc. The HMC815B utilizes a driver amplifier proceeded by an in phase/quadrature (I/Q) mixer where the LO is driven by an active 2× multiplier. IF1 and IF2 mixer inputs are provided, and an external 90° hybrid is needed to select the required sideband. The I/Q mixer topology reduces the need for filtering of unwanted sideband.The HMC815B is a smaller alternative to hybrid style single sideband (SSB) downconverter assemblies, and it eliminates the need for wire bonding by allowing the use of surface-mount manufacturing techniques.The HMC815B is available in 4.90 mm × 4.90 mm, 32-terminal ceramic LCC package and operates over the −40°C to +85°C temperature range. An evaluation board for the HMC815B is also available upon request.ApplicationsPoint to point and point to multipoint radiosMilitary radars, electronic warfare, and electronic intelligenceSatellite communicationsSensors |
| RF and Wireless | 2 | Obsolete | |
| RF and Wireless | 1 | Obsolete | |
HMC819GaAs MMIC I/Q Upconverter SMT, 17.7 - 23.6 GHz | RF Misc ICs and Modules | 2 | Obsolete | The HMC819LC5 is a compact GaAs MMIC I/Q upconverter in a leadless RoHS compliant SMT package. This device provides a small signal conversion gain of 15 dB with -35 dBc of sideband rejection. The HMC819LC5 utilizes a driver amplifier preceded by an I/Q mixer where the LO is driven by an active x2 multiplier. IF1 and IF2 mixer inputs are provided and an external 90° hybrid is needed to select the required sideband. The I/Q mixer topology reduces the need for filtering of the unwanted sideband.The HMC819LC5 is a much smaller alternative to hybrid style single sideband upconverter assemblies and it eliminates the need for wire bonding by allowing the use of surface mount manufacturing techniques.ApplicationsPoint-to-Point and Point-to-Multi-Point RadioMilitary Radar, EW & ELINTSatellite CommunicationsSensors |
HMC81916 GHz to 26.5 GHz, Wideband I/Q Mixer | RF and Wireless | 2 | Active | The HMC8191 is a passive, wideband, I/Q monolithic microwave integrated circuit (MMIC) mixer that can be used either as an image reject mixer for receiver operations or as a single-sideband upconverter for transmitter operations. With a radio frequency (RF) and local oscillator (LO) range of 6 GHz to 26.5 GHz, and an intermediate frequency (IF) bandwidth of dc to 5 GHz, the HMC8191 is ideal for applications requiring a wide frequency range, excellent RF performance, and a simple design with fewer components and a small printed circuit board (PCB) footprint. A single HMC8191 can replace multiple narrow-band mixers in a design.The inherent I/Q architecture of the HMC8191 offers excellent image rejection and thereby eliminates the need for expensive filtering for unwanted sidebands. The mixer also provides excellent LO to RF and LO to IF isolation and reduces the effect of LO leakage to ensure signal integrity.Being a passive mixer, the HMC8191 does not require any dc power sources. It offers a lower noise figure compared to an active mixer, ensuring superior dynamic range for high performance and precision applications.The HMC8191 is fabricated on a gallium arsenide (GaAs) metal semiconductor field effect transistor (MESFET) process and uses Analog Devices, Inc. mixer cells and a 90-degree hybrid. The HMC8191 is available in a compact, 4 mm × 4 mm, 24-terminal leadless chip carrier (LCC) package and operates over a −40°C to +85°C temperature range. An evaluation board for the HMC8191 is also available from the Analog Devices website.ApplicationsTest and measurement instrumentationMilitary, aerospace, and defense applicationsMicrowave point to point base stations |
HMC819220 GHz to 42 GHz, Wideband I/Q Mixer | RF and Wireless | 3 | Active | The HMC8192LG is a passive, wideband, inphase/quadrature (I/Q), monolithic microwave integrated circuit (MMIC) mixer that can be used either as an image rejection mixer for receiver operations or as a single-sideband upconverter for transmitter operations. With a radio frequency (RF) and local oscillator (LO) range of 20 GHz to 42 GHz, and an intermediate frequency (IF) bandwidth of dc to 5 GHz, the HMC8192LG is ideal for applications requiring a wide frequency range, excellent RF performance, and a simple design with fewer components and a small printed circuit board (PCB) footprint. A single HMC8192LG can replace multiple narrow-band mixers in a design.The inherent I/Q architecture of the HMC8192LG offers excellent image rejection, eliminating the need for expensive filtering for unwanted sidebands. The mixer also provides excellent LO to RF and LO to IF isolation and reduces the effect of LO leakage to ensure signal integrity.As a passive mixer, the HMC8192LG does not require any dc power sources. The HMC8192LG offers a lower noise figure compared to an active mixer, ensuring superior dynamic range for high performance and precision applications.The HMC8192LG is fabricated on a gallium arsenide (GaAs), metal semiconductor field effect transistor (MESFET) process and uses Analog Devices, Inc., mixer cells and a 90° hybrid. The HMC8192LG is available in a compact, 4.00 mm × 4.00 mm, 25-terminal land grid array cavity (LGA_CAV) package and operates over a −40°C to +85°C temperature range. The evaluation board for the HMC8192LG, EV1HMC8192LG, is also available on the Analog Devices website.ApplicationsTest and measurement instrumentationMilitary, radar, aerospace, and defense applicationsMicrowave point to point base stations |
HMC81932.5 GHz to 8.5 GHz I/Q Mixer | RF Mixers | 1 | Active | The HMC8193 is a passive, in phase/quadrature (I/Q), monolithic microwave integrated circuit (MMIC) mixer that can be used either as an image rejection mixer for receiver operations, or as a single-sideband upconverter for transmitter operations from 2.5 GHz to 8.5 GHz. The inherent I/Q architecture of the HMC8193 offers excellent image rejection and thereby eliminates the need for expensive filtering of unwanted sidebands. The mixer also provides excellent local oscillator (LO) to radio frequency (RF) and LO to intermediate frequency (IF) isolation and reduces the effect of LO leakage to ensure signal integrity.Being the HMC8913 is a passive mixer, it does not require any dc power sources. The device offers a lower noise figure than an active mixer, ensuring superior dynamic range for high performance and precision applications.The HMC8193 is fabricated on a gallium arsenide (GaAs), metal semiconductor field effect transistor (MESFET) process and uses Analog Devices, Inc., mixer cells and a 90° hybrid. It is available in a compact, 4 mm × 4 mm, 24-lead LCC package and operates over the −40°C to +85°C temperature range. An evaluation board for this device is also available.ApplicationsTest and measurement instrumentationMilitary, aerospace, and radarDirect conversion receivers |
HMC820Fractional-N PLL with Integrated VCO SMT, 1095 - 1275, 2190 - 2550, 4380 - 5100 MHz | Clock/Timing | 1 | Obsolete | The HMC820LP6CE is a fully functioned Fractional-N Phase-Locked-Loop (PLL) Frequency Synthesizer with an Integrated Voltage Controlled Oscillator (VCO). The synthesizer consists of an integrated low noise VCO with a triband output, an autocalibration subsystem for low voltage VCO tuning, a very low noise digital Phase Detector (PD), a precision controlled charge pump, a low noise reference path divider and a fractional divider.The fractional synthesizer features an advanced delta-sigma modulator design that allows both ultra-fine step sizes and low spurious products. The phase detector (PD) features cycle slip prevention (CSP) technology to allow faster frequency hopping times. Ultra low in-close phase noise and low spurious also allows wider loop bandwidths for faster frequency hopping and low micro-phonics.For theory of operation and register map refer to the "PLLs with Integrated VCO - RF VCOs" Operating Guide.APPLICATIONSCellular/4G InfrastructureRepeaters and FemtocellsCommunications Test EquipmentCATV EquipmentPhased Array ApplicationsDDS ReplacementVery High Data Rate Radios |