A
Analog Devices
| Series | Category | # Parts | Status | Description |
|---|---|---|---|---|
| Part | Spec A | Spec B | Spec C | Spec D | Description |
|---|---|---|---|---|---|
| Series | Category | # Parts | Status | Description |
|---|---|---|---|---|
| Part | Spec A | Spec B | Spec C | Spec D | Description |
|---|---|---|---|---|---|
| Part | Category | Description |
|---|---|---|
Analog Devices ADM6713RAKSZ-REELObsolete | Integrated Circuits (ICs) | IC SUPERVISOR 1 CHANNEL SC70-4 |
Analog Devices | RF and Wireless | RF AMP SINGLE GENERAL PURPOSE RF AMPLIFIER 20GHZ 3.6V 22-PIN DIE TRAY |
Analog Devices | Integrated Circuits (ICs) | LOW NOISE, SWITCHED CAPACITOR REGULATED VOLTAGE INVERTERS |
Analog Devices | Integrated Circuits (ICs) | QUAD 16-BIT/12-BIT ±10V VOUTSOFTSPAN DACS WITH 10PPM/°C MAX REFERENCE |
Analog Devices | Integrated Circuits (ICs) | SERIAL 14-BIT, 3.5MSPS SAMPLING ADC WITH BIPOLAR INPUTS |
Analog Devices | Integrated Circuits (ICs) | ISOSPI ISOLATED COMMUNICATIONS INTERFACE |
Analog Devices | Integrated Circuits (ICs) | 4.5A, 500KHZ STEP-DOWN SWITCHING REGULATOR |
Analog Devices | Integrated Circuits (ICs) | 300 MA, LOW QUIESCENT CURRENT, ADJUSTABLE OUTPUT, CMOS LINEAR REGULATOR |
Analog Devices AD767KNObsolete | Integrated Circuits (ICs) | IC DAC 12BIT V-OUT 24DIP |
Analog Devices | Integrated Circuits (ICs) | QUAD 12-/10-/8-BIT RAIL-TO-RAIL DACS WITH 10PPM/°C REFERENCE |
| Series | Category | # Parts | Status | Description |
|---|---|---|---|---|
| RF and Wireless | 2 | Active | ||
HMC82050.3 or 0.4 GHz to 6 GHz, 35 W, GaN Power Amplifier | Development Boards, Kits, Programmers | 2 | Active | The HMC8205BF10 is a gallium nitride (GaN) broadband power amplifier delivering 45.5 dBm (35 W) with 38% power added efficiency (PAE) across an instantaneous bandwidth of 0.3 GHz to 6 GHz. No external matching is required to achieve full band operation. Additionally, no external inductor is required to bias the amplifier. Also, dc blocking capacitors for the RFIN and RFOUT pins are integrated into the HMC8205BF10.The HMC8205BF10 is ideal for pulsed or continuous wave (CW) applications, such as military jammers, wireless infrastructure, radar, and general-purpose amplification.The HMC8205BF10 amplifier is a 10-lead ceramic leaded chip carrier (LDCC).The HMC8205BCHIPS is a gallium nitride (GaN), broadband power amplifier that delivers 45.5 dBm (35 W) with 40% power added efficiency (PAE) across an instantaneous bandwidth of 0.4 GHz to 6 GHz. No external matching is required to achieve full band operation. No external inductor is required to bias the amplifier. In addition, dc blocking capacitors for the RFIN and RFOUT pins are integrated into the HMC8205BCHIPS.The HMC8205BCHIPS is ideal for pulsed or continuous wave (CW) applications, such as military jammers, wireless infrastructure, radar, and general-purpose amplification.APPLICATIONSMilitary jammersCommercial and military radarPower amplifier stage for wireless infrastructureTest and measurement equipment |
| Clock Generators, PLLs, Frequency Synthesizers | 2 | Obsolete | ||
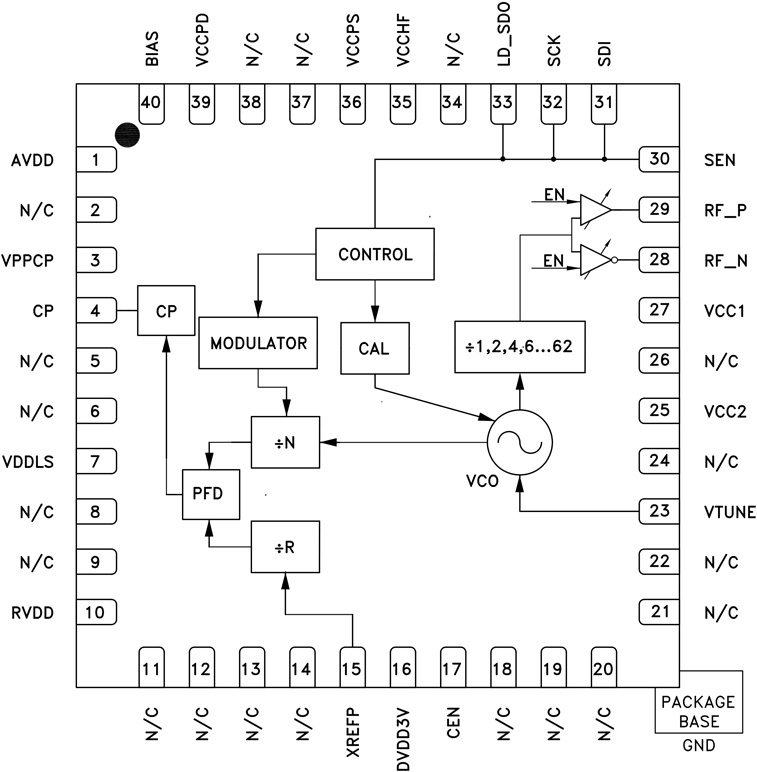
HMC828Fractional-N PLL with Integrated VCO SMT, 1285 - 1415 MHz | Clock/Timing | 1 | Obsolete | The HMC828LP6CE is a fully functioned Fractional-N Phase-Locked-Loop (PLL) Frequency Synthesizer with an Integrated Voltage Controlled Oscillator (VCO). The synthesizer consists of an integrated low noise VCO with divide-by-2 output, an autocalibration subsystem for low voltage VCO tuning, a very low noise digital Phase Detector (PD), a precision controlled charge pump, a low noise reference path divider and a fractional divider.The fractional synthesizer features an advanced delta-sigma modulator design that allows both ultra-fine step sizes and low spurious products. The phase detector (PD) features cycle slip prevention (CSP) technology to allow faster frequency hopping times. Ultra low in-close phase noise and low spurious also allows wider loop bandwidths for faster frequency hopping and low micro-phonics.For theory of operation and register map refer to the "PLLs with Integrated VCOs - RF VCOs Operating Guide". To view the Operating Guide, please visit www.hittite.com and choose HMC828LP6CE from the "Search by Part Number" pull down menu.APPLICATIONSCellular/4G InfrastructureRepeaters and FemtocellsCommunications Test EquipmentCATV EquipmentPhased Array ApplicationsDDS ReplacementVery High Data Rate Radios |
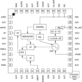
HMC829Fractional-N PLL with Integrated VCO45 - 1050, 1400 - 2100, 2800 - 4200 MHz | Evaluation Boards | 3 | Obsolete | The is a low noise, wide band, Fractional N Phase-Locked-Loop (PLL) that features an integrated Voltage Controlled Oscillator (VCO ) with a fundamental frequency of 2800 M Hz - 4200 M Hz, and an integrated VCO Output Divider (divide by 1/2/4/6.../60/62), that together allow the to generate frequencies from 45 M Hz to 1050 M Hz, from 1400 M Hz to 2100 M Hz, and from 2800 M Hz to 4200 M Hz. The integrated Phase Detector (P D) and delta-sigma modulator, capable of operating at up to 100 M Hz, permit wider loop-bandwidths with excellent spectral performance.The features industry leading phase noise and spurious performance, across all frequencies, that enable it to minimize blocker effects, and improve receiver sensitivity and transmitter spectral purity. The superior noise floor (< -170 dBc/ Hz) makes the an ideal source for a variety of applications - such as; L O for RF mixers, a clock source for high frequency data-converters, or a tunable reference source for ultra-low spurious applications.Additional features of the include RF output power control from 0 to 6 dB (~2 dB steps), output Mute function, and a delta-sigma modulator Exact Frequency Mode which enables users to generate output frequencies with 0 Hz frequency error.For theory of operation and register map refer to the "PLLs with Integrated VCO s - RF VCO s Operating Guide". To view the Operating Guide, please visit www.hittite.com and choose from the "Search by Part Number" pull down menu.APPLICATIONSCellular/4G, WiMax InfrastructureRepeaters and FemtocellsCommunications Test EquipmentCATV EquipmentPhased Array ApplicationsDDS ReplacementVery High Data Rate Radios |
| Development Boards, Kits, Programmers | 1 | Obsolete | ||
HMC832571 GHz to 86 GHz, E-Band Low Noise Amplifier | RF Amplifiers | 2 | Active | The HMC8325 is an integrated E-band gallium arsenide (GaAs), monolithic microwave integrated circuit (MMIC), low noise amplifier (LNA) chip that operates from 71 GHz to 86 GHz. The HMC8325 provides 21 dB of gain, 13 dBm of output P1dB, 22 dBm of OIP3, and 17 dBm of PSATwhile requiring only 50 mA from a 3 V power supply. The HMC8325 exhibits excellent linearity and is optimized for E-band communications and high capacity, wireless backhaul radio systems. All data is taken with the chip in a 50 Ω test fixture connected via a 3 mil wide × 0.5 mil thick × 7 mil long ribbon on each port.ApplicationsE-band communication systemsHigh capacity wireless backhaulsTest and measurement |
HMC8327E-Band Low Noise Downconverter SiP 81 - 86 GHz | Clock Generators, PLLs, Frequency Synthesizers | 1 | Obsolete | The HMC8327LG is a fully integrated System In Package (SiP) in-phase/quadrature (I/Q) downconverter that operates between an RF input frequency range of 81 GHz to 86 GHz and an IF output frequency range of DC to 2 GHz. This device provides a small signal conversion gain of 8 to 13 dB with 30 dBc of image rejection. The HMC8327LG utilizes a low noise amplifier followed by an image rejection mixer which is driven by a 6x LO multiplier. Differential I and Q mixer outputs are provided for direct conversion applications. Alternatively, the outputs can be combined using an external 90° hybrid and two external 180° hybrids for single-ended applications.ApplicationsE-Band Communication SystemsHigh Capacity Wireless BackhaulTest & Measurement |
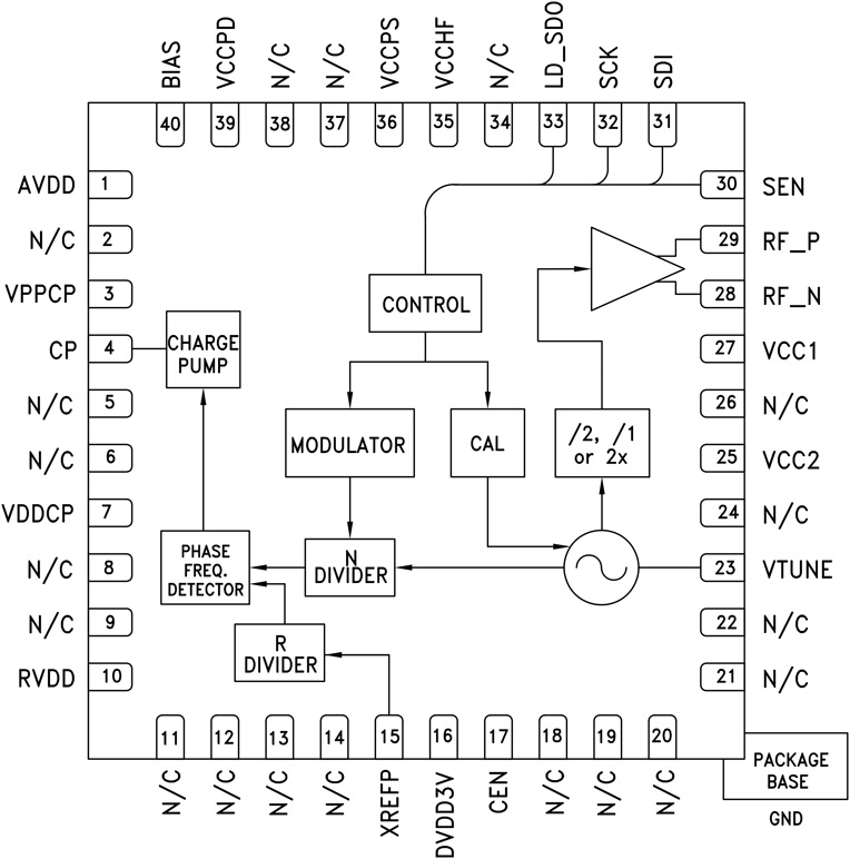
HMC832AFractional-N PLL with Integrated VCO 25 MHz to 3000 MHz | Evaluation Boards | 4 | Obsolete | The HMC832A is a 3.3 V, high performance, wideband, fractional-N, phase-locked loop (PLL) that features an integrated voltage controlled oscillator (VCO) with a fundamental frequency of 1500 MHz to 3000 MHz and an integrated VCO output divider (divide by 1, 2, 4, 6, … 62) that enables the HMC832A to generate continuous frequencies from 25 MHz to 3000 MHz. The integrated phase detector (PD) and Σ-Δ modulator, capable of operating at up to 100 MHz, permit wider loop bandwidths and faster frequency tuning with excellent spectral performance.Industry leading phase noise and spurious performance, across all frequencies, enable the HMC832A to minimize blocker effects, and to improve receiver sensitivity and transmitter spectral purity. A low noise floor (−160 dBc/Hz) eliminates any contribution to modulator/mixer noise floor in transmitter applications.The HMC832A is footprint compatible to the market leading HMC830 PLL with an integrated VCO. It features 3.3 V supply and an innovative programmable performance technology that enables the HMC832A to tailor current consumption and corresponding noise floor performance to individual applications by selecting either a low current consumption mode or a high performance mode for an improved noise floor performance.Additional features of the HMC832A include 12 dB of RF output gain control in 1 dB steps; an output mute function to automatically mute the output during frequency changes when the device is not locked; selectable output return loss; programmable differential or single-ended outputs, with the ability to select either output in single-ended mode; and a Σ-Δ modulator exact frequency mode that enables users to generate output frequencies with 0 Hz frequency error; and a register configurable 3.3 V or 1.8 V serial port interface (SPI).ApplicationsCellular infrastructureMicrowave radiosWiMax, WiFiCommunications test equipmentCATV equipmentDDS replacementMilitaryTunable reference sources for spurious-free performance |
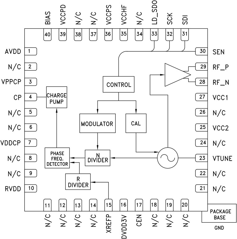
HMC833Fractional-N PLL with Integrated VCO, 25 - 6000 MHz | Clock/Timing | 2 | Obsolete | The HMC833LP6GE is a low noise, wide band, Fractional-N Phase-Locked-Loop (PLL) that features an integrated Voltage Controlled Oscillator (VCO) with a fundamental frequency of 1500 MHz - 3000 MHz, and an integrated VCO Output Divider (divide by 1/2/4/6.../60/62) and doubler, that together allow the HMC833LP6GE to generate frequencies from 25 MHz to 6000 MHz. The integrated Phase Detector (PD) and delta-sigma modulator, capable of operating at up to 100 MHz, permit wider loop-bandwidths with excellent spectral performance.The HMC833LP6GE features industry leading phase noise and spurious performance, across all frequencies, that enable it to minimize blocker effects, and improve receiver sensitivity and transmitter spectral purity. The superior noise floor (< -170 dBc/Hz) makes the HMC833LP6GE an ideal source for a variety of applications - such as; LO for RF mixers, a clock source for high-frequency data-converters, or a tunable reference source for ultra-low spurious applications.Additional features of the HMC833LP6GE include RF output power control from 0 to 9 dB (3 dB steps), output Mute function, and a delta-sigma modulator Exact Frequency Mode which enables users to generate output frequencies with 0 Hz frequency error.ApplicationsCellular InfrastructureMicrowave RadioWiMax, WiFiCommunications Test EquipmentCATV EquipmentDDS ReplacementMilitaryTunable Reference Source for Spurious- Free Performance |