A
Analog Devices
| Series | Category | # Parts | Status | Description |
|---|---|---|---|---|
| Part | Spec A | Spec B | Spec C | Spec D | Description |
|---|---|---|---|---|---|
| Series | Category | # Parts | Status | Description |
|---|---|---|---|---|
| Part | Spec A | Spec B | Spec C | Spec D | Description |
|---|---|---|---|---|---|
| Part | Category | Description |
|---|---|---|
Analog Devices ADM6713RAKSZ-REELObsolete | Integrated Circuits (ICs) | IC SUPERVISOR 1 CHANNEL SC70-4 |
Analog Devices | RF and Wireless | RF AMP SINGLE GENERAL PURPOSE RF AMPLIFIER 20GHZ 3.6V 22-PIN DIE TRAY |
Analog Devices | Integrated Circuits (ICs) | LOW NOISE, SWITCHED CAPACITOR REGULATED VOLTAGE INVERTERS |
Analog Devices | Integrated Circuits (ICs) | QUAD 16-BIT/12-BIT ±10V VOUTSOFTSPAN DACS WITH 10PPM/°C MAX REFERENCE |
Analog Devices | Integrated Circuits (ICs) | SERIAL 14-BIT, 3.5MSPS SAMPLING ADC WITH BIPOLAR INPUTS |
Analog Devices | Integrated Circuits (ICs) | ISOSPI ISOLATED COMMUNICATIONS INTERFACE |
Analog Devices | Integrated Circuits (ICs) | 4.5A, 500KHZ STEP-DOWN SWITCHING REGULATOR |
Analog Devices | Integrated Circuits (ICs) | 300 MA, LOW QUIESCENT CURRENT, ADJUSTABLE OUTPUT, CMOS LINEAR REGULATOR |
Analog Devices AD767KNObsolete | Integrated Circuits (ICs) | IC DAC 12BIT V-OUT 24DIP |
Analog Devices | Integrated Circuits (ICs) | QUAD 12-/10-/8-BIT RAIL-TO-RAIL DACS WITH 10PPM/°C REFERENCE |
| Series | Category | # Parts | Status | Description |
|---|---|---|---|---|
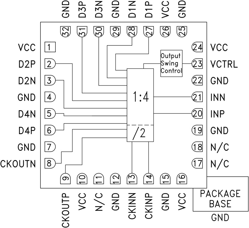
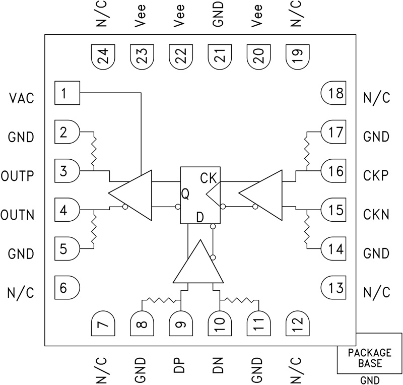
HMC84143 Gbps D-Type Flip-Flop w/ Programmable Output Voltage | Evaluation and Demonstration Boards and Kits | 1 | Obsolete | The HMC841LC4B is a D-type Flip-Flop designed to support data transmission rates of up to 43 Gbps, and clock frequencies as high as 43 GHz. During normal operation, data is transferred to the outputs on the positive edge of the clock. Reversing the clock inputs allows for negative-edge triggered applications. The HMC841LC4B also features an output level control pin, VAC, which allows for loss compensation or for signal level optimization.All input signals to the HMC841LC4B are terminated with 50 Ohms to ground on-chip, and maybe either AC or DC coupled. The differential outputs of the HMC841LC4B may be either AC or DC coupled. Outputs can be connected directly to a 50 Ohms-to-ground terminated system, while DC blocking capacitors should be used if the terminating system is 50 Ohms to a non-ground DC voltage. The HMC841LC4B operates from a single -3.3V DC supply and is available in a ceramic RoHS compliant 4x4 mm SMT package.ApplicationsOC-768 and SDH STM-256 EquipmentRF ATE ApplicationsSerial Data Transmission up to 43 GbpsDigital Logic Systems up to 43 GbpsBroadband Test & Measurement |
HMC8410-DIE0.01 GHz to 10 GHz, GaAs, pHEMT, MMIC, Low Noise Amplifier | RF and Wireless | 3 | Active | The HMC8410 is a gallium arsenide (GaAs), monolithic microwave integrated circuit (MMIC), pseudomorphic high electron mobility transistor (pHEMT), low noise wideband amplifier that operates from 0.01 GHz to 10 GHz. The HMC8410 provides a typical gain of 19.5 dB, a 1.1 dB typical noise figure, and a typical output IP3 of 33 dBm, requiring only 65 mA from a 5 V supply voltage. The saturated output power (PSAT)of up to 22.5 dBm enables the low noise amplifier (LNA) to function as a local oscillator (LO) driver for many of Analog Devices, Inc., balanced, I/Q or image rejection mixers.The HMC8410 also features inputs/outputs (I/Os) that are internally matched to 50 Ω, making it ideal for surface-mounted technology (SMT)-based, high capacity microwave radio applications.The HMC8410 is housed in a RoHS-compliant, 2 mm × 2 mm, LFCSP package.Multifunction pin names can be referenced by their relevant function only.ApplicationsSoftware defined radiosElectronics warfareRadar applications |
HMC8411Low Noise Amplifier, 0.01 GHz to 10 GHz | RF and Wireless | 3 | Active | The HMC8411LP2FE is a gallium arsenide (GaAs), monolithic microwave integrated circuit (MMIC), pseudomorphic high electron mobility transistor (pHEMT), low noise wideband amplifier that operates from 0.01 GHz to 10 GHz.The HMC8411LP2FE provides a typical gain of 15.5 dB, a 1.7 dB typical noise figure, and a typical output third-order intercept (OIP3) of 34 dBm, requiring only 55 mA from a 5 V supply voltage. The saturated output power (PSAT) of 19.5 dBm typical enables the low noise amplifier (LNA) to function as a local oscillator (LO) driver for many of Analog Devices, Inc., balanced, in-phase/quadrature (I/Q), or image rejection mixers.The HMC8411LP2FE also features inputs and outputs that are internally matched to 50 Ω, making the device ideal for surface-mounted technology (SMT)-based, high capacity microwave radio applications.The HMC8411LP2FE is housed in a RoHS-compliant, 2 mm × 2 mm, 6-lead LFCSP.Multifunction pin names may be referenced by their relevant function only.ApplicationsTest instrumentationMilitary communications |
HMC8412Low Noise Amplifier, 0.4 GHz to 11 GHz | RF and Wireless | 2 | Active | The HMC8412 is a gallium arsenide (GaAs), monolithic microwave integrated circuit (MMIC), pseudomorphic high electron mobility transistor (pHEMT), low noise wideband amplifier that operates from 0.4 GHz to 11 GHz.The HMC8412 provides a typical gain of 15.5 dB, a 1.4 dB typical noise figure, and a typical output third-order intercept (OIP3) of ≤33 dBm, requiring only 60 mA from a 5 V drain supply voltage. The saturated output power (PSAT) of ≤20.5 dBm typical enables the low noise amplifier (LNA) to function as a local oscillator (LO) driver for many Analog Devices, Inc., balanced, inphase and quadrature (I/Q) or image rejection mixers.The HMC8412 also features inputs and outputs that are internally matched to 50 Ω, making the device ideal for surface-mount technology (SMT)-based, high capacity microwave radio applications.The HMC8412 is housed in an RoHS-compliant, 2 mm × 2 mm, 6-lead LFCSP.ApplicationsTest instrumentationTelecommunicationsMilitary radar and communicationElectronic warfareAerospace |
HMC8413Low Noise Amplifier, 0.01 GHz to 9 GHz | RF and Wireless | 1 | Active | For more information on the HMC8413LP2FETR-CSL, please refer to the corresponding data sheet.The HMC8413 is a gallium arsenide (GaAs), monolithic microwave integrated circuit (MMIC), pseudomorphic high electron mobility transistor (pHEMT), low noise wideband amplifier that operates from 0.01 GHz to 9 GHz.The HMC8413 provides a typical gain of 19.5 dB, a 1.9 dB typical noise figure, and a typical output third-order intercept (OIP3) of 35 dBm at 0.01 GHz to 7 GHz, requiring only 95 mA from a 5 V supply voltage. The saturated output power (PSAT) of 22 dBm typical at 0.01 GHz to 7 GHz enables the low noise amplifier to function as a local oscillator (LO) driver for many of Analog Devices, Inc., balanced, in-phase/quadrature (I/Q) or image rejection mixers.The HMC8413 also features inputs and outputs that are internally matched to 50 Ω, making the device ideal for surface-mounted technology (SMT)-based, high capacity microwave radio applications.The HMC8413 is housed in an RoHS-compliant, 2 mm × 2 mm, 6-lead LFCSP.APPLICATIONSTest instrumentationMilitary communicationsMilitary radarTelecommunications |
HMC841540 W (46 dBm), 9 GHz to 10.5 GHz, GaN Power Amplifier | RF Amplifiers | 1 | Active | The HMC8415LP6GE is a gallium nitride (GaN), power amplifier, delivering 40 W (46 dBm) with more than 37.5% power added efficiency (PAE) across a bandwidth of 9 GHz to 10.5 GHz.The HMC8415LP6GE is ideal for pulsed applications, such as wireless weather, marine, and military radar applications.APPLICATIONSWeather radarsMarine radarsMilitary radars |
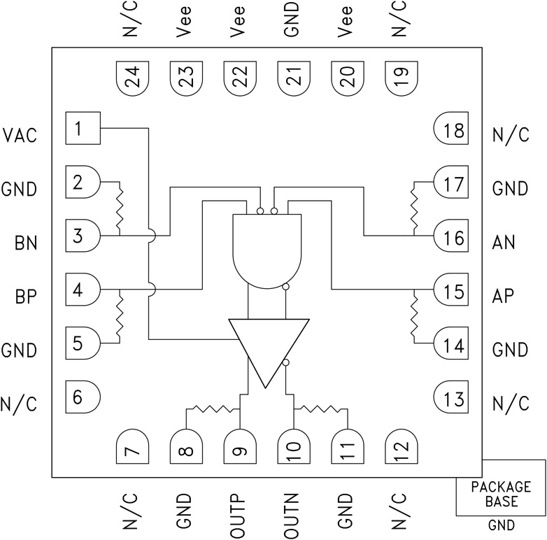
HMC84245 Gbps Fanout Buffer with Programmable Output Voltage | RF Misc ICs and Modules | 2 | Obsolete | The HMC842LC4B is a 1:2 Fanout Buffer designed to support data transmission rates up to 45 Gbps. The device can also operate with clock signals up to 28 GHz. During normal operation, input data (or clock) is transferred to both output channels. Differential input and output signals of the HMC842LC4B are terminated with 50 Ohms to ground on-chip, and may be either AC or DC coupled. The Outputs can be connected directly to a 50 Ohms-to-ground terminated system, while DC blocking capacitors should be used if the terminating system is 50 Ohms to a non-ground DC voltage.The HMC842LC4B also features two separate output level control pins, VAC1 and VAC2 which provide loss compensation and signal level optimization for each output channel independently. The HMC842LC4B operates from a single -3.3V DC supply and is available in a ceramic RoHS compliant 4x4 mm SMT package.ApplicationsOC-768 & SDH STM-256 EquipmentRF ATE ApplicationsShort, intermediate, & Long Haul Fiber Optic ApplicationsBroadband Test & MeasurementSerial Data Transmission up to 45 GbpsClock Buffering up to 28 GHz |
| Evaluation Boards | 1 | Obsolete | ||
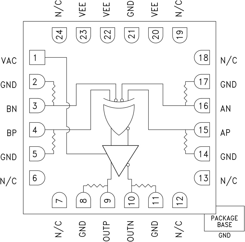
HMC84445 Gbps Fast Rise Time XOR/XNOR with Programmable Output Voltage | Development Boards, Kits, Programmers | 3 | Obsolete | The HMC844LC4B is an XOR/XNOR function designed to support data transmission rates of up to 45 Gbps, and clock frequencies as high as 25 GHz. The HMC844LC4B may be easily configured to provide either XOR or XNOR logic functions. The HMC844LC4B also features an output level control pin, VAC, which allows for loss compensation or for signal level optimization.All input signals to the HMC844LC4B are terminated with 50 Ohms to ground on-chip, and may be either AC or DC coupled. The differential outputs of the HMC844LC4B may be either AC or DC coupled. Outputs can be connected directly to a 50 Ohms-to-ground terminated system, while DC blocking capacitors should be used if the terminating system is 50 Ohms to a non-ground DC voltage. The HMC844LC4B operates from a single -3.3V DC supply, and is available in a ceramic RoHS compliant 4x4 mm SMT package.ApplicationsRF ATE ApplicationsBroadband Test & MeasurementSerial Data Transmission up to 45 GbpsDigital Logic Systems up to 25 GHz |
| RF and Wireless | 3 | Obsolete | ||