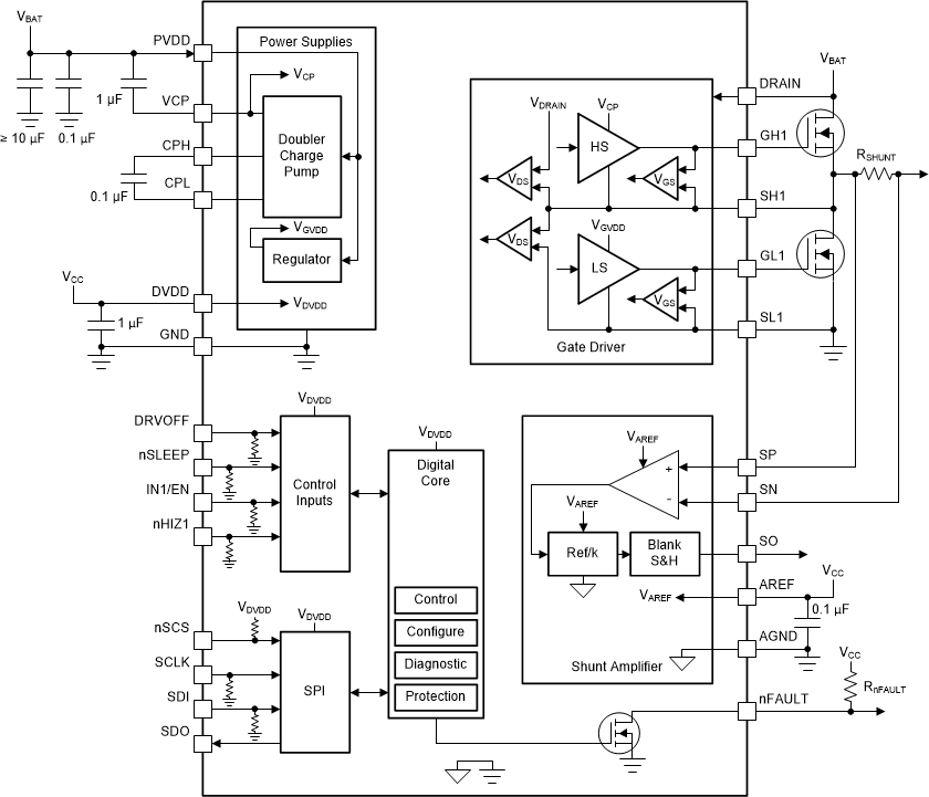
DRV8106-Q1Automotive, 40V, half-bridge smart gate driver w/offline diagnostics and inline current sense amp | Evaluation and Demonstration Boards and Kits | 3 | Active | The DRV8106-Q1 is a highly integrated half-bridge gate driver, capable of driving high-side and low-side N-channel power MOSFETs. It generates the proper gate drive voltages using an integrated doubler charge pump for the high-side and a linear regulator for the low-side.
The device uses a smart gate drive architecture to reduce system cost and improve reliability. The gate driver optimizes dead time to avoid shoot-through conditions, provides control to decreasing electromagnetic interference (EMI) through adjustable gate drive current, and protects against drain to source and gate short conditions with VDSand VGSmonitors.
A wide common mode shunt amplifier provides inline current sensing to continuously measure motor current even during recirculating windows. The amplifier can be used in low-side or high-side sense configurations if inline sensing is not required.
The DRV8106-Q1 provide an array of protection features to ensure robust system operation. These include under and overvoltage monitors for the power supply and charge pump, VDSovercurrent and VGSgate fault monitors for the external MOSFETs, offline open load and short circuit diagnostics, and internal thermal warning and shutdown protection.
The DRV8106-Q1 is a highly integrated half-bridge gate driver, capable of driving high-side and low-side N-channel power MOSFETs. It generates the proper gate drive voltages using an integrated doubler charge pump for the high-side and a linear regulator for the low-side.
The device uses a smart gate drive architecture to reduce system cost and improve reliability. The gate driver optimizes dead time to avoid shoot-through conditions, provides control to decreasing electromagnetic interference (EMI) through adjustable gate drive current, and protects against drain to source and gate short conditions with VDSand VGSmonitors.
A wide common mode shunt amplifier provides inline current sensing to continuously measure motor current even during recirculating windows. The amplifier can be used in low-side or high-side sense configurations if inline sensing is not required.
The DRV8106-Q1 provide an array of protection features to ensure robust system operation. These include under and overvoltage monitors for the power supply and charge pump, VDSovercurrent and VGSgate fault monitors for the external MOSFETs, offline open load and short circuit diagnostics, and internal thermal warning and shutdown protection. |
DRV8143-Q1Automotive 40-V, 20-A half-bridge driver with integrated current sensing and feedback | Motor Drivers, Controllers | 2 | Active | The DRV814x-Q1 family of devices is a fully integrated half-bridge driver intended for a wide range of automotive applications. Designed in a BiCMOS high power process technology node, this monolithic family of devices in a power package offer excellent power handling and thermal capability while providing compact package size, ease of layout, EMI control, accurate current sense, robustness, and diagnostic capability. This family provides an identical pin function with scalable RON (current capability) to support different loads.
The devices integrate a N-channel half-bridge, charge pump regulator, high-side current sensing with regulation, current proportional output, and protection circuitry. A low-power sleep mode is provided to achieve low quiescent current. The devices offer voltage monitoring and load diagnostics as well as protection features against over current and over temperature. Fault conditions are indicated on nFAULT pin. DRV8143 and DRV8145 are available in three variants - hardwired interface: HW (H) and two SPI interface variants: SPI(P) and SPI(S), with SPI (P) for externally supplied logic supply and SPI (S) for internally generated logic supply. DRV8144 is available only in two variants: SPI(S) and HW(H). The SPI interface variants offer more flexibility in device configuration and fault observability.
The DRV814x-Q1 family of devices is a fully integrated half-bridge driver intended for a wide range of automotive applications. Designed in a BiCMOS high power process technology node, this monolithic family of devices in a power package offer excellent power handling and thermal capability while providing compact package size, ease of layout, EMI control, accurate current sense, robustness, and diagnostic capability. This family provides an identical pin function with scalable RON (current capability) to support different loads.
The devices integrate a N-channel half-bridge, charge pump regulator, high-side current sensing with regulation, current proportional output, and protection circuitry. A low-power sleep mode is provided to achieve low quiescent current. The devices offer voltage monitoring and load diagnostics as well as protection features against over current and over temperature. Fault conditions are indicated on nFAULT pin. DRV8143 and DRV8145 are available in three variants - hardwired interface: HW (H) and two SPI interface variants: SPI(P) and SPI(S), with SPI (P) for externally supplied logic supply and SPI (S) for internally generated logic supply. DRV8144 is available only in two variants: SPI(S) and HW(H). The SPI interface variants offer more flexibility in device configuration and fault observability. |
DRV8145-Q1Automotive 40-V 46-A half bridge driver with integrated current sensing and feedback | Full Half-Bridge (H Bridge) Drivers | 3 | Active | The DRV814x-Q1 family of devices is a fully integrated half-bridge driver intended for a wide range of automotive applications. Designed in a BiCMOS high power process technology node, this monolithic family of devices in a power package offer excellent power handling and thermal capability while providing compact package size, ease of layout, EMI control, accurate current sense, robustness, and diagnostic capability. This family provides an identical pin function with scalable RON (current capability) to support different loads.
The devices integrate a N-channel half-bridge, charge pump regulator, high-side current sensing with regulation, current proportional output, and protection circuitry. A low-power sleep mode is provided to achieve low quiescent current. The devices offer voltage monitoring and load diagnostics as well as protection features against over current and over temperature. Fault conditions are indicated on nFAULT pin. DRV8143 and DRV8145 are available in three variants - hardwired interface: HW (H) and two SPI interface variants: SPI(P) and SPI(S), with SPI (P) for externally supplied logic supply and SPI (S) for internally generated logic supply. DRV8144 is available only in two variants: SPI(S) and HW(H). The SPI interface variants offer more flexibility in device configuration and fault observability.
The DRV814x-Q1 family of devices is a fully integrated half-bridge driver intended for a wide range of automotive applications. Designed in a BiCMOS high power process technology node, this monolithic family of devices in a power package offer excellent power handling and thermal capability while providing compact package size, ease of layout, EMI control, accurate current sense, robustness, and diagnostic capability. This family provides an identical pin function with scalable RON (current capability) to support different loads.
The devices integrate a N-channel half-bridge, charge pump regulator, high-side current sensing with regulation, current proportional output, and protection circuitry. A low-power sleep mode is provided to achieve low quiescent current. The devices offer voltage monitoring and load diagnostics as well as protection features against over current and over temperature. Fault conditions are indicated on nFAULT pin. DRV8143 and DRV8145 are available in three variants - hardwired interface: HW (H) and two SPI interface variants: SPI(P) and SPI(S), with SPI (P) for externally supplied logic supply and SPI (S) for internally generated logic supply. DRV8144 is available only in two variants: SPI(S) and HW(H). The SPI interface variants offer more flexibility in device configuration and fault observability. |
DRV8210P12-V, 1-A H-bridge motor driver, PWM control with low power sleep mode | Power Management (PMIC) | 3 | Active | The DRV8210 is an integrated motor driver with four N-channel power FETs, charge pump regulator, and protection circuitry. The tripler charge pump architecture allows the device to operate down to 1.65 V to accommodate 1.8-V supply rails and low-battery conditions. The charge pump integrates all capacitors to reduce the overall solution size of the motor driver on a PCB and allows for 100% duty cycle operation.
The DRV8210 supports multiple control interface modes including: PWM (IN1/IN2), phase/enable (PH/EN), independent half-bridge, and parallel half-bridge. Each interface supports a low-power sleep mode to achieve ultra-low quiescent current draw by shutting down most of the internal circuitry.
The device can supply up to 1.76-A peak output current. It operates with a supply voltage from 1.65 V to 5.5 V.
The driver offers robust internal protection features include supply undervoltage lockout (UVLO), output overcurrent (OCP), and device overtemperature (TSD).
The DRV8210 is part of a family of devices which come in pin-to-pin scalable RDS(on)and supply voltage options to support various loads and supply rails with minimal design changes. See Device Comparison for information on the devices in this family. View our full portfolio ofbrushed motor driverson ti.com.
The DRV8210 is an integrated motor driver with four N-channel power FETs, charge pump regulator, and protection circuitry. The tripler charge pump architecture allows the device to operate down to 1.65 V to accommodate 1.8-V supply rails and low-battery conditions. The charge pump integrates all capacitors to reduce the overall solution size of the motor driver on a PCB and allows for 100% duty cycle operation.
The DRV8210 supports multiple control interface modes including: PWM (IN1/IN2), phase/enable (PH/EN), independent half-bridge, and parallel half-bridge. Each interface supports a low-power sleep mode to achieve ultra-low quiescent current draw by shutting down most of the internal circuitry.
The device can supply up to 1.76-A peak output current. It operates with a supply voltage from 1.65 V to 5.5 V.
The driver offers robust internal protection features include supply undervoltage lockout (UVLO), output overcurrent (OCP), and device overtemperature (TSD).
The DRV8210 is part of a family of devices which come in pin-to-pin scalable RDS(on)and supply voltage options to support various loads and supply rails with minimal design changes. See Device Comparison for information on the devices in this family. View our full portfolio ofbrushed motor driverson ti.com. |
DRV8212P12-V, 3-A H-bridge motor driver, PWM control with low power sleep mode | Integrated Circuits (ICs) | 2 | Active | The DRV8212P is an integrated motor driver with four N-channel power FETs, charge pump regulator, and protection circuitry. The tripler charge pump architecture allows the device to operate down to 1.65 V to accommodate 1.8-V supply rails and low-battery conditions. The charge pump integrates all capacitors to reduce the overall solution size of the motor driver on a PCB and allows for 100% duty cycle operation.
The DRV8212P supports an industry standard PWM (IN1/IN2) control interface. The nSLEEP pin controls a low-power sleep mode which achieves ultra-low quiescent current draw by disabling the internal circuitry.
The device can supply up to 4-A peak output current. It operates with a supply voltage from 1.65 V to 5.5 V.
The driver offers robust internal protection features include supply undervoltage lockout (UVLO), output overcurrent (OCP), and device overtemperature (TSD).
The DRV8212P is part of a family of devices which come in pin-to-pin scalable RDS(on)and supply voltage options to support various loads and supply rails with minimal design changes. See Section 5 for information on the devices in this family. View our full portfolio ofbrushed motor driverson ti.com.
The DRV8212P is an integrated motor driver with four N-channel power FETs, charge pump regulator, and protection circuitry. The tripler charge pump architecture allows the device to operate down to 1.65 V to accommodate 1.8-V supply rails and low-battery conditions. The charge pump integrates all capacitors to reduce the overall solution size of the motor driver on a PCB and allows for 100% duty cycle operation.
The DRV8212P supports an industry standard PWM (IN1/IN2) control interface. The nSLEEP pin controls a low-power sleep mode which achieves ultra-low quiescent current draw by disabling the internal circuitry.
The device can supply up to 4-A peak output current. It operates with a supply voltage from 1.65 V to 5.5 V.
The driver offers robust internal protection features include supply undervoltage lockout (UVLO), output overcurrent (OCP), and device overtemperature (TSD).
The DRV8212P is part of a family of devices which come in pin-to-pin scalable RDS(on)and supply voltage options to support various loads and supply rails with minimal design changes. See Section 5 for information on the devices in this family. View our full portfolio ofbrushed motor driverson ti.com. |
DRV821311-V 4-A brushed DC motor driver with intergrated current sense, current regulation and stall detect | Motor Drivers, Controllers | 1 | Active | The DRV8213 is an integrated motor driver with N-channel H-bridge, charge pump, current sense output, current regulation, and protection circuitry. The tripler charge pump allows the device to operate down to 1.65 V to accommodate 1.8-V supply rails and low-battery conditions. The charge pump integrates all capacitors and allows for 100% duty cycle operation.
An internal current mirror implements current sensing and regulation. This eliminates the need for a large power shunt resistor, saving board area and reducing system cost. The IPROPI current sense output allows a microcontroller to detect motor stall or changes in load conditions. The gain select (GAINSEL) feature allows high accuracy current sensing down to 10 mA average motor current. Using the VREF pin, this device can regulate the motor current during startup and high-load events without interaction from a microcontroller. The RTE package supports sensorless motor stall detection and reporting to microcontroller.
A low-power sleep mode achieves ultra-low quiescent current by shutting down most of the internal circuitry. Internal protection features include undervoltage lockout, overcurrent, and overtemperature.
The DRV8213 is an integrated motor driver with N-channel H-bridge, charge pump, current sense output, current regulation, and protection circuitry. The tripler charge pump allows the device to operate down to 1.65 V to accommodate 1.8-V supply rails and low-battery conditions. The charge pump integrates all capacitors and allows for 100% duty cycle operation.
An internal current mirror implements current sensing and regulation. This eliminates the need for a large power shunt resistor, saving board area and reducing system cost. The IPROPI current sense output allows a microcontroller to detect motor stall or changes in load conditions. The gain select (GAINSEL) feature allows high accuracy current sensing down to 10 mA average motor current. Using the VREF pin, this device can regulate the motor current during startup and high-load events without interaction from a microcontroller. The RTE package supports sensorless motor stall detection and reporting to microcontroller.
A low-power sleep mode achieves ultra-low quiescent current by shutting down most of the internal circuitry. Internal protection features include undervoltage lockout, overcurrent, and overtemperature. |
DRV821411-V 4-A H-bridge motor driver with sensorless stall detection, ripple counting and I²C interface | Motor Drivers, Controllers | 1 | Active | The DRV8214 is a high-performance integrated H-bridge motor driver with integrated speed and position detection using ripple counting along with additional features like motor speed and voltage regulation, stall detection, current sense output, current regulation, and protection circuitry.
The integrated ripple counting algorithm counts the number of ripples in the motor current to determine motor relative position and speed eliminating the potential need for encoders, hall sensors, or optical sensors. This reduces board space and design complexity, and saves on overall system cost. Integrated speed regulation is used to maintain constant motor speed over varying input supply voltages which minimizes current consumption and saves power over time. This is critical in applications that have different loading conditions or rely on battery power for operation where the input voltage is not constant. Soft-start and stop allows for a controlled turn-on and turn-off time, reducing large inrush currents to protect the motor windings from damage, thereby increasing system reliability and longevity.
An internal current mirror implements current sensing and regulation. This eliminates the need for a large power shunt resistor, saving board area and reducing system cost. The IPROPI current sense output allows a microcontroller to detect motor stall or changes in load conditions. The gain select feature allows high accuracy current sensing down to 10 mA average motor current. Using the VREF pin, this device can regulate the motor current during startup and high-load events without interaction from a microcontroller. The device supports sensorless motor stall detection and reporting to microcontroller.
The DRV8214 is a high-performance integrated H-bridge motor driver with integrated speed and position detection using ripple counting along with additional features like motor speed and voltage regulation, stall detection, current sense output, current regulation, and protection circuitry.
The integrated ripple counting algorithm counts the number of ripples in the motor current to determine motor relative position and speed eliminating the potential need for encoders, hall sensors, or optical sensors. This reduces board space and design complexity, and saves on overall system cost. Integrated speed regulation is used to maintain constant motor speed over varying input supply voltages which minimizes current consumption and saves power over time. This is critical in applications that have different loading conditions or rely on battery power for operation where the input voltage is not constant. Soft-start and stop allows for a controlled turn-on and turn-off time, reducing large inrush currents to protect the motor windings from damage, thereby increasing system reliability and longevity.
An internal current mirror implements current sensing and regulation. This eliminates the need for a large power shunt resistor, saving board area and reducing system cost. The IPROPI current sense output allows a microcontroller to detect motor stall or changes in load conditions. The gain select feature allows high accuracy current sensing down to 10 mA average motor current. Using the VREF pin, this device can regulate the motor current during startup and high-load events without interaction from a microcontroller. The device supports sensorless motor stall detection and reporting to microcontroller. |
DRV821511V, 4A half-bridge motor driver with sensorless stall detection,I2C, speed and voltage regulation | Power Management (PMIC) | 1 | Active | The DRV8215 is a high-performance integrated H-bridge motor driver with integrated speed and voltage regulation along with additional integrated features like stall detection, current sense output, current regulation, and protection circuitry.
The integrated speed and voltage regulation feature uses the motor voltage and current information to regulate motor speed or voltage eliminating the potential need for external sensors to detect speed. This reduces board size and design complexity, and saves on overall system cost. Integrated speed regulation is used to maintain constant motor speed over varying input supply voltages which minimizes current consumption and saves power over time. This is critical in applications that have different loading conditions or rely on battery power for operation where the input voltage is not constant. Soft-start and stop allows for a controlled turn-on and turn-off time, reducing large inrush currents to protect the motor windings from damage, thereby increasing system reliability and longevity.
An internal current mirror implements current sensing and regulation. This eliminates the need for a large power shunt resistor, saving board area and reducing system cost. The IPROPI current sense output allows a microcontroller to detect motor stall or changes in load conditions. The gain select feature allows high accuracy current sensing down to 10mA average motor current. Using the VREF pin, this device can regulate the motor current during startup and high-load events without interaction from a microcontroller. The device supports sensorless motor stall detection and reporting to microcontroller.
The DRV8215 is a high-performance integrated H-bridge motor driver with integrated speed and voltage regulation along with additional integrated features like stall detection, current sense output, current regulation, and protection circuitry.
The integrated speed and voltage regulation feature uses the motor voltage and current information to regulate motor speed or voltage eliminating the potential need for external sensors to detect speed. This reduces board size and design complexity, and saves on overall system cost. Integrated speed regulation is used to maintain constant motor speed over varying input supply voltages which minimizes current consumption and saves power over time. This is critical in applications that have different loading conditions or rely on battery power for operation where the input voltage is not constant. Soft-start and stop allows for a controlled turn-on and turn-off time, reducing large inrush currents to protect the motor windings from damage, thereby increasing system reliability and longevity.
An internal current mirror implements current sensing and regulation. This eliminates the need for a large power shunt resistor, saving board area and reducing system cost. The IPROPI current sense output allows a microcontroller to detect motor stall or changes in load conditions. The gain select feature allows high accuracy current sensing down to 10mA average motor current. Using the VREF pin, this device can regulate the motor current during startup and high-load events without interaction from a microcontroller. The device supports sensorless motor stall detection and reporting to microcontroller. |
DRV822020-V, 1.76-A H-bridge motor driver with auto sleep mode | Motor Drivers, Controllers | 2 | Active | The DRV8220 is an integrated motor driver with four N-channel power FETs, charge pump regulator, and protection circuitry. The charge pump integrates all capacitors to reduce the overall solution size of the motor driver on a PCB and allows for 100% duty cycle operation.
The DRV8220 supports multiple control interface modes including: PWM (IN1/IN2), phase/enable (PH/EN), independent half-bridge, and parallel half-bridge. Each interface supports a low-power sleep mode to achieve ultra-low quiescent current draw by shutting down most of the internal circuitry. The DSG package supports an nSLEEP pin to control sleep mode using a logic signal input.
The device can supply up to 1.76 A of output current. It operates with a supply voltage from 4.5 to 18 V.
The driver offers robust internal protection features include supply undervoltage lockout (UVLO), output overcurrent (OCP), and device overtemperature (TSD).
The DRV8220 is part of a family of devices which come in pin-to-pin scalable RDS(on)and supply voltage options to support various loads and supply rails with minimal design changes. See Device Comparison for information on the devices in this family. View our full portfolio ofbrushed motor driverson ti.com.
The DRV8220 is an integrated motor driver with four N-channel power FETs, charge pump regulator, and protection circuitry. The charge pump integrates all capacitors to reduce the overall solution size of the motor driver on a PCB and allows for 100% duty cycle operation.
The DRV8220 supports multiple control interface modes including: PWM (IN1/IN2), phase/enable (PH/EN), independent half-bridge, and parallel half-bridge. Each interface supports a low-power sleep mode to achieve ultra-low quiescent current draw by shutting down most of the internal circuitry. The DSG package supports an nSLEEP pin to control sleep mode using a logic signal input.
The device can supply up to 1.76 A of output current. It operates with a supply voltage from 4.5 to 18 V.
The driver offers robust internal protection features include supply undervoltage lockout (UVLO), output overcurrent (OCP), and device overtemperature (TSD).
The DRV8220 is part of a family of devices which come in pin-to-pin scalable RDS(on)and supply voltage options to support various loads and supply rails with minimal design changes. See Device Comparison for information on the devices in this family. View our full portfolio ofbrushed motor driverson ti.com. |
DRV8231A35-V, 3.7-A H-bridge motor driver with integrated current regulation & current-sense feedback | Motor Drivers, Controllers | 4 | Active | The DRV8231A device is an integrated motor driver with N-channel H-bridge, charge pump, current sense feedback, current regulation, and protection circuitry. The charge pump improves efficiency by supporting N-channel MOSFET half bridges and 100% duty cycle driving.
An internal current mirror architecture on the IPROPI pin implements current sensing and regulation. This eliminates the need for a large power shunt resistor, saving board area and reducing system cost. The IPROPI current-sense output allows a microcontroller to detect motor stall or changes in load conditions. The external voltage reference pin, VREF, determines the threshold of current regulation during start-up and stall events without interaction from a microcontroller.
A low-power sleep mode achieves ultra-low quiescent current draw by shutting down most of the internal circuitry. Internal protection features include supply undervoltage lockout, output overcurrent, and device overtemperature.
The DRV8231A is part of a family of devices which come in pin-to-pin, scalable RDS(on)and supply voltage options to support various loads and supply rails with minimal design changes. See Section 5 for information on the devices in this family. View the full portfolio ofbrushed motor driverson ti.com.
The DRV8231A device is an integrated motor driver with N-channel H-bridge, charge pump, current sense feedback, current regulation, and protection circuitry. The charge pump improves efficiency by supporting N-channel MOSFET half bridges and 100% duty cycle driving.
An internal current mirror architecture on the IPROPI pin implements current sensing and regulation. This eliminates the need for a large power shunt resistor, saving board area and reducing system cost. The IPROPI current-sense output allows a microcontroller to detect motor stall or changes in load conditions. The external voltage reference pin, VREF, determines the threshold of current regulation during start-up and stall events without interaction from a microcontroller.
A low-power sleep mode achieves ultra-low quiescent current draw by shutting down most of the internal circuitry. Internal protection features include supply undervoltage lockout, output overcurrent, and device overtemperature.
The DRV8231A is part of a family of devices which come in pin-to-pin, scalable RDS(on)and supply voltage options to support various loads and supply rails with minimal design changes. See Section 5 for information on the devices in this family. View the full portfolio ofbrushed motor driverson ti.com. |