DRV823438-V 2-A H-bridge motor driver with ripple counting, sensorless stall detection and I²C interface | Motor Drivers, Controllers | 1 | Active | The DRV8234 is a high-performance integrated H-bridge motor driver with integrated speed and position detection using ripple counting along with additional features like motor speed and voltage regulation, stall detection, current sense output, current regulation, and protection circuitry.
The integrated ripple counting algorithm counts the number of ripples in the motor current to determine motor relative position and speed eliminating the potential need for encoders, hall sensors, or optical sensors. This reduces board space and design complexity, and saves on overall system cost. Integrated speed regulation is used to maintain constant motor speed over varying input supply voltages which minimizes current consumption and saves power over time. This is critical in applications that have different loading conditions or rely on battery power for operation where the input voltage is not constant. Soft-start and stop allows for a controlled turn-on and turn-off time, reducing large inrush currents to protect the motor windings from damage, thereby increasing system reliability and longevity.
An internal current mirror implements current sensing and regulation. This eliminates the need for a large power shunt resistor, saving board area and reducing system cost. The IPROPI current sense output allows a microcontroller to detect motor stall or changes in load conditions. Using the VREF pin, this device can regulate the motor current during startup and high-load events without interaction from a microcontroller. The device supports sensorless motor stall detection and reporting to microcontroller.
The DRV8234 is a high-performance integrated H-bridge motor driver with integrated speed and position detection using ripple counting along with additional features like motor speed and voltage regulation, stall detection, current sense output, current regulation, and protection circuitry.
The integrated ripple counting algorithm counts the number of ripples in the motor current to determine motor relative position and speed eliminating the potential need for encoders, hall sensors, or optical sensors. This reduces board space and design complexity, and saves on overall system cost. Integrated speed regulation is used to maintain constant motor speed over varying input supply voltages which minimizes current consumption and saves power over time. This is critical in applications that have different loading conditions or rely on battery power for operation where the input voltage is not constant. Soft-start and stop allows for a controlled turn-on and turn-off time, reducing large inrush currents to protect the motor windings from damage, thereby increasing system reliability and longevity.
An internal current mirror implements current sensing and regulation. This eliminates the need for a large power shunt resistor, saving board area and reducing system cost. The IPROPI current sense output allows a microcontroller to detect motor stall or changes in load conditions. Using the VREF pin, this device can regulate the motor current during startup and high-load events without interaction from a microcontroller. The device supports sensorless motor stall detection and reporting to microcontroller. |
DRV823538V 3.7A brushed DC motor driver with integrated speed regulation and stall detection | Integrated Circuits (ICs) | 1 | Active | The DRV8235 is a high-performance integrated H-bridge motor driver with integrated speed regulation along with additional integrated features like stall detection, current sense output, current regulation, and protection circuitry.
The integrated speed and voltage regulation feature uses the motor voltage and current information to regulate motor speed or voltage eliminating the potential need for external sensors to detect speed. This reduces board size and design complexity, and saves on overall system cost. Integrated speed regulation is used to maintain constant motor speed over varying input supply voltages which minimizes current consumption and saves power over time. This is critical in applications that have different loading conditions or rely on battery power for operation where the input voltage is not constant. Soft-start and stop allows for a controlled turn-on and turn-off time, reducing large inrush currents to protect the motor windings from damage, thereby increasing system reliability and longevity.
An internal current mirror implements current sensing and regulation. This eliminates the need for a large power shunt resistor, saving board area and reducing system cost. The IPROPI current sense output allows a microcontroller to detect motor stall or changes in load conditions. Using the VREF pin, this device can regulate the motor current during startup and high-load events without interaction from a microcontroller. The device supports sensorless motor stall detection and reporting to microcontroller.
The DRV8235 is a high-performance integrated H-bridge motor driver with integrated speed regulation along with additional integrated features like stall detection, current sense output, current regulation, and protection circuitry.
The integrated speed and voltage regulation feature uses the motor voltage and current information to regulate motor speed or voltage eliminating the potential need for external sensors to detect speed. This reduces board size and design complexity, and saves on overall system cost. Integrated speed regulation is used to maintain constant motor speed over varying input supply voltages which minimizes current consumption and saves power over time. This is critical in applications that have different loading conditions or rely on battery power for operation where the input voltage is not constant. Soft-start and stop allows for a controlled turn-on and turn-off time, reducing large inrush currents to protect the motor windings from damage, thereby increasing system reliability and longevity.
An internal current mirror implements current sensing and regulation. This eliminates the need for a large power shunt resistor, saving board area and reducing system cost. The IPROPI current sense output allows a microcontroller to detect motor stall or changes in load conditions. Using the VREF pin, this device can regulate the motor current during startup and high-load events without interaction from a microcontroller. The device supports sensorless motor stall detection and reporting to microcontroller. |
DRV8242-Q1Automotive, 40-V 6-A H-bridge driver with integrated current sensing and feedback | Motor Drivers, Controllers | 1 | Active | The DRV824x-Q1 family of devices is a fully integrated H-bridge driver intended for a wide range of automotive applications. The device is a bidirectional full-bridge driver with PWM or phase-enable control. Designed in a BiCMOS high-power process technology node, this monolithic family of devices in a power package offers excellent power handling and thermal capability while providing compact package size, ease of layout, EMI control, accurate current sense, robustness, and diagnostic capability. This family provides an identical pin function with scalable RON (current capability) to support different loads.
The devices integrate an N-channel H-bridge, charge pump regulator, high-side current sensing with regulation, current proportional output, and protection circuitry. A low-power sleep mode is provided to achieve low quiescent current. The devices offer voltage monitoring and load diagnostics as well as protection features against over-current and over-temperature. Fault conditions are indicated on the nFAULT pin. The devices are available in three variants - hardwired interface: HW (H) and two SPI interface variants: SPI(P) and SPI(S), with SPI (P) for externally supplied logic supply and SPI (S) for internally generated logic supply. The SPI interface variants offer more flexibility in device configuration and fault observability.
The DRV824x-Q1 family of devices is a fully integrated H-bridge driver intended for a wide range of automotive applications. The device is a bidirectional full-bridge driver with PWM or phase-enable control. Designed in a BiCMOS high-power process technology node, this monolithic family of devices in a power package offers excellent power handling and thermal capability while providing compact package size, ease of layout, EMI control, accurate current sense, robustness, and diagnostic capability. This family provides an identical pin function with scalable RON (current capability) to support different loads.
The devices integrate an N-channel H-bridge, charge pump regulator, high-side current sensing with regulation, current proportional output, and protection circuitry. A low-power sleep mode is provided to achieve low quiescent current. The devices offer voltage monitoring and load diagnostics as well as protection features against over-current and over-temperature. Fault conditions are indicated on the nFAULT pin. The devices are available in three variants - hardwired interface: HW (H) and two SPI interface variants: SPI(P) and SPI(S), with SPI (P) for externally supplied logic supply and SPI (S) for internally generated logic supply. The SPI interface variants offer more flexibility in device configuration and fault observability. |
DRV8243-Q1Automotive 40-V, 12-A H-bridge driver with integrated current sensing and feedback | Power Management (PMIC) | 4 | Active | The DRV824x-Q1 family of devices is a fully integrated H-bridge driver intended for a wide range of automotive applications. The device can be configured as a single full-bridge driver or as two independent half-bridge drivers. Designed in a BiCMOS high power process technology node, this monolithic family of devices in a power package offer excellent power handling and thermal capability while providing compact package size, ease of layout, EMI control, accurate current sense, robustness, and diagnostic capability. This family provides an identical pin function with scalable RON(current capability) to support different loads.
The devices integrate a N-channel H-bridge, charge pump regulator, high-side current sensing with regulation, current proportional output, and protection circuitry. A low-power sleep mode is provided to achieve low quiescent current. The devices offer voltage monitoring and load diagnostics as well as protection features against over current and over temperature. Fault conditions are indicated on nFAULT pin. The devices are available in three variants - hardwired interface: HW (H) and two SPI interface variants: SPI(P) and SPI(S), with SPI (P) for externally supplied logic supply and SPI (S) for internally generated logic supply. The SPI interface variants offer more flexibility in device configuration and fault observability.
The DRV824x-Q1 family of devices is a fully integrated H-bridge driver intended for a wide range of automotive applications. The device can be configured as a single full-bridge driver or as two independent half-bridge drivers. Designed in a BiCMOS high power process technology node, this monolithic family of devices in a power package offer excellent power handling and thermal capability while providing compact package size, ease of layout, EMI control, accurate current sense, robustness, and diagnostic capability. This family provides an identical pin function with scalable RON(current capability) to support different loads.
The devices integrate a N-channel H-bridge, charge pump regulator, high-side current sensing with regulation, current proportional output, and protection circuitry. A low-power sleep mode is provided to achieve low quiescent current. The devices offer voltage monitoring and load diagnostics as well as protection features against over current and over temperature. Fault conditions are indicated on nFAULT pin. The devices are available in three variants - hardwired interface: HW (H) and two SPI interface variants: SPI(P) and SPI(S), with SPI (P) for externally supplied logic supply and SPI (S) for internally generated logic supply. The SPI interface variants offer more flexibility in device configuration and fault observability. |
DRV8244-Q1Automotive 40-V, 21-A H-Bridge driver with integrated current sensing and feedback | Motor Drivers, Controllers | 2 | Active | The DRV824x-Q1 family of devices is a fully integrated H-bridge driver intended for a wide range of automotive applications. The device can be configured as a single full-bridge driver or as two independent half-bridge drivers. Designed in a BiCMOS high power process technology node, this monolithic family of devices in a power package offer excellent power handling and thermal capability while providing compact package size, ease of layout, EMI control, accurate current sense, robustness, and diagnostic capability. This family provides an identical pin function with scalable RON(current capability) to support different loads.
The devices integrate a N-channel H-bridge, charge pump regulator, high-side current sensing with regulation, current proportional output, and protection circuitry. A low-power sleep mode is provided to achieve low quiescent current. The devices offer voltage monitoring and load diagnostics as well as protection features against over current and over temperature. Fault conditions are indicated on nFAULT pin. The devices are available in three variants - hardwired interface: HW (H) and two SPI interface variants: SPI(P) and SPI(S), with SPI (P) for externally supplied logic supply and SPI (S) for internally generated logic supply. The SPI interface variants offer more flexibility in device configuration and fault observability.
The DRV824x-Q1 family of devices is a fully integrated H-bridge driver intended for a wide range of automotive applications. The device can be configured as a single full-bridge driver or as two independent half-bridge drivers. Designed in a BiCMOS high power process technology node, this monolithic family of devices in a power package offer excellent power handling and thermal capability while providing compact package size, ease of layout, EMI control, accurate current sense, robustness, and diagnostic capability. This family provides an identical pin function with scalable RON(current capability) to support different loads.
The devices integrate a N-channel H-bridge, charge pump regulator, high-side current sensing with regulation, current proportional output, and protection circuitry. A low-power sleep mode is provided to achieve low quiescent current. The devices offer voltage monitoring and load diagnostics as well as protection features against over current and over temperature. Fault conditions are indicated on nFAULT pin. The devices are available in three variants - hardwired interface: HW (H) and two SPI interface variants: SPI(P) and SPI(S), with SPI (P) for externally supplied logic supply and SPI (S) for internally generated logic supply. The SPI interface variants offer more flexibility in device configuration and fault observability. |
| Integrated Circuits (ICs) | 3 | Active | |
DRV8251A50-V, 4.1-A H-bridge motor driver with integrated current regulation & current-sense feedback | Evaluation and Demonstration Boards and Kits | 3 | Active | The DRV8251A device is an integrated motor driver with N-channel H-bridge, charge pump, current sense feedback, current regulation, and protection circuitry. The charge pump improves efficiency by supporting N-channel MOSFET half bridges and 100% duty cycle driving.
An internal current mirror architecture on the IPROPI pin implements current sensing and regulation. This eliminates the need for a large power shunt resistor, saving board area and reducing system cost. The IPROPI current-sense output allows a microcontroller to detect motor stall or changes in load conditions. The external voltage reference pin, VREF, determines the threshold of current regulation during start-up and stall events without interaction from a microcontroller.
A low-power sleep mode achieves ultra-low quiescent current draw by shutting down most of the internal circuitry. Internal protection features include supply undervoltage lockout, output overcurrent, and device overtemperature.
The DRV8251A is part of a family of devices which come in pin-to-pin, scalable RDS(on)and supply voltage options to support various loads and supply rails with minimal design changes. See Section 5 for information on the devices in this family. View the full portfolio ofbrushed motor driverson ti.com.
The DRV8251A device is an integrated motor driver with N-channel H-bridge, charge pump, current sense feedback, current regulation, and protection circuitry. The charge pump improves efficiency by supporting N-channel MOSFET half bridges and 100% duty cycle driving.
An internal current mirror architecture on the IPROPI pin implements current sensing and regulation. This eliminates the need for a large power shunt resistor, saving board area and reducing system cost. The IPROPI current-sense output allows a microcontroller to detect motor stall or changes in load conditions. The external voltage reference pin, VREF, determines the threshold of current regulation during start-up and stall events without interaction from a microcontroller.
A low-power sleep mode achieves ultra-low quiescent current draw by shutting down most of the internal circuitry. Internal protection features include supply undervoltage lockout, output overcurrent, and device overtemperature.
The DRV8251A is part of a family of devices which come in pin-to-pin, scalable RDS(on)and supply voltage options to support various loads and supply rails with minimal design changes. See Section 5 for information on the devices in this family. View the full portfolio ofbrushed motor driverson ti.com. |
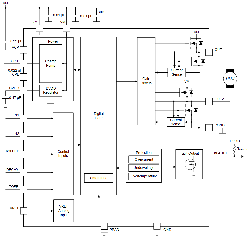
DRV825650-V, 8-A H-bridge motor drivers with integrated current sense and smart tune technology | Integrated Circuits (ICs) | 3 | Active | The DRV8256E/P devices are single H-bridge motor drivers for a wide variety of industrial applications. The devices integrate an N-channel H-bridge, charge pump regulator, current sensing and regulation, and protection circuitry.
Integrated current sensing allows the driver to regulate the motor inrush current during start up and high load events. A current limit can be set with an adjustable external voltage reference. The integrated current sensing uses an internal current mirror architecture, removing the need for a large power shunt resistor, saving board area and reducing system cost. A low-power sleep mode is provided to achieve ultra-low quiescent current draw by shutting down most of the internal circuitry.
Internal protection features are provided for supply undervoltage lockout (UVLO), charge pump undervoltage (CPUV), output overcurrent (OCP), and device overtemperature (TSD). Fault conditions are indicated on nFAULT.
The DRV8256E/P devices are single H-bridge motor drivers for a wide variety of industrial applications. The devices integrate an N-channel H-bridge, charge pump regulator, current sensing and regulation, and protection circuitry.
Integrated current sensing allows the driver to regulate the motor inrush current during start up and high load events. A current limit can be set with an adjustable external voltage reference. The integrated current sensing uses an internal current mirror architecture, removing the need for a large power shunt resistor, saving board area and reducing system cost. A low-power sleep mode is provided to achieve ultra-low quiescent current draw by shutting down most of the internal circuitry.
Internal protection features are provided for supply undervoltage lockout (UVLO), charge pump undervoltage (CPUV), output overcurrent (OCP), and device overtemperature (TSD). Fault conditions are indicated on nFAULT. |
DRV826265-V single or dual H-bridge motor driver with integrated current sense and regulation | Motor Drivers, Controllers | 1 | Active | The DRV8262 is a wide-voltage, high-power, H-bridge motor driver for a wide variety of industrial applications. The device integrates two H-bridges to drive one or two DC motors or a bipolar stepper motor. The DRV8262 supports up to 16A peak current in the dual H-bridge mode and up to 32A in the single H-bridge mode. The device also integrates current sensing and regulation, current sense output and protection circuitry.
Integrated current sensing across the high-side MOSFETs allows the driver to regulate the motor current during startup and high load events. A current limit can be set with an adjustable external voltage reference. The device also provides output current proportional to the motor current for each H-bridge. Integrated sensing removes the need for shunt resistors, reducing board area and system cost.
A low-power sleep mode is provided to achieve ultra- low quiescent current. Internal protection features are provided for supply undervoltage lockout (UVLO), charge pump undervoltage (CPUV), output over current (OCP), and device overtemperature (OTSD).
The DRV8262 is a wide-voltage, high-power, H-bridge motor driver for a wide variety of industrial applications. The device integrates two H-bridges to drive one or two DC motors or a bipolar stepper motor. The DRV8262 supports up to 16A peak current in the dual H-bridge mode and up to 32A in the single H-bridge mode. The device also integrates current sensing and regulation, current sense output and protection circuitry.
Integrated current sensing across the high-side MOSFETs allows the driver to regulate the motor current during startup and high load events. A current limit can be set with an adjustable external voltage reference. The device also provides output current proportional to the motor current for each H-bridge. Integrated sensing removes the need for shunt resistors, reducing board area and system cost.
A low-power sleep mode is provided to achieve ultra- low quiescent current. Internal protection features are provided for supply undervoltage lockout (UVLO), charge pump undervoltage (CPUV), output over current (OCP), and device overtemperature (OTSD). |
DRV8262-Q1Automotive 70-V, 20A single or dual H-bridge motor driver with integrated current sensing | Integrated Circuits (ICs) | 1 | Active | The DRV8262-Q1 is a wide-voltage, high-power, H-bridge motor driver for 24V and 48V automotive applications. The device integrates two H-bridges to drive one or two DC motors or a bipolar stepper motor. The DRV8262-Q1 supports up to 8A peak current in the dual H-bridge mode and up to 16A peak current in the single H-bridge mode. The device also integrates current sensing and regulation, current sense output and protection circuitry.
Integrated current sensing across the high-side MOSFETs allows the driver to regulate the motor current during startup and high load events. A current limit can be set with an adjustable external voltage reference. The device also provides output current proportional to the motor current for each H-bridge. Integrated sensing removes the need for shunt resistors, reducing board area and system cost.
A low-power sleep mode is provided to achieve ultra- low quiescent current. Internal protection features are provided for supply undervoltage lockout (UVLO), charge pump undervoltage (CPUV), output over current (OCP), and device overtemperature (OTSD).
The DRV8262-Q1 is a wide-voltage, high-power, H-bridge motor driver for 24V and 48V automotive applications. The device integrates two H-bridges to drive one or two DC motors or a bipolar stepper motor. The DRV8262-Q1 supports up to 8A peak current in the dual H-bridge mode and up to 16A peak current in the single H-bridge mode. The device also integrates current sensing and regulation, current sense output and protection circuitry.
Integrated current sensing across the high-side MOSFETs allows the driver to regulate the motor current during startup and high load events. A current limit can be set with an adjustable external voltage reference. The device also provides output current proportional to the motor current for each H-bridge. Integrated sensing removes the need for shunt resistors, reducing board area and system cost.
A low-power sleep mode is provided to achieve ultra- low quiescent current. Internal protection features are provided for supply undervoltage lockout (UVLO), charge pump undervoltage (CPUV), output over current (OCP), and device overtemperature (OTSD). |