T
Texas Instruments
| Series | Category | # Parts | Status | Description |
|---|---|---|---|---|
| Part | Spec A | Spec B | Spec C | Spec D | Description |
|---|---|---|---|---|---|
| Series | Category | # Parts | Status | Description |
|---|---|---|---|---|
| Part | Spec A | Spec B | Spec C | Spec D | Description |
|---|---|---|---|---|---|
| Part | Category | Description |
|---|---|---|
Texas Instruments BQ2002CSNTRG4Unknown | Integrated Circuits (ICs) | LINEAR BATTERY CHARGER NICD/NIMH 2000MA 0V TO 6V 8-PIN SOIC T/R |
Texas Instruments LM3676SDX-3.3Obsolete | Integrated Circuits (ICs) | IC REG BUCK 3.3V 600MA 8WSON |
Texas Instruments | Integrated Circuits (ICs) | TMX320DRE311 179PIN UBGA 200MHZ |
Texas Instruments UCC3580N-1G4Obsolete | Integrated Circuits (ICs) | IC REG CTRLR FWRD CONV 16DIP |
Texas Instruments LM2831YMF EVALObsolete | Development Boards Kits Programmers | EVAL BOARD FOR LM2831 |
Texas Instruments | Integrated Circuits (ICs) | BUFFER/LINE DRIVER 8-CH NON-INVERTING 3-ST CMOS 20-PIN SSOP T/R |
Texas Instruments | Integrated Circuits (ICs) | ANALOG OTHER PERIPHERALS |
Texas Instruments | Integrated Circuits (ICs) | RADIATION-HARDENED, QMLP 60V HAL |
Texas Instruments SN75LVDS051DRObsolete | Integrated Circuits (ICs) | IC TRANSCEIVER FULL 2/2 16SOIC |
Texas Instruments | Integrated Circuits (ICs) | AUTOMOTIVE OCTAL D-TYPE FLIP-FLO |
| Series | Category | # Parts | Status | Description |
|---|---|---|---|---|
| Power Management (PMIC) | 3 | Active | ||
TPS5482.7-V to 16-V input, 20-A synchronous step-down converter with remote sense and hiccup current limit | Evaluation Boards | 20 | Active | The TPS548D26 device is a highly integrated buck converter with D-CAP+ control topology for fast transient response. Because external compensation is not required, the device is easy to use and requires few external components. The device is well-designed for space-constrained data center applications.
The TPS548D26 device has true differential remote sense, high-performance integrated MOSFETs, and an accurate ±1%, 0.6V reference over the full operating junction temperature range. The device features fast load-transient response, accurate load regulation and line regulation, skip-mode or FCCM operation, and programmable soft-start time. Overcurrent, overvoltage, undervoltage, and overtemperature protections are provided with selectable hiccup or latch-off response.
The TPS548D26 device is a lead-free device and is RoHS compliant without exemption.
The TPS548D26 device is a highly integrated buck converter with D-CAP+ control topology for fast transient response. Because external compensation is not required, the device is easy to use and requires few external components. The device is well-designed for space-constrained data center applications.
The TPS548D26 device has true differential remote sense, high-performance integrated MOSFETs, and an accurate ±1%, 0.6V reference over the full operating junction temperature range. The device features fast load-transient response, accurate load regulation and line regulation, skip-mode or FCCM operation, and programmable soft-start time. Overcurrent, overvoltage, undervoltage, and overtemperature protections are provided with selectable hiccup or latch-off response.
The TPS548D26 device is a lead-free device and is RoHS compliant without exemption. |
TPS548104.5 to 5.5V Input, 8A Synchronous Step-Down Converter | Development Boards, Kits, Programmers | 4 | Active | As a member of the SWIFT™ family of dc/dc regulators, the TPS54810 low-input voltage high-output current synchronous buck PWM converter integrates all required active components. Included on the substrate with the listed features are a true, high performance, voltage error amplifier that enables maximum performance under transient conditions and flexibility in choosing the output filter L and C components; an under-voltage-lockout circuit to prevent start-up until the input voltage reaches 3.8 V; an internally or externally set slow-start circuit to limit in-rush currents; and a power good output useful for processor/logic reset, fault signaling, and supply sequencing.
The TPS54810 is available in a thermally enhanced 28-pin TSSOP (PWP) PowerPAD™ package, which eliminates bulky heatsinks. TI provides evaluation modules and the SWIFT™ designer software tool to aid in quickly achieving high-performance power supply designs to meet aggressive equipment development cycles.
As a member of the SWIFT™ family of dc/dc regulators, the TPS54810 low-input voltage high-output current synchronous buck PWM converter integrates all required active components. Included on the substrate with the listed features are a true, high performance, voltage error amplifier that enables maximum performance under transient conditions and flexibility in choosing the output filter L and C components; an under-voltage-lockout circuit to prevent start-up until the input voltage reaches 3.8 V; an internally or externally set slow-start circuit to limit in-rush currents; and a power good output useful for processor/logic reset, fault signaling, and supply sequencing.
The TPS54810 is available in a thermally enhanced 28-pin TSSOP (PWP) PowerPAD™ package, which eliminates bulky heatsinks. TI provides evaluation modules and the SWIFT™ designer software tool to aid in quickly achieving high-performance power supply designs to meet aggressive equipment development cycles. |
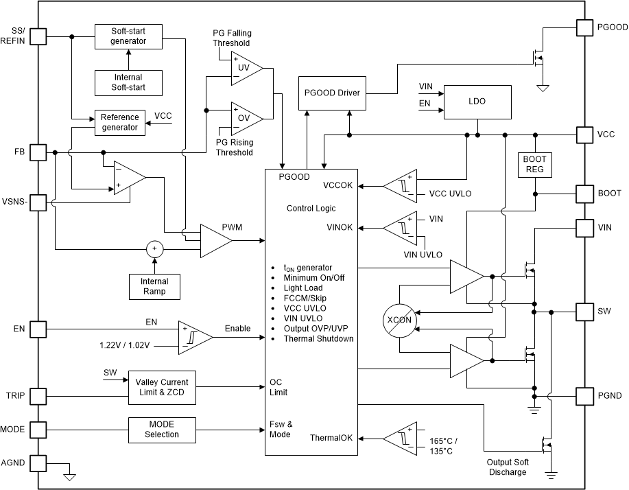
TPS548214.5-V to 17-V, 8-A synchronous buck converter with hiccup current limit | Integrated Circuits (ICs) | 2 | Active | The TPS54821 in thermally enhanced 3.5 mm × 3.5 mm QFN package is a full featured 17 V, 8 A synchronous step down converter which is optimized for small designs through high efficiency and integrating the high-side and low-side MOSFETs. Further space savings are achieved through current mode control, which reduces component count, and by selecting a high switching frequency, reducing the inductor's footprint.
The output voltage startup ramp is controlled by the SS/TR pin which allows operation as either a stand alone power supply or in tracking situations. Power sequencing is also possible by correctly configuring the enable and the open drain power good pins.
Cycle by cycle current limiting on the high-side FET protects the device in overload situations and is enhanced by a low-side sourcing current limit which prevents current runaway. There is also a low-side sinking current limit which turns off the low-side MOSFET to prevent excessive reverse current. Hiccup protection will be triggered if the overcurrent condition has persisted for longer than the preset time. Thermal hiccup protection disables the device when the die temperature exceeds the thermal shutdown temperature and enables the part again after the built-in thermal shutdown hiccup time.
The TPS54821 in thermally enhanced 3.5 mm × 3.5 mm QFN package is a full featured 17 V, 8 A synchronous step down converter which is optimized for small designs through high efficiency and integrating the high-side and low-side MOSFETs. Further space savings are achieved through current mode control, which reduces component count, and by selecting a high switching frequency, reducing the inductor's footprint.
The output voltage startup ramp is controlled by the SS/TR pin which allows operation as either a stand alone power supply or in tracking situations. Power sequencing is also possible by correctly configuring the enable and the open drain power good pins.
Cycle by cycle current limiting on the high-side FET protects the device in overload situations and is enhanced by a low-side sourcing current limit which prevents current runaway. There is also a low-side sinking current limit which turns off the low-side MOSFET to prevent excessive reverse current. Hiccup protection will be triggered if the overcurrent condition has persisted for longer than the preset time. Thermal hiccup protection disables the device when the die temperature exceeds the thermal shutdown temperature and enables the part again after the built-in thermal shutdown hiccup time. |
| Integrated Circuits (ICs) | 3 | Active | ||
| Special Purpose Regulators | 3 | Active | ||
| Integrated Circuits (ICs) | 2 | Active | ||
TPS548804.5 to 5.5V Input, 8A Synchronous Step-Down Converter for Sequencing | Voltage Regulators - DC DC Switching Regulators | 3 | LTB | As a member of the SWIFT™ family of dc/dc regulators, the TPS54880 low-input voltage high-output current synchronous buck PWM converter integrates all required active components. Using the TRACKIN pin with other regulators, simultaneous power up and down are easily implemented. Included on the substrate with the listed features are a true, high performance, voltage error amplifier that enables maximum performance and flexibility in choosing the output filter L and C components; an under-voltage-lockout circuit to prevent start-up until the input voltage reaches 3.8 V; an internally or externally set slow-start circuit to limit inrush currents; and a power good output useful for processor/logic reset.
The TPS54880 is available in a thermally enhanced 28-pin TSSOP (PWP) PowerPAD™ package, which eliminates bulky heatsinks. TI provides evaluation modules and the SWIFT™ designer software tool to aid in quickly achieving high-performance power supply designs to meet aggressive equipment development cycles.
As a member of the SWIFT™ family of dc/dc regulators, the TPS54880 low-input voltage high-output current synchronous buck PWM converter integrates all required active components. Using the TRACKIN pin with other regulators, simultaneous power up and down are easily implemented. Included on the substrate with the listed features are a true, high performance, voltage error amplifier that enables maximum performance and flexibility in choosing the output filter L and C components; an under-voltage-lockout circuit to prevent start-up until the input voltage reaches 3.8 V; an internally or externally set slow-start circuit to limit inrush currents; and a power good output useful for processor/logic reset.
The TPS54880 is available in a thermally enhanced 28-pin TSSOP (PWP) PowerPAD™ package, which eliminates bulky heatsinks. TI provides evaluation modules and the SWIFT™ designer software tool to aid in quickly achieving high-performance power supply designs to meet aggressive equipment development cycles. |
TPS548A282.7-V to 16-V, 15-A synchronous buck converter with remote sense and 3-V LDO | Voltage Regulators - DC DC Switching Regulators | 1 | Active | The TPS548A28 device is a small high-efficiency synchronous buck converter with an adaptive on-time D-CAP3 control mode. Since external compensation is not required, the device is easy to use and requires few external components. The device is well-suited for space-constrained data center applications.
The TPS548A28 device has differential remote sense, high-performance integrated MOSFETs, and an accurate ±1%, 0.6-V reference over the full operating junction temperature range. The device features fast load-transient response, accurate load regulation and line regulation, skip-mode or FCCM operation, and programmable soft start.
The TPS548A28 device is a lead-free device. It is fully RoHS-compliant without exemption.
The TPS548A28 device is a small high-efficiency synchronous buck converter with an adaptive on-time D-CAP3 control mode. Since external compensation is not required, the device is easy to use and requires few external components. The device is well-suited for space-constrained data center applications.
The TPS548A28 device has differential remote sense, high-performance integrated MOSFETs, and an accurate ±1%, 0.6-V reference over the full operating junction temperature range. The device features fast load-transient response, accurate load regulation and line regulation, skip-mode or FCCM operation, and programmable soft start.
The TPS548A28 device is a lead-free device. It is fully RoHS-compliant without exemption. |
TPS5491.5-V to 18-V, 25-A synchronous SWIFT™ buck converter with differential remote sense and PMBus | Integrated Circuits (ICs) | 10 | Active | The TPS549A20 is a small-sized, synchronous buck converter with anadaptive on-time D-CAP3 control mode. The device offers ease-of-use and low bill-of-material countfor space-conscious power systems.
This device features high-performance integrated MOSFETs, accurate 0.6-V reference, andan integrated boost switch. Competitive features include very-low external-component count, fastload-transient response, auto-skip mode operation, internal soft-start control, and no requirementfor compensation. The device also features fault report viaPMBus to simplify the power supply design
A forced continuous conduction mode helps meet tight voltage regulation accuracyrequirements for performance DSPs and FPGAs. The TPS549A20 is available in a28-pin VQFN-CLIP package and is specified from –40°C to 125°C ambient temperature.
The TPS549A20 is a small-sized, synchronous buck converter with anadaptive on-time D-CAP3 control mode. The device offers ease-of-use and low bill-of-material countfor space-conscious power systems.
This device features high-performance integrated MOSFETs, accurate 0.6-V reference, andan integrated boost switch. Competitive features include very-low external-component count, fastload-transient response, auto-skip mode operation, internal soft-start control, and no requirementfor compensation. The device also features fault report viaPMBus to simplify the power supply design
A forced continuous conduction mode helps meet tight voltage regulation accuracyrequirements for performance DSPs and FPGAs. The TPS549A20 is available in a28-pin VQFN-CLIP package and is specified from –40°C to 125°C ambient temperature. |