TPS546123V to 6V Input, 6A Synchronous Step-Down SWIFT™ Converter with 1.2V Output | Integrated Circuits (ICs) | 5 | Active | The SWIFT™ family of dc/dc regulators, the TPS54611, TPS54612, TPS54613, TPS54614, TPS54615 and TPS54616 low-input voltage high-output current synchronous-buck PWM converters integrate all required active components. Included on the substrate are true, high-performance, voltage error amplifiers that provide high performance under transient conditions; an under-voltage-lockout circuit to prevent start-up until the input voltage reaches 3 V; an internally and externally set slow-start circuit to limit in-rush currents; and a powergood output useful for processor/logic reset, fault signaling, and supply sequencing.
The TPS5461x devices are available in a thermally enhanced 28-pin TSSOP (PWP) PowerPAD™ package, which eliminates bulky heatsinks. TI provides evaluation modules and the SWIFT™ designer software tool to aid in quickly achieving high-performance power supply designs to meet aggressive equipment development cycles.
The SWIFT™ family of dc/dc regulators, the TPS54611, TPS54612, TPS54613, TPS54614, TPS54615 and TPS54616 low-input voltage high-output current synchronous-buck PWM converters integrate all required active components. Included on the substrate are true, high-performance, voltage error amplifiers that provide high performance under transient conditions; an under-voltage-lockout circuit to prevent start-up until the input voltage reaches 3 V; an internally and externally set slow-start circuit to limit in-rush currents; and a powergood output useful for processor/logic reset, fault signaling, and supply sequencing.
The TPS5461x devices are available in a thermally enhanced 28-pin TSSOP (PWP) PowerPAD™ package, which eliminates bulky heatsinks. TI provides evaluation modules and the SWIFT™ designer software tool to aid in quickly achieving high-performance power supply designs to meet aggressive equipment development cycles. |
| Power Management (PMIC) | 5 | Active | |
TPS546143V to 6V Input, 6A Synchronous Step-Down SWIFT™ Converter with 1.8V Output | Voltage Regulators - DC DC Switching Regulators | 4 | Active | The SWIFT™ family of dc/dc regulators, the TPS54611, TPS54612, TPS54613, TPS54614, TPS54615 and TPS54616 low-input voltage high-output current synchronous-buck PWM converters integrate all required active components. Included on the substrate are true, high-performance, voltage error amplifiers that provide high performance under transient conditions; an under-voltage-lockout circuit to prevent start-up until the input voltage reaches 3 V; an internally and externally set slow-start circuit to limit in-rush currents; and a powergood output useful for processor/logic reset, fault signaling, and supply sequencing.
The TPS5461x devices are available in a thermally enhanced 28-pin TSSOP (PWP) PowerPAD™ package, which eliminates bulky heatsinks. TI provides evaluation modules and the SWIFT™ designer software tool to aid in quickly achieving high-performance power supply designs to meet aggressive equipment development cycles.
The SWIFT™ family of dc/dc regulators, the TPS54611, TPS54612, TPS54613, TPS54614, TPS54615 and TPS54616 low-input voltage high-output current synchronous-buck PWM converters integrate all required active components. Included on the substrate are true, high-performance, voltage error amplifiers that provide high performance under transient conditions; an under-voltage-lockout circuit to prevent start-up until the input voltage reaches 3 V; an internally and externally set slow-start circuit to limit in-rush currents; and a powergood output useful for processor/logic reset, fault signaling, and supply sequencing.
The TPS5461x devices are available in a thermally enhanced 28-pin TSSOP (PWP) PowerPAD™ package, which eliminates bulky heatsinks. TI provides evaluation modules and the SWIFT™ designer software tool to aid in quickly achieving high-performance power supply designs to meet aggressive equipment development cycles. |
TPS54615Enhanced Product 3-V To 6-V Input, 6-A Output Synchronous Buck Pwm Switcher W/Integr. Fets | Integrated Circuits (ICs) | 6 | Active | The SWIFT™ family of dc/dc regulators, the TPS54611, TPS54612, TPS54613, TPS54614, TPS54615, and TPS54616 low-input voltage high-output current synchronous-buck PWM converters integrate all required active components. Included on the substrate are true, high-performance, voltage error amplifiers that provide high performance under transient conditions; an under-voltage lockout circuit to prevent start-up until the input voltage reaches 3 V; an internally and externally set slow-start circuit to limit in-rush currents; and a power good output useful for processor/logic reset, fault signaling, and supply sequencing.
The TPS54611-6 devices are available in a thermally enhanced 28-pin TSSOP (PWP) PowerPAD™ package, which eliminates bulky heatsinks. Texas Instruments provides evaluation modules and the SWIFT™ designer software tool to aid in quickly achieving high-performance power supply designs to meet aggressive equipment development cycles.
The SWIFT™ family of dc/dc regulators, the TPS54611, TPS54612, TPS54613, TPS54614, TPS54615, and TPS54616 low-input voltage high-output current synchronous-buck PWM converters integrate all required active components. Included on the substrate are true, high-performance, voltage error amplifiers that provide high performance under transient conditions; an under-voltage lockout circuit to prevent start-up until the input voltage reaches 3 V; an internally and externally set slow-start circuit to limit in-rush currents; and a power good output useful for processor/logic reset, fault signaling, and supply sequencing.
The TPS54611-6 devices are available in a thermally enhanced 28-pin TSSOP (PWP) PowerPAD™ package, which eliminates bulky heatsinks. Texas Instruments provides evaluation modules and the SWIFT™ designer software tool to aid in quickly achieving high-performance power supply designs to meet aggressive equipment development cycles. |
TPS546163V to 6V Input, 6A Synchronous Step-Down SWIFT™ Converter with 3.3V Output | Integrated Circuits (ICs) | 3 | Active | The SWIFT™ family of dc/dc regulators, the TPS54611, TPS54612, TPS54613, TPS54614, TPS54615 and TPS54616 low-input voltage high-output current synchronous-buck PWM converters integrate all required active components. Included on the substrate are true, high-performance, voltage error amplifiers that provide high performance under transient conditions; an under-voltage-lockout circuit to prevent start-up until the input voltage reaches 3 V; an internally and externally set slow-start circuit to limit in-rush currents; and a powergood output useful for processor/logic reset, fault signaling, and supply sequencing.
The TPS5461x devices are available in a thermally enhanced 28-pin TSSOP (PWP) PowerPAD™ package, which eliminates bulky heatsinks. TI provides evaluation modules and the SWIFT™ designer software tool to aid in quickly achieving high-performance power supply designs to meet aggressive equipment development cycles.
The SWIFT™ family of dc/dc regulators, the TPS54611, TPS54612, TPS54613, TPS54614, TPS54615 and TPS54616 low-input voltage high-output current synchronous-buck PWM converters integrate all required active components. Included on the substrate are true, high-performance, voltage error amplifiers that provide high performance under transient conditions; an under-voltage-lockout circuit to prevent start-up until the input voltage reaches 3 V; an internally and externally set slow-start circuit to limit in-rush currents; and a powergood output useful for processor/logic reset, fault signaling, and supply sequencing.
The TPS5461x devices are available in a thermally enhanced 28-pin TSSOP (PWP) PowerPAD™ package, which eliminates bulky heatsinks. TI provides evaluation modules and the SWIFT™ designer software tool to aid in quickly achieving high-performance power supply designs to meet aggressive equipment development cycles. |
TPS546173V to 6V Input, 6A Synchronous Step-Down Converter | Voltage Regulators - DC DC Switching Regulators | 3 | Active | As a member of the SWIFT family of dc/dc regulators, the TPS54617 low-input voltage high-output current synchronous buck PWM converter offers the same features as the TPS54610 in a small package and higher switching frequency. Included on the substrate with the listed features are a true, high performance, voltage error amplifier that enables maximum performance under transient conditions and flexibility in choosing the output filter L and C components; an undervoltage-lockout circuit to prevent start-up until the input voltage reaches 3 V; an internally and externally set slow-start circuit to limit in-rush currents; and a power good output useful for processor/logic reset, fault signaling, and supply sequencing.
The TPS54617 is available in a thermally enhanced 34 pin QFN (RUV) PowerPAD package, which eliminates bulky heatsinks. TI provides evaluation modules and the SwitcherPro™ design software tool to aid in achieving high-performance power supply designs to meet aggressive equipment development cycles.
As a member of the SWIFT family of dc/dc regulators, the TPS54617 low-input voltage high-output current synchronous buck PWM converter offers the same features as the TPS54610 in a small package and higher switching frequency. Included on the substrate with the listed features are a true, high performance, voltage error amplifier that enables maximum performance under transient conditions and flexibility in choosing the output filter L and C components; an undervoltage-lockout circuit to prevent start-up until the input voltage reaches 3 V; an internally and externally set slow-start circuit to limit in-rush currents; and a power good output useful for processor/logic reset, fault signaling, and supply sequencing.
The TPS54617 is available in a thermally enhanced 34 pin QFN (RUV) PowerPAD package, which eliminates bulky heatsinks. TI provides evaluation modules and the SwitcherPro™ design software tool to aid in achieving high-performance power supply designs to meet aggressive equipment development cycles. |
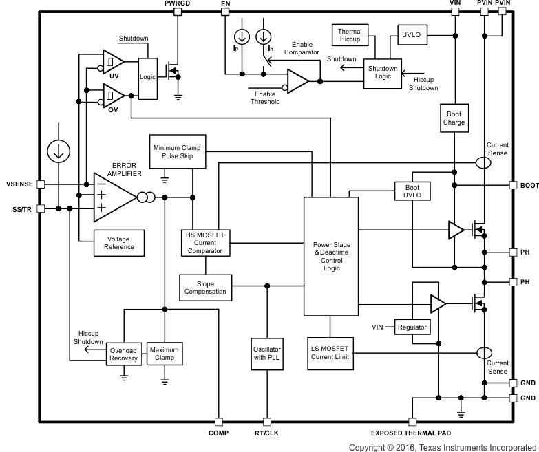
TPS546182.95V to 6V Input, 6A, Synchronous Step-Down SWIFT™ Converter | DC/DC & AC/DC (Off-Line) SMPS Evaluation Boards | 5 | Active | The TPS54618C-Q1 device is a full-featured 6-V, 6-A, synchronous step-down current-mode converter with two integrated MOSFETs.
The TPS54618C-Q1 enables small designs by integrating the MOSFETs, implementing current-mode control to reduce external component count, reducing inductor size by enabling up to 2-MHz switching frequency, and minimizing the IC footprint with a small, 3-mm × 3-mm, thermally-enhanced WQFN package.
The TPS54618C-Q1 provides accurate regulation for a variety of loads with an accurate ±1% voltage reference (VREF) over temperature.
Efficiency is maximized through the integrated 12-mΩ MOSFETs and 515-µA typical supply current. Using the enable pin, shutdown supply current is reduced to 5.5-µA by entering a shutdown mode.
Undervoltage lockout is internally set at 2.6 V, but can be increased by programming the threshold with a resistor network on the enable pin. The output-voltage start-up ramp is controlled by the slow-start pin. An open-drain power-good signal indicates the output is within 93% to 107% of its nominal voltage.
Frequency foldback and thermal shutdown protect the device during an overcurrent condition.
The TPS54618C-Q1 device is a full-featured 6-V, 6-A, synchronous step-down current-mode converter with two integrated MOSFETs.
The TPS54618C-Q1 enables small designs by integrating the MOSFETs, implementing current-mode control to reduce external component count, reducing inductor size by enabling up to 2-MHz switching frequency, and minimizing the IC footprint with a small, 3-mm × 3-mm, thermally-enhanced WQFN package.
The TPS54618C-Q1 provides accurate regulation for a variety of loads with an accurate ±1% voltage reference (VREF) over temperature.
Efficiency is maximized through the integrated 12-mΩ MOSFETs and 515-µA typical supply current. Using the enable pin, shutdown supply current is reduced to 5.5-µA by entering a shutdown mode.
Undervoltage lockout is internally set at 2.6 V, but can be increased by programming the threshold with a resistor network on the enable pin. The output-voltage start-up ramp is controlled by the slow-start pin. An open-drain power-good signal indicates the output is within 93% to 107% of its nominal voltage.
Frequency foldback and thermal shutdown protect the device during an overcurrent condition. |
TPS546204.5-V to 17-V, 6-A synchronous SWIFT™ buck converter | DC/DC & AC/DC (Off-Line) SMPS Evaluation Boards | 5 | Active | The TPS54620 in thermally enhanced 3.50 mm × 3.50 mm QFN package is a full featured 17-V, 6-A, synchronous, step-down converter which is optimized for small designs through high efficiency and integrating the high-side and low-side MOSFETs. Further space savings are achieved through current mode control, which reduces component count, and by selecting a high switching frequency, reducing the footprint of the inductor.
The output voltage start-up ramp is controlled by the SS/TR pin which allows operation as either a stand-alone power supply or in tracking situations. Power sequencing is also possible by correctly configuring the enable and the open-drain power good pins.
Cycle-by-cycle current limiting on the high-side FET protects the device in overload situations and is enhanced by a low-side sourcing current limit which prevents current runaway. There is also a low-side sinking current limit that turns off the low-side MOSFET to prevent excessive reverse current. Thermal shutdown disables the part when die temperature exceeds thermal shutdown temperature.
The TPS54620 in thermally enhanced 3.50 mm × 3.50 mm QFN package is a full featured 17-V, 6-A, synchronous, step-down converter which is optimized for small designs through high efficiency and integrating the high-side and low-side MOSFETs. Further space savings are achieved through current mode control, which reduces component count, and by selecting a high switching frequency, reducing the footprint of the inductor.
The output voltage start-up ramp is controlled by the SS/TR pin which allows operation as either a stand-alone power supply or in tracking situations. Power sequencing is also possible by correctly configuring the enable and the open-drain power good pins.
Cycle-by-cycle current limiting on the high-side FET protects the device in overload situations and is enhanced by a low-side sourcing current limit which prevents current runaway. There is also a low-side sinking current limit that turns off the low-side MOSFET to prevent excessive reverse current. Thermal shutdown disables the part when die temperature exceeds thermal shutdown temperature. |
TPS546224.5-V to 17-V, 6-A synchronous SWIFT™ buck converter with hiccup current limit | Evaluation Boards | 4 | Active | The TPS54622-EP device in thermally enhanced 3.5-mm × 3.5-mm VQFN package is a full-featured 17-V, 6-A synchronous step-down converter optimized for small designs through high efficiency and integrating the high-side and low-side MOSFETs. Further space savings are achieved through current mode control, which reduces component count, and by selecting a high switching frequency, reducing the footprint of the inductor.
The output voltage start-up ramp is controlled by the SS/TR pin, which allows operation as either a stand-alone power supply or in tracking situations. Power sequencing is also possible by correctly configuring the enable and the open-drain power good pins.
Cycle-by-cycle current limiting on the high-side FET protects the device in overload situations and is enhanced by a low-side sourcing current limit that prevents current runaway. There is also a low-side sinking current limit that turns off the low-side MOSFET to prevent excessive reverse current. Hiccup protection is triggered if the overcurrent condition has persisted for longer than the preset time. Thermal hiccup protection disables the device when the die temperature exceeds the thermal shutdown temperature and enables the part again after the built-in thermal shutdown hiccup time.
The TPS54622-EP device in thermally enhanced 3.5-mm × 3.5-mm VQFN package is a full-featured 17-V, 6-A synchronous step-down converter optimized for small designs through high efficiency and integrating the high-side and low-side MOSFETs. Further space savings are achieved through current mode control, which reduces component count, and by selecting a high switching frequency, reducing the footprint of the inductor.
The output voltage start-up ramp is controlled by the SS/TR pin, which allows operation as either a stand-alone power supply or in tracking situations. Power sequencing is also possible by correctly configuring the enable and the open-drain power good pins.
Cycle-by-cycle current limiting on the high-side FET protects the device in overload situations and is enhanced by a low-side sourcing current limit that prevents current runaway. There is also a low-side sinking current limit that turns off the low-side MOSFET to prevent excessive reverse current. Hiccup protection is triggered if the overcurrent condition has persisted for longer than the preset time. Thermal hiccup protection disables the device when the die temperature exceeds the thermal shutdown temperature and enables the part again after the built-in thermal shutdown hiccup time. |
| Integrated Circuits (ICs) | 3 | Active | |