T
Texas Instruments
| Series | Category | # Parts | Status | Description |
|---|---|---|---|---|
| Part | Spec A | Spec B | Spec C | Spec D | Description |
|---|---|---|---|---|---|
| Series | Category | # Parts | Status | Description |
|---|---|---|---|---|
| Part | Spec A | Spec B | Spec C | Spec D | Description |
|---|---|---|---|---|---|
| Part | Category | Description |
|---|---|---|
Texas Instruments BQ2002CSNTRG4Unknown | Integrated Circuits (ICs) | LINEAR BATTERY CHARGER NICD/NIMH 2000MA 0V TO 6V 8-PIN SOIC T/R |
Texas Instruments LM3676SDX-3.3Obsolete | Integrated Circuits (ICs) | IC REG BUCK 3.3V 600MA 8WSON |
Texas Instruments | Integrated Circuits (ICs) | TMX320DRE311 179PIN UBGA 200MHZ |
Texas Instruments UCC3580N-1G4Obsolete | Integrated Circuits (ICs) | IC REG CTRLR FWRD CONV 16DIP |
Texas Instruments LM2831YMF EVALObsolete | Development Boards Kits Programmers | EVAL BOARD FOR LM2831 |
Texas Instruments | Integrated Circuits (ICs) | BUFFER/LINE DRIVER 8-CH NON-INVERTING 3-ST CMOS 20-PIN SSOP T/R |
Texas Instruments | Integrated Circuits (ICs) | ANALOG OTHER PERIPHERALS |
Texas Instruments | Integrated Circuits (ICs) | RADIATION-HARDENED, QMLP 60V HAL |
Texas Instruments SN75LVDS051DRObsolete | Integrated Circuits (ICs) | IC TRANSCEIVER FULL 2/2 16SOIC |
Texas Instruments | Integrated Circuits (ICs) | AUTOMOTIVE OCTAL D-TYPE FLIP-FLO |
| Series | Category | # Parts | Status | Description |
|---|---|---|---|---|
TPS545313.5V to 28V Input, 5A, 570kHz Step-Down Converter with Eco-mode | Voltage Regulators - DC DC Switching Regulators | 3 | Active | The TPS54531 device is a 28-V, 5-A non-synchronous buck converter that integrates a low R DS(on) high-side MOSFET. To increase efficiency at light loads, a pulse skipping Eco-mode feature is automatically activated. Furthermore, the 1-µA shutdown supply current allows the device to be used in battery powered applications. Current mode control with internal slope compensation simplifies the external compensation calculations and reduces component count while allowing the use of ceramic output capacitors. A resistor divider programs the hysteresis of the input undervoltage lockout. An overvoltage transient protection circuit limits voltage overshoots during startup and transient conditions. A cycle-by-cycle current-limit scheme, frequency fold back, and thermal shutdown protect the device and the load in the event of an overload condition. The TPS54531 device is available in 8-pin SO PowerPAD integrated circuit package that has been internally optimized to improve thermal performance.
The TPS54531 device is a 28-V, 5-A non-synchronous buck converter that integrates a low R DS(on) high-side MOSFET. To increase efficiency at light loads, a pulse skipping Eco-mode feature is automatically activated. Furthermore, the 1-µA shutdown supply current allows the device to be used in battery powered applications. Current mode control with internal slope compensation simplifies the external compensation calculations and reduces component count while allowing the use of ceramic output capacitors. A resistor divider programs the hysteresis of the input undervoltage lockout. An overvoltage transient protection circuit limits voltage overshoots during startup and transient conditions. A cycle-by-cycle current-limit scheme, frequency fold back, and thermal shutdown protect the device and the load in the event of an overload condition. The TPS54531 device is available in 8-pin SO PowerPAD integrated circuit package that has been internally optimized to improve thermal performance. |
TPS545404.5-V to 42-V input, 5-A, step-down DC-DC converter with Eco-mode™ | DC/DC & AC/DC (Off-Line) SMPS Evaluation Boards | 10 | Active | The TPS54540B-Q1 device is a 42-V, 5-A, step-down regulator with an integrated high-side MOSFET. The device survives load-dump pulses up to 65 V per ISO 7637. Current mode control provides simple external compensation and flexible component selection. A low-ripple pulse-skip mode reduces the no load supply current to 146 µA. Shutdown supply current is reduced to 2 µA when the enable pin is pulled low.
Undervoltage lockout is internally set at 4.3 V but can be increased using an external resistor divider at the enable pin. The output voltage start-up ramp is internally controlled to provide a controlled start-up and eliminate overshoot.
A wide adjustable frequency range allows either efficiency or external component size to be optimized. Output current is limited cycle-by-cycle. Frequency foldback and thermal shutdown protect internal and external components during an overload condition.
The TPS54540B-Q1 is available in an 8-pin thermally-enhanced HSOP PowerPAD package.
The TPS54540B-Q1 device is a 42-V, 5-A, step-down regulator with an integrated high-side MOSFET. The device survives load-dump pulses up to 65 V per ISO 7637. Current mode control provides simple external compensation and flexible component selection. A low-ripple pulse-skip mode reduces the no load supply current to 146 µA. Shutdown supply current is reduced to 2 µA when the enable pin is pulled low.
Undervoltage lockout is internally set at 4.3 V but can be increased using an external resistor divider at the enable pin. The output voltage start-up ramp is internally controlled to provide a controlled start-up and eliminate overshoot.
A wide adjustable frequency range allows either efficiency or external component size to be optimized. Output current is limited cycle-by-cycle. Frequency foldback and thermal shutdown protect internal and external components during an overload condition.
The TPS54540B-Q1 is available in an 8-pin thermally-enhanced HSOP PowerPAD package. |
TPS545414.5V to 42V Input 5A Step-Down DC-DC Converter With Soft-Start and Eco-mode™ | Power Management (PMIC) | 3 | Active | The TPS54541 device is a 42-V 5-A step-down regulator with an integrated high-side MOSFET. The device survives load dump pulses up to 45 V per ISO 7637. Current mode control provides simple external compensation and flexible component selection. A low-ripple pulse-skip mode reduces the no-load supply current to 152 µA. When the enable pin is pulled low, the shutdown supply current is reduced to 2 µA.
Undervoltage lockout is internally set at 4.3 V but can increase using an external resistor divider at the enable pin. The output voltage startup ramp is controlled by the soft-start pin that can also be configured for sequencing and tracking. An open-drain power-good signal indicates the output is within 93% to 106% of the nominal voltage.
A wide adjustable switching-frequency range allows for optimization of either efficiency or external component size. Cycle-by-cycle current limit, frequency foldback, and thermal shutdown protect internal and external components during an overload condition.
The TPS54541 device is available in a 10-pin 4-mm × 4-mm WSON package.
The TPS54541 device is a 42-V 5-A step-down regulator with an integrated high-side MOSFET. The device survives load dump pulses up to 45 V per ISO 7637. Current mode control provides simple external compensation and flexible component selection. A low-ripple pulse-skip mode reduces the no-load supply current to 152 µA. When the enable pin is pulled low, the shutdown supply current is reduced to 2 µA.
Undervoltage lockout is internally set at 4.3 V but can increase using an external resistor divider at the enable pin. The output voltage startup ramp is controlled by the soft-start pin that can also be configured for sequencing and tracking. An open-drain power-good signal indicates the output is within 93% to 106% of the nominal voltage.
A wide adjustable switching-frequency range allows for optimization of either efficiency or external component size. Cycle-by-cycle current limit, frequency foldback, and thermal shutdown protect internal and external components during an overload condition.
The TPS54541 device is available in a 10-pin 4-mm × 4-mm WSON package. |
| Evaluation Boards | 5 | Active | ||
TPS54560Automotive 60V, 5A, Step-Down Regulator With Integrated High Side MOSFET | DC/DC & AC/DC (Off-Line) SMPS Evaluation Boards | 9 | Active | The TPS54560-Q1 is a 60-V, 5-A, step-down regulator with an integrated high side MOSFET. The device survives load dump pulses up to 65 V per ISO 7637. Current mode control provides simple external compensation and flexible component selection. A low-ripple, pulse-skip mode reduces the no load supply current to 146 µA. Shutdown supply current is reduced to 2 µA when the enable pin is pulled low.
Undervoltage lockout is internally set at 4.3 V but can be increased using an external resistor divider at the enable pin. The output voltage start-up ramp is internally controlled to provide a controlled start-up and eliminate overshoot.
A wide adjustable frequency range allows either efficiency or external component size to be optimized. Output current is limited cycle-by-cycle. Frequency foldback and thermal shutdown protects internal and external components during an overload condition.
The TPS54560-Q1 is available in an 8-pin thermally enhanced HSOIC PowerPAD package.
The TPS54560-Q1 is a 60-V, 5-A, step-down regulator with an integrated high side MOSFET. The device survives load dump pulses up to 65 V per ISO 7637. Current mode control provides simple external compensation and flexible component selection. A low-ripple, pulse-skip mode reduces the no load supply current to 146 µA. Shutdown supply current is reduced to 2 µA when the enable pin is pulled low.
Undervoltage lockout is internally set at 4.3 V but can be increased using an external resistor divider at the enable pin. The output voltage start-up ramp is internally controlled to provide a controlled start-up and eliminate overshoot.
A wide adjustable frequency range allows either efficiency or external component size to be optimized. Output current is limited cycle-by-cycle. Frequency foldback and thermal shutdown protects internal and external components during an overload condition.
The TPS54560-Q1 is available in an 8-pin thermally enhanced HSOIC PowerPAD package. |
TPS54561Automotive 4.5V to 60V Input 5A Step-Down DC-DC Converter With Soft-Start and Eco-mode™ | Evaluation Boards | 5 | Active | The TPS54561 is a 60-V, 5-A, step down regulator with an integrated high side MOSFET. The device survives load dump pulses up to 65V per ISO 7637. Current mode control provides simple external compensation and flexible component selection. A low ripple pulse skip mode reduces the no load supply current to 152 µA. Shutdown supply current is reduced to 2 µA when the enable pin is pulled low.
Undervoltage lockout is internally set at 4.3 V but can increase using an external resistor divider at the enable pin. The output voltage start up ramp is controlled by the soft start pin that can also be configured for sequencing/tracking. An open drain power good signal indicates the output is within 93% to 106% of its nominal voltage.
A wide adjustable switching-frequency range allows for optimization of either efficiency or external component size. Cycle-by-cycle current limit, frequency foldback and thermal shutdown protects internal and external components during an overload condition.
The TPS54561 is available in an 10-pin 4-mm × 4-mm WSON package.
The TPS54561 is a 60-V, 5-A, step down regulator with an integrated high side MOSFET. The device survives load dump pulses up to 65V per ISO 7637. Current mode control provides simple external compensation and flexible component selection. A low ripple pulse skip mode reduces the no load supply current to 152 µA. Shutdown supply current is reduced to 2 µA when the enable pin is pulled low.
Undervoltage lockout is internally set at 4.3 V but can increase using an external resistor divider at the enable pin. The output voltage start up ramp is controlled by the soft start pin that can also be configured for sequencing/tracking. An open drain power good signal indicates the output is within 93% to 106% of its nominal voltage.
A wide adjustable switching-frequency range allows for optimization of either efficiency or external component size. Cycle-by-cycle current limit, frequency foldback and thermal shutdown protects internal and external components during an overload condition.
The TPS54561 is available in an 10-pin 4-mm × 4-mm WSON package. |
TPS5462.95-V to 16-V, stackable 40-A synchronous SWIFT™ step-down converter with pin-strapping and PMBus® | Evaluation Boards | 20 | Active | The TPS546D24S is a highly integrated, non-isolated DC/DC converter that expands on the TPS546D24A by adding manufacturer-specific PMBus commands and Extended Write Protect and Passkey. This feature improves security against malicious access to the PMBus by restricting Write capability with greater resolution than the standard Write Protect command. TPS546D24S is capable of high frequency operation and 40-A current output from a 7-mm × 5-mm package. Two, three, and four TPS546D24S devices can be interconnected to provide up to 160 A on a single output. The device has an option to overdrive the internal 5-V LDO with an external 5-V supply through the VDD5 pin to improve efficiency and reduce power dissipation of the converter.
The TPS546D24S uses a proprietary fixed-frequency current-mode control with input feedforward and selectable internal compensation components for minimal size and stability over a wide range of output capacitances.
The PMBus interface with 1-MHz clock support gives a convenient, standardized digital interface for converter configuration as well as monitoring of key parameters including output voltage, output current, and internal die temperature. Response to fault conditions can be set to restart, latch off, or ignore, depending on system requirements. Back-channel communication between stacked devices enables all TPS546D24S converters powering a single output rail to share a single address to simplify system software/firmware design. Key parameters including output voltage, switching frequency, soft-start time, and overcurrent fault limits can also be configured through BOM selection without PMBus communication to support program free power up.
The TPS546D24S is a highly integrated, non-isolated DC/DC converter that expands on the TPS546D24A by adding manufacturer-specific PMBus commands and Extended Write Protect and Passkey. This feature improves security against malicious access to the PMBus by restricting Write capability with greater resolution than the standard Write Protect command. TPS546D24S is capable of high frequency operation and 40-A current output from a 7-mm × 5-mm package. Two, three, and four TPS546D24S devices can be interconnected to provide up to 160 A on a single output. The device has an option to overdrive the internal 5-V LDO with an external 5-V supply through the VDD5 pin to improve efficiency and reduce power dissipation of the converter.
The TPS546D24S uses a proprietary fixed-frequency current-mode control with input feedforward and selectable internal compensation components for minimal size and stability over a wide range of output capacitances.
The PMBus interface with 1-MHz clock support gives a convenient, standardized digital interface for converter configuration as well as monitoring of key parameters including output voltage, output current, and internal die temperature. Response to fault conditions can be set to restart, latch off, or ignore, depending on system requirements. Back-channel communication between stacked devices enables all TPS546D24S converters powering a single output rail to share a single address to simplify system software/firmware design. Key parameters including output voltage, switching frequency, soft-start time, and overcurrent fault limits can also be configured through BOM selection without PMBus communication to support program free power up. |
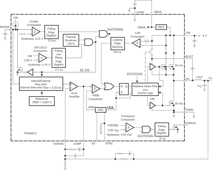
TPS54610Enhanced Product 3-V To 6-V Input, 6-A Output Synchronous Buck Pwm Switcher W/ Integr. Fets | Evaluation Boards | 6 | Active | As a member of the SWIFT™ family of dc/dc regulators, the TPS54610 low-input voltage high-output current synchronous buck PWM converter integrates all required active components. Included on the substrate with the listed features are a true, high-performance, voltage error amplifier that enables maximum performance and flexibility in choosing the output filter L and C components, an under-voltage-lockout circuit to prevent start-up until the input voltage reaches 3 V, an internally or externally set slow-start circuit to limit inrush currents, and a power good output useful for processor/logic reset, fault signaling, and supply sequencing.
The TPS54610 is available in a thermally enhanced 28-pin TSSOP (PWP) PowerPAD™ package, which eliminates bulky heatsinks. Texas Instruments provides evaluation modules and the SWIFT™ designer software tool to aid in quickly achieving high-performance power supply designs to meet aggressive equipment development cycles.
As a member of the SWIFT™ family of dc/dc regulators, the TPS54610 low-input voltage high-output current synchronous buck PWM converter integrates all required active components. Included on the substrate with the listed features are a true, high-performance, voltage error amplifier that enables maximum performance and flexibility in choosing the output filter L and C components, an under-voltage-lockout circuit to prevent start-up until the input voltage reaches 3 V, an internally or externally set slow-start circuit to limit inrush currents, and a power good output useful for processor/logic reset, fault signaling, and supply sequencing.
The TPS54610 is available in a thermally enhanced 28-pin TSSOP (PWP) PowerPAD™ package, which eliminates bulky heatsinks. Texas Instruments provides evaluation modules and the SWIFT™ designer software tool to aid in quickly achieving high-performance power supply designs to meet aggressive equipment development cycles. |
TPS54610-EPEnhanced Product 3-V To 6-V Input, 6-A Output Synchronous Buck Pwm Switcher W/ Integr. Fets | Power Management (PMIC) | 1 | Unknown | As a member of the SWIFT™ family of dc/dc regulators, the TPS54610 low-input voltage high-output current synchronous buck PWM converter integrates all required active components. Included on the substrate with the listed features are a true, high-performance, voltage error amplifier that enables maximum performance and flexibility in choosing the output filter L and C components, an under-voltage-lockout circuit to prevent start-up until the input voltage reaches 3 V, an internally or externally set slow-start circuit to limit inrush currents, and a power good output useful for processor/logic reset, fault signaling, and supply sequencing.
The TPS54610 is available in a thermally enhanced 28-pin TSSOP (PWP) PowerPAD™ package, which eliminates bulky heatsinks. Texas Instruments provides evaluation modules and the SWIFT™ designer software tool to aid in quickly achieving high-performance power supply designs to meet aggressive equipment development cycles.
As a member of the SWIFT™ family of dc/dc regulators, the TPS54610 low-input voltage high-output current synchronous buck PWM converter integrates all required active components. Included on the substrate with the listed features are a true, high-performance, voltage error amplifier that enables maximum performance and flexibility in choosing the output filter L and C components, an under-voltage-lockout circuit to prevent start-up until the input voltage reaches 3 V, an internally or externally set slow-start circuit to limit inrush currents, and a power good output useful for processor/logic reset, fault signaling, and supply sequencing.
The TPS54610 is available in a thermally enhanced 28-pin TSSOP (PWP) PowerPAD™ package, which eliminates bulky heatsinks. Texas Instruments provides evaluation modules and the SWIFT™ designer software tool to aid in quickly achieving high-performance power supply designs to meet aggressive equipment development cycles. |
| Power Management (PMIC) | 2 | Obsolete | ||