AFE58128-Channel Ultrasound Analog Front End With Passive CW Mixer and Digital I/Q Demodulator, 0.75nV/rtHz | Analog Front End (AFE) | 1 | Active | The AFE5812 is a highly-integrated analog front-end (AFE) solution specifically designed for ultrasound systems in which high performance and small size are required. The AFE5812 integrates a complete time-gain-control (TGC) imaging path and a CWD path. It also enables users to select one of various power/noise combinations to optimize system performance. Therefore, the AFE5812 is a suitable ultrasound AFE solution not only for high-end systems, but also for portable ones.
The AFE5812 contains eight channels of voltage controlled amplifier (VCA), 14-bit and 12-bit ADC, and CW mixer. The VCA includes LNA, VCAT, PGA, and LPF. The LNA gain is programmable to support 250 mVPP to 0.75 VPP input signals. Programmable active termination is also supported by the LNA. The ultra-low noise VCAT provides an attenuation control range of 40 dB and improves overall low-gain SNR, which benefits harmonic imaging and near-field imaging. The PGA provides gain options of 24 and 30 dB. Before the ADC, a LPF can be configured as 10, 15, 20, 30, 35 or 50 MHz to support ultrasound applications with different frequencies. In addition, the signal chain of the AFE5812 can handle signal frequency lower than 100 kHz, which enables the AFE5812 to be used in both sonar and medical applications. The high-performance 14-bit/65-MSPS ADC in the AFE5812 achieves 77 dBFS SNR. It ensures excellent SNR at low chain gain. The ADC’s LVDS outputs enable flexible system integration desired for miniaturized systems.
The AFE5812 integrates a low-power passive mixer and a low-noise summing amplifier to accomplish on-chip CWD beamformer. 16 selectable phase-delays can be applied to each analog input signal. Meanwhile, a unique third- and fifth-order harmonic suppression filter is implemented to enhance CW sensitivity.
The AFE5812 also includes a digital in-phase and quadrature (I/Q) demodulator and a low-pass decimation filter. The main purpose of the demodulation block is to reduce the LVDS data rate and improve overall system power efficiency. The I/Q demodulator can accept ADC output with up to 65 MSPS sampling rate and 14-bit resolution. For example, after digital demodulation and 4× decimation filtering, the data rate for either in-phase or quadrature output is reduced to 16.25 MSPS and the data resolution is improved to 16 bits, consequently. Hence, the overall LVDS trace reduction can be a factor of 2. This demodulator can be bypassed and powered down completely if it is not needed.
The AFE5812 is available in a 15mm × 9mm, 135-pin BGA package, and it is specified for operation from –40°C to 85°C.
The AFE5812 is a highly-integrated analog front-end (AFE) solution specifically designed for ultrasound systems in which high performance and small size are required. The AFE5812 integrates a complete time-gain-control (TGC) imaging path and a CWD path. It also enables users to select one of various power/noise combinations to optimize system performance. Therefore, the AFE5812 is a suitable ultrasound AFE solution not only for high-end systems, but also for portable ones.
The AFE5812 contains eight channels of voltage controlled amplifier (VCA), 14-bit and 12-bit ADC, and CW mixer. The VCA includes LNA, VCAT, PGA, and LPF. The LNA gain is programmable to support 250 mVPP to 0.75 VPP input signals. Programmable active termination is also supported by the LNA. The ultra-low noise VCAT provides an attenuation control range of 40 dB and improves overall low-gain SNR, which benefits harmonic imaging and near-field imaging. The PGA provides gain options of 24 and 30 dB. Before the ADC, a LPF can be configured as 10, 15, 20, 30, 35 or 50 MHz to support ultrasound applications with different frequencies. In addition, the signal chain of the AFE5812 can handle signal frequency lower than 100 kHz, which enables the AFE5812 to be used in both sonar and medical applications. The high-performance 14-bit/65-MSPS ADC in the AFE5812 achieves 77 dBFS SNR. It ensures excellent SNR at low chain gain. The ADC’s LVDS outputs enable flexible system integration desired for miniaturized systems.
The AFE5812 integrates a low-power passive mixer and a low-noise summing amplifier to accomplish on-chip CWD beamformer. 16 selectable phase-delays can be applied to each analog input signal. Meanwhile, a unique third- and fifth-order harmonic suppression filter is implemented to enhance CW sensitivity.
The AFE5812 also includes a digital in-phase and quadrature (I/Q) demodulator and a low-pass decimation filter. The main purpose of the demodulation block is to reduce the LVDS data rate and improve overall system power efficiency. The I/Q demodulator can accept ADC output with up to 65 MSPS sampling rate and 14-bit resolution. For example, after digital demodulation and 4× decimation filtering, the data rate for either in-phase or quadrature output is reduced to 16.25 MSPS and the data resolution is improved to 16 bits, consequently. Hence, the overall LVDS trace reduction can be a factor of 2. This demodulator can be bypassed and powered down completely if it is not needed.
The AFE5812 is available in a 15mm × 9mm, 135-pin BGA package, and it is specified for operation from –40°C to 85°C. |
| RF Evaluation and Development Kits, Boards | 1 | Active | |
AFE581816-Channel Ultrasound Analog Front End With Passive CW Mixer, 0.75 nV/rtHz, 124mW/Channel | Evaluation Boards | 2 | Active | The AFE5818 is a highly-integrated, analog front-end (AFE) solution specifically designed for ultrasound systems where high performance and small size are required. The device integrates a complete time-gain-control (TGC) imaging path and a continuous wave Doppler (CWD) path. The device also allows various power and noise combinations to be selected to optimize system performance. Therefore, the AFE5818 is a suitable ultrasound AFE solution for high-end and portable systems
The AFE5818 has a total of 16 channels, with each channel consisting of a voltage-controlled amplifier (VCA), a simultaneous sampling 14-bit and 12-bit analog-to-digital converter (ADC), and a continuous wave (CW) mixer. The VCA includes a low-noise amplifier (LNA), a voltage-controlled attenuator (VCAT), a programmable gain amplifier (PGA), and a low-pass filter (LPF). LNA gain is programmable and supports 250mVPP to 1VPP input signals and programmable active termination. The ultra-low noise VCAT provides an attenuation control range of 40dB and improves overall low-gain SNR, which benefits harmonic and near-field imaging. The PGA provides gain options of 24dB and 30dB. In front of the ADC, an LPF can be configured at 10MHz, 15MHz, 20MHz, 30MHz, 35MHz, or 50MHz to support ultrasound applications with different frequencies.
The AFE5818 also integrates a low-power passive mixer and a low-noise summing amplifier to create an on-chip CWD beamformer. 16 selectable phase delays can be applied to each analog input signal. Furthermore, a unique third- and fifth-order harmonic suppression filter is implemented to enhance CW sensitivity
The high-performance, 14-bit ADC achieves 75dBFS SNR. This ADC ensures excellent SNR at low-chain gain. The device can operate at maximum speeds of 65 MSPS and 80 MSPS, providing a 14-bit and a 12-bit output, respectively.
The ADC low-voltage differential signaling (LVDS) outputs enable a flexible system integration that is desirable for miniaturized systems.
The AFE5818 also allows various power and noise combinations to be selected to optimize system performance. Therefore, the AFE5818 is a suitable ultrasound AFE solution for both high-end and portable systems.
The AFE5818 is available in a 15mm × 15mm NFBGA-289 package (ZBV package, S-PBGA-N289) and are specified for operation from –40°C to 85°C. The devices are also pin-to-pin compatible with theAFE5816device family.
The AFE5818 is a highly-integrated, analog front-end (AFE) solution specifically designed for ultrasound systems where high performance and small size are required. The device integrates a complete time-gain-control (TGC) imaging path and a continuous wave Doppler (CWD) path. The device also allows various power and noise combinations to be selected to optimize system performance. Therefore, the AFE5818 is a suitable ultrasound AFE solution for high-end and portable systems
The AFE5818 has a total of 16 channels, with each channel consisting of a voltage-controlled amplifier (VCA), a simultaneous sampling 14-bit and 12-bit analog-to-digital converter (ADC), and a continuous wave (CW) mixer. The VCA includes a low-noise amplifier (LNA), a voltage-controlled attenuator (VCAT), a programmable gain amplifier (PGA), and a low-pass filter (LPF). LNA gain is programmable and supports 250mVPP to 1VPP input signals and programmable active termination. The ultra-low noise VCAT provides an attenuation control range of 40dB and improves overall low-gain SNR, which benefits harmonic and near-field imaging. The PGA provides gain options of 24dB and 30dB. In front of the ADC, an LPF can be configured at 10MHz, 15MHz, 20MHz, 30MHz, 35MHz, or 50MHz to support ultrasound applications with different frequencies.
The AFE5818 also integrates a low-power passive mixer and a low-noise summing amplifier to create an on-chip CWD beamformer. 16 selectable phase delays can be applied to each analog input signal. Furthermore, a unique third- and fifth-order harmonic suppression filter is implemented to enhance CW sensitivity
The high-performance, 14-bit ADC achieves 75dBFS SNR. This ADC ensures excellent SNR at low-chain gain. The device can operate at maximum speeds of 65 MSPS and 80 MSPS, providing a 14-bit and a 12-bit output, respectively.
The ADC low-voltage differential signaling (LVDS) outputs enable a flexible system integration that is desirable for miniaturized systems.
The AFE5818 also allows various power and noise combinations to be selected to optimize system performance. Therefore, the AFE5818 is a suitable ultrasound AFE solution for both high-end and portable systems.
The AFE5818 is available in a 15mm × 15mm NFBGA-289 package (ZBV package, S-PBGA-N289) and are specified for operation from –40°C to 85°C. The devices are also pin-to-pin compatible with theAFE5816device family. |
AFE5832LPLow-power 32-ch ultrasound AFE with 18.5mW/ch power, LVDS interface, and passive CW mixer | Integrated Circuits (ICs) | 2 | Active | The AFE5832LP is a highly integrated, analog front-end (AFE) solution specifically designed for portable ultrasound systems where high performance, low power, and small size are required.
The device is realized through a multichip module (MCM) with two dies: 1 VCA die and 1 ADC die. The VCA die has 32 channels that interface with the 16 channels of the ADC die. Each ADC channel alternately converts an odd and an even VCA channel.
Each channel in the VCA die can be configured in either of two modes: time-gain-compensation (TGC) mode or continuous wave (CW) mode. In the TGC mode, each channel includes a low-noise amplifier (LNA), a programmable attenuator (ATTEN), a programmable gain amplifier and a third-order, low-pass filter (LPF). The LNA gain is programmable to 21 dB, 18 dB, or 15 dB. The ATTEN supports an attenuation range of 0 dB to 36 dB, with digital control for the attenuation. The PGA provides gain options from 21 dB to 27 dB in steps of 3 dB. The LPF cutoff frequency can be set between 10 MHz and 25 MHz to support ultrasound applications with different frequencies. In the CW mode, the output of the LNA goes to a low-power passive mixer with 16 selectable phase delays. Different phase delays can be applied to each analog input signal to perform an on-chip beamforming operation. A harmonic filter in the CW mixer suppresses the third and fifth harmonic to enhance the sensitivity of the CW Doppler measurement.
The 16 channels of the ADC die can be configured to operate with a resolution of 12 bits or 10 bits. The ADC resolution can be traded off with conversion rate and can operate at maximum speeds of 80 MSPS and 100 MSPS at 12-bit and 10-bit resolution, respectively. Because each ADC alternately converts two VCA channels, the resulting maximum sample rate of each of the 32 channels of the AFE is 40 MSPS and 50 MSPS in the 12-bit and 10-bit modes, respectively. The ADC is designed to scale its power with sampling rate. The output interface of the ADC comes out through a low-voltage differential signaling (LVDS), which can easily interface with low-cost field-programmable gate arrays (FPGAs).
A very low-power AFE solution makes it suitable for system with strict battery-life requirement.
The AFE is available in a 15 mm × 15 mm 289-pin NFBGA package and is pin-compatible with the AFE5832 family.
The AFE5832LP is a highly integrated, analog front-end (AFE) solution specifically designed for portable ultrasound systems where high performance, low power, and small size are required.
The device is realized through a multichip module (MCM) with two dies: 1 VCA die and 1 ADC die. The VCA die has 32 channels that interface with the 16 channels of the ADC die. Each ADC channel alternately converts an odd and an even VCA channel.
Each channel in the VCA die can be configured in either of two modes: time-gain-compensation (TGC) mode or continuous wave (CW) mode. In the TGC mode, each channel includes a low-noise amplifier (LNA), a programmable attenuator (ATTEN), a programmable gain amplifier and a third-order, low-pass filter (LPF). The LNA gain is programmable to 21 dB, 18 dB, or 15 dB. The ATTEN supports an attenuation range of 0 dB to 36 dB, with digital control for the attenuation. The PGA provides gain options from 21 dB to 27 dB in steps of 3 dB. The LPF cutoff frequency can be set between 10 MHz and 25 MHz to support ultrasound applications with different frequencies. In the CW mode, the output of the LNA goes to a low-power passive mixer with 16 selectable phase delays. Different phase delays can be applied to each analog input signal to perform an on-chip beamforming operation. A harmonic filter in the CW mixer suppresses the third and fifth harmonic to enhance the sensitivity of the CW Doppler measurement.
The 16 channels of the ADC die can be configured to operate with a resolution of 12 bits or 10 bits. The ADC resolution can be traded off with conversion rate and can operate at maximum speeds of 80 MSPS and 100 MSPS at 12-bit and 10-bit resolution, respectively. Because each ADC alternately converts two VCA channels, the resulting maximum sample rate of each of the 32 channels of the AFE is 40 MSPS and 50 MSPS in the 12-bit and 10-bit modes, respectively. The ADC is designed to scale its power with sampling rate. The output interface of the ADC comes out through a low-voltage differential signaling (LVDS), which can easily interface with low-cost field-programmable gate arrays (FPGAs).
A very low-power AFE solution makes it suitable for system with strict battery-life requirement.
The AFE is available in a 15 mm × 15 mm 289-pin NFBGA package and is pin-compatible with the AFE5832 family. |
AFE585116-Channel VGA With Analog-to-Digital Converter (ADC) | Data Acquisition | 2 | Active | The AFE5851 is an analog front-end targeting applications where the power and level of integration are critical. The device contains 16 variable gain amplifiers (VGA), followed by an octal high speed (up to 65 MSPS) analog to digital converter (ADC).
Each of the 16 single ended inputs is buffered, accepts up to 1VPPmaximum input swing and it is followed by a VGA with a gain range from –5dB to 31dB. The VGA gain is digitally controlled and the gain curves versus time can be stored in memory, integrated within the device using the serial interface.
A selectable clamping and anti-alias low pass filter (with 3dB attenuation at 7.5, 10 or 14MHz) is also integrated between the VGA and ADC for every channel. The VGA/anti-alias filter outputs are differential (limited to 2 VPP) and drive the on-board 12-bit 65MSPS ADC that is shared between two VGAs to optimize the power dissipation. Each VGA output is sampled at alternate clock cycles, making the effective sampling frequency half the input clock rate. The ADC also scales down its power consumption should a lower sampling rate be selected.
The ADC outputs are serialized in LVDS streams further minimizing power and board area. The AFE5851 is available in a 64-pin QFN package (9x9mm2) and is specified over the full industrial temperature range (–40°C to 85°C).
The AFE5851 is an analog front-end targeting applications where the power and level of integration are critical. The device contains 16 variable gain amplifiers (VGA), followed by an octal high speed (up to 65 MSPS) analog to digital converter (ADC).
Each of the 16 single ended inputs is buffered, accepts up to 1VPPmaximum input swing and it is followed by a VGA with a gain range from –5dB to 31dB. The VGA gain is digitally controlled and the gain curves versus time can be stored in memory, integrated within the device using the serial interface.
A selectable clamping and anti-alias low pass filter (with 3dB attenuation at 7.5, 10 or 14MHz) is also integrated between the VGA and ADC for every channel. The VGA/anti-alias filter outputs are differential (limited to 2 VPP) and drive the on-board 12-bit 65MSPS ADC that is shared between two VGAs to optimize the power dissipation. Each VGA output is sampled at alternate clock cycles, making the effective sampling frequency half the input clock rate. The ADC also scales down its power consumption should a lower sampling rate be selected.
The ADC outputs are serialized in LVDS streams further minimizing power and board area. The AFE5851 is available in a 64-pin QFN package (9x9mm2) and is specified over the full industrial temperature range (–40°C to 85°C). |
AFE58JD1816-Channel Ultrasound Analog Front End With 140-mW/Ch Power, 0.75-nV/√Hz Noise | Integrated Circuits (ICs) | 1 | Active | The AFE58JD18 is a highly-integrated, analog front-end (AFE) solutions specifically designed for ultrasound systems where high performance and small size are required.
To request a full datasheet or other design resources:request AFE58JD18
The AFE58JD18 has a total of 16 channels, with each channel consisting of a voltage-controlled amplifier (VCA), a simultaneous sampling 14-bit and 12-bit analog-to-digital converter (ADC), and a continuous wave (CW) mixer. The VCA includes a low-noise amplifier (LNA), a voltage-controlled attenuator (VCAT), a programmable gain amplifier (PGA), and a low-pass filter (LPF). LNA gain is programmable and supports 250-mVPPto 1-VPPinput signals and programmable active termination. The ultra-low noise VCAT provides an attenuation control range of 40 dB and improves overall low-gain SNR, which benefits harmonic and near-field imaging. The PGA provides gain options of 24 dB and 30 dB. In front of the ADC, an LPF can be configured at 10 MHz, 15 MHz, 20 MHz, 30 MHz, 35 MHz, or 50 MHz to support ultrasound applications with different frequencies.
The AFE58JD18 also integrates a low-power passive mixer and a low-noise summing amplifier to create an on-chip CWD beamformer. 16 selectable phase delays can be applied to each analog input signal. Furthermore, a unique third- and fifth-order harmonic suppression filter is implemented to enhance CW sensitivity
The high-performance, 14-bit ADC achieves 75-dBFS SNR. This ADC ensures excellent SNR at low-chain gain. The device can operate at maximum speeds of 65 MSPS and 80 MSPS, providing a 14-bit and a 12-bit output, respectively.
The ADC low-voltage differential signaling (LVDS) outputs enable a flexible system integration that is desirable for miniaturized systems.
The AFE58JD18 additionally includes an optional digital demodulator and JESD204B data packing blocks after the 12- or 14-bit ADC. The digital in-phase and quadrature (I/Q) demodulator with programmable fractional decimation filters accelerates computationally-intensive algorithms at low power. A JESD204B interface that runs up to 5 Gbps further reduces the circuit board routing challenges in high-channel count systems.
The AFE58JD18 also allows various power and noise combinations to be selected to optimize system performance. Therefore, the AFE58JD18 is a suitable ultrasound AFE solution for both high-end and portable systems.
The AFE58JD18 is available in a 15-mm × 15-mm NFBGA-289 package (ZBV package, S-PBGA-N289) and is specified for operation from –40°C to 85°C. The device pinout is also similar to theAFE5816device family.
The AFE58JD18 is a highly-integrated, analog front-end (AFE) solutions specifically designed for ultrasound systems where high performance and small size are required.
To request a full datasheet or other design resources:request AFE58JD18
The AFE58JD18 has a total of 16 channels, with each channel consisting of a voltage-controlled amplifier (VCA), a simultaneous sampling 14-bit and 12-bit analog-to-digital converter (ADC), and a continuous wave (CW) mixer. The VCA includes a low-noise amplifier (LNA), a voltage-controlled attenuator (VCAT), a programmable gain amplifier (PGA), and a low-pass filter (LPF). LNA gain is programmable and supports 250-mVPPto 1-VPPinput signals and programmable active termination. The ultra-low noise VCAT provides an attenuation control range of 40 dB and improves overall low-gain SNR, which benefits harmonic and near-field imaging. The PGA provides gain options of 24 dB and 30 dB. In front of the ADC, an LPF can be configured at 10 MHz, 15 MHz, 20 MHz, 30 MHz, 35 MHz, or 50 MHz to support ultrasound applications with different frequencies.
The AFE58JD18 also integrates a low-power passive mixer and a low-noise summing amplifier to create an on-chip CWD beamformer. 16 selectable phase delays can be applied to each analog input signal. Furthermore, a unique third- and fifth-order harmonic suppression filter is implemented to enhance CW sensitivity
The high-performance, 14-bit ADC achieves 75-dBFS SNR. This ADC ensures excellent SNR at low-chain gain. The device can operate at maximum speeds of 65 MSPS and 80 MSPS, providing a 14-bit and a 12-bit output, respectively.
The ADC low-voltage differential signaling (LVDS) outputs enable a flexible system integration that is desirable for miniaturized systems.
The AFE58JD18 additionally includes an optional digital demodulator and JESD204B data packing blocks after the 12- or 14-bit ADC. The digital in-phase and quadrature (I/Q) demodulator with programmable fractional decimation filters accelerates computationally-intensive algorithms at low power. A JESD204B interface that runs up to 5 Gbps further reduces the circuit board routing challenges in high-channel count systems.
The AFE58JD18 also allows various power and noise combinations to be selected to optimize system performance. Therefore, the AFE58JD18 is a suitable ultrasound AFE solution for both high-end and portable systems.
The AFE58JD18 is available in a 15-mm × 15-mm NFBGA-289 package (ZBV package, S-PBGA-N289) and is specified for operation from –40°C to 85°C. The device pinout is also similar to theAFE5816device family. |
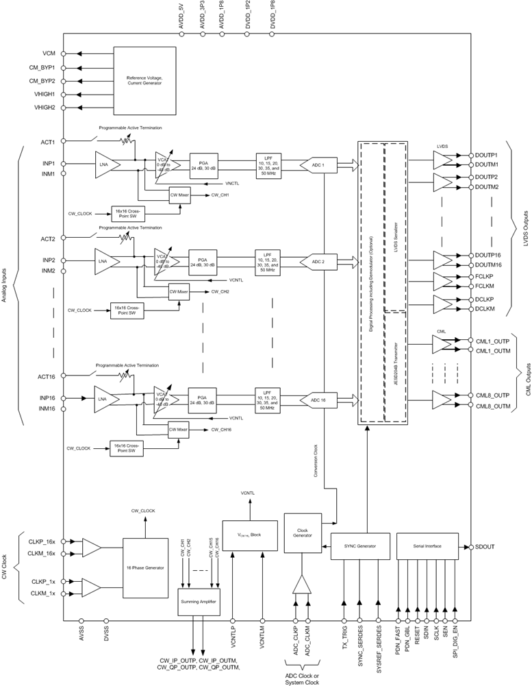
AFE58JD2816-Ch Ultrasound AFE With 102mW/Ch Power, Digital Demodulator, and JESD or LVDS Interface | Data Acquisition | 1 | Active | The AFE58JD28 device is a highly-integrated, analog front-end (AFE) solutions specifically designed for ultrasound systems where high performance, low power, and small size are required.
The AFE58JD28 is an integrated AFE optimized for medical ultrasound application. The device is realized through a multichip module (MCM) with two dies: one voltage-controlled amplifier (VCA) die and one analog-to-digital converter (ADC) die. The VCA die has 16 channels that interface with the 16 channels of the ADC die.
Each channel in the VCA die can be configured in one of two modes: time gain compensation (TGC) mode or continuous wave (CW) mode. In TGC mode, each channel includes a low-noise amplifier (LNA), a voltage-controlled attenuator (VCAT), a programmable gain amplifier (PGA), and a third-order, low-pass filter (LPF). The LNA is programmable in gains of 21 dB, 18 dB, or 15 dB. The LNA also supports active termination. The VCAT supports an attenuation range of 0 dB to 36 dB, with analog voltage control for the attenuation. The PGA provides gain options from 18 dB to 27 dB in steps of 3 dB. The LPF cutoff frequency can be set between 10 MHz and 30 MHz to support ultrasound applications with different frequencies. In CW mode, the output of the LNA goes to a low-power passive mixer with 16 selectable phase delays followed by a summing amplifier with a band-pass filter. Different phase delays can be applied to each analog input signal to perform an on-chip beamforming operation. A harmonic filter in the CW mixer suppresses the third and fifth harmonic to enhance the sensitivity of the CW Doppler measurement.
The 16 channels of the ADC die can be configured to operate with a resolution of 14 bits or 12 bits. The ADC resolution can be traded off with conversion rate, and can operate at maximum speeds of 65 MSPS and 80 MSPS at 14-bit and 12-bit resolution, respectively. The ADC is designed to scale its power with sampling rate. The output interface of the ADC comes out through a low-voltage differential signaling (LVDS) that can easily interface with low-cost field-programmable gate arrays (FPGAs).
The AFE58JD28 additionally includes a digital demodulator and JESD204B data packing blocks. The digital in-phase and quadrature (I/Q) demodulator with programmable decimation filters accelerates computationally-intensive algorithms at low power. The device also supports an optional JESD204B interface that runs up to 5 Gbps and further reduces the circuit-board routing challenges in high-channel count systems.
The device also allows various power and noise combinations to be selected for optimizing system performance. Therefore, these devices are suitable ultrasound AFE solutions for systems with strict battery-life requirements.
The device is available in a 15-mm × 15-mm NFBGA-289 package and is pin-compatible with theAFE5818andAFE5816family.
The AFE58JD28 device is a highly-integrated, analog front-end (AFE) solutions specifically designed for ultrasound systems where high performance, low power, and small size are required.
The AFE58JD28 is an integrated AFE optimized for medical ultrasound application. The device is realized through a multichip module (MCM) with two dies: one voltage-controlled amplifier (VCA) die and one analog-to-digital converter (ADC) die. The VCA die has 16 channels that interface with the 16 channels of the ADC die.
Each channel in the VCA die can be configured in one of two modes: time gain compensation (TGC) mode or continuous wave (CW) mode. In TGC mode, each channel includes a low-noise amplifier (LNA), a voltage-controlled attenuator (VCAT), a programmable gain amplifier (PGA), and a third-order, low-pass filter (LPF). The LNA is programmable in gains of 21 dB, 18 dB, or 15 dB. The LNA also supports active termination. The VCAT supports an attenuation range of 0 dB to 36 dB, with analog voltage control for the attenuation. The PGA provides gain options from 18 dB to 27 dB in steps of 3 dB. The LPF cutoff frequency can be set between 10 MHz and 30 MHz to support ultrasound applications with different frequencies. In CW mode, the output of the LNA goes to a low-power passive mixer with 16 selectable phase delays followed by a summing amplifier with a band-pass filter. Different phase delays can be applied to each analog input signal to perform an on-chip beamforming operation. A harmonic filter in the CW mixer suppresses the third and fifth harmonic to enhance the sensitivity of the CW Doppler measurement.
The 16 channels of the ADC die can be configured to operate with a resolution of 14 bits or 12 bits. The ADC resolution can be traded off with conversion rate, and can operate at maximum speeds of 65 MSPS and 80 MSPS at 14-bit and 12-bit resolution, respectively. The ADC is designed to scale its power with sampling rate. The output interface of the ADC comes out through a low-voltage differential signaling (LVDS) that can easily interface with low-cost field-programmable gate arrays (FPGAs).
The AFE58JD28 additionally includes a digital demodulator and JESD204B data packing blocks. The digital in-phase and quadrature (I/Q) demodulator with programmable decimation filters accelerates computationally-intensive algorithms at low power. The device also supports an optional JESD204B interface that runs up to 5 Gbps and further reduces the circuit-board routing challenges in high-channel count systems.
The device also allows various power and noise combinations to be selected for optimizing system performance. Therefore, these devices are suitable ultrasound AFE solutions for systems with strict battery-life requirements.
The device is available in a 15-mm × 15-mm NFBGA-289 package and is pin-compatible with theAFE5818andAFE5816family. |
AFE58JD32LP32-channel ultrasound AFE with 42-mW/ch power, digital demodulator, and JESD204B and LVDS interface | Integrated Circuits (ICs) | 2 | Active | The AFE58JD32 device is a highly-integrated, analog front-end solution specifically designed for ultrasound systems where high performance, low power, and small size are required.
The AFE58JD32 is an integrated analog front-end (AFE) optimized for medical ultrasound application. The device is realized through a multichip module (MCM) with three dies: two voltage-controlled amplifier (VCA) dies and one analog-to-digital converter (ADC) die. Each VCA die has 16 channels and the ADC die converts all of the 32 channels.
Each channel in the VCA die is configured in either of two modes: time gain compensation (TGC) mode or continuous wave (CW) mode. In TGC mode, each channel includes an input attenuator (ATTEN), a low-noise amplifier (LNA) with variable-gain, and a third-order, low-pass filter (LPF). The attenuator supports an attenuation range of 8 dB to 0 dB, and the LNA supports gain ranges from 20 dB to 51 dB. The LPF cutoff frequency can be configured at 5 MHz, 7.5 MHz, 10 MHz, or 12.5 MHz to support ultrasound applications with different frequencies. In CW mode, each channel includes an LNA with a fixed gain of 18 dB, and a low-power passive mixer with 16 selectable phase delays. Different phase delays can be applied to each analog input signal to perform an on-chip beamforming operation. A harmonic filter in the CW mixer suppresses the third and fifth harmonic to enhance the sensitivity of the CW Doppler measurement.
The ADC die has 16 physical ADCs. Each ADC converts two sets of outputs – one from each VCA die. The ADC is configured to operate with a resolution of 12 bits or 10 bits. The ADC resolution can be traded off with conversion rate, and operates at maximum speeds of 80 MSPS and 100 MSPS at 12-bit and 10-bit resolution, respectively. The ADC is designed to scale its power with sampling rate. The output interface of the ADC comes out through a low-voltage differential signaling (LVDS) which can easily interface with low-cost field-programmable gate arrays (FPGAs).
The AFE58JD32 includes an optional digital demodulator and JESD204B data packing blocks. The digital in-phase and quadrature (I/Q) demodulator with programmable decimation filters accelerates computationally-intensive algorithms at low power. The device also supports an optional JESD204B interface that runs up to 5-Gbps and further reduces the circuit-board routing challenges in high-channel count systems.
The AFE58JD32 also allows various power and noise combinations to be selected for optimizing system performance. Therefore, this device is a suitable ultrasound AFE solution for systems with strict battery-life requirements.
The AFE58JD32 device is a highly-integrated, analog front-end solution specifically designed for ultrasound systems where high performance, low power, and small size are required.
The AFE58JD32 is an integrated analog front-end (AFE) optimized for medical ultrasound application. The device is realized through a multichip module (MCM) with three dies: two voltage-controlled amplifier (VCA) dies and one analog-to-digital converter (ADC) die. Each VCA die has 16 channels and the ADC die converts all of the 32 channels.
Each channel in the VCA die is configured in either of two modes: time gain compensation (TGC) mode or continuous wave (CW) mode. In TGC mode, each channel includes an input attenuator (ATTEN), a low-noise amplifier (LNA) with variable-gain, and a third-order, low-pass filter (LPF). The attenuator supports an attenuation range of 8 dB to 0 dB, and the LNA supports gain ranges from 20 dB to 51 dB. The LPF cutoff frequency can be configured at 5 MHz, 7.5 MHz, 10 MHz, or 12.5 MHz to support ultrasound applications with different frequencies. In CW mode, each channel includes an LNA with a fixed gain of 18 dB, and a low-power passive mixer with 16 selectable phase delays. Different phase delays can be applied to each analog input signal to perform an on-chip beamforming operation. A harmonic filter in the CW mixer suppresses the third and fifth harmonic to enhance the sensitivity of the CW Doppler measurement.
The ADC die has 16 physical ADCs. Each ADC converts two sets of outputs – one from each VCA die. The ADC is configured to operate with a resolution of 12 bits or 10 bits. The ADC resolution can be traded off with conversion rate, and operates at maximum speeds of 80 MSPS and 100 MSPS at 12-bit and 10-bit resolution, respectively. The ADC is designed to scale its power with sampling rate. The output interface of the ADC comes out through a low-voltage differential signaling (LVDS) which can easily interface with low-cost field-programmable gate arrays (FPGAs).
The AFE58JD32 includes an optional digital demodulator and JESD204B data packing blocks. The digital in-phase and quadrature (I/Q) demodulator with programmable decimation filters accelerates computationally-intensive algorithms at low power. The device also supports an optional JESD204B interface that runs up to 5-Gbps and further reduces the circuit-board routing challenges in high-channel count systems.
The AFE58JD32 also allows various power and noise combinations to be selected for optimizing system performance. Therefore, this device is a suitable ultrasound AFE solution for systems with strict battery-life requirements. |
| Integrated Circuits (ICs) | 3 | Active | |
AFE7071Integrated Dual 14-bit 65MSPS DAC and RF IQ Modulator | Development Boards, Kits, Programmers | 3 | Active | The AFE7071 is a dual 14-bit 65-MSPS digital-to-analog converter (DAC) with integrated, programmable fourth-order baseband filter and analog quadrature modulator. The AFE7071 includes additional digital signal-processing features such as a quadrature modulator correction circuit, providing LO and sideband suppression capability. The AFE7071 has an interleaved 14-bit 1.8-V to 3.3-V CMOS input. The AFE7071 provides 20 MHz of RF signal bandwidth with an RF output frequency range of 100 MHz to 2.7 GHz.
The AFE7071 package is a 7-mm × 7mm 48-pin QFN package. The AFE7071 is specified over the full industrial temperature range (–40°C to 85°C).
The AFE7071 is a dual 14-bit 65-MSPS digital-to-analog converter (DAC) with integrated, programmable fourth-order baseband filter and analog quadrature modulator. The AFE7071 includes additional digital signal-processing features such as a quadrature modulator correction circuit, providing LO and sideband suppression capability. The AFE7071 has an interleaved 14-bit 1.8-V to 3.3-V CMOS input. The AFE7071 provides 20 MHz of RF signal bandwidth with an RF output frequency range of 100 MHz to 2.7 GHz.
The AFE7071 package is a 7-mm × 7mm 48-pin QFN package. The AFE7071 is specified over the full industrial temperature range (–40°C to 85°C). |