T
Texas Instruments
| Series | Category | # Parts | Status | Description |
|---|---|---|---|---|
| Part | Spec A | Spec B | Spec C | Spec D | Description |
|---|---|---|---|---|---|
| Series | Category | # Parts | Status | Description |
|---|---|---|---|---|
| Part | Spec A | Spec B | Spec C | Spec D | Description |
|---|---|---|---|---|---|
| Part | Category | Description |
|---|---|---|
Texas Instruments | Integrated Circuits (ICs) | BUS DRIVER, BCT/FBT SERIES |
Texas Instruments | Integrated Circuits (ICs) | 12BIT 3.3V~3.6V 210MHZ PARALLEL VQFN-48-EP(7X7) ANALOG TO DIGITAL CONVERTERS (ADC) ROHS |
Texas Instruments | Integrated Circuits (ICs) | TMX320DRE311 179PIN UBGA 200MHZ |
Texas Instruments TPS61040DRVTG4Unknown | Integrated Circuits (ICs) | IC LED DRV RGLTR PWM 350MA 6WSON |
Texas Instruments LP3876ET-2.5Obsolete | Integrated Circuits (ICs) | IC REG LINEAR 2.5V 3A TO220-5 |
Texas Instruments LMS1585ACSX-ADJObsolete | Integrated Circuits (ICs) | IC REG LIN POS ADJ 5A DDPAK |
Texas Instruments INA111APG4Obsolete | Integrated Circuits (ICs) | IC INST AMP 1 CIRCUIT 8DIP |
Texas Instruments | Integrated Circuits (ICs) | AUTOMOTIVE, QUAD 36V 1.2MHZ OPERATIONAL AMPLIFIER |
Texas Instruments OPA340NA/3KG4Unknown | Integrated Circuits (ICs) | IC OPAMP GP 1 CIRCUIT SOT23-5 |
Texas Instruments PT5112AObsolete | Power Supplies - Board Mount | DC DC CONVERTER 8V 8W |
| Series | Category | # Parts | Status | Description |
|---|---|---|---|---|
UCC2305-Q1Automotive 5V to 18V HID Lamp controller | Lighting, Ballast Controllers | 3 | LTB | The UCC2305 integrates all of the functions required to control and drive one HID lamp. The UCC2305 is tailored to the demanding, fast turn-on requirements of automobile headlamps, but is also applicable to all other lighting applications where HID lamps are selected. HID lamps are ideal for any lighting applications that can benefit from very high efficiency, blue-white light color, small physical lamp size, and very long life.
The UCC2305 contains a complete current mode pulse-width modulator, a lamp power regulator, lamp temperature compensation, and total fault protection. Lamp temperature compensation is critical for automobile headlamps, because without compensation, light output varies dramatically from a cold lamp to one that is fully warmed up.
The UCC2305 is tested for full performance with ambient temperature from –40°C to 105°C.
The UCC2305 integrates all of the functions required to control and drive one HID lamp. The UCC2305 is tailored to the demanding, fast turn-on requirements of automobile headlamps, but is also applicable to all other lighting applications where HID lamps are selected. HID lamps are ideal for any lighting applications that can benefit from very high efficiency, blue-white light color, small physical lamp size, and very long life.
The UCC2305 contains a complete current mode pulse-width modulator, a lamp power regulator, lamp temperature compensation, and total fault protection. Lamp temperature compensation is critical for automobile headlamps, because without compensation, light output varies dramatically from a cold lamp to one that is fully warmed up.
The UCC2305 is tested for full performance with ambient temperature from –40°C to 105°C. |
UCC231134A/5A single-channel opto-compatible isolated gate driver with functional isolation (1.2kVRMS) | Isolators | 1 | Active | The UCC23113 opto-compatible, single-channel, isolated gate driver for IGBTs, MOSFETs and SiC MOSFETs, with 5-A source and 5-A sink peak output current and 1.5-kV DC functional isolation. The high supply voltage range of 30 V allows the use of bipolar supplies to effectively drive IGBTs and SiC power FETs. The UCC23113 can drive both low-side and high-side power FETs.
Key features and characteristics bring significant performance and reliability upgrades over standard opto-coupler based gate drivers while maintaining pin-to-pin compatibility in both schematic and layout design. Performance highlights include high common-mode transient immunity (CMTI), low propagation delay, and small pulse width distortion. Tight process control results in small part-to-part skew. The input stage is an emulated diode (e-diode) which means long term reliability and excellent aging characteristics compared to traditional LEDs found in optocoupler gate drivers. It is offered in a stretched SO6 package with >8.5-mm creepage and clearance, and a mold compound from material group I which has a comparative tracking index (CTI) > 600 V.
The high performance and reliability of the UCC23113 makes it ideal for use in all types of motor drives, solar inverters, industrial power supplies, and appliances. The higher operating temperature opens up opportunities for applications not previously able to be supported by traditional optocouplers.
The UCC23113 opto-compatible, single-channel, isolated gate driver for IGBTs, MOSFETs and SiC MOSFETs, with 5-A source and 5-A sink peak output current and 1.5-kV DC functional isolation. The high supply voltage range of 30 V allows the use of bipolar supplies to effectively drive IGBTs and SiC power FETs. The UCC23113 can drive both low-side and high-side power FETs.
Key features and characteristics bring significant performance and reliability upgrades over standard opto-coupler based gate drivers while maintaining pin-to-pin compatibility in both schematic and layout design. Performance highlights include high common-mode transient immunity (CMTI), low propagation delay, and small pulse width distortion. Tight process control results in small part-to-part skew. The input stage is an emulated diode (e-diode) which means long term reliability and excellent aging characteristics compared to traditional LEDs found in optocoupler gate drivers. It is offered in a stretched SO6 package with >8.5-mm creepage and clearance, and a mold compound from material group I which has a comparative tracking index (CTI) > 600 V.
The high performance and reliability of the UCC23113 makes it ideal for use in all types of motor drives, solar inverters, industrial power supplies, and appliances. The higher operating temperature opens up opportunities for applications not previously able to be supported by traditional optocouplers. |
UCC23313-Q13.75kVrms, 4A/5A single-channel opto-compatible isolated gate driver with 8V or 12V UVLO options | Isolators - Gate Drivers | 6 | Active | The UCC23313-Q1 is an Opto-compatible, single-channel, isolated gate driver for IGBTs, MOSFETs and SiC MOSFETs, with 4.5-A source and 5.3-A sink peak output current and 3.75-kVRMSbasic isolation rating. The high supply voltage range of 33 V allows the use of bipolar supplies to effectively drive IGBTs and SiC power FETs. UCC23313-Q1 can drive both low side and high side power FETs. Key features and characteristics bring significant performance and reliability upgrades over standard opto-coupler based gate drivers while maintaining pin-to-pin compatibility in both schematic and layout design. Performance highlights include high common mode transient immunity (CMTI), low propagation delay, and small pulse width distortion. Tight process control results in small part-to-part skew. The input stage is an emulated diode (e-diode) which means long term reliability and excellent aging characteristics compared to traditional LEDs found in optocoupler gate drivers. It is offered in a stretched SO6 package with > 8.5-mm creepage and clearance, and a mold compound from material group I, which has a comparative tracking index (CTI) > 600 V. UCC23313-Q1’s high performance and reliability makes it ideal for use in automotive motor drives such as the traction inverter, on-board chargers, DC charging stations, and automotive HVAC and heating systems. The higher operating temperature opens up opportunities for applications not previously able to be supported by traditional optocouplers.
The UCC23313-Q1 is an Opto-compatible, single-channel, isolated gate driver for IGBTs, MOSFETs and SiC MOSFETs, with 4.5-A source and 5.3-A sink peak output current and 3.75-kVRMSbasic isolation rating. The high supply voltage range of 33 V allows the use of bipolar supplies to effectively drive IGBTs and SiC power FETs. UCC23313-Q1 can drive both low side and high side power FETs. Key features and characteristics bring significant performance and reliability upgrades over standard opto-coupler based gate drivers while maintaining pin-to-pin compatibility in both schematic and layout design. Performance highlights include high common mode transient immunity (CMTI), low propagation delay, and small pulse width distortion. Tight process control results in small part-to-part skew. The input stage is an emulated diode (e-diode) which means long term reliability and excellent aging characteristics compared to traditional LEDs found in optocoupler gate drivers. It is offered in a stretched SO6 package with > 8.5-mm creepage and clearance, and a mold compound from material group I, which has a comparative tracking index (CTI) > 600 V. UCC23313-Q1’s high performance and reliability makes it ideal for use in automotive motor drives such as the traction inverter, on-board chargers, DC charging stations, and automotive HVAC and heating systems. The higher operating temperature opens up opportunities for applications not previously able to be supported by traditional optocouplers. |
UCC23511-Q1Automotive 5.7kVrms,1.5A/2A single-channel opto-compatible isolated gate driver with 12V UVLO | Isolators | 4 | Active | The UCC23511-Q1 is an Opto-compatible, single-channel, isolated gate driver for IGBTs, MOSFETs and SiC MOSFETs, with 1.5-A source and 2-A sink peak output current and 5.7-kVRMSreinforced isolation rating. The high supply voltage range of 33-V allows the use of bipolar supplies to effectively drive IGBTs and SiC power FETs. UCC23511-Q1 can drive both low side and high side power FETs. Key features and characteristics bring significant performance and reliability upgrades over standard opto-coupler based gate drivers while maintaining pin-to-pin compatibility in both schematic and layout design. Performance highlights include high common mode transient immunity (CMTI), low propagation delay, and small pulse width distortion. Tight process control results in small part-to-part skew. The input stage is an emulated diode (ediode) which means long term reliability and excellent aging characteristics compared to traditional LEDs found in optocoupler gate drivers. It is offered in a stretched SO6 package with >8.5mm creepage and clearance, and a mold compound from material group I which has a comparative tracking index (CTI) >600V. UCC23511-Q1’s high performance and reliability makes it ideal for use in automotive motor drives such as the traction inverter, on-board chargers, DC charging stations, and automotive HVAC and heating systems. The higher operating temperature opens up opportunities for applications not previously able to be supported by traditional optocouplers.
The UCC23511-Q1 is an Opto-compatible, single-channel, isolated gate driver for IGBTs, MOSFETs and SiC MOSFETs, with 1.5-A source and 2-A sink peak output current and 5.7-kVRMSreinforced isolation rating. The high supply voltage range of 33-V allows the use of bipolar supplies to effectively drive IGBTs and SiC power FETs. UCC23511-Q1 can drive both low side and high side power FETs. Key features and characteristics bring significant performance and reliability upgrades over standard opto-coupler based gate drivers while maintaining pin-to-pin compatibility in both schematic and layout design. Performance highlights include high common mode transient immunity (CMTI), low propagation delay, and small pulse width distortion. Tight process control results in small part-to-part skew. The input stage is an emulated diode (ediode) which means long term reliability and excellent aging characteristics compared to traditional LEDs found in optocoupler gate drivers. It is offered in a stretched SO6 package with >8.5mm creepage and clearance, and a mold compound from material group I which has a comparative tracking index (CTI) >600V. UCC23511-Q1’s high performance and reliability makes it ideal for use in automotive motor drives such as the traction inverter, on-board chargers, DC charging stations, and automotive HVAC and heating systems. The higher operating temperature opens up opportunities for applications not previously able to be supported by traditional optocouplers. |
UCC23513-Q1Automotive 5.7kVrms,4A/5A single-channel opto-compatible isolated gate driver with 8V/12V UVLO | Isolators - Gate Drivers | 5 | Active | The UCC23513-Q1 driverare opto-compatible, single-channel, isolated gate drivers for IGBTs, MOSFETs and SiC MOSFETs, with 4.5-A source and 5.3-A sink peak output current and 5.7-kVRMSisolation rating. The high supply voltage range of 33-V allows the use of bipolar supplies to effectively drive IGBTs and SiC power FETs. UCC23513-Q1 can drive both low side and high side power FETs and bring significant performance and reliability upgrades over opto-coupler based gate drivers while maintaining pin-to-pin compatibility in both schematic and layout design. Performance highlights include high common mode transient immunity (CMTI), low propagation delay, and small pulse width distortion. Tight process control results in small part-to-part skew. The input stage is an emulated diode (e-diode) which means long term reliability and excellent aging characteristics compared to traditional LEDs found in optocoupler gate drivers. High performance and reliability makes them ideal for use in automotivemotor drives such as the traction inverter, on-board chargers, DC charging stations, and automotive HVAC and heating systems. The higher operating temperature opens up opportunities for applications not supported by traditional optocouplers.
The UCC23513-Q1 driverare opto-compatible, single-channel, isolated gate drivers for IGBTs, MOSFETs and SiC MOSFETs, with 4.5-A source and 5.3-A sink peak output current and 5.7-kVRMSisolation rating. The high supply voltage range of 33-V allows the use of bipolar supplies to effectively drive IGBTs and SiC power FETs. UCC23513-Q1 can drive both low side and high side power FETs and bring significant performance and reliability upgrades over opto-coupler based gate drivers while maintaining pin-to-pin compatibility in both schematic and layout design. Performance highlights include high common mode transient immunity (CMTI), low propagation delay, and small pulse width distortion. Tight process control results in small part-to-part skew. The input stage is an emulated diode (e-diode) which means long term reliability and excellent aging characteristics compared to traditional LEDs found in optocoupler gate drivers. High performance and reliability makes them ideal for use in automotivemotor drives such as the traction inverter, on-board chargers, DC charging stations, and automotive HVAC and heating systems. The higher operating temperature opens up opportunities for applications not supported by traditional optocouplers. |
UCC235145kVrms 4A/5A, single-channel opto-compatible isolated gate driver w/ clamp & split output options | Isolators - Gate Drivers | 2 | LTB | The UCC23514 is an Opto-compatible, single-channel, isolated gate driver for IGBTs, MOSFETs and SiC MOSFETs, with 4.5-A source and 5.3-A sink peak output current and 5.0-kVRMSreinforced isolation rating. The high supply voltage range of 33-V allows the use of bipolar supplies to effectively drive IGBTs and SiC power FETs. UCC23514 can drive both low side and high side power FETs. Key features and characteristics bring significant performance and reliability upgrades over standard opto-coupler based gate drivers while maintaining pin-to-pin compatibility in both schematic and layout design. Performance highlights include high common mode transient immunity (CMTI), low propagation delay, and small pulse width distortion.
Tight process control results in small part-to-part skew. The input stage is an emulated diode (e-diode) which means long term reliability and excellent aging characteristics compared to traditional LEDs. It is offered in an 8-Pin surface mount 7.5 mm x 5.85 mm (typical) SOIC package, with creepage and clearance ≥ 8.5 mm, and a mold compound from material group I which has a comparative tracking index (CTI) > 600 V. UCC23514’s high performance and reliability makes it ideal for use in all types of motor drives, solar inverters, industrial power supplies, and appliances. The higher operating temperature opens up opportunities for applications not previously able to be supported by traditional opto-couplers.
The UCC23514V option provides the gate drive output on a single terminal. For applications requiring split gate drive output, the UCC23514S version provides two separate output pins, OUTH and OUTL. The UCC23514E version suits applications requiring an UVLO referenced to a separate COM pin, which facilitates bipolar gate drive supply applications. The UCC23514M option connects the gate of the transistor to an internal clamp to prevent false turn-on caused by Miller current.
The UCC23514 is an Opto-compatible, single-channel, isolated gate driver for IGBTs, MOSFETs and SiC MOSFETs, with 4.5-A source and 5.3-A sink peak output current and 5.0-kVRMSreinforced isolation rating. The high supply voltage range of 33-V allows the use of bipolar supplies to effectively drive IGBTs and SiC power FETs. UCC23514 can drive both low side and high side power FETs. Key features and characteristics bring significant performance and reliability upgrades over standard opto-coupler based gate drivers while maintaining pin-to-pin compatibility in both schematic and layout design. Performance highlights include high common mode transient immunity (CMTI), low propagation delay, and small pulse width distortion.
Tight process control results in small part-to-part skew. The input stage is an emulated diode (e-diode) which means long term reliability and excellent aging characteristics compared to traditional LEDs. It is offered in an 8-Pin surface mount 7.5 mm x 5.85 mm (typical) SOIC package, with creepage and clearance ≥ 8.5 mm, and a mold compound from material group I which has a comparative tracking index (CTI) > 600 V. UCC23514’s high performance and reliability makes it ideal for use in all types of motor drives, solar inverters, industrial power supplies, and appliances. The higher operating temperature opens up opportunities for applications not previously able to be supported by traditional opto-couplers.
The UCC23514V option provides the gate drive output on a single terminal. For applications requiring split gate drive output, the UCC23514S version provides two separate output pins, OUTH and OUTL. The UCC23514E version suits applications requiring an UVLO referenced to a separate COM pin, which facilitates bipolar gate drive supply applications. The UCC23514M option connects the gate of the transistor to an internal clamp to prevent false turn-on caused by Miller current. |
UCC24610Secondary side synchronous rectifier controller | DC/DC & AC/DC (Off-Line) SMPS Evaluation Boards | 6 | Active | This GREEN Rectifier controller is a high-performance controller and driver for standard and logic-level N-channel MOSFET power devices used for low-voltage secondary-side synchronous rectification.
The combination of controller and MOSFET emulates a near-ideal diode rectifier. This solution not only directly reduces power dissipation of the rectifier but also indirectly reduces primary-side losses as well, due to compounding of efficiency gains.
Using drain-to-source voltage sensing, the UCC24610 is ideal for Flyback and LLC-resonant power supplies but can also be used with other power architectures. The UCC24610 is optimized for output voltages from 4.5 V to 5.5 V, and is suitable for use with lower and higher output voltages as well.
The UCC24610 offers a programmable false-triggering filter, a programmable timer to automatically switch to light-load mode at light load, and a SYNC input for optional use in continuous conduction mode (CCM) systems. Protection features on TON and EN/TOFF pins prevent run-away on-time due to open-circuit or short-circuit fault conditions.
This device is available in an 8-pin SOIC package and an 8-pin, 3.0-mm × 3.0-mm SON package with an exposed thermal pad.
This GREEN Rectifier controller is a high-performance controller and driver for standard and logic-level N-channel MOSFET power devices used for low-voltage secondary-side synchronous rectification.
The combination of controller and MOSFET emulates a near-ideal diode rectifier. This solution not only directly reduces power dissipation of the rectifier but also indirectly reduces primary-side losses as well, due to compounding of efficiency gains.
Using drain-to-source voltage sensing, the UCC24610 is ideal for Flyback and LLC-resonant power supplies but can also be used with other power architectures. The UCC24610 is optimized for output voltages from 4.5 V to 5.5 V, and is suitable for use with lower and higher output voltages as well.
The UCC24610 offers a programmable false-triggering filter, a programmable timer to automatically switch to light-load mode at light load, and a SYNC input for optional use in continuous conduction mode (CCM) systems. Protection features on TON and EN/TOFF pins prevent run-away on-time due to open-circuit or short-circuit fault conditions.
This device is available in an 8-pin SOIC package and an 8-pin, 3.0-mm × 3.0-mm SON package with an exposed thermal pad. |
UCC24612High-frequency multi-mode synchronous rectifier controller | DC/DC & AC/DC (Off-Line) SMPS Evaluation Boards | 4 | Active | UCC24612 is a high performance synchronous rectifier controller and driver for standard and logic-level N-channel MOSFET power devices. By implementing a near-ideal diode emulation UCC24612 reduces losses of the output rectifier and indirectly the primary side losses. The drain to source (VDS) sensing control scheme allows UCC24612 to work with multiple topologies, such as Active Clamp Flyback, QR/DCM/CCM Flyback and LLC, et.
Integrated features simplify the design effort, enabling UCC24612 to excel in a variety of applications and frequencies. The wide operating VDD and VD voltage ranges enable simple implementation in systems with outputs up to 28 V. Efficiency and noise immunity is enhanced with adaptive minimum off-time. Variants UCC24612-1 and UCC24612-2 offer different minimum on-times to provide additional noise immunity. Robust operation in continuous conduction mode (CCM) is further enhanced with proportional gate-drive and CCM cycle limit pre-turn-off.
UCC24612 has multiple features that improve efficiency. The fast comparator with short propagation delays reduces switching loss. The 9.5-V gate drive clamp reduces MOSFET driving losses. Frequency dependent standby modes further decreases standby power. These features help UCC24612 be part of a greater system that meets stringent efficiency standards such as Department of Energy (DoE) Level VI and Code of Conduct (CoC) Tier 2.
UCC24612 is available in a SOT23-5 package.
UCC24612 is a high performance synchronous rectifier controller and driver for standard and logic-level N-channel MOSFET power devices. By implementing a near-ideal diode emulation UCC24612 reduces losses of the output rectifier and indirectly the primary side losses. The drain to source (VDS) sensing control scheme allows UCC24612 to work with multiple topologies, such as Active Clamp Flyback, QR/DCM/CCM Flyback and LLC, et.
Integrated features simplify the design effort, enabling UCC24612 to excel in a variety of applications and frequencies. The wide operating VDD and VD voltage ranges enable simple implementation in systems with outputs up to 28 V. Efficiency and noise immunity is enhanced with adaptive minimum off-time. Variants UCC24612-1 and UCC24612-2 offer different minimum on-times to provide additional noise immunity. Robust operation in continuous conduction mode (CCM) is further enhanced with proportional gate-drive and CCM cycle limit pre-turn-off.
UCC24612 has multiple features that improve efficiency. The fast comparator with short propagation delays reduces switching loss. The 9.5-V gate drive clamp reduces MOSFET driving losses. Frequency dependent standby modes further decreases standby power. These features help UCC24612 be part of a greater system that meets stringent efficiency standards such as Department of Energy (DoE) Level VI and Code of Conduct (CoC) Tier 2.
UCC24612 is available in a SOT23-5 package. |
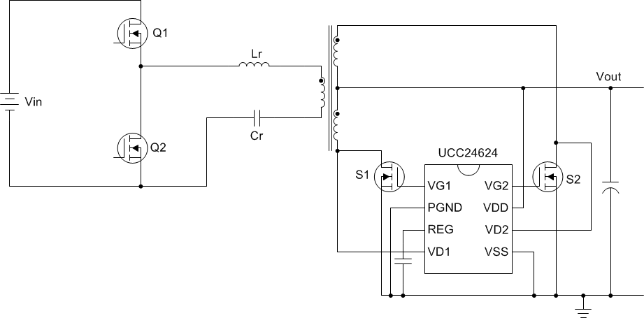
UCC24624High-frequency, dual synchronous rectifier controller for LLC converters | Development Boards, Kits, Programmers | 3 | Active | The UCC24624 high-performance synchronous rectifier (SR) controller is dedicated forLLC resonant convertersto replace the lossy diode output rectifiers with SR MOSFETs and improve the overall system efficiency.
The UCC24624 SR controller uses drain-to-source voltage sensing method to achieve on and off control of the SR MOSFET. Proportional gate drive is implemented to extend the SR conduction time, minimize the body diode conduction time. To compensate for the offset voltage caused by the SR MOSFET parasitic inductance, the UCC24624 implements an adjustable positive turn-off threshold to accommodate different SR MOSFET packages. UCC24624 has a built-in 475-ns on-time blanking and a fixed 650-ns off-time blanking to avoid SR false turn-on and turn-off. UCC24624 also integrates a two-channel interlock function that prevents the two SRs from being on at the same time. With 230-V voltage-sensing pins and 28-V ABS maximum VDD rating, it can be directly used in converters with output voltage up to 24.75 V. The internal clamp allows the controller to support 36-V output voltage easily by adding an external current limiting resistor on VDD.
space
The UCC24624 high-performance synchronous rectifier (SR) controller is dedicated forLLC resonant convertersto replace the lossy diode output rectifiers with SR MOSFETs and improve the overall system efficiency.
The UCC24624 SR controller uses drain-to-source voltage sensing method to achieve on and off control of the SR MOSFET. Proportional gate drive is implemented to extend the SR conduction time, minimize the body diode conduction time. To compensate for the offset voltage caused by the SR MOSFET parasitic inductance, the UCC24624 implements an adjustable positive turn-off threshold to accommodate different SR MOSFET packages. UCC24624 has a built-in 475-ns on-time blanking and a fixed 650-ns off-time blanking to avoid SR false turn-on and turn-off. UCC24624 also integrates a two-channel interlock function that prevents the two SRs from being on at the same time. With 230-V voltage-sensing pins and 28-V ABS maximum VDD rating, it can be directly used in converters with output voltage up to 24.75 V. The internal clamp allows the controller to support 36-V output voltage easily by adding an external current limiting resistor on VDD.
space |
UCC24630Synchronous rectifier controller With Ultra Low Standby current | Development Boards, Kits, Programmers | 3 | Active | The UCC24630 SR controller is a high-performance controller and driver for N-channel MOSFET power devices used for secondary-side synchronous rectification.
The combination of controller and MOSFET emulates a near-ideal diode rectifier. This solution not only directly reduces power dissipation of the rectifier but also reduces primary-side losses as well, due to compounding of efficiency gains.
Utilizing a volt-second balancing control method, the UCC24630 is ideal for flyback power supplies over a wide-output voltage range since the device is not connected directly to the MOSFET drain. The SR drive turn-off threshold is not dependent on the MOSFET RDS(on)which allows optimizing for maximum conduction time. Also secondary current ringing due to device and layout inductance does not affect the SR turn-off threshold.
The UCC24630 controller offers a programmable false-trigger filter, a frequency detector to automatically switch to standby mode during low power conditions and pin fault protections. The UCC24630 is compatible with DCM, TM and CCM operation.
The wide VDD operating range, wide programming range of the VPC voltage and blanking time, allows use in a variety of flyback converter designs.
The UCC24630 SR controller is a high-performance controller and driver for N-channel MOSFET power devices used for secondary-side synchronous rectification.
The combination of controller and MOSFET emulates a near-ideal diode rectifier. This solution not only directly reduces power dissipation of the rectifier but also reduces primary-side losses as well, due to compounding of efficiency gains.
Utilizing a volt-second balancing control method, the UCC24630 is ideal for flyback power supplies over a wide-output voltage range since the device is not connected directly to the MOSFET drain. The SR drive turn-off threshold is not dependent on the MOSFET RDS(on)which allows optimizing for maximum conduction time. Also secondary current ringing due to device and layout inductance does not affect the SR turn-off threshold.
The UCC24630 controller offers a programmable false-trigger filter, a frequency detector to automatically switch to standby mode during low power conditions and pin fault protections. The UCC24630 is compatible with DCM, TM and CCM operation.
The wide VDD operating range, wide programming range of the VPC voltage and blanking time, allows use in a variety of flyback converter designs. |