T
Texas Instruments
| Series | Category | # Parts | Status | Description |
|---|---|---|---|---|
| Part | Spec A | Spec B | Spec C | Spec D | Description |
|---|---|---|---|---|---|
| Series | Category | # Parts | Status | Description |
|---|---|---|---|---|
| Part | Spec A | Spec B | Spec C | Spec D | Description |
|---|---|---|---|---|---|
| Part | Category | Description |
|---|---|---|
Texas Instruments | Integrated Circuits (ICs) | BUS DRIVER, BCT/FBT SERIES |
Texas Instruments | Integrated Circuits (ICs) | 12BIT 3.3V~3.6V 210MHZ PARALLEL VQFN-48-EP(7X7) ANALOG TO DIGITAL CONVERTERS (ADC) ROHS |
Texas Instruments | Integrated Circuits (ICs) | TMX320DRE311 179PIN UBGA 200MHZ |
Texas Instruments TPS61040DRVTG4Unknown | Integrated Circuits (ICs) | IC LED DRV RGLTR PWM 350MA 6WSON |
Texas Instruments LP3876ET-2.5Obsolete | Integrated Circuits (ICs) | IC REG LINEAR 2.5V 3A TO220-5 |
Texas Instruments LMS1585ACSX-ADJObsolete | Integrated Circuits (ICs) | IC REG LIN POS ADJ 5A DDPAK |
Texas Instruments INA111APG4Obsolete | Integrated Circuits (ICs) | IC INST AMP 1 CIRCUIT 8DIP |
Texas Instruments | Integrated Circuits (ICs) | AUTOMOTIVE, QUAD 36V 1.2MHZ OPERATIONAL AMPLIFIER |
Texas Instruments OPA340NA/3KG4Unknown | Integrated Circuits (ICs) | IC OPAMP GP 1 CIRCUIT SOT23-5 |
Texas Instruments PT5112AObsolete | Power Supplies - Board Mount | DC DC CONVERTER 8V 8W |
| Series | Category | # Parts | Status | Description |
|---|---|---|---|---|
TPS6519615-Channel Level Shifter for Large Size TVs | Integrated Circuits (ICs) | 1 | LTB | The TPS65196 provides a highly integrated level shifter solution intended for TV and monitor applications using GIP technology. The device features a built-in state machine that generates 14 output signals from the five input signals provided by the timing controller (T-CON). In addition, the TPS65196 generates a signal to discharge the display panel during power-down.
To ensure proper start-up of the LCD panel, the TPS65196 includes a programmable soft-start feature that ramps the CLK output current from zero to its maximum value during the initial frames after power-up.
Level shifter outputs are forced to a safe state (VGL) during abnormal panel operation, which is indicated by the T-CON using the EO and GST signals. The IC is also placed in the same safe state if it gets too hot. Normal behavior restarts automatically (synchronized to the start of the next frame) when the device temperature is cool enough for safe operation.
The TPS65196 provides a highly integrated level shifter solution intended for TV and monitor applications using GIP technology. The device features a built-in state machine that generates 14 output signals from the five input signals provided by the timing controller (T-CON). In addition, the TPS65196 generates a signal to discharge the display panel during power-down.
To ensure proper start-up of the LCD panel, the TPS65196 includes a programmable soft-start feature that ramps the CLK output current from zero to its maximum value during the initial frames after power-up.
Level shifter outputs are forced to a safe state (VGL) during abnormal panel operation, which is indicated by the T-CON using the EO and GST signals. The IC is also placed in the same safe state if it gets too hot. Normal behavior restarts automatically (synchronized to the start of the next frame) when the device temperature is cool enough for safe operation. |
TPS651978-Channel Level-Shifter supporting 2-, 3-Channel Charge-Sharing and Panel Discharge | Video Processing | 3 | Active | The TPS65197/B is an 8-channel level-shifter with discharge function intended for use in LCD display applications such as Notebooks, Monitors and TVs.
The device converts the timing-controller (T-CON) logic-level signals to the high-level signals needed by the gate-in-panel (GIP) display.
The clock outputs, CLKOUTx, support normal level shifting operation and 2-channel or 3-channel charge-sharing, which can be used to improve picture quality and power consumption. At power down, all outputs follow their input signals as long as possible; when the discharge function is used, the outputs are pulled high (VGH).
The TPS65197 implements a logic reset to ignore wrong T-CON signals after the rising STV edge which forces all 6 output clocks to VGL1. The next CLKIN1 rising edge unlocks the logic and enables normal operation. The TPS65197B does not have the logic reset and always follows its input signals.
The TPS65197/B is an 8-channel level-shifter with discharge function intended for use in LCD display applications such as Notebooks, Monitors and TVs.
The device converts the timing-controller (T-CON) logic-level signals to the high-level signals needed by the gate-in-panel (GIP) display.
The clock outputs, CLKOUTx, support normal level shifting operation and 2-channel or 3-channel charge-sharing, which can be used to improve picture quality and power consumption. At power down, all outputs follow their input signals as long as possible; when the discharge function is used, the outputs are pulled high (VGH).
The TPS65197 implements a logic reset to ignore wrong T-CON signals after the rising STV edge which forces all 6 output clocks to VGL1. The next CLKIN1 rising edge unlocks the logic and enables normal operation. The TPS65197B does not have the logic reset and always follows its input signals. |
TPS6519813-Channel Level Shifter with Op-Amp for LCD TVs and Monitors | Linear | 2 | Active | 13-Channel Level Shifter with Op-Amp for LCD TVs and Monitors |
| Evaluation and Demonstration Boards and Kits | 8 | Obsolete | ||
TPS65200Li+ Battery Charger With WLED Driver and Current Shunt Monitor | Battery Chargers | 2 | Active | The TPS65200 device integrates a high-efficiency, USB-friendly switched-mode charger with OTG support for single-cell Li-ion and Li-polymer batteries, D+D– detection, a 50-mA fixed-voltage LDO, a high-efficiency WLED boost converter, and high-accuracy current-shunt monitor into a single chip.
The TPS65200 comes in a tiny, 2.8-mm × 2.6-mm, 36-pin, 0.4-mm pitch die size ball grid array (DSBGA).
The TPS65200 device integrates a high-efficiency, USB-friendly switched-mode charger with OTG support for single-cell Li-ion and Li-polymer batteries, D+D– detection, a 50-mA fixed-voltage LDO, a high-efficiency WLED boost converter, and high-accuracy current-shunt monitor into a single chip.
The TPS65200 comes in a tiny, 2.8-mm × 2.6-mm, 36-pin, 0.4-mm pitch die size ball grid array (DSBGA). |
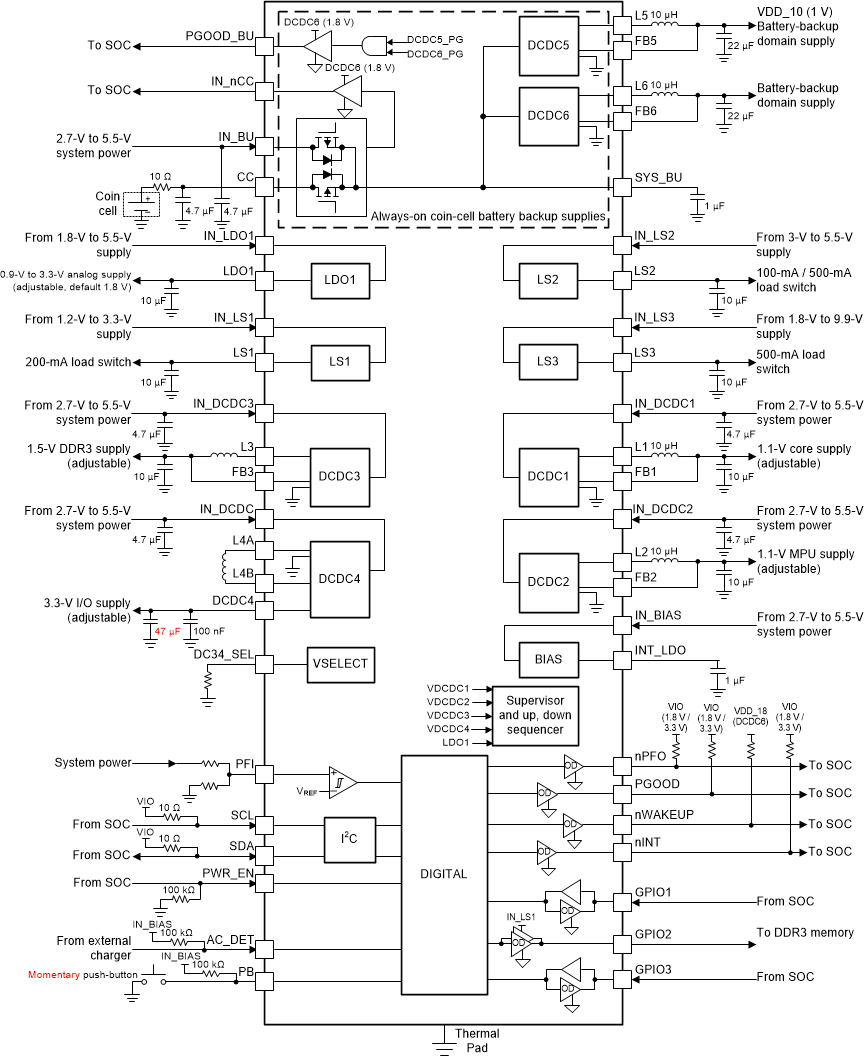
TPS65216Integrated power management (PMIC) for ARM® Cortex™-A8/A9 SOCs and FPGAs | Integrated Circuits (ICs) | 2 | Active | The TPS65216 is a single chip, power-management IC (PMIC) specifically designed to support the AMIC110, AMIC120, AM335x, and AM437x line of processors in line-powered (5 V) applications. The device is characterized across a –40°C to +105°C temperature range, making it suitable for various industrial applications.
The TPS65216 is specifically designed to provide power management for all the functionalities of the AMIC110, AMIC120, AM335x, and AM437x. The DC/DC converters DCDC1 through DCDC4 are intended to power the core, MPU, DDR memory, and 3.3-V analog and I/O, respectively. LDO1 provides the 1.8-V analog and I/O for the processor. GPIO2 allows for warm reset of the DCDC1 and DCDC2 converters. The I2C interface allows the user to enable and disable all voltage regulators, the load switch, and GPIOs. Additionally, UVLO and supervisor voltage thresholds, power-up sequence, and power-down sequence can be programmed through I2C. Interrupts for overtemperature, overcurrent, and undervoltage can be monitored as well. The supervisor monitors DCDC1 through DCDC4 and LDO1. The supervisor has two settings, one for typical undervoltage tolerance (STRICT = 0b), and one for tight undervoltage and overvoltage tolerances (STRICT = 1b). A power-good signal indicates proper regulation of the five voltage regulators.
Three hysteretic step-down converters are targeted at providing power for the processor core, MPU, and DDRx memory. The default output voltages for each converter can be adjusted through the I2C interface. DCDC1 and DCDC2 feature dynamic voltage scaling to provide power at all operating points of the processor. DCDC1 and DCDC2 also have programmable slew rates to help protect processor components. DCDC3 remains powered while the processor is in sleep mode to maintain power to DDRx memory.
The TPS65216 device is available in a 48-pin VQFN package (6 mm × 6 mm, 0.4-mm pitch).
The TPS65216 is a single chip, power-management IC (PMIC) specifically designed to support the AMIC110, AMIC120, AM335x, and AM437x line of processors in line-powered (5 V) applications. The device is characterized across a –40°C to +105°C temperature range, making it suitable for various industrial applications.
The TPS65216 is specifically designed to provide power management for all the functionalities of the AMIC110, AMIC120, AM335x, and AM437x. The DC/DC converters DCDC1 through DCDC4 are intended to power the core, MPU, DDR memory, and 3.3-V analog and I/O, respectively. LDO1 provides the 1.8-V analog and I/O for the processor. GPIO2 allows for warm reset of the DCDC1 and DCDC2 converters. The I2C interface allows the user to enable and disable all voltage regulators, the load switch, and GPIOs. Additionally, UVLO and supervisor voltage thresholds, power-up sequence, and power-down sequence can be programmed through I2C. Interrupts for overtemperature, overcurrent, and undervoltage can be monitored as well. The supervisor monitors DCDC1 through DCDC4 and LDO1. The supervisor has two settings, one for typical undervoltage tolerance (STRICT = 0b), and one for tight undervoltage and overvoltage tolerances (STRICT = 1b). A power-good signal indicates proper regulation of the five voltage regulators.
Three hysteretic step-down converters are targeted at providing power for the processor core, MPU, and DDRx memory. The default output voltages for each converter can be adjusted through the I2C interface. DCDC1 and DCDC2 feature dynamic voltage scaling to provide power at all operating points of the processor. DCDC1 and DCDC2 also have programmable slew rates to help protect processor components. DCDC3 remains powered while the processor is in sleep mode to maintain power to DDRx memory.
The TPS65216 device is available in a 48-pin VQFN package (6 mm × 6 mm, 0.4-mm pitch). |
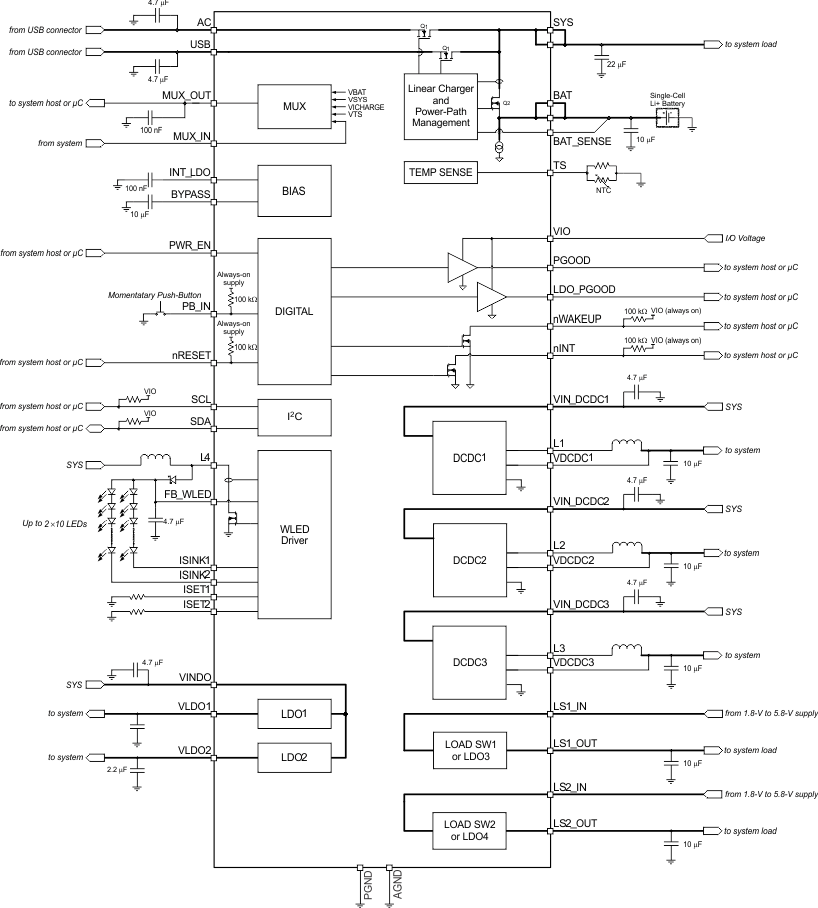
TPS65217Power Management IC (PMIC) w/ 3 DC/DCs, 4 LDOs, linear battery charger & white LED driver | Development Boards, Kits, Programmers | 9 | Active | The TPS65217x is a single-chip power management IC (PMIC) specifically designed to power the AM335x ARM®Cortex®-A8 processor in portable and 5-V line-powered applications. The PMIC device provides a linear battery charger for single-cell Li-ion and Li-polymer batteries, dual-input power path, three step-down converters, four low-dropout (LDO) regulators, and a high-efficiency boost converter to power two strings of up to 10 LEDs each. The system can be supplied by any combination of USB port, 5-V AC adaptor, or Li-Ion battery. The device is characterized across a –40°C to +105°C temperature range which makes it suitable for industrial applications. Three high-efficiency 2.25-MHz step-down converters can providing the core voltage, memory, and I/O voltage for a system. The TPS65217x device comes in a 48-pin leadless package (6-mm × 6-mm VQFN) with a 0.4-mm pitch.
The TPS65217x is a single-chip power management IC (PMIC) specifically designed to power the AM335x ARM®Cortex®-A8 processor in portable and 5-V line-powered applications. The PMIC device provides a linear battery charger for single-cell Li-ion and Li-polymer batteries, dual-input power path, three step-down converters, four low-dropout (LDO) regulators, and a high-efficiency boost converter to power two strings of up to 10 LEDs each. The system can be supplied by any combination of USB port, 5-V AC adaptor, or Li-Ion battery. The device is characterized across a –40°C to +105°C temperature range which makes it suitable for industrial applications. Three high-efficiency 2.25-MHz step-down converters can providing the core voltage, memory, and I/O voltage for a system. The TPS65217x device comes in a 48-pin leadless package (6-mm × 6-mm VQFN) with a 0.4-mm pitch. |
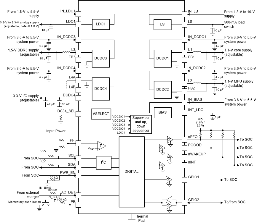
TPS6521815User-programmable Power Management IC (PMIC) with 6 DC/DC converters, 1 LDO, and 3 load switches | Integrated Circuits (ICs) | 1 | Active | The TPS6521815 is a single chip, power-management IC (PMIC) that is user-programmable to power a variety of SoCs and FPGAs. The device is characterized across a –40°C to +105°C temperature range, making it suitable for various industrial applications.
The TPS6521815 is a single chip, power-management IC (PMIC) that is user-programmable to power a variety of SoCs and FPGAs. The device is characterized across a –40°C to +105°C temperature range, making it suitable for various industrial applications. |
TPS6521825Power Management IC (PMIC) for NXP i.MX 8M mini | Power Management (PMIC) | 1 | Active | The TPS6521825 is a single chip, power-management IC (PMIC) specifically intended to support the i.MX 8M Mini processor in conjunction with the LP873347 device. The device is characterized across a –40°C to +105°C temperature range, making it suitable for various industrial applications.
The TPS6521825 is a single chip, power-management IC (PMIC) specifically intended to support the i.MX 8M Mini processor in conjunction with the LP873347 device. The device is characterized across a –40°C to +105°C temperature range, making it suitable for various industrial applications. |
TPS6521835Power Management IC (PMIC) for NXP i.MX 6ULL/ 6UltraLite | Power Management (PMIC) | 1 | Active | The TPS6521835 is a single chip power management IC, specifically designed to support both portable (Li-Ion battery) and non-portable (5-V adapter) applications.The device is characterized across a –40°C to +105°C temperature range, making it suitable for a wide range of industrial applications.
The TPS6521835 is a single chip power management IC, specifically designed to support both portable (Li-Ion battery) and non-portable (5-V adapter) applications.The device is characterized across a –40°C to +105°C temperature range, making it suitable for a wide range of industrial applications. |