T
Texas Instruments
| Series | Category | # Parts | Status | Description |
|---|---|---|---|---|
| Part | Spec A | Spec B | Spec C | Spec D | Description |
|---|---|---|---|---|---|
| Series | Category | # Parts | Status | Description |
|---|---|---|---|---|
| Part | Spec A | Spec B | Spec C | Spec D | Description |
|---|---|---|---|---|---|
| Series | Category | # Parts | Status | Description |
|---|---|---|---|---|
TPS65175BFully Programmable LCD Bias IC for GIP TV with Integrated 12-Ch Level Shifters and 6-Ch Gamma Buffer | Integrated Circuits (ICs) | 3 | Active | The TPS65175B/C provides a simple and economic power supply solution for a wide variety of LCD bias applications. The device provides all supply rails needed by a TFT-LCD panel but also 6 gamma references, a supply rail for LVDS support, as well as a Vcom reference. The device also integrates a VCOM_DAC rail providing the reference for an external non-inverting operational amplifier input. A 12-Channel Level Shifter is also integrated. The solution is delivered in a small 7×7 mm QFN package.
The TPS65175B/C provides a simple and economic power supply solution for a wide variety of LCD bias applications. The device provides all supply rails needed by a TFT-LCD panel. VCCandRSTfor the T-Con. VDDand HVDDfor the Source Driver. VGHand VGLfor the Gate Driver or the Level Shifters. A VCOMoperational amplifier is also integrated to provide a common plane reference. The VGHand VCOM/ VCOM_DACvoltages can be compensated for low and high temperatures. The transition from one programmed value to another is made using an external thermistor connected to the IC. In addition, a 6-channel Gamma Buffer as well as a 12-Channel Level Shifter are integrated. All output rails and delay times are programmable by a two-wire interface: a single BOM (Bill of Material) can cover several panel types and sizes whose desired output levels can be programmed in production and stored in a non-volatile memory embedded into the TPS65175B/C. The solution is delivered in a small 7 mm × 7 mm QFN-56 package.
The TPS65175B/C provides a simple and economic power supply solution for a wide variety of LCD bias applications. The device provides all supply rails needed by a TFT-LCD panel but also 6 gamma references, a supply rail for LVDS support, as well as a Vcom reference. The device also integrates a VCOM_DAC rail providing the reference for an external non-inverting operational amplifier input. A 12-Channel Level Shifter is also integrated. The solution is delivered in a small 7×7 mm QFN package.
The TPS65175B/C provides a simple and economic power supply solution for a wide variety of LCD bias applications. The device provides all supply rails needed by a TFT-LCD panel. VCCandRSTfor the T-Con. VDDand HVDDfor the Source Driver. VGHand VGLfor the Gate Driver or the Level Shifters. A VCOMoperational amplifier is also integrated to provide a common plane reference. The VGHand VCOM/ VCOM_DACvoltages can be compensated for low and high temperatures. The transition from one programmed value to another is made using an external thermistor connected to the IC. In addition, a 6-channel Gamma Buffer as well as a 12-Channel Level Shifter are integrated. All output rails and delay times are programmable by a two-wire interface: a single BOM (Bill of Material) can cover several panel types and sizes whose desired output levels can be programmed in production and stored in a non-volatile memory embedded into the TPS65175B/C. The solution is delivered in a small 7 mm × 7 mm QFN-56 package. |
TPS65177AFully I2C Programmable 6-CH LCD Bias IC For All Size TV Including Gate | Integrated Circuits (ICs) | 1 | Active | The TPS65177/A provides all supply rails needed by a GIP (Gate-in-Panel) or non-GIP TFT-LCD panel. All output voltages are I2C programmable.
V(IO)and V(CORE)for the T-CON, V(AVDD)and V(HAVDD)for the Source Driver and the Gamma Buffer, V(GH)and V(GL)for the Gate Driver or the Level Shifter. For use with non-GIP technology Gate Pulse Modulation (GPM) is implemented, for use with GIP technology the V(GH)rail can be temperature compensated. Furthermore a High Voltage Stress Mode (HVS) for V(AVDD)and V(HAVDD)and an integrated V(AVDD)Isolation Switch is implemented. V(CORE), V(HAVDD), V(GH), V(GL), GPM and the V(GH)temperature compensation can be enabled and disabled by I2C programming.
A single BOM (Bill of Materials) can cover several panel types and sizes whose desired output voltage levels can be programmed in production and stored in a non-volatile integrated memory.
The TPS65177/A provides all supply rails needed by a GIP (Gate-in-Panel) or non-GIP TFT-LCD panel. All output voltages are I2C programmable.
V(IO)and V(CORE)for the T-CON, V(AVDD)and V(HAVDD)for the Source Driver and the Gamma Buffer, V(GH)and V(GL)for the Gate Driver or the Level Shifter. For use with non-GIP technology Gate Pulse Modulation (GPM) is implemented, for use with GIP technology the V(GH)rail can be temperature compensated. Furthermore a High Voltage Stress Mode (HVS) for V(AVDD)and V(HAVDD)and an integrated V(AVDD)Isolation Switch is implemented. V(CORE), V(HAVDD), V(GH), V(GL), GPM and the V(GH)temperature compensation can be enabled and disabled by I2C programming.
A single BOM (Bill of Materials) can cover several panel types and sizes whose desired output voltage levels can be programmed in production and stored in a non-volatile integrated memory. |
TPS65178Fully Programmable LCD Bias IC for TV with 6-Channel Gamma Buffer, Vcom Reference and Dynamic Gain | Integrated Circuits (ICs) | 4 | Active | Fully Programmable LCD Bias IC for TV with 6-Channel Gamma Buffer, Vcom Reference and Dynamic Gain |
TPS65180BPMIC for E Ink Vizplex Enabled Electronic Paper Display | Power Management (PMIC) | 3 | Active | The TPS6518x and TPS65181xB family of devices are single-chip power supplies designed to for E Ink Vizplex displays used in portable e-reader applications and support panel sizes up to 9.7 inches. Two high-efficiency DC–DC boost converters generate ±17-V rails which are boosted to 22 V and –20 V by two change pumps to provide the gate driver supply for the Vizplex panel. Two tracking LDOs create the ±15-V source driver supplies which support up to 120-mA of output current. All rails are adjustable through the I2C interface to accommodate specific panel requirements.
Accurate back-plane biasing is provided by a linear amplifier and can be adjusted either by an external resistor or the I2C interface. The VCOM driver can source or sink current depending on panel condition. For automatic VCOM adjustment in production line, VCOM can be set from –0.3 V to –2.5 V with 8-bit control through the serial interface. The power switch is integrated to isolate VCOM driver from E Ink®panel.
The TPS6518x and TPS65181xB devices provide precise temperature measurement function to monitor the panel temperature during operation. The TPS65180 and TPS65180B requires the host processor to trigger the temperature acquisition through an I2C write whereas the TPS65181 and TPS65181B automatically updates the temperature every 60 s.
The TPS6518x and TPS65181xB family of devices are single-chip power supplies designed to for E Ink Vizplex displays used in portable e-reader applications and support panel sizes up to 9.7 inches. Two high-efficiency DC–DC boost converters generate ±17-V rails which are boosted to 22 V and –20 V by two change pumps to provide the gate driver supply for the Vizplex panel. Two tracking LDOs create the ±15-V source driver supplies which support up to 120-mA of output current. All rails are adjustable through the I2C interface to accommodate specific panel requirements.
Accurate back-plane biasing is provided by a linear amplifier and can be adjusted either by an external resistor or the I2C interface. The VCOM driver can source or sink current depending on panel condition. For automatic VCOM adjustment in production line, VCOM can be set from –0.3 V to –2.5 V with 8-bit control through the serial interface. The power switch is integrated to isolate VCOM driver from E Ink®panel.
The TPS6518x and TPS65181xB devices provide precise temperature measurement function to monitor the panel temperature during operation. The TPS65180 and TPS65180B requires the host processor to trigger the temperature acquisition through an I2C write whereas the TPS65181 and TPS65181B automatically updates the temperature every 60 s. |
TPS65181BPMIC for E Ink Vizplex Enabled Electronic Paper Display | Power Management - Specialized | 3 | Active | The TPS6518x and TPS65181xB family of devices are single-chip power supplies designed to for E Ink Vizplex displays used in portable e-reader applications and support panel sizes up to 9.7 inches. Two high-efficiency DC–DC boost converters generate ±17-V rails which are boosted to 22 V and –20 V by two change pumps to provide the gate driver supply for the Vizplex panel. Two tracking LDOs create the ±15-V source driver supplies which support up to 120-mA of output current. All rails are adjustable through the I2C interface to accommodate specific panel requirements.
Accurate back-plane biasing is provided by a linear amplifier and can be adjusted either by an external resistor or the I2C interface. The VCOM driver can source or sink current depending on panel condition. For automatic VCOM adjustment in production line, VCOM can be set from –0.3 V to –2.5 V with 8-bit control through the serial interface. The power switch is integrated to isolate VCOM driver from E Ink®panel.
The TPS6518x and TPS65181xB devices provide precise temperature measurement function to monitor the panel temperature during operation. The TPS65180 and TPS65180B requires the host processor to trigger the temperature acquisition through an I2C write whereas the TPS65181 and TPS65181B automatically updates the temperature every 60 s.
The TPS6518x and TPS65181xB family of devices are single-chip power supplies designed to for E Ink Vizplex displays used in portable e-reader applications and support panel sizes up to 9.7 inches. Two high-efficiency DC–DC boost converters generate ±17-V rails which are boosted to 22 V and –20 V by two change pumps to provide the gate driver supply for the Vizplex panel. Two tracking LDOs create the ±15-V source driver supplies which support up to 120-mA of output current. All rails are adjustable through the I2C interface to accommodate specific panel requirements.
Accurate back-plane biasing is provided by a linear amplifier and can be adjusted either by an external resistor or the I2C interface. The VCOM driver can source or sink current depending on panel condition. For automatic VCOM adjustment in production line, VCOM can be set from –0.3 V to –2.5 V with 8-bit control through the serial interface. The power switch is integrated to isolate VCOM driver from E Ink®panel.
The TPS6518x and TPS65181xB devices provide precise temperature measurement function to monitor the panel temperature during operation. The TPS65180 and TPS65180B requires the host processor to trigger the temperature acquisition through an I2C write whereas the TPS65181 and TPS65181B automatically updates the temperature every 60 s. |
TPS65182BPMIC for E Ink Vizplex Enabled Electronic Paper Display. | Power Management (PMIC) | 3 | Active | The TPS65182x device is a single-chip power supplies designed to for E Ink Vizplex displays used in portable e-reader applications and support panel sizes up to 9.7 inches. Two high efficiency DC/DC boost converters generate ±17-V rails which are boosted to 22 V and –20 V by two change pumps to provide the gate driver supply for the Vizplex panel.
Two tracking LDOs create the ±15-V source driver supplies which support up to 120-mA of output current. All rails are adjustable through the I2C interface to accommodate specific panel requirements.
Accurate back-plane biasing is provided by a linear amplifier and can be adjusted either by an external resistor or the I2C interface. The VCOM driver can source or sink current depending on panel condition.
The TPS65182x provides precise temperature measurement function to monitor the panel temperature during operation. The temperature reading is updated every 60 s and can be accessed through the I2C interface.
The TPS65182x device is a single-chip power supplies designed to for E Ink Vizplex displays used in portable e-reader applications and support panel sizes up to 9.7 inches. Two high efficiency DC/DC boost converters generate ±17-V rails which are boosted to 22 V and –20 V by two change pumps to provide the gate driver supply for the Vizplex panel.
Two tracking LDOs create the ±15-V source driver supplies which support up to 120-mA of output current. All rails are adjustable through the I2C interface to accommodate specific panel requirements.
Accurate back-plane biasing is provided by a linear amplifier and can be adjusted either by an external resistor or the I2C interface. The VCOM driver can source or sink current depending on panel condition.
The TPS65182x provides precise temperature measurement function to monitor the panel temperature during operation. The temperature reading is updated every 60 s and can be accessed through the I2C interface. |
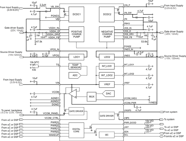
TPS651851PMIC for E-Ink® Vizplex™ Enabled Electronic Paper Display w/ Active Discharge | Evaluation Boards | 6 | Active | The TPS65185x device is a single-chip power supply designed to for E Ink Vizplex displays used in portable e-reader applications, and the device supports panel sizes up to 9.7 inches and greater. Two high efficiency DC-DC boost converters generate ±16-V rails that are boosted to 22 V and –20 V by two change pumps to provide the gate driver supply for the Vizplex panel. Two tracking LDOs create the ±15-V source driver supplies that support up to 120/200 mA (TPS65185/TPS651851) of output current. All rails are adjustable through the I2C interface to accommodate specific panel requirements.
Accurate back-plane biasing is provided by a linear amplifier that can be adjusted from 0 V to –5.11 V with 9-bit control through the serial interface; it can source or sink current depending on panel condition. The TPS65185x supports automatic panel kickback voltage measurement, which eliminates the need for manual VCOM calibration in the production line. The measurement result can be stored in non-volatile memory to become the new VCOM power-up default value.
TPS65185 is available in two packages, a 48-pin 7-mm × 7-mm2VQFN (RGZ) with 0.5-mm pitch, and a 48-pin 6-mm × 6-mm2VQFN (RSL) with 0.4-mm pitch. The TPS651851 is available in a 48-pin 6-mm × 6-mm2VQFN (RSL) with 0.4-mm pitch.
The TPS65185x device is a single-chip power supply designed to for E Ink Vizplex displays used in portable e-reader applications, and the device supports panel sizes up to 9.7 inches and greater. Two high efficiency DC-DC boost converters generate ±16-V rails that are boosted to 22 V and –20 V by two change pumps to provide the gate driver supply for the Vizplex panel. Two tracking LDOs create the ±15-V source driver supplies that support up to 120/200 mA (TPS65185/TPS651851) of output current. All rails are adjustable through the I2C interface to accommodate specific panel requirements.
Accurate back-plane biasing is provided by a linear amplifier that can be adjusted from 0 V to –5.11 V with 9-bit control through the serial interface; it can source or sink current depending on panel condition. The TPS65185x supports automatic panel kickback voltage measurement, which eliminates the need for manual VCOM calibration in the production line. The measurement result can be stored in non-volatile memory to become the new VCOM power-up default value.
TPS65185 is available in two packages, a 48-pin 7-mm × 7-mm2VQFN (RGZ) with 0.5-mm pitch, and a 48-pin 6-mm × 6-mm2VQFN (RSL) with 0.4-mm pitch. The TPS651851 is available in a 48-pin 6-mm × 6-mm2VQFN (RSL) with 0.4-mm pitch. |
TPS65186PMIC for E-Ink® Vizplex™ Enabled Electronic Paper Display | Power Management (PMIC) | 2 | Active | The TPS65186 device is a single-chip power supply designed to for E Ink Vizplex displays used in portable e-reader applications, and the device supports panel sizes up to 9.7 inches and greater. Two high-efficiency DC-DC boost converters generate ±16-V rails that are boosted to 22 V and –20 V by two change pumps to provide the gate driver supply for the Vizplex panel. Two tracking LDOs create the ±15-V source driver supplies that support up to 120-mA of output current. All rails are adjustable through the I2C interface to accommodate specific panel requirements.
Accurate back-plane biasing is provided by a linear amplifier that can be adjusted from 0 V to –5.11 V with 9-bit control through the serial interface; it can also source or sink current depending on panel condition. The TPS65186 supports automatic panel kickback voltage measurement, which eliminates the need for manual VCOM calibration in the production line. The measurement result can be stored in nonvolatile memory to become the new VCOM power-up default value.
TPS65186 is available in a 48-pin 7-mm × 7-mm2VQFN with 0.5-mm pitch.
The TPS65186 device is a single-chip power supply designed to for E Ink Vizplex displays used in portable e-reader applications, and the device supports panel sizes up to 9.7 inches and greater. Two high-efficiency DC-DC boost converters generate ±16-V rails that are boosted to 22 V and –20 V by two change pumps to provide the gate driver supply for the Vizplex panel. Two tracking LDOs create the ±15-V source driver supplies that support up to 120-mA of output current. All rails are adjustable through the I2C interface to accommodate specific panel requirements.
Accurate back-plane biasing is provided by a linear amplifier that can be adjusted from 0 V to –5.11 V with 9-bit control through the serial interface; it can also source or sink current depending on panel condition. The TPS65186 supports automatic panel kickback voltage measurement, which eliminates the need for manual VCOM calibration in the production line. The measurement result can be stored in nonvolatile memory to become the new VCOM power-up default value.
TPS65186 is available in a 48-pin 7-mm × 7-mm2VQFN with 0.5-mm pitch. |
| Integrated Circuits (ICs) | 1 | NRND | ||
TPS6519413 Channel Level Shifter for LCD TVs and Monitors | Integrated Circuits (ICs) | 1 | LTB | The TPS65194 provides a highly integrated level-shifter solution, primarily intended for TV and monitor applications using GIP technology. The device features a built-in state machine that generates twelve output signals from the five input signals provided by the timing controller (T-CON). In addition, the TPS65194 generates a signal to discharge the display panel during power-down.
Level-shifter outputs are forced to a safe state (VGL) during abnormal panel operation, which is indicated by the T-CON using the EO and GST signals.
The TPS65194 provides a highly integrated level-shifter solution, primarily intended for TV and monitor applications using GIP technology. The device features a built-in state machine that generates twelve output signals from the five input signals provided by the timing controller (T-CON). In addition, the TPS65194 generates a signal to discharge the display panel during power-down.
Level-shifter outputs are forced to a safe state (VGL) during abnormal panel operation, which is indicated by the T-CON using the EO and GST signals. |
| Part | Category | Description |
|---|---|---|
Texas Instruments | Integrated Circuits (ICs) | BUS DRIVER, BCT/FBT SERIES |
Texas Instruments | Integrated Circuits (ICs) | 12BIT 3.3V~3.6V 210MHZ PARALLEL VQFN-48-EP(7X7) ANALOG TO DIGITAL CONVERTERS (ADC) ROHS |
Texas Instruments | Integrated Circuits (ICs) | TMX320DRE311 179PIN UBGA 200MHZ |
Texas Instruments TPS61040DRVTG4Unknown | Integrated Circuits (ICs) | IC LED DRV RGLTR PWM 350MA 6WSON |
Texas Instruments LP3876ET-2.5Obsolete | Integrated Circuits (ICs) | IC REG LINEAR 2.5V 3A TO220-5 |
Texas Instruments LMS1585ACSX-ADJObsolete | Integrated Circuits (ICs) | IC REG LIN POS ADJ 5A DDPAK |
Texas Instruments INA111APG4Obsolete | Integrated Circuits (ICs) | IC INST AMP 1 CIRCUIT 8DIP |
Texas Instruments | Integrated Circuits (ICs) | AUTOMOTIVE, QUAD 36V 1.2MHZ OPERATIONAL AMPLIFIER |
Texas Instruments OPA340NA/3KG4Unknown | Integrated Circuits (ICs) | IC OPAMP GP 1 CIRCUIT SOT23-5 |
Texas Instruments PT5112AObsolete | Power Supplies - Board Mount | DC DC CONVERTER 8V 8W |