| Part | Category | Description |
|---|---|---|
Texas Instruments | Integrated Circuits (ICs) | BUS DRIVER, BCT/FBT SERIES |
Texas Instruments | Integrated Circuits (ICs) | 12BIT 3.3V~3.6V 210MHZ PARALLEL VQFN-48-EP(7X7) ANALOG TO DIGITAL CONVERTERS (ADC) ROHS |
Texas Instruments | Integrated Circuits (ICs) | TMX320DRE311 179PIN UBGA 200MHZ |
Texas Instruments TPS61040DRVTG4Unknown | Integrated Circuits (ICs) | IC LED DRV RGLTR PWM 350MA 6WSON |
Texas Instruments LP3876ET-2.5Obsolete | Integrated Circuits (ICs) | IC REG LINEAR 2.5V 3A TO220-5 |
Texas Instruments LMS1585ACSX-ADJObsolete | Integrated Circuits (ICs) | IC REG LIN POS ADJ 5A DDPAK |
Texas Instruments INA111APG4Obsolete | Integrated Circuits (ICs) | IC INST AMP 1 CIRCUIT 8DIP |
Texas Instruments | Integrated Circuits (ICs) | AUTOMOTIVE, QUAD 36V 1.2MHZ OPERATIONAL AMPLIFIER |
Texas Instruments OPA340NA/3KG4Unknown | Integrated Circuits (ICs) | IC OPAMP GP 1 CIRCUIT SOT23-5 |
Texas Instruments PT5112AObsolete | Power Supplies - Board Mount | DC DC CONVERTER 8V 8W |
| Series | Category | # Parts | Status | Description |
|---|---|---|---|---|
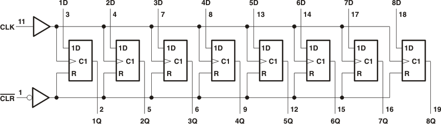
SN74LV273AOctal D-type flip-flops with clear | Logic | 15 | Active | The SN74LV273A device is an octal D-type flip-flop designed for 2-V to 5.5-V V CC operation.
The SN74LV273A device is an octal D-type flip-flop designed for 2-V to 5.5-V V CC operation. |
SN74LV273A-Q1Automotive octal D-type flip-flops with clear | Logic | 1 | Active | The SN74LV273A-Q1 device is an octal positive-edge triggered D-type flip-flop with shared direct active low clear (CLR)input and clock (CLK).
Information at the data (D) inputs meeting the setup time requirements is transferred to the (Q) outputs on the positive-going edge of the clock (CLK) pulse. Clock triggering occurs at a particular voltage level and is not related directly to the transition time of the positive-going pulse. When CLK is at either the high or low level or transitioning from a high level to a low level, the D input has no effect at the output. Information at the data (Q) outputs can be asynchronously cleared with a low level input through the clear (CLR) pin.
The SN74LV273A-Q1 device is an octal positive-edge triggered D-type flip-flop with shared direct active low clear (CLR)input and clock (CLK).
Information at the data (D) inputs meeting the setup time requirements is transferred to the (Q) outputs on the positive-going edge of the clock (CLK) pulse. Clock triggering occurs at a particular voltage level and is not related directly to the transition time of the positive-going pulse. When CLK is at either the high or low level or transitioning from a high level to a low level, the D input has no effect at the output. Information at the data (Q) outputs can be asynchronously cleared with a low level input through the clear (CLR) pin. |
SN74LV27A3-ch, 3-input, 2-V to 5.5-V NOR gates | Logic | 8 | Active | These triple 3-input positive-NOR gates are designed for 2-V to 5.5-V V CC operation.
The SN74LV27A devices perform the Boolean function Y = A + B + C in positive logic.
These devices are fully specified for partial-power-down applications using I off. The I off circuitry disables the outputs, preventing damaging current backflow through the devices when they are powered down.
These triple 3-input positive-NOR gates are designed for 2-V to 5.5-V V CC operation.
The SN74LV27A devices perform the Boolean function Y = A + B + C in positive logic.
These devices are fully specified for partial-power-down applications using I off. The I off circuitry disables the outputs, preventing damaging current backflow through the devices when they are powered down. |
SN74LV2T741.8-V to 5.5-V single power supply dual D-Type positive-edge-triggered flip-flops | Flip Flops | 2 | Active | The SN74LV2T74 contains two independent D-type positive-edge-triggered flip-flops. A low level at the preset ( PRE) input sets the output high. A low level at the clear ( CLR) input resets the output low. Preset and clear functions are asynchronous and not dependent on the levels of the other inputs. When PRE and CLR are inactive (high), data at the data (D) input meeting the setup time requirements is transferred to the outputs (Q, Q) on the positive-going edge of the clock (CLK) pulse. Clock triggering occurs at a voltage level and is not directly related to the rise time of the input clock (CLK) signal. Following the hold-time interval, data at the data (D) input can be changed without affecting the levels at the outputs (Q, Q). The output level is referenced to the supply voltage (V CC) and supports 1.8-V, 2.5-V, 3.3-V, and 5-V CMOS levels.
The input is designed with a lower threshold circuit to support up translation for lower voltage CMOS inputs (for example, 1.2 V input to 1.8 V output or 1.8 V input to 3.3 V output). In addition, the 5-V tolerant input pins enable down translation (for example, 3.3 V to 2.5 V output).
The SN74LV2T74 contains two independent D-type positive-edge-triggered flip-flops. A low level at the preset ( PRE) input sets the output high. A low level at the clear ( CLR) input resets the output low. Preset and clear functions are asynchronous and not dependent on the levels of the other inputs. When PRE and CLR are inactive (high), data at the data (D) input meeting the setup time requirements is transferred to the outputs (Q, Q) on the positive-going edge of the clock (CLK) pulse. Clock triggering occurs at a voltage level and is not directly related to the rise time of the input clock (CLK) signal. Following the hold-time interval, data at the data (D) input can be changed without affecting the levels at the outputs (Q, Q). The output level is referenced to the supply voltage (V CC) and supports 1.8-V, 2.5-V, 3.3-V, and 5-V CMOS levels.
The input is designed with a lower threshold circuit to support up translation for lower voltage CMOS inputs (for example, 1.2 V input to 1.8 V output or 1.8 V input to 3.3 V output). In addition, the 5-V tolerant input pins enable down translation (for example, 3.3 V to 2.5 V output). |
SN74LV2T74-EPEnhanced-product dual D-type flip-flops with clear, preset and integrated level shifter | Logic | 2 | Active | The SN74LV2T74-EP contains two independent D-type positive-edge-triggered flip-flops. A low level at the preset ( PRE) input sets the output high. A low level at the clear ( CLR) input resets the output low. Preset and clear functions are asynchronous and not dependent on the levels of the other inputs. When PRE and CLR are inactive (high), data at the data (D) input meeting the setup time requirements is transferred to the outputs (Q, Q) on the positive-going edge of the clock (CLK) pulse. Clock triggering occurs at a voltage level and is not directly related to the rise time of the input clock (CLK) signal. Following the hold-time interval, data at the data (D) input can be changed without affecting the levels at the outputs (Q, Q). The output level is referenced to the supply voltage (V CC) and supports 1.8-V, 2.5-V, 3.3-V, and 5-V CMOS levels.
The input is designed with a lower threshold circuit to support up translation for lower voltage CMOS inputs (for example, 1.2 V input to 1.8 V output or 1.8 V input to 3.3 V output). In addition, the 5-V tolerant input pins enable down translation (for example, 3.3 V to 2.5 V output).
The SN74LV2T74-EP contains two independent D-type positive-edge-triggered flip-flops. A low level at the preset ( PRE) input sets the output high. A low level at the clear ( CLR) input resets the output low. Preset and clear functions are asynchronous and not dependent on the levels of the other inputs. When PRE and CLR are inactive (high), data at the data (D) input meeting the setup time requirements is transferred to the outputs (Q, Q) on the positive-going edge of the clock (CLK) pulse. Clock triggering occurs at a voltage level and is not directly related to the rise time of the input clock (CLK) signal. Following the hold-time interval, data at the data (D) input can be changed without affecting the levels at the outputs (Q, Q). The output level is referenced to the supply voltage (V CC) and supports 1.8-V, 2.5-V, 3.3-V, and 5-V CMOS levels.
The input is designed with a lower threshold circuit to support up translation for lower voltage CMOS inputs (for example, 1.2 V input to 1.8 V output or 1.8 V input to 3.3 V output). In addition, the 5-V tolerant input pins enable down translation (for example, 3.3 V to 2.5 V output). |
SN74LV2T74-Q1Automotive 1.8-V to 5.5-V single power supply dual D-Type positive-edge-triggered flip-flops | Logic | 2 | Active | The SN74LV2T74-Q1 contains two independent D-type positive-edge-triggered flip-flops. A low level at the preset ( PRE) input sets the output high. A low level at the clear ( CLR) input resets the output low. Preset and clear functions are asynchronous and not dependent on the levels of the other inputs. When PRE and CLR are inactive (high), data at the data (D) input meeting the setup time requirements is transferred to the outputs (Q, Q) on the positive-going edge of the clock (CLK) pulse. Clock triggering occurs at a voltage level and is not directly related to the rise time of the input clock (CLK) signal. Following the hold-time interval, data at the data (D) input can be changed without affecting the levels at the outputs (Q, Q). The output level is referenced to the supply voltage (V CC) and supports 1.8-V, 2.5-V, 3.3-V, and 5-V CMOS levels.
The input is designed with a lower threshold circuit to support up translation for lower voltage CMOS inputs (for example, 1.2 V input to 1.8 V output or 1.8 V input to 3.3 V output). In addition, the 5-V tolerant input pins enable down translation (for example, 3.3 V to 2.5 V output).
The SN74LV2T74-Q1 contains two independent D-type positive-edge-triggered flip-flops. A low level at the preset ( PRE) input sets the output high. A low level at the clear ( CLR) input resets the output low. Preset and clear functions are asynchronous and not dependent on the levels of the other inputs. When PRE and CLR are inactive (high), data at the data (D) input meeting the setup time requirements is transferred to the outputs (Q, Q) on the positive-going edge of the clock (CLK) pulse. Clock triggering occurs at a voltage level and is not directly related to the rise time of the input clock (CLK) signal. Following the hold-time interval, data at the data (D) input can be changed without affecting the levels at the outputs (Q, Q). The output level is referenced to the supply voltage (V CC) and supports 1.8-V, 2.5-V, 3.3-V, and 5-V CMOS levels.
The input is designed with a lower threshold circuit to support up translation for lower voltage CMOS inputs (for example, 1.2 V input to 1.8 V output or 1.8 V input to 3.3 V output). In addition, the 5-V tolerant input pins enable down translation (for example, 3.3 V to 2.5 V output). |
| Logic | 1 | Obsolete | ||
SN74LV32A-EPEnhanced product, 4-ch, 2-input 2-V to 5.5-V high-speed (7 ns) OR gate | Gates and Inverters | 10 | Active | This quadruple 2-input positive-OR gate is designed for 2-V to 5.5-V VCCoperation.
The SN74LV32A-EP performs the Boolean function Y = A + B or Y = (A\ • B\)\ in positive logic.
This device is fully specified for partial-power-down applications using Ioff. The Ioffcircuitry disables the outputs, preventing damaging current backflow through the device when it is powered down.
This quadruple 2-input positive-OR gate is designed for 2-V to 5.5-V VCCoperation.
The SN74LV32A-EP performs the Boolean function Y = A + B or Y = (A\ • B\)\ in positive logic.
This device is fully specified for partial-power-down applications using Ioff. The Ioffcircuitry disables the outputs, preventing damaging current backflow through the device when it is powered down. |
SN74LV367A6-ch, 2-V to 5.5-V buffers with 3-state outputs | Buffers, Drivers, Receivers, Transceivers | 5 | Active | The ’LV367A devices are hex buffers and line drivers designed for 2 V to 5.5 V V CC operation.
The ’LV367A devices are hex buffers and line drivers designed for 2 V to 5.5 V V CC operation. |
SN74LV373A-Q1Automotive Catalog Octal Transparent D-Type Latches With 3-State Outputs | Logic | 24 | Active | The SN74LV373AT is an octal transparent D-type latch. While the latch-enable (LE) input is high, the Q outputs follow the data (D) inputs. When LE is taken low, the Q outputs are latched at the logic levels set up at the D inputs.
A buffered output-enable (OE) input can be used to place the eight outputs in either a normal logic state (high or low) or the high-impedance state. In the high-impedance state, the outputs neither load nor drive the bus lines significantly. The high-impedance state and increased drive provide the capability to drive bus lines without need for interface or pullup components.
OEdoes not affect the internal operations of the latches. Old data can be retained or new data can be entered while the outputs are in the high-impedance state.
To ensure the high-impedance state during power up or power down,OEshould be tied to VCCthrough a pullup resistor; the minimum value of the resistor is determined by the current-sinking capability of the driver.
This device is fully specified for partial-power-down applications using Ioff. The Ioffcircuitry disables the outputs, preventing damaging current backflow through the device when it is powered down.
The SN74LV373AT is an octal transparent D-type latch. While the latch-enable (LE) input is high, the Q outputs follow the data (D) inputs. When LE is taken low, the Q outputs are latched at the logic levels set up at the D inputs.
A buffered output-enable (OE) input can be used to place the eight outputs in either a normal logic state (high or low) or the high-impedance state. In the high-impedance state, the outputs neither load nor drive the bus lines significantly. The high-impedance state and increased drive provide the capability to drive bus lines without need for interface or pullup components.
OEdoes not affect the internal operations of the latches. Old data can be retained or new data can be entered while the outputs are in the high-impedance state.
To ensure the high-impedance state during power up or power down,OEshould be tied to VCCthrough a pullup resistor; the minimum value of the resistor is determined by the current-sinking capability of the driver.
This device is fully specified for partial-power-down applications using Ioff. The Ioffcircuitry disables the outputs, preventing damaging current backflow through the device when it is powered down. |