T
Texas Instruments
| Series | Category | # Parts | Status | Description |
|---|---|---|---|---|
| Part | Spec A | Spec B | Spec C | Spec D | Description |
|---|---|---|---|---|---|
| Series | Category | # Parts | Status | Description |
|---|---|---|---|---|
| Part | Spec A | Spec B | Spec C | Spec D | Description |
|---|---|---|---|---|---|
| Series | Category | # Parts | Status | Description |
|---|---|---|---|---|
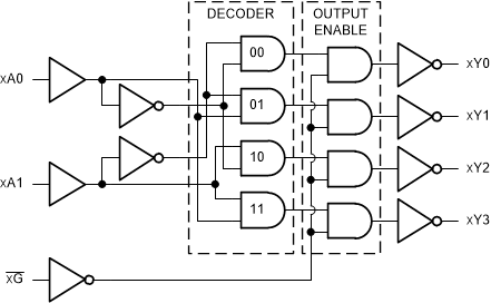
SN54HC1383-Line To 8-Line Decoders/Demultiplexers | Logic | 4 | Active | The SNx4HC138 devices are designed to be used in high-performance memory-decoding or data-routing applications requiring very short propagation delay times. In high-performance memory systems, these decoders can be used to minimize the effects of system decoding. When employed with high-speed memories using a fast enable circuit, the delay times of these decoders and the enable time of the memory are usually less than the typical access time of the memory. This means that the effective system delay introduced by the decoders is negligible.
The SNx4HC138 devices are designed to be used in high-performance memory-decoding or data-routing applications requiring very short propagation delay times. In high-performance memory systems, these decoders can be used to minimize the effects of system decoding. When employed with high-speed memories using a fast enable circuit, the delay times of these decoders and the enable time of the memory are usually less than the typical access time of the memory. This means that the effective system delay introduced by the decoders is negligible. |
SN54HC139Dual 2-Line To 4-Line Decoders/Demultiplexers | Logic | 2 | Active | Dual 2-Line To 4-Line Decoders/Demultiplexers |
SN54HC14Military 6-ch, 2-V to 6-V inverters with Schmitt-Trigger inputs | Gates and Inverters | 2 | Active | This device contains six independent inverters with Schmitt-trigger inputs. Each gate performs the Boolean function Y = A in positive logic.
This device contains six independent inverters with Schmitt-trigger inputs. Each gate performs the Boolean function Y = A in positive logic. |
SN54HC1488-Line To 3-Line Priority Encoders | Logic | 1 | Active | The SNx4HC148 is an 8-input priority encoder. Added input enable (EI) and output enable (EO) signals allow for cascading multiple stages without added external circuitry.
The SNx4HC148 is an 8-input priority encoder. Added input enable (EI) and output enable (EO) signals allow for cascading multiple stages without added external circuitry. |
SN54HC153Dual 4-Line To 1-Line Data Selectors/Multiplexers | Integrated Circuits (ICs) | 2 | Active | Dual 4-Line To 1-Line Data Selectors/Multiplexers |
SN54HC157Quadruple 2-Line To 1-Line Data Selectors/Multiplexers | Signal Switches, Multiplexers, Decoders | 2 | Active | The SNx4HC157 contains four data selectors/multiplexers to select one of two data sources. All channels are controlled by the same address select (A/B) input, and strobe (G) input. A high level at the strobe terminal forces all outputs low.
The SNx4HC157 contains four data selectors/multiplexers to select one of two data sources. All channels are controlled by the same address select (A/B) input, and strobe (G) input. A high level at the strobe terminal forces all outputs low. |
SN54HC1648-Bit Parallel-Out Serial Shift Registers | Logic | 4 | Active | These 8-bit shift registers feature AND-gated serial inputs and an asynchronous clear (CLR) input. The gated serial (A and B) inputs permit complete control over incoming data; a low at either input inhibits entry of the new data and resets the first flip-flop to the low level at the next clock (CLK) pulse. A high-level input enables the other input, which then determines the state of the first flip-flop. Data at the serial inputs can be changed while CLK is high or low, provided the minimum set-up time requirements are met. Clocking occurs on the low-to-high-level transition of CLK.
These 8-bit shift registers feature AND-gated serial inputs and an asynchronous clear (CLR) input. The gated serial (A and B) inputs permit complete control over incoming data; a low at either input inhibits entry of the new data and resets the first flip-flop to the low level at the next clock (CLK) pulse. A high-level input enables the other input, which then determines the state of the first flip-flop. Data at the serial inputs can be changed while CLK is high or low, provided the minimum set-up time requirements are met. Clocking occurs on the low-to-high-level transition of CLK. |
SN54HC165Parallel-Load 8-Bit Shift Registers | Integrated Circuits (ICs) | 2 | Active | The SNx4HC165 devices are 8-bit parallel-load shift registers that, when clocked, shift the data toward a serial (QH) output. Parallel-in access to each stage is provided by eight individual direct data (A–H) inputs that are enabled by a low level at the shift/load (SH/LD) input. The SNx4HC165 devices also feature a clock-inhibit (CLK INH) function and a complementary serial (QH) output.
Clocking is accomplished by a low-to-high transition of the clock (CLK) input while SH/LD is held high and CLK INH is held low. The functions of CLK and CLK INH are interchangeable. Because a low CLK and a low-to-high transition of CLK INH also accomplish clocking, CLK INH must be changed to the high level only while CLK is high. Parallel loading is inhibited when SH/LDis held high. While SH/LDis low, the parallel inputs to the register are enabled independently of the levels of the CLK, CLK INH, or serial (SER) inputs.
The SNx4HC165 devices are 8-bit parallel-load shift registers that, when clocked, shift the data toward a serial (QH) output. Parallel-in access to each stage is provided by eight individual direct data (A–H) inputs that are enabled by a low level at the shift/load (SH/LD) input. The SNx4HC165 devices also feature a clock-inhibit (CLK INH) function and a complementary serial (QH) output.
Clocking is accomplished by a low-to-high transition of the clock (CLK) input while SH/LD is held high and CLK INH is held low. The functions of CLK and CLK INH are interchangeable. Because a low CLK and a low-to-high transition of CLK INH also accomplish clocking, CLK INH must be changed to the high level only while CLK is high. Parallel loading is inhibited when SH/LDis held high. While SH/LDis low, the parallel inputs to the register are enabled independently of the levels of the CLK, CLK INH, or serial (SER) inputs. |
SN54HC166Parallel-Load 8-Bit Shift Registers | Shift Registers | 1 | Active | Parallel-Load 8-Bit Shift Registers |
SN54HC174Hex D-type Flip-Flops With Clear | Flip Flops | 2 | Active | The SNx4HC174 contains six positive-edge-triggered D-type flip-flops with shared clock (CLK) and clear (CLR)inputs.
The SNx4HC174 contains six positive-edge-triggered D-type flip-flops with shared clock (CLK) and clear (CLR)inputs. |
| Part | Category | Description |
|---|---|---|
Texas Instruments | Integrated Circuits (ICs) | BUS DRIVER, BCT/FBT SERIES |
Texas Instruments | Integrated Circuits (ICs) | 12BIT 3.3V~3.6V 210MHZ PARALLEL VQFN-48-EP(7X7) ANALOG TO DIGITAL CONVERTERS (ADC) ROHS |
Texas Instruments | Integrated Circuits (ICs) | TMX320DRE311 179PIN UBGA 200MHZ |
Texas Instruments TPS61040DRVTG4Unknown | Integrated Circuits (ICs) | IC LED DRV RGLTR PWM 350MA 6WSON |
Texas Instruments LP3876ET-2.5Obsolete | Integrated Circuits (ICs) | IC REG LINEAR 2.5V 3A TO220-5 |
Texas Instruments LMS1585ACSX-ADJObsolete | Integrated Circuits (ICs) | IC REG LIN POS ADJ 5A DDPAK |
Texas Instruments INA111APG4Obsolete | Integrated Circuits (ICs) | IC INST AMP 1 CIRCUIT 8DIP |
Texas Instruments | Integrated Circuits (ICs) | AUTOMOTIVE, QUAD 36V 1.2MHZ OPERATIONAL AMPLIFIER |
Texas Instruments OPA340NA/3KG4Unknown | Integrated Circuits (ICs) | IC OPAMP GP 1 CIRCUIT SOT23-5 |
Texas Instruments PT5112AObsolete | Power Supplies - Board Mount | DC DC CONVERTER 8V 8W |