A
Analog Devices
| Series | Category | # Parts | Status | Description |
|---|---|---|---|---|
| Part | Spec A | Spec B | Spec C | Spec D | Description |
|---|---|---|---|---|---|
| Series | Category | # Parts | Status | Description |
|---|---|---|---|---|
| Part | Spec A | Spec B | Spec C | Spec D | Description |
|---|---|---|---|---|---|
| Part | Category | Description |
|---|---|---|
Analog Devices ADM6713RAKSZ-REELObsolete | Integrated Circuits (ICs) | IC SUPERVISOR 1 CHANNEL SC70-4 |
Analog Devices | RF and Wireless | RF AMP SINGLE GENERAL PURPOSE RF AMPLIFIER 20GHZ 3.6V 22-PIN DIE TRAY |
Analog Devices | Integrated Circuits (ICs) | LOW NOISE, SWITCHED CAPACITOR REGULATED VOLTAGE INVERTERS |
Analog Devices | Integrated Circuits (ICs) | QUAD 16-BIT/12-BIT ±10V VOUTSOFTSPAN DACS WITH 10PPM/°C MAX REFERENCE |
Analog Devices | Integrated Circuits (ICs) | SERIAL 14-BIT, 3.5MSPS SAMPLING ADC WITH BIPOLAR INPUTS |
Analog Devices | Integrated Circuits (ICs) | ISOSPI ISOLATED COMMUNICATIONS INTERFACE |
Analog Devices | Integrated Circuits (ICs) | 4.5A, 500KHZ STEP-DOWN SWITCHING REGULATOR |
Analog Devices | Integrated Circuits (ICs) | 300 MA, LOW QUIESCENT CURRENT, ADJUSTABLE OUTPUT, CMOS LINEAR REGULATOR |
Analog Devices AD767KNObsolete | Integrated Circuits (ICs) | IC DAC 12BIT V-OUT 24DIP |
Analog Devices | Integrated Circuits (ICs) | QUAD 12-/10-/8-BIT RAIL-TO-RAIL DACS WITH 10PPM/°C REFERENCE |
| Series | Category | # Parts | Status | Description |
|---|---|---|---|---|
| Integrated Circuits (ICs) | 2 | Obsolete | ||
HMC784AGaAs MMIC 10 Watt T/R Switch DC - 4 GHz | RF Switches | 2 | Active | The HMC784AMS8GE is a high power SPDT switch in an 8-lead MSOPG package for use in transmit-receive applications which require very low distortion at high input signal power levels. The device can control signals from DC to 4 GHz. The design provides exceptional intermodulation performance; > +60 dBm third order intercept at +5V bias. RF1 and RF2 are reflective shorts when "OFF". On-chip circuitry allows single positive supply operation from +3 Vdc to +8 Vdc at very low DC current with control inputs compatible with CMOS logic families.ApplicationsCellular/4G InfrastructureWiMAX, WiBro & Fixed WirelessAutomotive TelematicsMobile RadioTest Equipment |
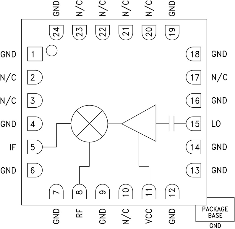
HMC787AGaAs, MMIC, Fundamental Mixer, 3 GHz to 10 GHz | RF Mixers | 4 | Active | HMC787ALC3BThe HMC787A is a general-purpose, double balanced mixer in a 12-terminal, RoHS compliant, ceramic leadless chip carrier (LCC) package that can be used as an upconverter or down- converter from 3 GHz to 10 GHz. This mixer is fabricated in a gallium arsenide (GaAs), metal semiconductor field effect transistor (MESFET) process and requires no external components or matching circuitry. The HMC787A provides excellent local oscillator (LO) to radio frequency (RF) and LO to intermediate frequency (IF) isolation due to optimized balun structures and operates with a LO drive level of 17 dBm. The ceramic LCC package eliminates the need for wire bonding and is compatible with high volume, surface-mount manufacturing techniques.HMC787AG (CHIP)The HMC787AG is a general-purpose, double balanced mixer that can be used as an upconverter or downconverter from 3 GHz to 10 GHz. This mixer is fabricated in a gallium arsenide (GaAs), metal semiconductor field effect transistor (MESFET) process and requires no external components or matching circuitry.The HMC787AG provides high local oscillator (LO) to RF and LO to intermediate frequency (IF) isolation due to optimized balun structures and operates with a LO drive level between 13 dBm to 21 dBm.ApplicationsMicrowave RadioIndustrial, scientific, and medical (ISM) band and ultrawide band (UWB) radioTest equipment & sensorsMilitary end use |
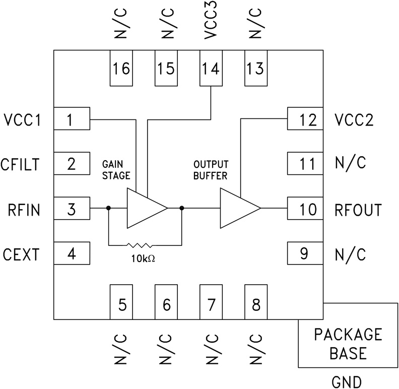
HMC788A0.01 GHz to 10 GHz, MMIC, GaAs, pHEMT RF Gain Block | RF and Wireless | 2 | Active | The HMC788A is a 0.01 GHz to 10 GHz, gain block, monolithic microwave integrated circuit (MMIC) amplifier using gallium arsenide (GaAs), pseudomorphic high electron mobility transistor (pHEMT) technology.This 2 mm × 2 mm LFCSP amplifier can be used as either a cascadable 50 Ω gain stage, or to drive the local oscillator (LO) port of many of the single and double balanced mixers from Analog Devices, Inc. with up to 20 dBm output power.The HMC788A offers 14 dB of gain and an output IP3 of 33 dBm while requiring only 76 mA from a 5 V supply.The Darlington feedback pair exhibits reduced sensitivity to normal process variations and yields excellent gain stability over temperature while requiring a minimal number of external bias components.ApplicationsCellular, 3G, LTE, WiMAX, and 4GLO driver applicationsMicrowave radioTest and measurement equipmentUltra wideband (UWB) communications |
| RF and Wireless | 3 | LTB | ||
HMC79502 GHz to 28 GHz, GaAs pHEMT MMIC Low Noise Amplifier | RF and Wireless | 1 | Active | The HMC7950 is a gallium arsenide (GaAs), pseudomorphic high electron mobility transistor (pHEMT), monolithic microwave integrated circuit (MMIC). The HMC7950 is a wideband low noise amplifier that operates between 2 GHz and 28 GHz. The amplifier typically provides 15 dB of gain, 2.0 dB of noise figure, 26 dBm of output IP3, and 16 dBm of output power for 1 dB gain compression, requiring 64 mA from a 5 V supply. The HMC7950 is self biased with only a single positive supply needed to achieve a drain current, IDD, of 64 mA. The HMC7950 also has a gain control option, VGG2. The HMC7950 amplifier input/outputs are internally matched to 50 Ω and dc blocked. It comes in a 6 mm × 6 mm, 16-terminal LCC SMT ceramic package that is easy to handle and assemble.APPLICATIONSTest instrumentationMilitary and space |
HMC797A-DieGaAs pHEMT MMIC 1 Watt Power Amplifier, DC - 22 GHz | RF Amplifiers | 3 | Active | The HMC797A is a GaAs MMIC pHEMT Distributed Power Amplifier which operates between DC and 22 GHz. The amplifier provides 15 dB of gain, +29 dBm of output power at 1 dB gain compression, +31 dBm of saturated output power, and 23% PAE while requiring 400 mA from a +10 V supply. With up to +41 dBm of output IP3, the HMC797A is ideal for high linearity applications in military and space as well as test equipment where high order modulations are used. This versatile PA exhibits a positive gain slope from 2 to 20 GHz making it ideal for EW, ECM, Radar and test equipment applications. The HMC797A amplifier I/Os are internally matched to 50 Ohms facilitating integration into Multi-Chip-Modules (MCMs). All data is taken with the chip connected via two 0.025 mm (1 mil) wire bonds of minimal length 0.31 mm (12 mils).ApplicationsTest InstrumentationMilitary & SpaceFiber Optics |
| RF and Wireless | 3 | Active | ||
HMC799DC - 700 MHz, 10 kOhm Transimpedance Amplifier SMT | Evaluation Boards | 3 | Obsolete | The HMC799LP3E is DC to 700 MHz Transimpedance amplifier designed for opto-electronic laser sensor applications, FDDI receivers and receiver systems employing optical to electrical conversion. This amplifier provides a single-ended output voltage that is proportional to an applied current at its input port. This current is typically provided by a photodiode. Operating from a single +5V supply, HMC799LP3E features very low input referred noise, and very large electrical input dynamic range exceeding 65 dB. 10 kOhm or 80 dB-Ohms transimpedance gain provides very good sensitivity at higher data rates.The output of HMC799LP3E is internally matched to 50 ohms. External matching is not necessary. The HMC799LP3E exhibits excellent gain and output power stability over temperature, while requiring a minimal number of external bias components.ApplicationsLaser SensorFDDI ReceiverCATV FM Analog ReceiverWideband Gain BlockLow Noise RF Applications |
HMC7992Nonreflective, Silicon SP4T Switch, 0.1 GHz to 6.0 GHz | Evaluation Boards | 3 | Active | The HMC7992 is a general-purpose, nonreflective, 0.1 GHz to 6.0 GHz, silicon, single-pole, four-throw (SP4T) switch in a leadless, surface-mount package. The switch is ideal for cellular infrastructure applications, offers high isolation of 45 dB typical at 2 GHz, and a low insertion loss of 0.6 dB at 2 GHz. It offers excellent power handling capability up to 6.0 GHz, with input power of 1 dB compression point (P1dB) of 35 dBm at 5 V operation. The HMC7992 has good low frequency input power handling below 0.1 GHz and can operate well down to 10 kHz, with a typical 1 dB compression of 21 dBm and an IIP3 of 37 dBm at 1 MHz.The on-chip circuitry allows the HMC7992 to operate at a single, positive supply voltage range from 3.3 V to 5 V, and as well as a single, positive control voltage from 0 V to 1.8 V/3.3 V/5.0 V. A 2:4 decoder integrated in the switch requires only two controlled input signals, with a positive control voltage range from 0 V to 1.8 V/3.3 V/5.0 V, to select one of the four radio frequency (RF) paths.ApplicationsCellular/4G infrastructureWireless infrastructureAutomotive telematicsMobile radiosTest equipment |