A
Analog Devices
| Series | Category | # Parts | Status | Description |
|---|---|---|---|---|
| Part | Spec A | Spec B | Spec C | Spec D | Description |
|---|---|---|---|---|---|
| Series | Category | # Parts | Status | Description |
|---|---|---|---|---|
| Part | Spec A | Spec B | Spec C | Spec D | Description |
|---|---|---|---|---|---|
| Part | Category | Description |
|---|---|---|
Analog Devices ADM6713RAKSZ-REELObsolete | Integrated Circuits (ICs) | IC SUPERVISOR 1 CHANNEL SC70-4 |
Analog Devices | RF and Wireless | RF AMP SINGLE GENERAL PURPOSE RF AMPLIFIER 20GHZ 3.6V 22-PIN DIE TRAY |
Analog Devices | Integrated Circuits (ICs) | LOW NOISE, SWITCHED CAPACITOR REGULATED VOLTAGE INVERTERS |
Analog Devices | Integrated Circuits (ICs) | QUAD 16-BIT/12-BIT ±10V VOUTSOFTSPAN DACS WITH 10PPM/°C MAX REFERENCE |
Analog Devices | Integrated Circuits (ICs) | SERIAL 14-BIT, 3.5MSPS SAMPLING ADC WITH BIPOLAR INPUTS |
Analog Devices | Integrated Circuits (ICs) | ISOSPI ISOLATED COMMUNICATIONS INTERFACE |
Analog Devices | Integrated Circuits (ICs) | 4.5A, 500KHZ STEP-DOWN SWITCHING REGULATOR |
Analog Devices | Integrated Circuits (ICs) | 300 MA, LOW QUIESCENT CURRENT, ADJUSTABLE OUTPUT, CMOS LINEAR REGULATOR |
Analog Devices AD767KNObsolete | Integrated Circuits (ICs) | IC DAC 12BIT V-OUT 24DIP |
Analog Devices | Integrated Circuits (ICs) | QUAD 12-/10-/8-BIT RAIL-TO-RAIL DACS WITH 10PPM/°C REFERENCE |
| Series | Category | # Parts | Status | Description |
|---|---|---|---|---|
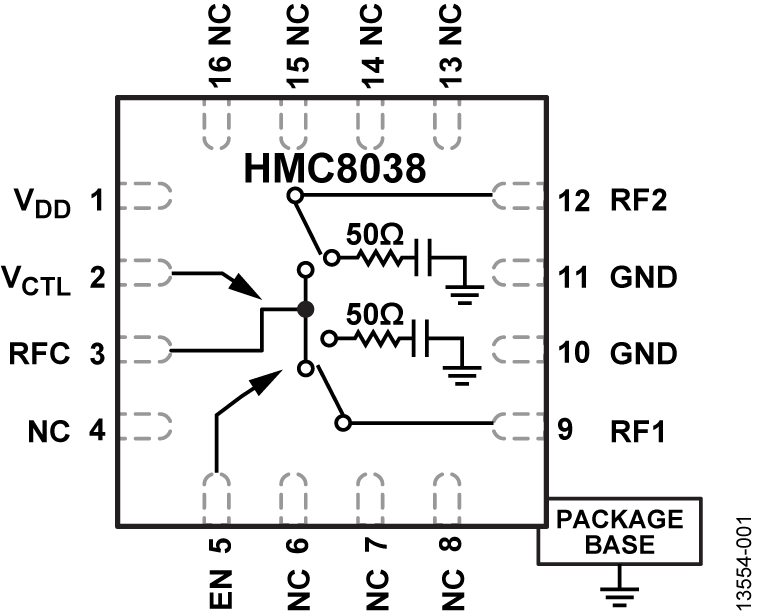
HMC8038High Isolation, Silicon SPDT, Nonreflective Switch, 0.1 GHz to 6.0 GHz | RF Switches | 1 | Active | The HMC8038 is a high isolation, nonreflective, 0.1 GHz to 6.0 GHz, silicon, single-pole, double-throw (SPDT) switch in a leadless, surface-mount package. The switch is ideal for cellular infrastructure applications, yielding up to 62 dB of isolation up to 4.0 GHz, a low 0.8 dB of insertion loss up to 4.0 GHz, and 60 dBm of input third-order intercept. Power handling is excellent up to 6.0 GHz, and it offers an input power for an 0.1 dB compression point (P0.1dB) of 35 dBm (VDD= 5 V). On-chip circuitry operates a single, positive supply voltage from 3.3 V to 5 V, as well as a single, positive voltage control from 0 V to 1.8 V/3.3 V/5.0 V at very low dc currents. An enable input (EN) set to logic high places the switch in an all off state, in which RFC is reflective.The HMC8038 has ESD protection on all device pins, including the RF interface, and can stand 4 kV HMB and 1.25 kV CDM. The HMC8038 offers very fast switching and RF settling times of 150 ns and 170 ns, respectively. The device comes in a RoHS-compliant, compact 4 mm × 4 mm LFCSP package.ApplicationsCellular/4G infrastructureWireless infrastructureAutomotive telematicsMobile radiosTest equipment |
| Integrated Circuits (ICs) | 2 | Obsolete | ||
HMC80730.6 GHz to 3.0 GHz, 0.5 dB LSB, 6-Bit, Silicon Digital Step Attenuator | Attenuators | 2 | Active | The HMC8073 is a 6-bit digital step attenuator (DSA), operating from 0.6 GHz to 3.0 GHz, that features 31.5 dB of attenuation range with 0.5 dB steps.The HMC8073 is implemented in a silicon process, offering a fast settling time, low power consumption, and high electrostatic discharge (ESD) robustness. The device features safe state transitions, allowing attenuation state changes without overshooting, and is optimized for excellent step accuracy and high power and high linearity over frequency and temperature range. The radio frequency (RF) input and output are internally matched to 50 Ω and do not require any external matching components. The design is bidirectional, and the RF input and output are interchangeable.The external address feature of the HMC8073 allows users to control up to eight DSAs using a single bus. The DSA has an on-chip regulator that supports a wide supply operating range from 3.3 V to 5.0 V with no performance change in electrical characteristics. The HMC8073 incorporates a complementary metal-oxide semiconductor (CMOS)- and transistor transitory logic (TTL)- compatible interface that supports serial (3-wire) control of the attenuator.The HMC8073 comes in an RoHS compliant, compact, 3 mm × 3 mm LFCSP package.ApplicationsCellular infrastructureMicrowave radiosVery small aperture terminalsTest equipment and sensors |
HMC8074Quadband MMIC VCO 8.3 - 15.2 GHz | RF Misc ICs and Modules | 2 | Active | The HMC8074LP6GE is a QUADBAND MMIC VCO that integrates the resonators, negative resistance devices, varactor diodes, and features two RF output pins. The VCO’s phase noise performance is excellent over temperature, shock, and process due to the oscillator’s monolithic structure. With a +4.75V supply, the output power is typically -5 to +6 dBm for each RF output, respectively. The voltage controlled oscillator is packaged in a leadless QFN 6x6 mm surface mount package, and requires no external matching components.ApplicationsTest Equipment & Industrial ControlsVSAT RadioPoint to Point/Multi-Point RadioMilitary End-Use |
HMC81089 GHz to 10 GHz, X-Band, GaAs, MMIC, Low Noise Converter | RF Misc ICs and Modules | 1 | Active | The HMC8108 is a compact, X-band, gallium arsenide (GaAs), monolithic microwave integrated circuit (MMIC) in-phase/quadrature (I/Q), low noise converter in a ceramic, leadless chip carrier, RoHS compliant package. The HMC8108 converts radio frequency (RF) input signals ranging from 9 GHz to 10 GHz to a typical single-ended intermediate frequency (IF) signal of 60 MHz at its output. This device provides a small signal conversion gain of 13 dB with a noise figure of 2 dB and image rejection of 20 dBc.The HMC8108 uses a low noise amplifier followed by an image reject mixer that is driven by an active LO buffer amplifier. The image reject mixer eliminates the need for a filter following the low noise amplifier and removes thermal noise at the image frequency. I/Q mixer outputs are provided, and an external 90° hybrid is needed to select the required sideband. The HMC8108 is a much smaller alternative to hybrid style, image reject mixer, downconverter assemblies and is compatible with surface-mount manufacturing techniques.ApplicationsPoint to point and point to multipoint radiosMilitary radarSatellite communications |
| RF Amplifiers | 3 | Obsolete | ||
| RF Amplifiers | 3 | Obsolete | ||
HMC812071 GHz to 76 GHz, E-Band Variable Gain Amplifier | RF Amplifiers | 1 | Active | The HMC8120 is an integrated E-band, gallium arsenide (GaAs), pseudomorphic (pHEMT), monolithic microwave integrated circuit (MMIC) variable gain amplifier and/or driver amplifier that operates from 71 GHz to 76 GHz. The HMC8120 provides up to 22 dB of gain, 21 dBm of output P1dB, 30 dBm of OIP3, and 22 dBm of PSATwhile requiring only 250 mA from a 4 V power supply. Two gain control voltages (VCTL1and VCTL2) are provided to allow up to 15 dB of variable gain control. The HMC8120 exhibits excellent linearity and is optimized for E-band communications and high capacity wireless backhaul radio systems. All data is taken with the chip in a 50 Ω test fixture connected via a 3 mil wide × 0.05 mil thick × 7 mil long ribbon on each port.ApplicationsE-band communication systemsHigh capacity wireless backhaul radio systemsTest and measurement |
HMC812181 GHz to 86 GHz, E-Band Variable Gain Amplifier | RF Amplifiers | 2 | Active | The HMC8121 is an integrated E-band, gallium arsenide (GaAs), pseudomorphic (pHEMT), monolithic microwave integrated circuit (MMIC) variable gain amplifier and/or driver amplifier that operates from 81 GHz to 86 GHz. The HMC8121 provides up to 22 dB of gain, 20 dBm output P1dB, 27.5 dBm of OIP3, and 21 dBm of PSATwhile requiring only 265 mA from a 4 V power supply. Two gain control voltages (VCTL1and VCTL2) are provided to allow up to 17 dB of variable gain control. The HMC8121 exhibits excellent linearity and is optimized for E-band communications and high capacity wireless backhaul radio systems. All data is taken with the chip in a 50 Ω test fixture connected via a 3 mil wide × 0.05 mil thick × 7 mil long ribbon on each port.ApplicationsE-band communication systemsHigh capacity wireless backhaul radio systemsTest and measurement |
HMC812AGaAs MMIC Voltage-Variable Attenuator, 5 - 30 GHz | Evaluation Boards | 2 | Active | The HMC812ALC4 is an absorptive Voltage Variable Attenuator (VVA) which operates from 5 - 30 GHz and is ideal in designs where an analog DC control signal must be used to control RF signal levels over a 30 dB amplitude range. It features two shunt-type attenuators which are controlled by two analog voltages, Vctrl1 and Vctrl2. Optimum linearity performance of the attenuator is achieved by first varying Vctrl1 of the 1st attenuation stage from -5V to 0V with Vctrl2 fixed at -5V. The control voltage of the 2nd attenuation stage, Vctrl2, should then be varied from -5V to 0V, with Vctrl1 fixed at 0V. The HMC812ALC4 is housed in a RoHS compliant 4x4 mm QFN leadless ceramic package.Furthermore, if the Vctrl1 and Vctrl2 pins are connected together it is possible to achieve the full analog attenuation range with only a small degradation in input IP3 performance. Applications include AGC circuits and temperature compensation of multiple gain stages in microwave point-to-point and VSAT radios.ApplicationsPoint-to-Point RadioVSAT RadioTest InstrumentationMicrowave SensorsMilitary, ECM & Radar |