A
Analog Devices
| Series | Category | # Parts | Status | Description |
|---|---|---|---|---|
| Part | Spec A | Spec B | Spec C | Spec D | Description |
|---|---|---|---|---|---|
| Series | Category | # Parts | Status | Description |
|---|---|---|---|---|
| Part | Spec A | Spec B | Spec C | Spec D | Description |
|---|---|---|---|---|---|
| Part | Category | Description |
|---|---|---|
Analog Devices ADM6713RAKSZ-REELObsolete | Integrated Circuits (ICs) | IC SUPERVISOR 1 CHANNEL SC70-4 |
Analog Devices | RF and Wireless | RF AMP SINGLE GENERAL PURPOSE RF AMPLIFIER 20GHZ 3.6V 22-PIN DIE TRAY |
Analog Devices | Integrated Circuits (ICs) | LOW NOISE, SWITCHED CAPACITOR REGULATED VOLTAGE INVERTERS |
Analog Devices | Integrated Circuits (ICs) | QUAD 16-BIT/12-BIT ±10V VOUTSOFTSPAN DACS WITH 10PPM/°C MAX REFERENCE |
Analog Devices | Integrated Circuits (ICs) | SERIAL 14-BIT, 3.5MSPS SAMPLING ADC WITH BIPOLAR INPUTS |
Analog Devices | Integrated Circuits (ICs) | ISOSPI ISOLATED COMMUNICATIONS INTERFACE |
Analog Devices | Integrated Circuits (ICs) | 4.5A, 500KHZ STEP-DOWN SWITCHING REGULATOR |
Analog Devices | Integrated Circuits (ICs) | 300 MA, LOW QUIESCENT CURRENT, ADJUSTABLE OUTPUT, CMOS LINEAR REGULATOR |
Analog Devices AD767KNObsolete | Integrated Circuits (ICs) | IC DAC 12BIT V-OUT 24DIP |
Analog Devices | Integrated Circuits (ICs) | QUAD 12-/10-/8-BIT RAIL-TO-RAIL DACS WITH 10PPM/°C REFERENCE |
| Series | Category | # Parts | Status | Description |
|---|---|---|---|---|
HMC340ADBL-BAL Mixer (Dual Channel) SMT, 1.7 - 4.5 GHz | RF and Wireless | 3 | Obsolete | The HMC340ALP5(E) is a double-balanced dual mixer covering 1.7 - 4.5 GHz RF/LO range. This passive MMIC mixer is constructed of GaAs Schottky diodes and on-chip baluns. The device can be used as an upconverter, downconverter, biphase (de)modulator, or phase comparator. The mixer symmetry of the HMC340ALP5 & HMC340ALP5E make it an ideal candidate for single sideband or image rejection applications. The consistent MMIC performance will improve system operation and assure regulatory compliance. A low cost, leadless 5x5 mm QFN surface mount package (LP5) houses the dual MMIC mixer IC.ApplicationsWireless InfrastructureWireless Local LoopImage Reject MixerI/Q ModulatorSSB Modulator |
HMC341LC3BSMT GaAs pHEMT MMIC Low Noise Amplifier, 21 - 29 GHz | RF and Wireless | 3 | Active | The HMC341 chip is a GaAs MMIC Low Noise Amplifier (LNA) which covers the frequency range of 24 to 30 GHz. The chip can easily be integrated into Multi-Chip Modules (MCMs) due to its small (1.51 mm²) size. The chip utilizes a GaAs PHEMT process offering 13 dB gain from a single bias supply of + 3V @ 30 mA with a noise figure of 2.5 dB. All data is with the chip in a 50 ohm test fixture connected via 0.025 mm (1 mil) diameter wire bonds of minimal length 0.31 mm (<12 mils).ApplicationsMillimeterwave Point-to-Point RadiosLMDSVSAT & SATCOM |
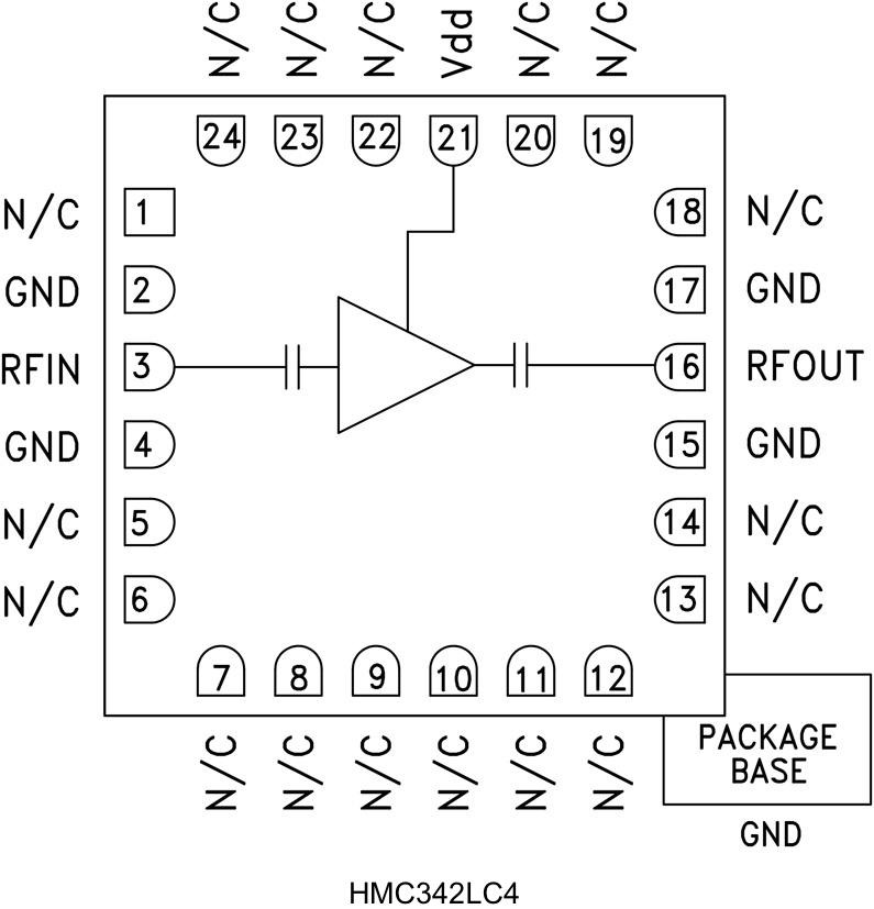
HMC342-DieLow Noise Amplifier Chip, 13 - 25 GHz | RF Amplifiers | 3 | Active | The HMC342LC4 is a GaAs PHEMT MMIC Low Noise Amplifier housed in a leadless 4x4 mm RoHS compliant SMT package. Operating from 13 to 25 GHz, the amplifier provides 22 dB of gain and +19 dBm of output IP3 from a single +3V supply. The low noise figure performance of 3.5 dB is ideal for receive and transmit pre-driver applications. The RF I/Os are DC blocked and matched to 50 Ohms for ease of use. The HMC342LC4 allows the use of surface mount manufacturing techniques and requires no external matching components.ApplicationsPoint-to-Point RadiosPoint-to-Multi-Point Radios & VSATTest Equipment & SensorsMilitary End-Use |
HMC344A0.1 GHz to 8 GHz, GaAs, Nonreflective, SP4T Switch | RF Switches | 5 | Active | The HMC344 is a broadband nonreflective GaAs MESFET SP4T switch/switch chip in a ceramic 3 mm x 3 mm leadless surface-mount package, a hermetic SMT leadless package, or in a low cost leadless surface-mount package. Covering DC to 12 GHz, this switch offers high isolation, low insertion loss, a compact form factor, and extends the frequency coverage of the switch product line. This switch also includes an on-board binary decoder circuit, which reduces the number of required logic control lines to two.The switch operates using a negative control voltage of 0/−5 V, and requires a fixed bias of −5 V. All data is tested with the chip in a 50 Ω test fixture connected via 0.025 mm (1 mil) diameter wire bonds of minimal length 0.31 mm (12 mils). This SP4T switch is available in SMT packaged form. Simple external level shifting circuitry allows this switch to be controlled with most TTL/CMOS positive logic families.The HMC344 allows the use of surface-mount manufacturing techniques and is suitable for high reliability military, industrial, and space applications.ApplicationsTelecom infrastructureMicrowave radios and VSATTest instrumentationBroadband, military radios, radar, and ECMFiber opticsSwitched filter banksWireless below 8 GHzSpace systems |
HMC346ALC3BHMC346 / HMC346C8 / HMC346G8 / HMC346LC3B / HMC346LP3 / HMC346MS8G | RF Evaluation and Development Kits, Boards | 7 | Active | The HMC346 devices are absorptive, voltage variable attenuators (VVAs) operating from dc to 8 GHz, 14 GHz, 18 GHz, or 20 GHz. They feature on-chip reference attenuators for use with an external op-amp to provide simple single voltage attenuation control, 0 V to −3 V. These devices are ideal in designs when an analog dc control signal must control RF signal levels over a 30 dB amplitude range. Applications include AGC circuits and temperature compensation of multiple gain stages in microwave radios and test instrumentation.ApplicationsPoint-to-point radiosVSAT radioBase station infrastructureFiber optics and broadband telecomMicrowave radio and VSATMilitary radios, radar, and ECMTest instrumentation |
HMC347A-DieGaAs, SPDT Switch, Nonreflective, 0.1 GHz to 20 GHz | RF Evaluation and Development Kits, Boards | 6 | Active | The HMC347 is a broadband nonreflective GaAs MESFET SPDT MMIC chip and a broadband high isolation nonreflective GaAs MESFET SPDT switch in an 8-lead glass or metal (hermetic) surface-mount package or a low cost leadless QFN surface-mount plastic package. Covering DC to 20 GHz, the switch offers high isolation and low insertion loss. The switch features more than 50 dB isolation at lower frequencies and more than 40 dB at higher frequencies due to the implementation of on-chip via hole structures. The switch operates using two negative control voltage logic lines of −5/0 V, requires no Vee and no bias supply, and has no current consumption. The switch operates down to DC. The chip features coplanar I/Os that allow 100% RF testing prior to delivery to the customer. This SPDT is a good replacement for the HMC132G7 SPDT.ApplicationsBasestation and telecom infrastructureFiber optics and broadband telecomMilitary and spaceMicrowave radios, radar, ECM, and VSATTest instrumentation |
HMC349AMS8GHigh Isolation, Nonreflective, GaAs, SPDT Switch,100 MHz to 4 GHz | RF Switches | 4 | Active | The HMC349AMS8G is a gallium arsenide (GaAs), pseudo-morphic high electron mobility transistor (PHEMT), single-pole, double throw (SPDT) switch specified from 100 MHz to 4 GHz.The HMC349AMS8G is well suited for cellular infrastructure applications by yielding high isolation of 57 dB, low insertion loss of 0.9 dB, high input IP3 of 52 dBm, and high input P1dB of 34 dBm.The HMC349AMS8G operates with a single positive supply voltage from 3 V to 5 V and provides a CMOS-/TTL-compatible control interface.The HMC349AMS8G comes in an 8-lead mini small outline package with an exposed pad.ApplicationsCellular/4G infrastructureWireless infrastructureMobile radiosTest equipment |
HMC356Low Noise Amplifier SMT, 350 - 550 MHz | RF Amplifiers | 1 | Active | The HMC356LP3(E) is a high dynamic range GaAs PHEMT MMIC Low Noise Amplifier is ideal for GSM & CDMA cellular basestation and Mobile Radio front-end receivers operating between 350 and 550 MHz. This LNA has been optimized to provide 1 dB noise figure, 17 dB gain and +38 dBm output IP3 from a single supply of +5V @ 104 mA. Input and output return losses are 15 dB typical, with the LNA requiring only four external components to optimize the RF input match, RF ground and DC bias.ApplicationsGSM 450 & GSM 480CDMA 450Private Land Mobile Radio |
HMC3587HBT Gain Block MMIC Amplifier, 4 - 10 GHz | RF and Wireless | 1 | Active | The HMC3587LP 3BE is a HBT Gain Block MMI C amplifier covering 4 GHz to 10 GHz and packaged in a 3×3 mm plastic QFN SM T package. This versatile amplifier can be used as a cascadable IF or RF gain stage in 50 Ohm applications. The HMC3587LP 3BE delivers 14.5 dB gain, and +13 dBm output P1dB with only 3.5 dB noise figure.ApplicationsCellular / PCS / 3GFixed Wireless & WLANCATV, Cable Modem & DBSMicrowave Radio & Test EquipmentIF & RF Applications |
HMC361-DieSMT GaAs HBT MMIC Divide-by-2, DC - 10 GHz | RF Evaluation and Development Kits, Boards | 4 | Active | The HMC361S8G & HMC361S8GE are low noise Divide-by-2 Static Dividers with InGaP GaAs HBT technology in 8 lead surface mount plastic packages. This device operates from DC (with a square wave input) to 10 GHz input frequency with a single +5V DC supply. The low additive SSB phase noise of -148 dBc/Hz at 100 kHz offset helps the user maintain good system noise performance.ApplicationsSatellite Communication SystemsFiber OpticPoint-to-Point and Point-to-Multi-Point RadiosVSAT |