A
Analog Devices
| Series | Category | # Parts | Status | Description |
|---|---|---|---|---|
| Part | Spec A | Spec B | Spec C | Spec D | Description |
|---|---|---|---|---|---|
| Series | Category | # Parts | Status | Description |
|---|---|---|---|---|
| Part | Spec A | Spec B | Spec C | Spec D | Description |
|---|---|---|---|---|---|
| Part | Category | Description |
|---|---|---|
Analog Devices ADM6713RAKSZ-REELObsolete | Integrated Circuits (ICs) | IC SUPERVISOR 1 CHANNEL SC70-4 |
Analog Devices | RF and Wireless | RF AMP SINGLE GENERAL PURPOSE RF AMPLIFIER 20GHZ 3.6V 22-PIN DIE TRAY |
Analog Devices | Integrated Circuits (ICs) | LOW NOISE, SWITCHED CAPACITOR REGULATED VOLTAGE INVERTERS |
Analog Devices | Integrated Circuits (ICs) | QUAD 16-BIT/12-BIT ±10V VOUTSOFTSPAN DACS WITH 10PPM/°C MAX REFERENCE |
Analog Devices | Integrated Circuits (ICs) | SERIAL 14-BIT, 3.5MSPS SAMPLING ADC WITH BIPOLAR INPUTS |
Analog Devices | Integrated Circuits (ICs) | ISOSPI ISOLATED COMMUNICATIONS INTERFACE |
Analog Devices | Integrated Circuits (ICs) | 4.5A, 500KHZ STEP-DOWN SWITCHING REGULATOR |
Analog Devices | Integrated Circuits (ICs) | 300 MA, LOW QUIESCENT CURRENT, ADJUSTABLE OUTPUT, CMOS LINEAR REGULATOR |
Analog Devices AD767KNObsolete | Integrated Circuits (ICs) | IC DAC 12BIT V-OUT 24DIP |
Analog Devices | Integrated Circuits (ICs) | QUAD 12-/10-/8-BIT RAIL-TO-RAIL DACS WITH 10PPM/°C REFERENCE |
| Series | Category | # Parts | Status | Description |
|---|---|---|---|---|
HMC322HMC322 / HMC322ALP4E / HMC322LP4 | RF Evaluation and Development Kits, Boards | 4 | Active | The HMC322 is a broadband nonreflective GaAs MESFET SP8T switch chip and switch in a low cost leadless surface-mount package. Covering DC to 10 GHz, this switch offers high isolation and low insertion loss and extends the frequency coverage of the SP8T switch product line. This switch also includes an on-board binary decoder circuit, which reduces the required logic control lines to three. The switch operates using a negative control voltage of 0/−5 V and requires a fixed bias of −5 V. All data are tested with the chip in a 50 Ω test fixture connected via 0.025 mm (1 mil) diameter wire bonds of 0.5 mm (20 mils) length. This switch is suitable for usage in 50 Ω or 75 Ω systems.ApplicationsTelecom infrastructureMicrowave radios and VSATMilitary and spaceTest instrumentationBroadbandFiber opticsSwitched filter banksWireless below 8 GHz |
| RF and Wireless | 3 | Active | ||
HMC329ALC3B22 GHz to 38 GHz, GaAs, MMIC, Double Balanced Mixer | RF, RFID, Wireless Evaluation Boards | 4 | Active | The HMC329 devices are double-balanced MMIC mixers that are available in a chip (HMC329), a leadless RoHS compliant SMT package (HMC329LC3B), and an SMT leadless chip carrier package (HMC329LM3). The HMC329 devices can be used as an upconverter or downconverter. On the HMC329, the mixer is used as an upconverter or downcnverter in a small chip area of 0.85 mm × 0.55 mm. Excellent isolations are provided by on-chip baluns, and the chip requires no external components and no dc bias. Measurements for the HMC329 were made with the chip mounted and ribbon bonded into in a 50 Ω microstrip test fixture that contains 5 mil alumina substrates between the chip and K connectors. Measured data includes the parasitic effects of the assembly. RF connections to the chip were made with 0.076 mm (3 mil) ribbon bond with minimal length less than 0.31 mm (<12 mil).ApplicationsMicrowave point-to-point radiosPoint-to-point radiosPoint-to-multipoint radios and very small aperture terminal (VSAT)Local multipoint distribution systems (LMDS)Satellite communications (SATCOM)Test equipment and sensorsMilitary end useRADAR |
HMC333GaAs MMIC Mixer w/LO Amplifier SMT, 3.0 - 3.8 GHz | RF and Wireless | 1 | Obsolete | The HMC333(E) is a single balanced mixer IC with an integrated LO amplifier. This converter IC can operate as an upconverter or downconverter between 3.0 GHz and 3.8 GHz. With the integrated LO amplifier, the mixer requires an LO drive level of only 0 dBm, and requires only 7 mA from a single positive +3V rail. The mixer has 8.5 dB of conversion loss, an input P1dB of 0 dBm and an input third order intercept point of +10 dBm at 3.5 GHz.ApplicationsWireless Local Loop |
HMC334SiGe Wideband Downconverter Mixer SMT, 0.6 - 2.7 GHz | RF Evaluation and Development Kits, Boards | 2 | Active | The HMC334LP4(E) is a low noise, wideband downconverter RFIC which is ideal for Celullar/3G and WiMAX/4G applications from 0.6 to 2.7 GHz. The LO input accepts drive levels from -6 to +6 dBm while the RFIC provides 48 dB of LO to RF isolation, and 0 dB conversion loss. The HMC334LP4(E) will support an IF output bandwidth of up to 600 MHz and consumes only 173mA from a +5V supply. This wideband active mixer also provides excellent performance in the presence of high level "Blocker" signals, making it ideal fro receiver applications in demanding environments.ApplicationsBasestations & RepeatersGSM, GPRS & EdgeCDMA, W-CDMA & TD-SCDMAWiMAX & WiBro |
| Attenuators | 1 | Obsolete | ||
| RF and Wireless | 2 | Active | ||
HMC337GaAs MMIC Sub Harmonic Mixer Chip, 17 - 25 GHz | RF Mixers | 1 | Active | The HMC337 chip is a sub-harmonically pumped (x2) MMIC mixer with an integrated LO amplifier which can be used as an upconverter or downconverter. The chip utilizes a GaAs PHEMT technology that results in a small overall chip area of 1.28mm². The 2 LO to RF isolation is excellent eliminating the need for additional filtering. The LO amplifier is a single bias (+3V to +4V) two stage design with only -5 dBm nominal drive requirement. All data is measured with the chip in a 50 ohm test fixture connected via 0.076 mm (3 mil) ribbon bonds of minimal length <0.31 mm (<12 mils).APPLICATIONS18 and 23 GHz Microwave RadiosUp and Down Converter for Point-to-Point RadiosSatellite Communication Systems |
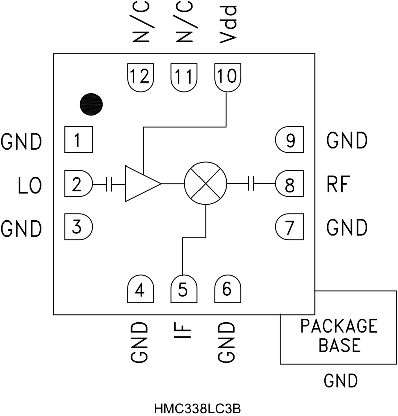
HMC338-DieGaAs MMIC Sub Harmonic Mixer Chip, 26 - 33 GHz | RF Mixers | 3 | Active | The HMC338 chip is a general purpose sub-harmonically pumped (x2) MMIC mixer with an integrated LO amplifier which can be used as an upconverter or downconverter in the 26 to 33 GHz frequency range. The chip utilizes a GaAs PHEMT technology that results in a small overall chip area of 1.28mm2. The 2 LO to RF isolation is excellent eliminating the need for additional filtering. The LO amplifier is a single bias (+3V to +4V) two stage design with only -5 dBm nominal drive requirement. All data is measured with the chip in a 50 ohm test fixture connected via 0.076 mm (3 mil) ribbon bonds of minimal length <0.31 mm (<12 mils).APPLICATIONSGeneral Purpose Applications26 and 33 GHz Microwave RadiosUp and Down Converter for Point-to-Point RadiosSatellite Communication Systems |
HMC339GaAs MMIC Sub Harmonic Mixer Chip, 33 - 42 GHz | RF Mixers | 1 | Active | The HMC339 chip is a sub-harmonically pumped (x2) MMIC mixer with an integrated LO amplifier which can be used as an upconverter or downconverter. The chip utilizes a GaAs PHEMT technology that results in a small overall chip area of 1.07mm². The 2LO to RF isolation is excellent eliminating the need for additional filtering. The LO amplifier is a single bias (+3V to +4V) two stage design with only +2 dBm nominal drive requirement. All data is measured with the chip in a 50 ohm test fixture connected via 0.025mm (3 mil) ribbon bonds of minimal length <0.31 mm (<12 mils).APPLICATIONS33 to 42 GHz Microwave RadiosUp and Down Converter for Point-to-Point RadiosSatellite Communication Systems |