A
Analog Devices
| Series | Category | # Parts | Status | Description |
|---|---|---|---|---|
| Part | Spec A | Spec B | Spec C | Spec D | Description |
|---|---|---|---|---|---|
| Series | Category | # Parts | Status | Description |
|---|---|---|---|---|
| Part | Spec A | Spec B | Spec C | Spec D | Description |
|---|---|---|---|---|---|
| Part | Category | Description |
|---|---|---|
Analog Devices ADM6713RAKSZ-REELObsolete | Integrated Circuits (ICs) | IC SUPERVISOR 1 CHANNEL SC70-4 |
Analog Devices | RF and Wireless | RF AMP SINGLE GENERAL PURPOSE RF AMPLIFIER 20GHZ 3.6V 22-PIN DIE TRAY |
Analog Devices | Integrated Circuits (ICs) | LOW NOISE, SWITCHED CAPACITOR REGULATED VOLTAGE INVERTERS |
Analog Devices | Integrated Circuits (ICs) | QUAD 16-BIT/12-BIT ±10V VOUTSOFTSPAN DACS WITH 10PPM/°C MAX REFERENCE |
Analog Devices | Integrated Circuits (ICs) | SERIAL 14-BIT, 3.5MSPS SAMPLING ADC WITH BIPOLAR INPUTS |
Analog Devices | Integrated Circuits (ICs) | ISOSPI ISOLATED COMMUNICATIONS INTERFACE |
Analog Devices | Integrated Circuits (ICs) | 4.5A, 500KHZ STEP-DOWN SWITCHING REGULATOR |
Analog Devices | Integrated Circuits (ICs) | 300 MA, LOW QUIESCENT CURRENT, ADJUSTABLE OUTPUT, CMOS LINEAR REGULATOR |
Analog Devices AD767KNObsolete | Integrated Circuits (ICs) | IC DAC 12BIT V-OUT 24DIP |
Analog Devices | Integrated Circuits (ICs) | QUAD 12-/10-/8-BIT RAIL-TO-RAIL DACS WITH 10PPM/°C REFERENCE |
| Series | Category | # Parts | Status | Description |
|---|---|---|---|---|
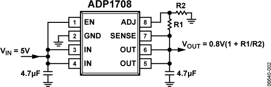
ADP17081 A, Low Dropout, CMOS Linear Regulator | Voltage Regulators - Linear, Low Drop Out (LDO) Regulators | 2 | Active | The ADP1706/ADP1707/ADP1708 are CMOS, low dropout linear regulators that operate from 2.5 V to 5.5 V and provide up to 1 A of output current. Using an advanced proprietary architecture, they provide high power supply rejection and achieve excellent line and load transient response with a small 4.7 μF ceramic output capacitor.The ADP1706/ADP1707 are available in 16 fixed output volt-age options. The ADP1708 is available in an adjustable version, which allows output voltages that range from 0.8 V to 5.0 V via an external divider. The ADP1706 allows an external soft start capacitor to be connected to program the start-up time; the ADP1707 and ADP1708 contain internal soft start capacitors that give a typical start-up time of 100 μs. The ADP1707 includes a tracking feature that allows the output to follow an external voltage rail or reference.The ADP1706/ADP1707/ADP1708 are available in an 8-lead, exposed paddle SOIC package and an 8-lead, 3 mm × 3 mm exposed paddle LFCSP, making them not only very compact solutions but also providing excellent thermal performance for applications requiring up to 1 A of output current in a small, low profile footprint.ApplicationsNotebook computersMemory componentsTelecommunications equipmentNetwork equipmentDSP/FPGA/microprocessor suppliesInstrumentation equipment/data acquisition systems |
| Evaluation Boards | 6 | Active | ||
ADP1711150 mA, Low Dropout, CMOS Linear Regulator | Evaluation Boards | 10 | Active | The ADP1710/ADP1711 are low dropout linear regulators that operate from 2.5 V to 5.5 V and provide up to 150 mA of output current. Utilizing a novel scaling architecture, ground current drawn is a very low 40 μA, when driving a 100 μA load, making the ADP1710/ADP1711 ideal for battery-operated portable equipment.The ADP1710 and the ADP1711 are each available in sixteen fixed output voltage options. The ADP1710 is also available in an adjustable version, which allows output voltages that range from 0.8 V to 5 V via an external divider. The ADP1711 allows for a reference bypass capacitor to be connected, which reduces output voltage noise and improves power supply rejection.The ADP1710/ADP1711 are optimized for stable operation with small 1 μF ceramic output capacitors, allowing for good transient performance while occupying minimal board space. An enable pin controls the output voltage on both devices. There is also an under-voltage lockout circuit on both devices, which disables the regulator if IN drops below a minimum threshold.An internal soft start gives a typical start-up time of 80 μs. Short-circuit protection and thermal overload protection circuits prevent damage to the devices in adverse conditions. Both the ADP1710 and the ADP1711 are available in tiny 5 lead TSOT packages, for the smallest footprint solution to all your power needs.ApplicationsMobile phonesDigital camera and audio devicesPortable and battery-powered equipmentPost dc-dc regulation |
ADP1712300 mA, Low Dropout CMOS Linear Regulator | Linear Voltage Regulator Evaluation Boards | 10 | Active | The ADP1712 /ADP1713/ADP1714, available in a tiny, 5-lead TSOT package, are low dropout linear regulators that operate from 2.5 V to 5.5 V and provide up to 300 mA of output current. The low 170 mV dropout voltage at a 300 mA load improves efficiency and allows operation over a wide input voltage range. Using a novel scaling architecture, ground current is a very low 75 μA when driving a 100 μA load, making the ADP1712 / ADP1713 / ADP1714 ideal for battery-operated portable equipment.The ADP1712 / ADP1713 / ADP1714 are available in 16 fixed output voltage options. The ADP1712 is also available in an adjustable version, which allows output voltages that range from 0.8 V to 5 V via an external divider. The ADP1712 fixed version allows an external capacitor to be connected to program the soft-start time. The ADP1713 allows a reference bypass capacitor to be connected, which reduces output voltage noise and improves power supply rejection. The ADP1714 includes a tracking feature, which allows the output to follow an external voltage rail or reference.The ADP1712 / ADP1713 / ADP1714 are optimized for stable operation with small 2.2 μF ceramic output capacitors, allowing good transient performance while occupying minimal board space. An enable pin controls the output voltage on all devices, and an undervoltage lockout circuit disables the regulator if IN drops below a minimum threshold. The parts also have short circuit protection and thermal overload protection, which prevent damage to the devices in adverse conditions.APPLICATIONSMobile phonesDigital camera and audio devicesPortable and battery-powered equipmentPost dc-dc regulation |
ADP1713300 mA, Low Dropout CMOS Linear Regulator | Integrated Circuits (ICs) | 7 | Active | TheADP1712/ ADP1713 /ADP1714, available in a tiny, 5-lead TSOT package, are low dropout linear regulators that operate from 2.5 V to 5.5 V and provide up to 300 mA of output current. The low 170 mV dropout voltage at a 300 mA load improves efficiency and allows operation over a wide input voltage range. Using a novel scaling architecture, ground current is a very low 75 μA when driving a 100 μA load, making the ADP1712 / ADP1713 / ADP1714 ideal for battery-operated portable equipment.The ADP1712 / ADP1713 / ADP1714 are available in 16 fixed output voltage options. The ADP1712 is also available in an adjustable version, which allows output voltages that range from 0.8 V to 5 V via an external divider. The ADP1712 fixed version allows an external capacitor to be connected to program the soft-start time. The ADP1713 allows a reference bypass capacitor to be connected, which reduces output voltage noise and improves power supply rejection. The ADP1714 includes a tracking feature, which allows the output to follow an external voltage rail or reference.The ADP1712 / ADP1713 / ADP1714 are optimized for stable operation with small 2.2 μF ceramic output capacitors, allowing good transient performance while occupying minimal board space. An enable pin controls the output voltage on all devices, and an undervoltage lockout circuit disables the regulator if IN drops below a minimum threshold. The parts also have short circuit protection and thermal overload protection, which prevent damage to the devices in adverse conditions.APPLICATIONSMobile phonesDigital camera and audio devicesPortable and battery-powered equipmentPost dc-dc regulation |
| Linear Voltage Regulator Evaluation Boards | 8 | Active | ||
| Linear Voltage Regulator Evaluation Boards | 10 | Active | ||
ADP1716500mA Low-Dropout Linear Regulator with Tracking | PMIC | 10 | Active | The ADP1715/ADP1716 are low dropout, CMOS linear regulators that operate from 2.5 V to 5.5 V and provide up to 500 mA of output current. Using an advanced proprietary architecture, they provide high power supply rejection and achieve excellent line and load transient response with just a small 2.2 μF ceramic output capacitor.Three versions of this part are available, one with fixed output voltage options and variable soft start (ADP1715), one with adjustable output voltage and fixed soft start (ADP1715 Adjustable), and one with voltage tracking in fixed output voltage options (ADP1716). The fixed output voltage options are internally set to one of sixteen values between 0.75 V and 3.3 V; the adjustable output voltage can be set to any value between 0.8 V and 5.0 V by an external voltage divider connected from OUT to ADJ. The variable soft start uses an external capacitor at SS to control the output voltage ramp. Tracking limits the output voltage to the at-or-below voltage at the TRK pin.The ADP1715/ADP1716 are available in 8-lead thermally enhanced MSOP packages, making them not only a very compact solution but also providing excellent thermal performance for applications requiring up to 500 mA of output current in a small, low profile footprint.ApplicationsNotebook computersMemory componentsTelecommunications equipmentNetwork EquipmentDSP/FPGA/µP suppliesInstrumentation equipment/data acquisition systems |
ADP172300 mA, Low Quiescent Current, CMOS Linear Regulator | Power Management (PMIC) | 5 | Active | TheADP170/ADP171/ADP172 are low voltage input, low quiescent current, low-dropout (LDO) linear regulators that operate from 1.6 V to 3.6 V and provide up to 300 mA of output current. The low 50 mV dropout voltage at 300 mA load improves efficiency and allows operation over a wide input voltage range. The low 23 μA of quiescent current at no load makes the ADP172 ideal for battery-operated portable equipment.The ADP172 is capable of 31 fixed-output voltage options, ranging from 0.8 V to 3.0 V. The ADP172 is optimized for stable operation with small 1 μF ceramic output capacitors. Ideal for powering digital processors, the ADP172 exhibits good transient perform- ance and occupies minimal board space. Compared with commodity-type LDOs, the ADP172 provides 20 dB to 40 dB better power supply rejection ratio (PSRR) at 100 kHz, making the ADP172 an ideal power source for analog-to-digital converter (ADC) mixed-signal processor systems and allowing use of smaller size bypass capacitors. In addition, low output noise performance without the need for an additional bypass capacitor further reduces printed circuit board (PCB) component count.Short-circuit protection and thermal overload protection circuits prevent damage in adverse conditions. The ADP172 is available in a tiny 4-ball, 0.5 mm pitch WLCSP for the smallest footprint solution to meet a variety of portable power applications.APPLICATIONSMobile phonesDigital camera and audio devicesPortable and battery-powered equipmentDSP/FPGA/microprocessor suppliesPost dc-to-dc regulation |
| Power Management (PMIC) | 6 | Active | ||