A
Analog Devices
| Series | Category | # Parts | Status | Description |
|---|---|---|---|---|
| Part | Spec A | Spec B | Spec C | Spec D | Description |
|---|---|---|---|---|---|
| Series | Category | # Parts | Status | Description |
|---|---|---|---|---|
| Part | Spec A | Spec B | Spec C | Spec D | Description |
|---|---|---|---|---|---|
| Part | Category | Description |
|---|---|---|
Analog Devices ADM6713RAKSZ-REELObsolete | Integrated Circuits (ICs) | IC SUPERVISOR 1 CHANNEL SC70-4 |
Analog Devices | RF and Wireless | RF AMP SINGLE GENERAL PURPOSE RF AMPLIFIER 20GHZ 3.6V 22-PIN DIE TRAY |
Analog Devices | Integrated Circuits (ICs) | LOW NOISE, SWITCHED CAPACITOR REGULATED VOLTAGE INVERTERS |
Analog Devices | Integrated Circuits (ICs) | QUAD 16-BIT/12-BIT ±10V VOUTSOFTSPAN DACS WITH 10PPM/°C MAX REFERENCE |
Analog Devices | Integrated Circuits (ICs) | SERIAL 14-BIT, 3.5MSPS SAMPLING ADC WITH BIPOLAR INPUTS |
Analog Devices | Integrated Circuits (ICs) | ISOSPI ISOLATED COMMUNICATIONS INTERFACE |
Analog Devices | Integrated Circuits (ICs) | 4.5A, 500KHZ STEP-DOWN SWITCHING REGULATOR |
Analog Devices | Integrated Circuits (ICs) | 300 MA, LOW QUIESCENT CURRENT, ADJUSTABLE OUTPUT, CMOS LINEAR REGULATOR |
Analog Devices AD767KNObsolete | Integrated Circuits (ICs) | IC DAC 12BIT V-OUT 24DIP |
Analog Devices | Integrated Circuits (ICs) | QUAD 12-/10-/8-BIT RAIL-TO-RAIL DACS WITH 10PPM/°C REFERENCE |
| Series | Category | # Parts | Status | Description |
|---|---|---|---|---|
AD922512-Bit , 25 MSPS Monolithic A/D Converter | Analog to Digital Converters (ADC) | 3 | Active | The AD9225 is a monolithic, single supply 12-bit, 25MSPS Analog to Digital Converter with an on-chip, high performance sample-and-hold amplifier and voltage reference. The AD9225 uses a multi-stage differential pipelined architecture with output error correction logic to provide 12-bit accuracy at 25MSPS data rates and guarantees no missing codes over the full operating temperature range.PRODUCT HIGHLIGHTSThe AD9225 is fabricated on a very cost effective CMOS process. High speed precision analog circuits are combined with high density logic circuits.The AD9225 offers a complete, single-chip sampling, 12-bit, 25 MSPS analog-to-digital conversion function in 28-lead SOIC and SSOP packages.Low Power—The AD9225 at 280 mW consumes a fraction of the power presently available in monolithic solutions.On-Board Sample-and-Hold Amplifier (SHA)—The versatile SHA input can be configured for either single-ended or differential inputs.Out-of-Range (OTR)—The OTR output bit indicates when the input signal is beyond the AD9225’s input range.Single Supply—The AD9225 uses a single 5 V power supply, simplifying system power supply design. It also features a separate digital driven supply line to accommodate 3 V and 5 V logic families.Pin Compatibility—The AD9225 is pin compatible with the AD9220, AD9221, AD9223, and AD9224 ADCs. |
AD922612-Bit, 65 MSPS Analog-to-Digital Converter | Integrated Circuits (ICs) | 2 | Active | The AD9226 is a monolithic, single supply, 12-bit, 65Msps, analog-to-digital converter with an on-chip high performance sample and hold amplifier and voltage reference. It uses a multistage differential pipeline architecture at 65 MSPS data rate and guarantees no missing codes over the full operating temperature range.The ADC combines a low cost, high-speed CMOS process and a novel architecture to achieve the resolution and speed of existing bipolar implementations at a fraction of the power consumption cost.The input of the AD9226 allows for easy interfacing to both imaging, ultrasound and communication systems. With a truly differential input structure, the user can select a variety of input ranges and offsets including single-ended applications. The dynamic performance is excellent.The sample-and-hold amplifier is well suited for both multiplexed systems that switch full-scale voltage levels in successive channels and sampling single-channel inputs at frequencies up to and well beyond the Nyquist rate.Fabricated on an advanced CMOS process, the AD9226 is available in a 28-pin thin shrink small outline package (28 TSSOP) and in a 48-pin thin quad flat pack (48-LQFP) specified over the industrial temperature range (-40°C to +85°C). |
AD9228Quad, 12-Bit, 40/65 MSPS Serial LVDS 1.8 V A/D Converter | Evaluation Boards | 4 | Active | The AD9228 is a quad, 12-bit, 40/65 MSPS analog-to-digital converter (ADC) with an on-chip sample-and-hold circuit designed for low cost, low power, small size, and ease of use. The product operates at a conversion rate of up to 65 MSPS and is optimized for outstanding dynamic performance and low power in applications where a small package size is critical.The ADC requires a single 1.8 V power supply and LVPECL-/ CMOS-/LVDS-compatible sample rate clock for full performance operation. No external reference or driver components are required for many applications.The ADC automatically multiplies the sample rate clock for the appropriate LVDS serial data rate. A data clock output (DCO) for capturing data on the output and a frame clock output (FCO) for signaling a new output byte are provided. Individual channel power-down is supported and typically consumes <2 mW when all channels are disabled.The ADC contains several features designed to maximize flexibility and minimize system cost, such as programmable clock and data alignment and programmable digital test pattern generation. The available digital test patterns include built-in deterministic and pseudorandom patterns, along with custom user-defined test patterns entered via the serial port interface (SPI).The AD9228 is available in an RoHS compliant, 48-lead LFCSP. It is specified over the industrial temperature range of −40°C to +85°C.PRODUCT HIGHLIGHTSSmall Footprint. Four ADCs are contained in a small, space-saving package.Low power of 119 mW/channel at 65 MSPS.Ease of Use. A data clock output (DCO) is provided that operates at frequencies of up to 390 MHz and supports double data rate (DDR) operation.User Flexibility. The SPI control offers a wide range of flexible features to meet specific system requirements.Pin-Compatible Family. This includes the AD9287 (8-bit), AD9219 (10-bit), and AD9259 (14-bit).APPLICATIONSMedical imaging and nondestructive ultrasoundPortable ultrasound and digital beam-forming systemsQuadrature radio receiversDiversity radio receiversTape drivesOptical networkingTest equipment |
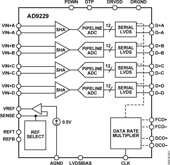
AD9229Quad 12-Bit, 50/65 MSPS, Serial LVDS A/D Converter | Analog to Digital Converters (ADC) | 1 | Obsolete | The AD9229 is a 50 or 65 MSPS quad 12-bit, analog–to–digital converter with serial LVDS outputs. An on–chip track–and–hold circuit is designed for low cost, low power, small size and ease of use. The product operates up to a 65 MSPS conversion rate and is optimized for outstanding dynamic performance where a small package size is critical.The ADC requires a single +3 V power supply. No external reference or driver components are required for many applications. A separate output power supply pin supports LVDS compatible serial digital output levels.The ADC automatically multiplies up the sample rate clock for the appropriate LVDS serial data rate. This data clock output (DCO) provides operation up to 390 MHz and supports double-data rate operation (DDR). An MSB trigger or Frame clock is also provided to signal a new output byte. Power down is supported, and the ADC consumes 3 mW when enabled.Fabricated on an advanced CMOS process, the AD9229 is available in a 48-pin chip scale 7 mm x 7 mm package (48-LFCSP) specified over the industrial temperature range (–40°C to +85°C).ApplicationsDigital beam forming systems for ultrasoundWireless and wired broadband communicationsCommunication test equipment |
AD9230-1112-Bit, 170 MSPS/210 MSPS/250 MSPS, 1.8 V Analog-to-Digital Converter | Development Boards, Kits, Programmers | 3 | Active | The AD9230-11 is an 11-bit monolithic sampling analog-to-digital converter (ADC) optimized for high performance, low power, and ease of use. The product operates at up to a 200 MSPS conversion rate and is optimized for outstanding dynamic performance in wideband carrier and broadband systems. All necessary functions, including a track-and-hold (T/H) amplifier and voltage reference, are included on the chip to provide a complete signal conversion solution.The ADC requires a 1.8 V analog voltage supply and a differential clock for full performance operation. The digital outputs are LVDS (ANSI-644) compatible and support twos complement, offset binary format, or Gray code. A data clock output is available for proper output data timing.Fabricated on an advanced CMOS process, the AD9230-11 is available in a 56-lead lead frame chip scale package, specified over the industrial temperature range (−40°C to +85°C).Product HighlightsHigh Performance. Maintains 62.5 dBFS SNR @ 200 MSPS with a 70 MHz input.Low Power. Consumes only 373 mW @ 200 MSPS.Ease of Use. LVDS output data and output clock signal allow interface to current FPGA technology. The on-chip reference and sample-and-hold provide flexibility in system design. Use of a single 1.8 V supply simplifies system power supply design.Serial Port Control. Standard serial port interface (SPI) supports various product functions, such as data formatting, disabling the clock duty cycle stabilizer, power-down, gain adjust, and output test pattern generation.Pin-Compatible Family. 10-bit and 12-bit pin-compatible family offered asAD9211andAD9230.ApplicationsWireless and wired broadband communicationsCable reverse pathCommunications test equipmentRadar and satellite subsystemsPower amplifier linearization |
AD923112-Bit, 20 MSPS/40 MSPS/65 MSPS/80 MSPS, 1.8 V Dual Analog-to-Digital Converter | Data Acquisition | 4 | Active | The AD9231 is a monolithic, dual-channel, 1.8 V supply, 12-bit, 20 MSPS / 40 MSPS / 65 MSPS/80 MSPS analog-to-digital converter (ADC). It features a high performance sample-and-hold circuit and on-chip voltage reference.The product uses multistage differential pipeline architecture with output error correction logic to provide 12-bit accuracy at 80 MSPS data rates and to guarantee no missing codes over the full operating temperature range.The ADC contains several features designed to maximize flexibility and minimize system cost, such as programmable clock and data alignment and programmable digital test pattern generation. The available digital test patterns include built-in deterministic and pseudorandom patterns, along with custom user-defined test patterns entered via the serial port interface (SPI).A differential clock input controls all internal conversion cycles. An optional duty cycle stabilizer (DCS) compensates for wide variations in the clock duty cycle while maintaining excellent overall ADC performance.The digital output data is presented in offset binary, gray code, or twos complement format. A data output clock (DCO) is provided for each ADC channel to ensure proper latch timing with receiving logic. Both 1.8 V and 3.3 V CMOS levels are supported, and output data can be multiplexed onto a single output bus.The AD9231 is available in a 64-lead RoHS compliant LFCSP and is specified over the industrial temperature range (−40°C to +85°C).PRODUCT HIGHLIGHTSThe AD9231 operates from a single 1.8 V analog power supply and features a separate digital output driver supply to accommodate 1.8 V to 3.3 V logic families.The patented sample-and-hold circuit maintains excellent performance for input frequencies up to 200 MHz and is designed for low cost, low power, and ease of use.A standard serial port interface supports various product features and functions, such as data output formatting, internal clock divider, power-down, DCO/DATA timing and offset adjustments, and voltage reference modes.The AD9231 is packaged in a 64-lead RoHS compliant LFCSP that is pin compatible with the AD9268 16-bit ADC, the AD9258 14-bit ADC, the AD9251 14-bit ADC, and the AD9204 10-bit ADC, enabling a simple migration path between 10-bit and 16-bit converters sampling from 20 MSPS to 125 MSPS.APPLICATIONSCommunicationsDiversity radio systemsMultimode digital receiversGSM, EDGE, W-CDMA, LTE, CDMA2000, WiMAX, TD-SCDMAI/Q demodulation systemsSmart antenna systemsBattery-powered instrumentsHand held scope metersPortable medical imagingUltrasoundRadar/LIDAR |
| Integrated Circuits (ICs) | 6 | Active | ||
| Data Acquisition | 11 | Active | ||
AD923612-Bit, 80 MSPS, 3 V A/D Converter | Data Acquisition | 3 | Active | The AD9236 is a monolithic, single 3V supply, 12-bit, 80 MSPS analog-to-digital converter with a high performance sample-and-hold (SHA) amplifier and voltage reference. The AD9236 uses a multi-stage differential pipelined architecture with output error correction logic to provide 12-bit accuracy at 80 MSPS data rates and guarantee no missing codes over the full operating temperature range.The wide bandwidth, truly differential SHA allows for a variety of user-selectable input ranges and offsets including single-ended applications. It is suitable for multiplexed systems that switch full-scale voltage levels in successive channels and for sampling single-channel inputs at frequencies well beyond the Nyquist rate. With power savings over previously available ADCs, the AD9236 is suitable for applications in communications, imaging, and medical ultrasound.A single-ended clock input is used to control all internal conversion cycles. A duty cycle stabilizer (DCS) compensates for wide variations in the clock duty cycle while maintaining excellent performance. The digital output data is presented in straight binary or twos complement formats. An out-of-range (OTR) signal indicates an overflow condition, which can be used with the most significant bit to determine low or high overflow.Fabricated on an advanced CMOS process, the AD9236 is available in a 28-lead TSSOP and a 32-lead LFCSP and is specified over the industrial temperature range (-40°C to +85°C).APPLICATIONSHigh end medical imaging equipmentIF sampling in communications receiversBattery-powered instrumentsHand-held scopemetersLow cost digital oscilloscopesDTV subsystemsPRODUCT HIGHLIGHTSThe AD9236 operates from a single 3 V power supply and features a separate digital output driver supply to accommodate 2.5 V and 3.3 V logic families.Operating at 80 MSPS, the AD9236 consumes a low 366 mW.The patented SHA input maintains excellent performance for input frequencies up to 100 MHz, and can be configured for single-ended or differential operation.The AD9236 is pin compatible with the AD9215, AD9235, and AD9245. This allows a simplified migration from 10 bits to 14 bits and 20 MSPS to 80 MSPS.The DCS maintains overall ADC performance over a wide range of clock pulse widths. 6. The OTR output bit indicates when the signal is beyond the selected input range. |
AD923712-Bit, 20/40/65 MSPS 3 V Low Power A/D Converter | Integrated Circuits (ICs) | 2 | Active | The AD9237 is a monolithic, single 3 V supply, 12-bit, 20/40/65 MSPS Analog to Digital Converter with a high performance sample-and-hold amplifier and voltage reference. The AD9237 uses a multistage differential pipelined architecture with output error correction logic to provide 12-bit accuracy at 20/40/65 MSPS data rates and guarantee no missing codes over the full operating temperature range.The wide bandwidth, truly differential SHA allows for a variety of user-selectable input ranges and offsets including single-ended applications. It is suitable for multiplexed systems that switch full-scale voltage levels in successive channels and for sampling single-channel inputs at frequencies well beyond the Nyquist rate. With significant power savings over previously available analog to digital converters, the AD9237 is suitable for applications imaging and medical ultrasound.A single-ended clock input is used to control all internal conversion cycles. The digital output data is presented in straight binary, twos complement, or gray code formats. An out-of-range (OTR) signal indicates an overflow condition, which can be used with the most significant bit to determine low or high overflow.Fabricated on an advanced CMOS process, the AD9237 is available in a 32-pin chip scale package and is specified over the industrial temperature range (-40°C to +85°C).PRODUCT HIGHLIGHTSOperating at 65 MSPS, the AD9237 consumes a low 190 mW and only consumes 135 mW at 40 MSPS and 90 mW at 20 MSPS.The AD9237 operates from a single 3V power supply, and features a separate digital output driver supply to accommodate 2.5V and 3.3V logic families.The patented SHA input maintains excellent performance for input frequencies beyond Nyquist, and can be configured for single-ended or differential operation.The AD9237 is pin compatible to the AD9235, a 12-bit, 20/40/65 MSPS A/D converter. This allows a simplified path for low power 12-bit systems.The AD9237 is optimized for selectable and flexible input ranges from 4 Vp-pto 1 Vp-p.Output Enable pin to allow for multiplexing of the outputs.Two-step power down supports a standby mode in addition to a power down mode.The OTR output bit indicates when the signal is beyond the selected input range.The clock duty cycle stabilizer (DCS) maintains converter performance over a wide range of clock pulse widths.APPLICATIONSUltrasound and Medical ImagingBattery Powered InstrumentsHand-Held ScopemetersLow Cost Digital OscilloscopesLow Power Digital Still Cameras and CopiersLow power communications |