A
Analog Devices
| Series | Category | # Parts | Status | Description |
|---|---|---|---|---|
| Part | Spec A | Spec B | Spec C | Spec D | Description |
|---|---|---|---|---|---|
| Series | Category | # Parts | Status | Description |
|---|---|---|---|---|
| Part | Spec A | Spec B | Spec C | Spec D | Description |
|---|---|---|---|---|---|
| Part | Category | Description |
|---|---|---|
Analog Devices ADM6713RAKSZ-REELObsolete | Integrated Circuits (ICs) | IC SUPERVISOR 1 CHANNEL SC70-4 |
Analog Devices | RF and Wireless | RF AMP SINGLE GENERAL PURPOSE RF AMPLIFIER 20GHZ 3.6V 22-PIN DIE TRAY |
Analog Devices | Integrated Circuits (ICs) | LOW NOISE, SWITCHED CAPACITOR REGULATED VOLTAGE INVERTERS |
Analog Devices | Integrated Circuits (ICs) | QUAD 16-BIT/12-BIT ±10V VOUTSOFTSPAN DACS WITH 10PPM/°C MAX REFERENCE |
Analog Devices | Integrated Circuits (ICs) | SERIAL 14-BIT, 3.5MSPS SAMPLING ADC WITH BIPOLAR INPUTS |
Analog Devices | Integrated Circuits (ICs) | ISOSPI ISOLATED COMMUNICATIONS INTERFACE |
Analog Devices | Integrated Circuits (ICs) | 4.5A, 500KHZ STEP-DOWN SWITCHING REGULATOR |
Analog Devices | Integrated Circuits (ICs) | 300 MA, LOW QUIESCENT CURRENT, ADJUSTABLE OUTPUT, CMOS LINEAR REGULATOR |
Analog Devices AD767KNObsolete | Integrated Circuits (ICs) | IC DAC 12BIT V-OUT 24DIP |
Analog Devices | Integrated Circuits (ICs) | QUAD 12-/10-/8-BIT RAIL-TO-RAIL DACS WITH 10PPM/°C REFERENCE |
| Series | Category | # Parts | Status | Description |
|---|---|---|---|---|
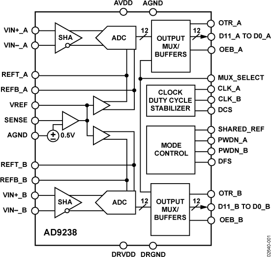
AD923812-Bit, 20 MSPS/40 MSPS/65 MSPS, Dual A/D Converter | Integrated Circuits (ICs) | 8 | Active | The AD9238 is a dual, 3 V, 12-bit, 20/40/65 MSPS analog to digital converter. It features dual high performance sample-and-hold amplifiers and an integrated voltage reference. The AD9238 uses a multistage differential pipelined architecture with output error correction logic to provide 12-bit accuracy and guarantee no missing codes over the full operating temperature range at up to 65 MSPS data rates.The wide bandwidth, differential SHA allows for a variety of user-selectable input ranges and offsets including single-ended applications. It is suitable for various applications including multiplexed systems that switch full-scale voltage levels in successive channels and for sampling inputs at frequencies well beyond the Nyquist rate. The AD9238 is suitable for applications in communications, imaging and medical ultrasound.Dual single-ended independent clock inputs are used to control all internal conversion cycles. A Duty Cycle Stabilizer (DCS) is available on the AD9238-65 and can compensate for wide variations in the clock duty cycle, allowing the converters to maintain excellent performance. The digital output data is presented in either straight binary or twos complement format. Out-of-range signals indicate an overflow condition, which can be used with the most significant bit to determine low or high overflow.Fabricated on an advanced CMOS process, the AD9238 is available in either a space saving 64-pin LQFP or 64-pin LF-CSP and is specified over the industrial temperature range (-40°C to +85°C).PRODUCT HIGHLIGHTSPin-compatible with the AD9248, 14-bit 20MSPS/ 40 MSPS/65 MSPS ADC.Speed grade options of 20 MSPS, 40 MSPS, and 65 MSPS allow flexibility between power, cost, and performance to suit an application.Low power consumption: AD9238-65: 65 MSPS = 600 mW, AD9238-40: 40 MSPS = 330 mW, and AD9238-20: 20 MSPS = 180 mW.Typical channel isolation of 85 dB at fIN = 10 MHz.The clock duty cycle stabilizer (AD9238-20/AD9238-40/ AD9238-65) maintains performance over a wide range of clock duty cycles.Multiplexed data output option enables single-port operation from either Data Port A or Data Port B.APPLICATIONSUltrasound equipmentDirect conversion or IF sampling receiversWB-CDMA, CDMA2000, WiMAXBattery-powered instrumentsHand-held scopemetersLow cost, digital oscilloscopes |
AD9239Quad, 12-Bit, 170 MSPS/210 MSPS/250 MSPS Serial Output 1.8 V ADC | Data Acquisition | 1 | Active | The AD9239 is a quad, 12-bit, 250 MSPS analog-to-digital converter (ADC) with an on-chip temperature sensor and a high speed serial interface. It is designed to support digitizing high frequency, wide dynamic range signals with an input bandwidth up to 780 MHz. The output data are serialized and presented in packet format, consisting of channel-specific information, coded samples, and error correction code.The ADC requires a single 1.8 V power supply and the input clock may be driven differentially with a sine wave, LVPECL, TTL, or LVDS. A clock duty cycle stabilizer allows high performance at full speed with a wide range of clock duty cycles. The on-chip reference eliminates the need for external decoupling and can be adjusted by means of SPI control.Various power-down and standby modes are supported. The ADC typically consumes 145 mW per channel with the digital link still in operation when standby operation is enabled.Fabricated on an advanced CMOS process, the AD9239 is avail-able in a Pb-free/RoHS-compliant, 72-lead LFCSP package. It is specified over the industrial temperature range of −40°C to +85°C.Product HighlightsFour ADCs are contained in a small, space-saving package.An on-chip PLL allows users to provide a single ADC sampling clock, and the PLL distributes and multiplies up to produce the corresponding data rate clock.Coded data rate supports up to 4.0 Gbps per channel. Coding includes scrambling to ensure proper dc common mode, embedded clock, and error correction.The AD9239 operates from a single 1.8 V power supply.Flexible synchronization schemes and programmable mode pins.On-chip temperature sensor.ApplicationsCommunication receiversCable head end equipment/M-CMTSBroadband radiosWireless infrastructure transceiversRadar/military-aerospace subsystemsTest equipment |
AD9240Complete 14-Bit, 10 MSPS Monolithic A/D Converter | Analog to Digital Converters (ADC) | 3 | Active | The AD9240 is a 10 MSPS, single supply, 14-bit analog-to- digital converter (ADC). It combines a low cost, high speed CMOS process and a novel architecture to achieve the resolution and speed of existing hybrid implementations at a fraction of the power consumption and cost. It is a complete, monolithic ADC with an on-chip, high performance, low noise sample-and-hold amplifier and programmable voltage reference. An external reference can also be chosen to suit the dc accuracy and temperature drift requirements of the application. The device uses a multistage differential pipelined architecture with digital output error correction logic to guarantee no missing codes over the full operating temperature range.The input of the AD9240 is highly flexible, allowing for easy interfacing to imaging, communications, medical and data-acquisition systems. A truly differential input structure allows for both single-ended and differential input interfaces of varying input spans. The sample-and-hold amplifier (SHA) is equally suited for multiplexed systems that switch full-scale voltage levels in successive channels as well as sampling single-channel inputs at frequencies up to and beyond the Nyquist rate. The AD9240 also performs well in communication systems employing Direct-IF Down Conversion, since the SHA in the differential input mode can achieve excellent dynamic performance well beyond its specified Nyquist frequency of 5 MHz.A single clock input is used to control all internal conversion cycles. The digital output data is presented in straight binary output format. An out-of-range (OTR) signal indicates an overflow condition which can be used with the most significant bit to determine low or high overflow.PRODUCT HIGHLIGHTSThe AD9240 offers a complete single-chip sampling 14-bit, analog-to-digital conversion function in a 44-lead Metric Quad Flatpack.Low Power and Single SupplyThe AD9240 consumes only 280 mW on a single +5 V power supply.Excellent DC Performance Over TemperatureThe AD9240 provides no missing codes, and excellent temperature drift performance over the full operating temperature range.Excellent AC Performance and Low NoiseThe AD9240 provides nearly 13 ENOB performance and has an input referred noise of 0.36 LSB rms.Flexible Analog Input RangeThe versatile onboard sample-and-hold (SHA) can be configured for either single ended or differential inputs of varying input spans.Flexible Digital OutputsThe digital outputs can be configured to interface with +3 V and +5 V CMOS logic families.Excellent Undersampling PerformanceThe full power bandwidth and dynamic range of the AD9240 make it well suited for Direct-IF Down Conversion extending to 45 MHz. |
AD9241Complete 14-Bit, 1.25 MSPS Monolithic A/D Converter | Data Acquisition | 1 | Obsolete | The AD9241 is a 1.25 MSPS, single supply, 14-bit analog-to- digital converter (ADC). It combines a low cost, high speed CMOS process and a novel architecture to achieve the resolution and speed of existing hybrid implementations at a fraction of the power consumption and cost. It is a complete, monolithic ADC with an on-chip, high performance, low noise sample-and-hold amplifier and programmable voltage reference. An external reference can also be chosen to suit the dc accuracy and temperature drift requirements of the application. The device uses a multistage differential pipelined architecture with digital output error correction logic to guarantee no missing codes over the full operating temperature range.The input of the AD9241 is highly flexible, allowing for easy interfacing to imaging, communications, medical, and data-acquisition systems. A truly differential input structure allows for both single-ended and differential input interfaces of varying input spans. The sample-and-hold amplifier (SHA) is equally suited for both multiplexed systems that switch full-scale voltage levels in successive channels as well as sampling single-channel inputs at frequencies up to and beyond the Nyquist rate. Also, the AD9241 performs well in communication systems employing Direct-IF Down Conversion since the SHA in the differential input mode can achieve excellent dynamic performance well beyond its specified Nyquist frequency of 0.625 MHz.A single clock input is used to control all internal conversion cycles. The digital output data is presented in straight binary output format. An out-of-range (OTR) signal indicates an overflow condition which can be used with the most significant bit to determine low or high overflow.PRODUCT HIGHLIGHTSThe AD9241 offers a complete single-chip sampling 14-bit, analog-to-digital conversion function in a 44-pin Metric Quad Flatpack.Low Power and Single SupplyThe AD9241 consumes only 60 mW on a single +5 V power supply.Excellent DC Performance Over TemperatureThe AD9241 provides no missing codes, and excellent temperature drift performance over the full operating temperature range.Excellent AC Performance and Low NoiseThe AD9241 provides nearly 13 ENOB performance and has an input referred noise of 0.36 LSB rms.Flexible Analog Input RangeThe versatile onboard sample-and-hold (SHA) can be configured for either single-ended or differential inputs of varying input spans.Flexible Digital OutputsThe digital outputs can be configured to interface with +3 V and +5 V CMOS logic families. |
AD9243Complete 14-Bit, 3 MSPS Monolithic A/D Converter | Integrated Circuits (ICs) | 1 | Active | The AD9243 is a 3 MSPS, single supply, 14-bit analog-to- digital converter (ADC). It combines a low cost, high speed CMOS process and a novel architecture to achieve the resolution and speed of existing hybrid implementations at a fraction of the power consumption and cost. It is a complete, monolithic ADC with an on-chip, high performance, low noise sample-and-hold amplifier and programmable voltage reference. An external reference can also be chosen to suit the dc accuracy and temperature drift requirements of the application. The device uses a multistage differential pipelined architecture with digital output error correction logic to guarantee no missing codes over the full operating temperature range.The input of the AD9243 is highly flexible, allowing for easy interfacing to imaging, communications, medical, and data- acquisition systems. A truly differential input structure allows for both single-ended and differential input interfaces of varying input spans. The sample-and-hold amplifier (SHA) is equally suited for both multiplexed systems that switch full-scale voltage levels in successive channels as well as sampling single-channel inputs at frequencies up to and beyond the Nyquist rate. Also, the AD9243 performs well in communication systems employing Direct-IF Down Conversion since the SHA in the differential input mode can achieve excellent dynamic performancewell beyondits specified Nyquist frequency of 1.5 MHz.A single clock input is used to control all internal conversion cycles. The digital output data is presented in straight binary output format. An out-of-range (OTR) signal indicates an over-flow condition which can be used with the most significant bit to determine low or high overflow. |
AD924414-Bit 40/65 MSPS IF Sampling Analog-To-Digital Converter | Data Acquisition | 1 | Active | The AD9244 is a monolithic, single 5 V supply, 14-bit, 65 MSPS analog-to-digital converter with an on-chip, high performance, sample and hold amplifier and voltage reference. The AD9244 uses a multi-stage differential pipelined architecture with output error correction logic to provide 14-bit accuracy at 65 MSPS data rates and guarantees no missing codes over the full operating temperature range.The AD9244 has an on-board, programmable voltage reference. An external reference can also be chosen to suit the DC accuracy and temperature drift requirements of the application.A differential clock input is used to control all internal conversion cycles. The digital output data can be presented in straight binary or in twos complement format. An out of range (OTR) signal indicates an overflow condition, which can be used with the most significant bit to determine low or high overflow.Fabricated on an advanced CMOS process, the AD9244 is available in a 48 pin surface mount plastic package (48-LQFP) and is specified for operation over the industrial temperature range of (-40°C to +85°C). |
AD924514-Bit, 20 MSPS/40 MSPS/65 MSPS/80 MSPS 3 V A/D Converter | Integrated Circuits (ICs) | 3 | Active | The AD9245 is a monolithic, single 3 V supply, 14-bit, 20 MSPS/40 MSPS/65 MSPS/80 MSPS analog-to-digital (ADC) converter featuring a high performance sample-and-hold amplifier (SHA) and voltage reference. The AD9245 uses a multistage differential pipelined architecture with output error correction logic to provide 14-bit accuracy and guarantee no missing codes over the full operating temperature range.The wide bandwidth, truly differential SHA allows a variety of user-selectable input ranges and common modes, including single-ended applications. It is suitable for multiplexed systems that switch full-scale voltage levels in successive channels and for sampling single-channel inputs at frequencies well beyond the Nyquist rate. Combined with power and cost savings over previously available analog-to-digital converters, the AD9245 is suitable for applications in communications, imaging, and medical ultrasound.A single-ended clock input is used to control all internal con-version cycles. A duty cycle stabilizer (DCS) compensates for wide variations in the clock duty cycle while maintaining excellent overall ADC performance. The digital output data is presented in straight binary or twos complement formats. An out-of-range (OTR) signal indicates an overflow condition that can be used with the most significant bit to determine low or high overflow. Fabricated on an advanced CMOS process, the AD9245 is available in a 32-lead LFCSP and is specified over the industrial temperature range (–40°C to +85°C).PRODUCT HIGHLIGHTSThe AD9245 operates from a single 3 V power supply and features a separate digital output driver supply to accommodate 2.5 V and 3.3 V logic families.The patented SHA input maintains excellent performance for input frequencies up to 100 MHz and can be configured for single-ended or differential operation.The AD9245 is pin-compatible with the AD9215, AD9235, and AD9236. This allows a simplified migration from 10 bits to 14 bits and 20 MSPS to 80 MSPS.The clock DCS maintains overall ADC performance over a wide range of clock pulse widths.The OTR output bit indicates when the signal is beyond the selected input range.APPLICATIONSMedical imaging equipmentIF sampling in communications receiversWCDMA, CDMA-One, CDMA-2000, and TDS-CDMABattery-powered instrumentsHand-held scopemetersSpectrum analyzersPower-sensitive military applications |
AD924614-Bit, 80 MSPS/105 MSPS/125 MSPS, 1.8 V Analog-to-Digital Converter | Analog to Digital Converters (ADCs) | 6 | Active | The AD9246 is a monolithic, single 1.8 V supply, 14-bit, 80 MSPS/ 105 MSPS/125 MSPS analog-to-digital converter (ADC), featuring a high performance sample-and-hold amplifier (SHA) and on-chip voltage reference. The product uses a multistage differential pipeline architecture with output error correction logic to provide 14-bit accuracy at 125 MSPS data rates and guarantees no missing codes over the full operating temperature range.The wide bandwidth, truly differential SHA allows a variety of user-selectable input ranges and offsets, including single-ended applications. It is suitable for multiplexed systems that switch full-scale voltage levels in successive channels and for sampling single-channel inputs at frequencies well beyond the Nyquist rate. Combined with power and cost savings over previously available ADCs, the AD9246 is suitable for applications in communications, imaging, and medical ultrasound.A differential clock input controls all internal conversion cycles. A duty cycle stabilizer (DCS) compensates for wide variations in the clock duty cycle while maintaining excellent overall ADC performance.The digital output data is presented in offset binary, Gray code, or twos complement formats. A data output clock (DCO) is provided to ensure proper latch timing with receiving logic.The AD9246 is available in a 48-lead LFCSP_VQ and is specified over the industrial temperature range (−40°C to +85°C).PRODUCT HIGHLIGHTSThe AD9246 operates from a single 1.8 V power supply and features a separate digital output driver supply to accommodate 1.8 V to 3.3 V logic families.The patented SHA input maintains excellent performance for input frequencies up to 225 MHz.The clock DCS maintains overall ADC performance over a wide range of clock pulse widths.A standard serial port interface supports various product features and functions, such as data formatting (offset binary, twos complement, or Gray coding), enabling the clock DCS, power-down, and voltage reference mode.The AD9246 is pin-compatible with the AD9233, allowing a simple migration from 12 bits to 14 bits.APPLICATIONSUltrasound equipmentIF sampling in communications receiversIS-95, CDMA-One, IMT-2000Battery-powered instrumentsHand-held scopemetersLow cost digital oscilloscopes |
AD9248Dual 14-Bit, 20/40/65 MSPS, 3 V Analog-to-Digital Converter | Analog to Digital Converters (ADC) | 3 | Active | The AD9248 is a dual, 3 V, 14-bit, 20/40/65 MSPS analog to digital converter. It features dual high performance sample-and-hold amplifiers and an integrated voltage reference. The AD9248 uses a multistage differential pipelined architecture with output error correction logic to provide 14-bit accuracy and guarantee no missing codes over the full operating temperature range at up to 65 MSPS data rates.The wide bandwidth, differential SHA allows for a variety of user-selectable input ranges and offsets including single-ended applications. It is suitable for various applications including multiplexed systems that switch full-scale voltage levels in successive channels and for sampling inputs at frequencies well beyond the Nyquist rate. The AD9248 is suitable for applications in communications, imaging and medical ultrasound.Dual single-ended independent clock inputs are used to control all internal conversion cycles. A Duty Cycle Stabilizer (DCS) is available on the AD9248-65 and can compensate for wide variations in the clock duty cycle, allowing the converters to maintain excellent performance. The digital output data is presented in either straight binary or twos complement format. Out-of-range signals indicate an overflow condition, which can be used with the most significant bit to determine low or high overflow.Fabricated on an advanced CMOS process, the AD9248 is available in a space saving 64-pin LQFP and is pin compatible to the AD9238. It is specified over the industrial temperature range (-40°C to +85°C).APPLICATIONSUltrasound equipmentDirect conversion or IF sampling receiversWB-CDMA, CDMA2000,WiMAXBattery-powered instrumentsHand-held scopemetersLow cost digital oscilloscopes |
AD924916 Channel 14-Bit, 65 MSPS, Serial LVDS, 1.8 V A/D Converter | Analog to Digital Converters (ADCs) Evaluation Boards | 1 | Active | The AD9249 is a 16-channel, 14-bit, 65 MSPS analog-to-digital converter (ADC) with an on-chip sample-and-hold circuit that is designed for low cost, low power, small size, and ease of use. The device operates at a conversion rate of up to 65 MSPS and is optimized for outstanding dynamic performance and low power in applications where a small package size is critical.The ADC requires a single 1.8 V power supply and an LVPECL-/ CMOS-/LVDS-compatible sample rate clock for full performance operation. No external reference or driver components are required for many applications.The AD9249 automatically multiplies the sample rate clock for the appropriate LVDS serial data rate. Data clock outputs (DCO±1, DCO±2) for capturing data on the output and frame clock outputs (FCO±1, FCO±2) for signaling a new output byte are provided. Individual channel power-down is supported, and the device typically consumes less than 2 mW when all channels are disabled.The ADC contains several features designed to maximize flexibility and minimize system cost, such as programmable clock and data alignment and programmable digital test pattern generation.The available digital test patterns include built-in deterministic and pseudorandom patterns, along with custom user-defined test patterns entered via the serial port interface (SPI).The AD9249 is available in an RoHS-compliant, 144-ball CSP-BGA. It is specified over the industrial temperature range of −40°C to +85°C. This product is protected by a U.S. patent.PRODUCT HIGHLIGHTSSmall Footprint. Sixteen ADCs are contained in a small, 10 mm × 10 mm package.Low Power of 35 mW/Channel at 20 MSPS with scalable power options.Ease of Use. Data clock outputs (DCO±1, DCO±2) operate at frequencies of up to 455 MHz and support double data rate (DDR) operation.User Flexibility. SPI control offers a wide range of flexible features to meet specific system requirements.APPLICATIONSMedical imagingCommunications receiversMultichannel data acquisition |