A
Analog Devices
| Series | Category | # Parts | Status | Description |
|---|---|---|---|---|
| Part | Spec A | Spec B | Spec C | Spec D | Description |
|---|---|---|---|---|---|
| Series | Category | # Parts | Status | Description |
|---|---|---|---|---|
| Part | Spec A | Spec B | Spec C | Spec D | Description |
|---|---|---|---|---|---|
| Part | Category | Description |
|---|---|---|
Analog Devices ADM6713RAKSZ-REELObsolete | Integrated Circuits (ICs) | IC SUPERVISOR 1 CHANNEL SC70-4 |
Analog Devices | RF and Wireless | RF AMP SINGLE GENERAL PURPOSE RF AMPLIFIER 20GHZ 3.6V 22-PIN DIE TRAY |
Analog Devices | Integrated Circuits (ICs) | LOW NOISE, SWITCHED CAPACITOR REGULATED VOLTAGE INVERTERS |
Analog Devices | Integrated Circuits (ICs) | QUAD 16-BIT/12-BIT ±10V VOUTSOFTSPAN DACS WITH 10PPM/°C MAX REFERENCE |
Analog Devices | Integrated Circuits (ICs) | SERIAL 14-BIT, 3.5MSPS SAMPLING ADC WITH BIPOLAR INPUTS |
Analog Devices | Integrated Circuits (ICs) | ISOSPI ISOLATED COMMUNICATIONS INTERFACE |
Analog Devices | Integrated Circuits (ICs) | 4.5A, 500KHZ STEP-DOWN SWITCHING REGULATOR |
Analog Devices | Integrated Circuits (ICs) | 300 MA, LOW QUIESCENT CURRENT, ADJUSTABLE OUTPUT, CMOS LINEAR REGULATOR |
Analog Devices AD767KNObsolete | Integrated Circuits (ICs) | IC DAC 12BIT V-OUT 24DIP |
Analog Devices | Integrated Circuits (ICs) | QUAD 12-/10-/8-BIT RAIL-TO-RAIL DACS WITH 10PPM/°C REFERENCE |
| Series | Category | # Parts | Status | Description |
|---|---|---|---|---|
AD9152Dual, 16-Bit, 2.25 GSPS, TxDAC+ Digital-to-Analog Converter | Development Boards, Kits, Programmers | 2 | Active | The AD9152 is a dual, 16-bit, high dynamic range digital-to-analog converter (DAC) that provides a maximum sample rate of 2.25 GSPS, permitting a multicarrier generation up to the Nyquist frequency. The DAC outputs are optimized to interface seamlessly with the ADRF6720 analog quadrature modulator (AQM) from Analog Devices, Inc. An optional 3-wire or 4-wire serial port interface (SPI) provides for programming/readback of many internal parameters. The full-scale output current can be programmed over a range of 4 mA to 20 mA. The AD9152 is available in a 56-lead LFCSP. The AD9152 is a member of the TxDAC+®family.PRODUCT HIGHLIGHTSUltrawide signal bandwidth enables emerging wideband and multiband wireless applications.Advanced low spurious and distortion design techniques provide high quality synthesis of wideband signals from baseband to high intermediate frequencies.JESD204B Subclass 1 support simplifies multichip synchronization in software and hardware design.Fewer pins for data interface width with the serializer/deserializer (SERDES) JESD204B four-lane interface.Programmable transmit enable function allows easy design balance between power consumption and wake-up time.Small package size with an 8 mm × 8 mm footprint.APPLICATIONSWireless communicationsMulticarrier LTE and GSM base stationsWideband repeatersSoftware defined radiosWideband communicationsPoint to point microwave radiosLMDS/MMDSTransmit diversity, multiple input/multiple output (MIMO)InstrumentationAutomated test equipment |
AD9154Quad, 16-Bit, 2.4 GSPS, TxDAC+®Digital-to-Analog Converter | Data Acquisition | 2 | Active | The AD9154 is a quad, 16-bit, high dynamic range digital-to-analog converter (DAC) that provides a maximum sample rate of 2.4 GSPS, permitting multicarrier generation up to the Nyquist frequency in baseband mode. The AD9154 includes features optimized for direct conversion transmit applications including complex digital modulation, input signal power detection, and gain, phase, and offset compensation. The DAC outputs are optimized to interface seamlessly with the ADRF6720-27 radio frequency quadrature modulator (AQM) from Analog Devices, Inc. In mix mode, the AD9154 DAC can reconstruct carriers in the second and third Nyquist Zones. A serial port interface (SPI) provides the programming/readback of internal parameters. The full-scale output current can be programmed over a range of 4 mA to 20 mA. The AD9154 is available in two different 88-lead LFCSP packages.Product HighlightsUltrawide signal bandwidth enables emerging wideband and multiband wireless applications.Advanced low spurious and distortion design techniques provide high quality synthesis of wideband signals from baseband to high intermediate frequencies.JESD204B Subclass 1 support simplifies multichip synchronization.Small package size with a 12 mm × 12 mm footprint.ApplicationsWireless communicationsMulticarrier LTE and GSM base stationsWideband repeatersSoftware defined radiosWideband communicationsPoint to point microwave radioTransmit diversity, multiple input/multiple output (MIMO)InstrumentationAutomated test equipment |
AD916216-Bit, 12 GSPS, RF Digital-to-Analog Converters | Digital to Analog Converters (DACs) | 6 | Active | The AD9162 is a high performance, 16-bit digital-to-analog converter (DAC) that supports data rates to 6 GSPS. The DAC core is based on a quad-switch architecture coupled with a 2× interpolator filter that enables an effective DAC update rate of up to 12 GSPS in some modes. The high dynamic range and bandwidth makes these DACs ideally suited for the most demanding high speed radio frequency (RF) DAC applications.In baseband mode, wide bandwidth capability combines with high dynamic range to support DOCSIS 3.1 cable infrastructure compliance from the minimum of two carriers to full maximum spectrum of 1.794 GHz. A 2× interpolator filter (FIR85) enables theAD9161/AD9162 to be configured for lower data rates and converter clocking to reduce the overall system power and ease the filtering requirements. In Mix-Mode™operation, the AD9161/AD9162 can reconstruct RF carriers in the second and third Nyquist zones up to 7.5 GHz while still maintaining exceptional dynamic range. The output current can be programmed from 8 mA to 38.76 mA. The AD9161/AD9162 data interface consists of up to eight JESD204B serializer/deserializer (SERDES) lanes that are programmable in terms of lane speed and number of lanes to enable application flexibility.A serial peripheral interface (SPI) can configure the AD9161/AD9162 and monitor the status of all registers. The AD9161/AD9162 are offered in an 165-ball, 8.0 mm × 8.0 mm, 0.5 mm pitch, CSP_BGA package and in an 169-ball, 11 mm × 11 mm, 0.8 mm pitch, CSP_BGA package, including a leaded ball option for the AD9162.Product HighlightsHigh dynamic range and signal reconstruction bandwidth supports RF signal synthesis of up to 7.5 GHz.Up to eight lanes JESD204B SERDES interface flexible in terms of number of lanes and lane speed.Bandwidth and dynamic range to meet DOCSIS 3.1 compliance with margin.ApplicationsBroadband communications systemsDOCSIS 3.1 cable modem termination system (CMTS)/video on demand (VOD)/edge quadrature amplitude modulation (EQAM)Wireless communications infrastructureW-CDMA, LTE, LTE-A, point to pointInstrumentation, automatic test equipment (ATE)Radars and jammers |
| Digital to Analog Converters (DAC) | 3 | Active | ||
AD916416-Bit, 12 GSPS, RF DAC and Direct Digital Synthesizer | Data Acquisition | 3 | Active | The AD91641is a high performance, 16-bit digital-to-analog converter (DAC) and direct digital synthesizer (DDS) that supports update rates to 6 GSPS. The DAC core is based on a quad-switch architecture coupled with a 2× interpolator filter that enables an effective DAC update rate of up to 12 GSPS in some modes. The high dynamic range and bandwidth makes these DACs ideally suited for the most demanding high speed radio frequency (RF) DAC applications.The DDS consists of a bank of 32, 32-bit numerically controlled oscillators (NCOs), each with its own phase accumulator.When combined with a 100 MHz serial peripheral interface (SPI) and fast hop modes, phase coherent fast frequency hopping (FFH) is enabled, with several modes to support multiple applications.In baseband mode, wide analog bandwidth capability combines with high dynamic range to support DOCSIS 3.1 cable infrastructure compliance from the minimum of one carrier up to the full maximum spectrum of 1.791 GHz of signal bandwidth. A 2× interpolator filter (FIR85) enables the AD9164 to be configured for lower data rates and converter clocking to reduce the overall system power and ease the filtering requirements. In Mix-Mode™operation, the AD9164 can reconstruct RF carriers in the second and third Nyquist zones up to 7.5 GHz while still maintaining exceptional dynamic range. The output current can be programmed from 8 mA to 38.76 mA. The AD9164 data interface consists of up to eight JESD204B serializer/deserializer (SERDES) lanes that are programmable in terms of lane speed and number of lanes to enable application flexibility.An SPI interface configures the AD9164 and monitors the status of all registers. The AD9164 is offered in a 165-ball, 8 mm × 8 mm, 0.5 mm pitch CSP_BGA package, and a 169-ball, 11 mm × 11 mm, 0.8 mm pitch, CSP_BGA package, including a leaded ball option.Product HighlightsHigh dynamic range and signal reconstruction bandwidth supports RF signal synthesis of up to 7.5 GHz.Up to eight lanes JESD204B SERDES interface flexible in terms of number of lanes and lane speed.Bandwidth and dynamic range to meet DOCSIS 3.1 compliance and multiband wireless communications standards with margin.ApplicationsBroadband communications systemsDOCSIS 3.1 CMTS/ video on demand (VOD)/edge quadrature amplitude modulation (EQAM)Wireless communications infrastructureW-CDMA, LTE, LTE-A, point to point |
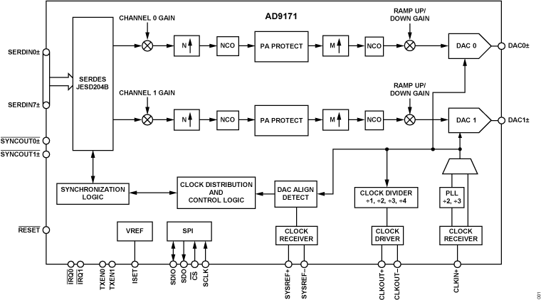
AD9171Dual, 16-Bit, 6.2 GSPS RF DAC with Single Channelizer | Specialized ICs | 1 | Active | The AD9171 is a high performance, dual, 16-bit digital-to-analog converter (DAC) that supports DAC sample rates to 6.2 GSPS. The device features an 8-lane, 15.4 Gbps JESD204B data input port, a high performance, on-chip DAC clock multiplier, and digital signal processing capabilities targeted at single-band direct to radio frequency (RF) wireless applications.The AD9171 features one complex data input channels per RF DAC. Each data input channel includes a configurable gain stage, an interpolation filter, and a channel numerically controlled oscillator (NCO) for flexible, frequency planning. The device supports up to a 516 MSPS complex data rate per input channel.The AD9171 is available in a 144-ball BGA_ED package.PRODUCT HIGHLIGHTSSupports one complex data input channel per RF DAC at a maximum complex input data rate of 513 MSPS with 12-bitresolution and 516 MSPS with 16-bit resolution options. There is one independent NCO per input channel.Low power dual converter decreases the amount of power consumption needed in high bandwidth and multichannel applications.APPLICATIONSWireless communications infrastructureSingle-band base station radiosInstrumentation, automatic test equipment (ATE) |
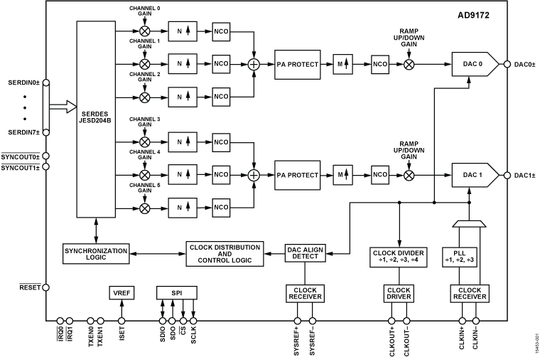
AD9172Dual, 16-Bit, 12.6 GSPS RF DAC with Channelizers | Digital to Analog Converters (DACs) Evaluation Boards | 2 | Active | The AD9172 is a high performance, dual, 16-bit digital-to-analog converter (DAC) that supports DAC sample rates to 12.6 GSPS. The device features an 8-lane, 15 Gbps JESD204B data input port, a high performance, on-chip DAC clock multiplier, and digital signal processing capabilities targeted at single-band and multiband direct to radio frequency (RF) wireless applications.The AD9172 features three complex data input channels per RF DAC that are bypassable. Each data input channel includes a configurable gain stage, an interpolation filter, and a channel numerically controlled oscillator (NCO) for flexible, multiband frequency planning. The device supports up to a 1.5 GSPS complex data rate per input channel and is capable of aggregating multiple complex input data streams up to a maximum complex data rate of 1.5 GSPS. Additionally, the AD9172 supports ultrawide bandwidth modes bypassing the channelizers to provide maximum data rates of up to 3.08 GSPS (with 16-bit resolution) and 4.1 GSPS (with 12-bit resolution).The AD9172 is available in a 144-ball BGA_ED package.PRODUCT HIGHLIGHTSSupports single-band and multiband wireless applications with three bypassable complex data input channels per RF DAC at a maximum complex input data rate of 1.5 GSPS. One independent NCO per input channel.Ultrawide bandwidth channel bypass modes supporting up to 3 GSPS data rates with 16-bit resolution and 4 GSPS with 12-bit resolution.Low power dual converter decreases the amount of power consumption needed in high bandwidth and multichannel applications.APPLICATIONSWireless communications infrastructureMultiband base station radiosMicrowave/E-band backhaul systemsInstrumentation, automatic test equipment (ATE)Radars and jammers |
| Integrated Circuits (ICs) | 2 | Active | ||
| Integrated Circuits (ICs) | 2 | Active | ||
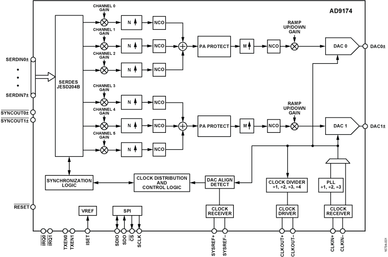
AD9176Dual, 16-Bit, 12.6 GSPS RF DAC with Wideband Channelizers | Integrated Circuits (ICs) | 1 | Active | The AD9176 is a high performance, dual, 16-bit digital-to-analog converter (DAC) that supports DAC sample rates up to 12.6 GSPS. The device features an 8-lane, 15.4 Gbps JESD204B data input port, a high performance, on-chip DAC clock multiplier, and digital signal processing capabilities targeted at single-band and multiband direct to radio frequency (RF) wireless applications.The AD9176 features three complex data input channels per RF DAC datapath. Each input channel is fully bypassable. Each data input channel (or channelizer) includes a configurable gain stage, an interpolation filter, and a channel numerically controlled oscillator (NCO) for flexible, multiband frequency planning. The AD9176 supports an input data rate of up to a 3.08 GSPS complex (inphase/quadrature (I/Q)), or up to 6.16 GSPS non-complex (real), and is capable of allocating multiple complex input data streams to the assigned channels for individual processing. Each group of three channelizers is summed into a respective main datapath for additional processing when needed. Each main datapath includes an interpolation filter and one 48-bit main NCO ahead of the RF DAC core. Using the modulator switch, the outputs of a main datapath can be either routed to DAC0 alone for operating as a single DAC, or routed to both DAC0 and DAC1 for operating as a dual, intermediate frequency DAC (IF DAC).The AD9176 also supports ultrawide data rate modes that allow bypassing the channelizers and main datapaths to provide maximum data rates of up to 6.16 GSPS as a single, 16-bit DAC, up to 3.08 GSPS as a dual, 16-bit DAC, or up to 4.1 GSPS as a dual, 12-bit DAC.The AD9176 is available in a 144-ball BGA_ED package.ApplicationsWireless communications infrastructureMultiband base station radiosMicrowave/E-band backhaul systemsInstrumentation, automatic test equipment (ATE)Radars and jammersProduct HighlightsA low power, multichannel, dual DAC design reduces power consumption in higher bandwidth and multichannel applications, while maintaining performance.Supports single-band and multiband wireless applications with three bypassable complex data channels per RF DAC, or configurations that use the two main datapaths as two wideband complex data channels when using the built in modulator switch.A maximum complex data rate (per I or Q) of up to 3.08 GSPS with 16-bit resolution, and up to 4.1 GSPS with 12-bit resolution. The AD9176 can be alternatively configured as a dual DAC, with each DAC operating across an independent JESD204B link, at the previously described data rates.Ultrawide bandwidth single-DAC modes, supporting up to 6.16 GSPS data rates with 16-bit resolution. |