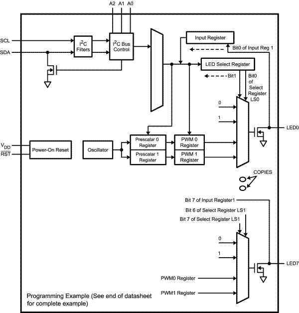
LP3944RGB/White/Blue 8-LED Fun Light driver | Development Boards, Kits, Programmers | 5 | Active | LP3944 is an integrated device capable of independently driving 8 LEDs. This device also contains an internal precision oscillator that provides all the necessary timing required for driving each LED. Two prescaler registers along with two PWM registers provide a versatile duty cycle control. The LP3944 contains the ability to dim LEDs in SMBUS/I2C applications where it is required to cut down on bus traffic.
Traditionally, to dim LEDs using a serial shift register such as 74LS594/5 would require a large amount of traffic to be on the serial bus. LP3944 instead requires only the setup of the frequency and duty cycle for each output pin. From then on, only a single command from the host is required to turn each individual open drain output ON, OFF, or to cycle a programmed frequency and duty cycle. Maximum output sink current is 25 mA per pin and 200 mA per package. Any ports not used for controlling the LEDs can be used for general purpose input/output expansion.
LP3944 is an integrated device capable of independently driving 8 LEDs. This device also contains an internal precision oscillator that provides all the necessary timing required for driving each LED. Two prescaler registers along with two PWM registers provide a versatile duty cycle control. The LP3944 contains the ability to dim LEDs in SMBUS/I2C applications where it is required to cut down on bus traffic.
Traditionally, to dim LEDs using a serial shift register such as 74LS594/5 would require a large amount of traffic to be on the serial bus. LP3944 instead requires only the setup of the frequency and duty cycle for each output pin. From then on, only a single command from the host is required to turn each individual open drain output ON, OFF, or to cycle a programmed frequency and duty cycle. Maximum output sink current is 25 mA per pin and 200 mA per package. Any ports not used for controlling the LEDs can be used for general purpose input/output expansion. |
| Power Management (PMIC) | 1 | Obsolete | |
LP3947USB/AC Adaptor, single cell Li-ion battery charger IC | Power Management (PMIC) | 5 | LTB | The LP3947 is a complete charge management system that safely charges and maintains a Li-Ion battery from either USB power source or AC adaptor. In USB mode, the LP3947 supports charging in low power or high power mode. Alternatively, the LP3947 can take charge from AC adaptor. In both USB and AC adaptor modes, charge current, battery regulation voltage, and End of Charge (EOC) point can be selected via I2C interface. The LP3947 can also operate on default values that are pre-programmed in the factory. The battery temperature is monitored continuously at the Ts pin to safeguard against hazardous charging conditions. The charger also has under-voltage and over-voltage protection as well as an internal 5.6 hr timer to protect the battery. The pass transistor and charge current sensing resistor are all integrated inside the LP3947.
The LP3947 operates in four modes: pre-qualification, constant current, constant voltage and maintenance modes. There are two open drain outputs for status indication. An internal amplifier readily converts the charge current into a voltage. Also, the charger can operate in an LDO mode providing a maximum of 1.2 Amp to the load.
The LP3947 is a complete charge management system that safely charges and maintains a Li-Ion battery from either USB power source or AC adaptor. In USB mode, the LP3947 supports charging in low power or high power mode. Alternatively, the LP3947 can take charge from AC adaptor. In both USB and AC adaptor modes, charge current, battery regulation voltage, and End of Charge (EOC) point can be selected via I2C interface. The LP3947 can also operate on default values that are pre-programmed in the factory. The battery temperature is monitored continuously at the Ts pin to safeguard against hazardous charging conditions. The charger also has under-voltage and over-voltage protection as well as an internal 5.6 hr timer to protect the battery. The pass transistor and charge current sensing resistor are all integrated inside the LP3947.
The LP3947 operates in four modes: pre-qualification, constant current, constant voltage and maintenance modes. There are two open drain outputs for status indication. An internal amplifier readily converts the charge current into a voltage. Also, the charger can operate in an LDO mode providing a maximum of 1.2 Amp to the load. |
LP39536-V power transistor | Transistors | 2 | Active | The LP395 is a fast monolithic transistor with complete overload protection. This very high gain transistor has included on the chip, current limiting, power limiting, and thermal overload protection, making it difficult to destroy from almost any type of overload. Available in an epoxy TO-92 transistor package this device is specified to deliver 100 mA.
Thermal limiting at the chip level, a feature not available in discrete designs, provides comprehensive protection against overload. Excessive power dissipation or inadequate heat sinking causes the thermal limiting circuitry to turn off the device preventing excessive die temperature.
The LP395 offers a significant increase in reliability while simplifying protection circuitry. It is especially attractive as a small incandescent lamp or solenoid driver because of its low drive requirements and blowout-proof design.
The LP395 is easy to use and only a few precautions need be observed. Excessive collector to emitter voltage can destroy the LP395 as with any transistor. When the device is used as an emitter follower with a low source impedance, it is necessary to insert a 4.7 kΩ resistor in series with the base lead to prevent possible emitter follower oscillations. Also since it has good high frequency response, supply by-passing is recommended.
Areas where the LP395 differs from a standard NPN transistor are in saturation voltage, leakage (quiescent) current and in base current. Since the internal protection circuitry requires voltage and current to function, the minimum voltage across the device in the on condition (saturated) is typically 1.6 Volts, while in the off condition the quiescent (leakage) current is typically 200 μA. Base current in this device flows out of the base lead, rather than into the base as is the case with conventional NPN transistors. Also the base can be driven positive up to 36 Volts without damage, but will draw current if driven negative more than 0.6 Volts. Additionally, if the base lead is left open, the LP395 will turn on.
The LP395 is a low-power version of the 1-Amp LM195/LM295/LM395 Ultra Reliable Power Transistor.
The LP395 is rated for operation over a −40°C to +125°C range.
The LP395 is a fast monolithic transistor with complete overload protection. This very high gain transistor has included on the chip, current limiting, power limiting, and thermal overload protection, making it difficult to destroy from almost any type of overload. Available in an epoxy TO-92 transistor package this device is specified to deliver 100 mA.
Thermal limiting at the chip level, a feature not available in discrete designs, provides comprehensive protection against overload. Excessive power dissipation or inadequate heat sinking causes the thermal limiting circuitry to turn off the device preventing excessive die temperature.
The LP395 offers a significant increase in reliability while simplifying protection circuitry. It is especially attractive as a small incandescent lamp or solenoid driver because of its low drive requirements and blowout-proof design.
The LP395 is easy to use and only a few precautions need be observed. Excessive collector to emitter voltage can destroy the LP395 as with any transistor. When the device is used as an emitter follower with a low source impedance, it is necessary to insert a 4.7 kΩ resistor in series with the base lead to prevent possible emitter follower oscillations. Also since it has good high frequency response, supply by-passing is recommended.
Areas where the LP395 differs from a standard NPN transistor are in saturation voltage, leakage (quiescent) current and in base current. Since the internal protection circuitry requires voltage and current to function, the minimum voltage across the device in the on condition (saturated) is typically 1.6 Volts, while in the off condition the quiescent (leakage) current is typically 200 μA. Base current in this device flows out of the base lead, rather than into the base as is the case with conventional NPN transistors. Also the base can be driven positive up to 36 Volts without damage, but will draw current if driven negative more than 0.6 Volts. Additionally, if the base lead is left open, the LP395 will turn on.
The LP395 is a low-power version of the 1-Amp LM195/LM295/LM395 Ultra Reliable Power Transistor.
The LP395 is rated for operation over a −40°C to +125°C range. |
LP3950Color LED driver with Audio Synchronizer | Integrated Circuits (ICs) | 2 | Active | The LP3950 is a color LED driver with a built-in audio synchronization feature for any analog audio input such as polyphonic ring tones and MP3 music. LEDs can be synchronized to an audio signal with two methods - amplitude and frequency. Also several fine tuning options are available for differentiation purposes. The chip also has an unique AGC (Automatic Gain Control) feature which tracks the input signal level and automatically adjusts the gain to an optimal value.
The LP3950 has a high efficiency magnetic DC/DC converter with programmable output voltage and switching frequency. The converter has high output current capability so it is also able to drive flash LEDs in camera phone applications.
The LP3950 is similar to LP3933 and LP3936 in that the color LEDs (or RGB LEDs) can also be programmed to generate light patterns (programmable color, intensity, on/off timing, slope and blinking cycle).
All functions are software controllable through a SPI or I2C compatible interface but the device also supports one pin control for enabling predefined (default) audio synchronization mode.
The LP3950 is a color LED driver with a built-in audio synchronization feature for any analog audio input such as polyphonic ring tones and MP3 music. LEDs can be synchronized to an audio signal with two methods - amplitude and frequency. Also several fine tuning options are available for differentiation purposes. The chip also has an unique AGC (Automatic Gain Control) feature which tracks the input signal level and automatically adjusts the gain to an optimal value.
The LP3950 has a high efficiency magnetic DC/DC converter with programmable output voltage and switching frequency. The converter has high output current capability so it is also able to drive flash LEDs in camera phone applications.
The LP3950 is similar to LP3933 and LP3936 in that the color LEDs (or RGB LEDs) can also be programmed to generate light patterns (programmable color, intensity, on/off timing, slope and blinking cycle).
All functions are software controllable through a SPI or I2C compatible interface but the device also supports one pin control for enabling predefined (default) audio synchronization mode. |
| Power Management (PMIC) | 2 | Obsolete | |
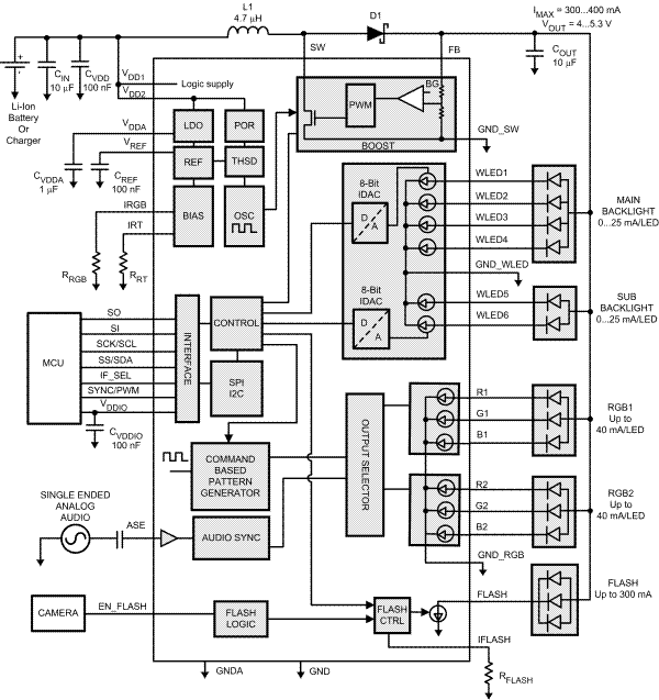
LP3954Advanced lighting management unit | LED Drivers | 2 | Active | LP3954 is an advanced lighting management unit for handheld devices. It drives any phone lights including display backlights, RGB, keypad and camera flash LEDs. The boost DC-DC converter drives high current loads with high efficiency. White LED backlight drivers are high efficiency low voltage structures with excellent matching and automatic fade in/ fade out function. The new stand-alone command based RGB controller is feature rich and easy to configure. Built-in audio synchronization feature allows user to synchronize the color LEDs to audio input. Integrated high current driver can drive camera flash LED or motor/vibra. Internal ADC can be used for ambient light or temperature sensing. The flexible SPI/I2C interface allows easy control of LP3954. Small DSBGA package together with minimum number of external components is a best fit for handheld devices.
LP3954 is an advanced lighting management unit for handheld devices. It drives any phone lights including display backlights, RGB, keypad and camera flash LEDs. The boost DC-DC converter drives high current loads with high efficiency. White LED backlight drivers are high efficiency low voltage structures with excellent matching and automatic fade in/ fade out function. The new stand-alone command based RGB controller is feature rich and easy to configure. Built-in audio synchronization feature allows user to synchronize the color LEDs to audio input. Integrated high current driver can drive camera flash LED or motor/vibra. Internal ADC can be used for ambient light or temperature sensing. The flexible SPI/I2C interface allows easy control of LP3954. Small DSBGA package together with minimum number of external components is a best fit for handheld devices. |
| Integrated Circuits (ICs) | 1 | Obsolete | |
LP3958Lighting management unit with high Voltage boost converter | LED Drivers | 2 | Active | LP3958 is a Lighting Management Unit for portable applications. It is used to drive display backlight and keypad LEDs. The device can drive 5 separately connected strings of LEDs with high voltage boost converter.
The keypad LED driver allows driving LEDs from high voltage boost converter or separate supply voltage.The MAIN and SUB outputs are high resolution current mode drivers. Keypad LED outputs can be used in switch mode and current mode. External PWM control can be used for any selected outputs.
The device is controlled through 2-wire low voltage I2C compatible interface that reduces the number of required connections.
LP3958 is offered in a tiny 25-bump DSBGA package.
LP3958 is a Lighting Management Unit for portable applications. It is used to drive display backlight and keypad LEDs. The device can drive 5 separately connected strings of LEDs with high voltage boost converter.
The keypad LED driver allows driving LEDs from high voltage boost converter or separate supply voltage.The MAIN and SUB outputs are high resolution current mode drivers. Keypad LED outputs can be used in switch mode and current mode. External PWM control can be used for any selected outputs.
The device is controlled through 2-wire low voltage I2C compatible interface that reduces the number of required connections.
LP3958 is offered in a tiny 25-bump DSBGA package. |
| Power Management (PMIC) | 21 | Active | |