T
Texas Instruments
| Series | Category | # Parts | Status | Description |
|---|---|---|---|---|
| Part | Spec A | Spec B | Spec C | Spec D | Description |
|---|---|---|---|---|---|
| Series | Category | # Parts | Status | Description |
|---|---|---|---|---|
| Part | Spec A | Spec B | Spec C | Spec D | Description |
|---|---|---|---|---|---|
| Part | Category | Description |
|---|---|---|
Texas Instruments | Integrated Circuits (ICs) | BUS DRIVER, BCT/FBT SERIES |
Texas Instruments | Integrated Circuits (ICs) | 12BIT 3.3V~3.6V 210MHZ PARALLEL VQFN-48-EP(7X7) ANALOG TO DIGITAL CONVERTERS (ADC) ROHS |
Texas Instruments | Integrated Circuits (ICs) | TMX320DRE311 179PIN UBGA 200MHZ |
Texas Instruments TPS61040DRVTG4Unknown | Integrated Circuits (ICs) | IC LED DRV RGLTR PWM 350MA 6WSON |
Texas Instruments LP3876ET-2.5Obsolete | Integrated Circuits (ICs) | IC REG LINEAR 2.5V 3A TO220-5 |
Texas Instruments LMS1585ACSX-ADJObsolete | Integrated Circuits (ICs) | IC REG LIN POS ADJ 5A DDPAK |
Texas Instruments INA111APG4Obsolete | Integrated Circuits (ICs) | IC INST AMP 1 CIRCUIT 8DIP |
Texas Instruments | Integrated Circuits (ICs) | AUTOMOTIVE, QUAD 36V 1.2MHZ OPERATIONAL AMPLIFIER |
Texas Instruments OPA340NA/3KG4Unknown | Integrated Circuits (ICs) | IC OPAMP GP 1 CIRCUIT SOT23-5 |
Texas Instruments PT5112AObsolete | Power Supplies - Board Mount | DC DC CONVERTER 8V 8W |
| Series | Category | # Parts | Status | Description |
|---|---|---|---|---|
| Integrated Circuits (ICs) | 29 | Active | ||
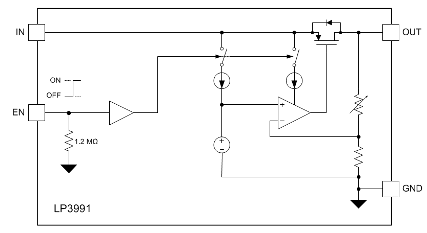
LP39835-mA, low-IQ, low-dropout voltage regulator with enable | Integrated Circuits (ICs) | 3 | Active | The LP3983 is a fixed voltage low current regulator.
The LP3983 is ideally suited to standby type applications in battery powered equipment, it allows the lifetime of the battery to be maximized. The device can be controlled via an Enable(disable) control and can thus be used by the system to further extend the battery lifetime by reducing the power consumption to virtually zero.
Performance is specified for a -40°C to 125°C temperature range.
For output voltages other than those stated and alternative package options, please contact your local NSC sales office.
The LP3983 is a fixed voltage low current regulator.
The LP3983 is ideally suited to standby type applications in battery powered equipment, it allows the lifetime of the battery to be maximized. The device can be controlled via an Enable(disable) control and can thus be used by the system to further extend the battery lifetime by reducing the power consumption to virtually zero.
Performance is specified for a -40°C to 125°C temperature range.
For output voltages other than those stated and alternative package options, please contact your local NSC sales office. |
| Voltage Regulators - Linear, Low Drop Out (LDO) Regulators | 12 | Obsolete | ||
LP3985150-mA, low-dropout voltage regulator with bypass & enable | Voltage Regulators - Linear, Low Drop Out (LDO) Regulators | 59 | Active | The LP3985 is designed for portable and wireless applications with demanding performance and space requirements. LP3985 performance is optimized for battery-powered systems to deliver ultra low noise, extremely low dropout voltage, and low quiescent current. Regulator ground current increases only slightly in dropout, further prolonging the battery life.
The LP3985 is stable with a small 1-µF ±30% ceramic or high-quality tantalum output capacitor. The DSBGA requires the smallest possible PC board area – the total application circuit area can be less than 2 mm × 2.5 mm, a fraction of a 1206 case size.
An optional external bypass capacitor reduces the output noise without slowing down the load transient response. Fast startup time is achieved by utilizing an internal power-on circuit that actively pre-charges the bypass capacitor.
Power supply rejection is better than 50 dB at low frequencies and starts to roll off at 1 kHz. High power supply rejection is maintained down to low input voltage levels common to battery operated circuits.
The device is ideal for mobile phone and similar battery-powered wireless applications. It provides up to 150 mA, from a 2.5-V to 6-V input. The LP3985 consumes less than 1.5 µA in disable mode and has fast turn-on time less than 200 µs.
The LP3985 is available with fixed output voltages from 2.5 V to 5 V. Contact Texas Instruments Sales for specific voltage option needs.
The LP3985 is designed for portable and wireless applications with demanding performance and space requirements. LP3985 performance is optimized for battery-powered systems to deliver ultra low noise, extremely low dropout voltage, and low quiescent current. Regulator ground current increases only slightly in dropout, further prolonging the battery life.
The LP3985 is stable with a small 1-µF ±30% ceramic or high-quality tantalum output capacitor. The DSBGA requires the smallest possible PC board area – the total application circuit area can be less than 2 mm × 2.5 mm, a fraction of a 1206 case size.
An optional external bypass capacitor reduces the output noise without slowing down the load transient response. Fast startup time is achieved by utilizing an internal power-on circuit that actively pre-charges the bypass capacitor.
Power supply rejection is better than 50 dB at low frequencies and starts to roll off at 1 kHz. High power supply rejection is maintained down to low input voltage levels common to battery operated circuits.
The device is ideal for mobile phone and similar battery-powered wireless applications. It provides up to 150 mA, from a 2.5-V to 6-V input. The LP3985 consumes less than 1.5 µA in disable mode and has fast turn-on time less than 200 µs.
The LP3985 is available with fixed output voltages from 2.5 V to 5 V. Contact Texas Instruments Sales for specific voltage option needs. |
LP3986300-mA, dual-channel adjustable ultra-low-dropout voltage regulator with enable | Power Management (PMIC) | 12 | Active | The LP3986 is a 150 mA dual low dropout regulator designed for portable and wireless applications with demanding performance and board space requirements.
The LP3986 is stable with a small 1 µF ±30% ceramic output capacitor requiring smallest possible board space.
The LP3986's performance is optimized for battery powered systems to deliver ultra low noise, extremely low dropout voltage and low quiescent current independent of load current. Regulator ground current increases very slightly in dropout, further prolonging the battery life. Optional external bypass capacitor reduces the output noise further without slowing down the load transient response. Fast start-up time is achieved by utilizing a speed-up circuit that actively pre-charges the bypass capacitor. Power supply rejection is better than 60 dB at low frequencies and 55 dB at 10 kHz. High power supply rejection is maintained at low input voltage levels common to battery operated circuits.
The LP3986 is available in a DSBGA package. Performance is specified for a −40°C to +125°C temperature range. For single LDO applications, please refer to the LP3985 datasheet.
The LP3986 is a 150 mA dual low dropout regulator designed for portable and wireless applications with demanding performance and board space requirements.
The LP3986 is stable with a small 1 µF ±30% ceramic output capacitor requiring smallest possible board space.
The LP3986's performance is optimized for battery powered systems to deliver ultra low noise, extremely low dropout voltage and low quiescent current independent of load current. Regulator ground current increases very slightly in dropout, further prolonging the battery life. Optional external bypass capacitor reduces the output noise further without slowing down the load transient response. Fast start-up time is achieved by utilizing a speed-up circuit that actively pre-charges the bypass capacitor. Power supply rejection is better than 60 dB at low frequencies and 55 dB at 10 kHz. High power supply rejection is maintained at low input voltage levels common to battery operated circuits.
The LP3986 is available in a DSBGA package. Performance is specified for a −40°C to +125°C temperature range. For single LDO applications, please refer to the LP3985 datasheet. |
| Power Management (PMIC) | 1 | Obsolete | ||
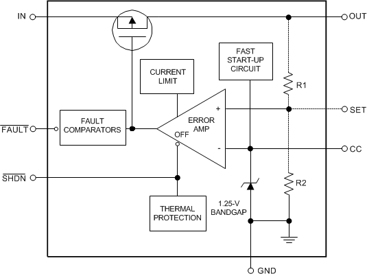
LP3988-Q1Automotive 150-mA, low-dropout voltage regulator with power good & enable | Integrated Circuits (ICs) | 15 | Active | The LP3988-Q1 is a 150-mA low-dropout regulator designed specially to meet requirements of portable battery applications. The LP3988-Q1 works with a space-saving 1-µF ceramic capacitor. The LP3988-Q1 features an error flag-output that indicates a faulty output condition.
The LP3988-Q1 has performance optimized for battery-powered systems to deliver low noise, extremely low dropout voltage, and low quiescent current. Regulator ground current increases only slightly in dropout, further prolonging the battery life.
Power-supply rejection is better than 60 dB at low frequencies and starts to roll off at 10 kHz. The device maintains high power-supply rejection down to lower input voltage levels common to battery-operated circuits.
The device is ideal for mobile phone and similar battery-powered wireless applications. It provides up to 150 mA, from a 2.5-V to 6-V input, consuming less than 1 µA in disable mode, and has fast turnon time less than 200 µs.
The LP3988-Q1 is available in a 5-pin SOT-23 package, has performance specified for the −40°C to +125°C temperature range, and is available in a 2.85-V output voltage. For other voltage options, contact TI sales.
The LP3988-Q1 is a 150-mA low-dropout regulator designed specially to meet requirements of portable battery applications. The LP3988-Q1 works with a space-saving 1-µF ceramic capacitor. The LP3988-Q1 features an error flag-output that indicates a faulty output condition.
The LP3988-Q1 has performance optimized for battery-powered systems to deliver low noise, extremely low dropout voltage, and low quiescent current. Regulator ground current increases only slightly in dropout, further prolonging the battery life.
Power-supply rejection is better than 60 dB at low frequencies and starts to roll off at 10 kHz. The device maintains high power-supply rejection down to lower input voltage levels common to battery-operated circuits.
The device is ideal for mobile phone and similar battery-powered wireless applications. It provides up to 150 mA, from a 2.5-V to 6-V input, consuming less than 1 µA in disable mode, and has fast turnon time less than 200 µs.
The LP3988-Q1 is available in a 5-pin SOT-23 package, has performance specified for the −40°C to +125°C temperature range, and is available in a 2.85-V output voltage. For other voltage options, contact TI sales. |
LP3990-Q1150-mA, low-IQ, low-dropout voltage regulator with enable & low-VOUT | Voltage Regulators - Linear, Low Drop Out (LDO) Regulators | 36 | Active | The LP3990 regulator is designed to meet the requirements of portable, battery-powered systems providing an accurate output voltage, low-noise, and low-quiescent current. The LP3990 will provide a 0.8-V output from the low input voltage of 2 V at up to a 150-mA load current. When switched into shutdown mode via a logic signal at the enable pin (EN), the power consumption is reduced to virtually zero.
The LP3990 is designed to be stable with space-saving ceramic capacitors with values as low as 1 µF.
Performance is specified for a –40°C to 125°C junction temperature range.
For output voltages other than 0.8 V, 1.2 V, 1.35 V, 1.5 V, 1.8 V, 2.5 V, 2.8 V, or 3.3 V, please contact the Texas Instruments sales office.
The LP3990 regulator is designed to meet the requirements of portable, battery-powered systems providing an accurate output voltage, low-noise, and low-quiescent current. The LP3990 will provide a 0.8-V output from the low input voltage of 2 V at up to a 150-mA load current. When switched into shutdown mode via a logic signal at the enable pin (EN), the power consumption is reduced to virtually zero.
The LP3990 is designed to be stable with space-saving ceramic capacitors with values as low as 1 µF.
Performance is specified for a –40°C to 125°C junction temperature range.
For output voltages other than 0.8 V, 1.2 V, 1.35 V, 1.5 V, 1.8 V, 2.5 V, 2.8 V, or 3.3 V, please contact the Texas Instruments sales office. |
| Linear Voltage Regulator Evaluation Boards | 16 | Active | ||
| Voltage Regulators - Linear, Low Drop Out (LDO) Regulators | 2 | Active | ||