T
Texas Instruments
| Series | Category | # Parts | Status | Description |
|---|---|---|---|---|
| Part | Spec A | Spec B | Spec C | Spec D | Description |
|---|---|---|---|---|---|
| Series | Category | # Parts | Status | Description |
|---|---|---|---|---|
| Part | Spec A | Spec B | Spec C | Spec D | Description |
|---|---|---|---|---|---|
| Series | Category | # Parts | Status | Description |
|---|---|---|---|---|
| Integrated Circuits (ICs) | 1 | Active | ||
LF256Single, 40-V, 5-MHz, FET-input operational amplifier | Amplifiers | 2 | Active | The LFx5x devices are the first monolithic JFET input operational amplifiers to incorporate well-matched, high-voltage JFETs on the same chip with standard bipolar transistors (BI-FET™ Technology). These amplifiers feature low input bias and offset currents/low offset voltage and offset voltage drift, coupled with offset adjust, which does not degrade drift or common-mode rejection. The devices are also designed for high slew rate, wide bandwidth, extremely fast settling time, low voltage and current noise and a low 1/f noise corner.
The LFx5x devices are the first monolithic JFET input operational amplifiers to incorporate well-matched, high-voltage JFETs on the same chip with standard bipolar transistors (BI-FET™ Technology). These amplifiers feature low input bias and offset currents/low offset voltage and offset voltage drift, coupled with offset adjust, which does not degrade drift or common-mode rejection. The devices are also designed for high slew rate, wide bandwidth, extremely fast settling time, low voltage and current noise and a low 1/f noise corner. |
LF298-MILMonolithic sample and hold circuit (10-µs acquisition, 3-mV offset) | Instrumentation, Op Amps, Buffer Amps | 5 | Active | The LF298-MIL devices are monolithic sample-and-hold circuits that use BI-FET technology to obtain ultrahigh DC accuracy with fast acquisition of signal and low droop rate. Operating as a unity-gain follower, DC gain accuracy is 0.002% typical and acquisition time is as low as 6 µs to 0.01%. A bipolar input stage is used to achieve low offset voltage and wide bandwidth. Input offset adjust is accomplished with a single pin and does not degrade input offset drift. The wide bandwidth allows the LF298-MIL to be included inside the feedback loop of 1-MHz operational amplifiers without having stability problems. Input impedance of 1010Ω allows high-source impedances to be used without degrading accuracy.
P-channel junction FETs are combined with bipolar devices in the output amplifier to give droop rates as low as 5 mV/min with a 1-µF hold capacitor. The JFETs have much lower noise than MOS devices used in previous designs and do not exhibit high temperature instabilities. The overall design ensures no feedthrough from input to output in the hold mode, even for input signals equal to the supply voltages.
Logic inputs on the LF298-MIL are fully differential with low input current, allowing for direct connection to TTL, PMOS, and CMOS. Differential threshold is1.4 V. The LF298-MIL will operate from ±5-V to ±18-V supplies.
An A version is available with tightened electrical specifications.
The LF298-MIL devices are monolithic sample-and-hold circuits that use BI-FET technology to obtain ultrahigh DC accuracy with fast acquisition of signal and low droop rate. Operating as a unity-gain follower, DC gain accuracy is 0.002% typical and acquisition time is as low as 6 µs to 0.01%. A bipolar input stage is used to achieve low offset voltage and wide bandwidth. Input offset adjust is accomplished with a single pin and does not degrade input offset drift. The wide bandwidth allows the LF298-MIL to be included inside the feedback loop of 1-MHz operational amplifiers without having stability problems. Input impedance of 1010Ω allows high-source impedances to be used without degrading accuracy.
P-channel junction FETs are combined with bipolar devices in the output amplifier to give droop rates as low as 5 mV/min with a 1-µF hold capacitor. The JFETs have much lower noise than MOS devices used in previous designs and do not exhibit high temperature instabilities. The overall design ensures no feedthrough from input to output in the hold mode, even for input signals equal to the supply voltages.
Logic inputs on the LF298-MIL are fully differential with low input current, allowing for direct connection to TTL, PMOS, and CMOS. Differential threshold is1.4 V. The LF298-MIL will operate from ±5-V to ±18-V supplies.
An A version is available with tightened electrical specifications. |
LF347-NQuad, 36V, 3MHz, high slew rate (13-V/µs), 5-mV offset voltage, In to V+, FET-input op amp | Instrumentation, Op Amps, Buffer Amps | 14 | Active | The LF147 is a low cost, high speed quad JFET input operational amplifier with an internally trimmed input offset voltage (BI-FET II technology). The device requires a low supply current and yet maintains a large gain bandwidth product and a fast slew rate. In addition, well matched high voltage JFET input devices provide very low input bias and offset currents. The LF147 is pin compatible with the standard LM148. This feature allows designers to immediately upgrade the overall performance of existing LF148 and LM124 designs.
The LF147 may be used in applications such as high speed integrators, fast D/A converters, sample-and-hold circuits and many other circuits requiring low input offset voltage, low input bias current, high input impedance, high slew rate and wide bandwidth. The device has low noise and offset voltage drift.
The LF147 is a low cost, high speed quad JFET input operational amplifier with an internally trimmed input offset voltage (BI-FET II technology). The device requires a low supply current and yet maintains a large gain bandwidth product and a fast slew rate. In addition, well matched high voltage JFET input devices provide very low input bias and offset currents. The LF147 is pin compatible with the standard LM148. This feature allows designers to immediately upgrade the overall performance of existing LF148 and LM124 designs.
The LF147 may be used in applications such as high speed integrators, fast D/A converters, sample-and-hold circuits and many other circuits requiring low input offset voltage, low input bias current, high input impedance, high slew rate and wide bandwidth. The device has low noise and offset voltage drift. |
LF353-NDual, 36V, 3MHz, high slew rate (13-V/µs), In to V+, FET-input operational amplifier | Amplifiers | 10 | Active | These devices are low cost, high speed, dual JFET input operational amplifiers with an internally trimmed input offset voltage (BI-FET II technology). They require low supply current yet maintain a large gain bandwidth product and fast slew rate. In addition, well matched high voltage JFET input devices provide very low input bias and offset currents. The LF353-N is pin compatible with the standard LM1558 allowing designers to immediately upgrade the overall performance of existing LM1558 and LM358 designs.
These amplifiers may be used in applications such as high speed integrators, fast D/A converters, sample and hold circuits and many other circuits requiring low input offset voltage, low input bias current, high input impedance, high slew rate and wide bandwidth. The devices also exhibit low noise and offset voltage drift.
These devices are low cost, high speed, dual JFET input operational amplifiers with an internally trimmed input offset voltage (BI-FET II technology). They require low supply current yet maintain a large gain bandwidth product and fast slew rate. In addition, well matched high voltage JFET input devices provide very low input bias and offset currents. The LF353-N is pin compatible with the standard LM1558 allowing designers to immediately upgrade the overall performance of existing LM1558 and LM358 designs.
These amplifiers may be used in applications such as high speed integrators, fast D/A converters, sample and hold circuits and many other circuits requiring low input offset voltage, low input bias current, high input impedance, high slew rate and wide bandwidth. The devices also exhibit low noise and offset voltage drift. |
LF356-MILMilitary-grade, single, 30-V, 5-MHz, FET-input operational amplifier | Linear | 8 | Active | The LF356-MIL device are the first monolithic JFET input operational amplifiers to incorporate well-matched, high-voltage JFETs on the same chip with standard bipolar transistors (BI-FET™ Technology). These amplifiers feature low input bias and offset currents/low offset voltage and offset voltage drift, coupled with offset adjust, which does not degrade drift or common-mode rejection. The devices are also designed for high slew rate, wide bandwidth, extremely fast settling time, low voltage and current noise and a low 1/f noise corner.
The LF356-MIL device are the first monolithic JFET input operational amplifiers to incorporate well-matched, high-voltage JFETs on the same chip with standard bipolar transistors (BI-FET™ Technology). These amplifiers feature low input bias and offset currents/low offset voltage and offset voltage drift, coupled with offset adjust, which does not degrade drift or common-mode rejection. The devices are also designed for high slew rate, wide bandwidth, extremely fast settling time, low voltage and current noise and a low 1/f noise corner. |
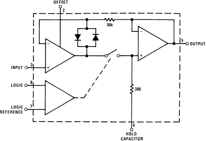
LF398-N-MILMonolithic sample and hold circuit (10-µs acquisition, 7-mV offset) | Amplifiers | 9 | Active | The LFx98x devices are monolithic sample-and-hold circuits that use BI-FET technology to obtain ultrahigh DC accuracy with fast acquisition of signal and low droop rate. Operating as a unity-gain follower, DC gain accuracy is 0.002% typical and acquisition time is as low as 6 µs to 0.01%. A bipolar input stage is used to achieve low offset voltage and wide bandwidth. Input offset adjust is accomplished with a single pin and does not degrade input offset drift. The wide bandwidth allows the LFx98x to be included inside the feedback loop of 1-MHz operational amplifiers without having stability problems. Input impedance of 1010Ω allows high-source impedances to be used without degrading accuracy.
P-channel junction FETs are combined with bipolar devices in the output amplifier to give droop rates as low as 5 mV/min with a 1-µF hold capacitor. The JFETs have much lower noise than MOS devices used in previous designs and do not exhibit high temperature instabilities. The overall design ensures no feedthrough from input to output in the hold mode, even for input signals equal to the supply voltages.
Logic inputs on the LFx98x are fully differential with low input current, allowing for direct connection to TTL, PMOS, and CMOS. Differential threshold is1.4 V. The LFx98x will operate from ±5-V to ±18-V supplies.
An A version is available with tightened electrical specifications.
The LFx98x devices are monolithic sample-and-hold circuits that use BI-FET technology to obtain ultrahigh DC accuracy with fast acquisition of signal and low droop rate. Operating as a unity-gain follower, DC gain accuracy is 0.002% typical and acquisition time is as low as 6 µs to 0.01%. A bipolar input stage is used to achieve low offset voltage and wide bandwidth. Input offset adjust is accomplished with a single pin and does not degrade input offset drift. The wide bandwidth allows the LFx98x to be included inside the feedback loop of 1-MHz operational amplifiers without having stability problems. Input impedance of 1010Ω allows high-source impedances to be used without degrading accuracy.
P-channel junction FETs are combined with bipolar devices in the output amplifier to give droop rates as low as 5 mV/min with a 1-µF hold capacitor. The JFETs have much lower noise than MOS devices used in previous designs and do not exhibit high temperature instabilities. The overall design ensures no feedthrough from input to output in the hold mode, even for input signals equal to the supply voltages.
Logic inputs on the LFx98x are fully differential with low input current, allowing for direct connection to TTL, PMOS, and CMOS. Differential threshold is1.4 V. The LFx98x will operate from ±5-V to ±18-V supplies.
An A version is available with tightened electrical specifications. |
LF411Single, 36-V, 3-MHz, high slew rate (13-V/µs), 2-mV offset voltage, JFET-input op amp | Integrated Circuits (ICs) | 3 | Obsolete | This device is a low-cost, high-speed, JFET-input operational amplifier with very low input offset voltage and a maximum input offset voltage drift. It requires low supply current, yet maintains a large gain-bandwidth product and a fast slew rate. In addition, the matched high-voltage JFET input provides very low input bias and offset currents.
The LF411 can be used in applications such as high-speed integrators, digital-to-analog converters, sample-and-hold circuits, and many other circuits.
The LF411C is characterized for operation from 0°C to 70°C. The LF411I is characterized for operation from -40°C to 85°C.
This device is a low-cost, high-speed, JFET-input operational amplifier with very low input offset voltage and a maximum input offset voltage drift. It requires low supply current, yet maintains a large gain-bandwidth product and a fast slew rate. In addition, the matched high-voltage JFET input provides very low input bias and offset currents.
The LF411 can be used in applications such as high-speed integrators, digital-to-analog converters, sample-and-hold circuits, and many other circuits.
The LF411C is characterized for operation from 0°C to 70°C. The LF411I is characterized for operation from -40°C to 85°C. |
LF412-MILMilitary-grade, dual, 36-V, 3-MHz, high slew rate (13-V/µs), 3-mV offset voltage, JFET-input op amp | Linear | 11 | Active | These devices are low cost, high speed, JFET input operational amplifiers with very low input offset voltage and input offset voltage drift. They require low supply current yet maintain a large gain bandwidth product and fast slew rate. In addition, well matched high voltage JFET input devices provide very low input bias and offset currents. The LF412-N dual is pin compatible with the LM1558, allowing designers to immediately upgrade the overall performance of existing designs.
These amplifiers may be used in applications such as high speed integrators, fast D/A converters, sample and hold circuits and many other circuits requiring low input offset voltage and drift, low input bias current, high input impedance, high slew rate and wide bandwidth.
These devices are low cost, high speed, JFET input operational amplifiers with very low input offset voltage and input offset voltage drift. They require low supply current yet maintain a large gain bandwidth product and fast slew rate. In addition, well matched high voltage JFET input devices provide very low input bias and offset currents. The LF412-N dual is pin compatible with the LM1558, allowing designers to immediately upgrade the overall performance of existing designs.
These amplifiers may be used in applications such as high speed integrators, fast D/A converters, sample and hold circuits and many other circuits requiring low input offset voltage and drift, low input bias current, high input impedance, high slew rate and wide bandwidth. |
LF442-MILMilitary-grade, dual, 30-V, 1-MHz, low-power operational amplifier | Amplifiers | 7 | Active | The LF442-MIL dual low power operational amplifiers provide many of the same AC characteristics as the industry standard LM1458 while greatly improving the DC characteristics of the LM1458. The amplifiers have the same bandwidth, slew rate, and gain (10 kΩ load) as the LM1458 and only draw one tenth the supply current of the LM1458. In addition the well matched high voltage JFET input devices of the LF442-MIL reduce the input bias and offset currents by a factor of 10,000 over the LM1458. A combination of careful layout design and internal trimming ensures very low input offset voltage and voltage drift. The LF442-MIL also has a very low equivalent input noise voltage for a low power amplifier.
The LF442-MIL is pin compatible with the LM1458 allowing an immediate 10 times reduction in power drain in many applications. The LF442-MIL should be used where low power dissipation and good electrical characteristics are the major considerations.
The LF442-MIL dual low power operational amplifiers provide many of the same AC characteristics as the industry standard LM1458 while greatly improving the DC characteristics of the LM1458. The amplifiers have the same bandwidth, slew rate, and gain (10 kΩ load) as the LM1458 and only draw one tenth the supply current of the LM1458. In addition the well matched high voltage JFET input devices of the LF442-MIL reduce the input bias and offset currents by a factor of 10,000 over the LM1458. A combination of careful layout design and internal trimming ensures very low input offset voltage and voltage drift. The LF442-MIL also has a very low equivalent input noise voltage for a low power amplifier.
The LF442-MIL is pin compatible with the LM1458 allowing an immediate 10 times reduction in power drain in many applications. The LF442-MIL should be used where low power dissipation and good electrical characteristics are the major considerations. |
| Part | Category | Description |
|---|---|---|
Texas Instruments | Integrated Circuits (ICs) | BUS DRIVER, BCT/FBT SERIES |
Texas Instruments | Integrated Circuits (ICs) | 12BIT 3.3V~3.6V 210MHZ PARALLEL VQFN-48-EP(7X7) ANALOG TO DIGITAL CONVERTERS (ADC) ROHS |
Texas Instruments | Integrated Circuits (ICs) | TMX320DRE311 179PIN UBGA 200MHZ |
Texas Instruments TPS61040DRVTG4Unknown | Integrated Circuits (ICs) | IC LED DRV RGLTR PWM 350MA 6WSON |
Texas Instruments LP3876ET-2.5Obsolete | Integrated Circuits (ICs) | IC REG LINEAR 2.5V 3A TO220-5 |
Texas Instruments LMS1585ACSX-ADJObsolete | Integrated Circuits (ICs) | IC REG LIN POS ADJ 5A DDPAK |
Texas Instruments INA111APG4Obsolete | Integrated Circuits (ICs) | IC INST AMP 1 CIRCUIT 8DIP |
Texas Instruments | Integrated Circuits (ICs) | AUTOMOTIVE, QUAD 36V 1.2MHZ OPERATIONAL AMPLIFIER |
Texas Instruments OPA340NA/3KG4Unknown | Integrated Circuits (ICs) | IC OPAMP GP 1 CIRCUIT SOT23-5 |
Texas Instruments PT5112AObsolete | Power Supplies - Board Mount | DC DC CONVERTER 8V 8W |