CC253832-bit Arm Cortex-M3 Zigbee, 6LoWPAN, and IEEE 802.15.4 wireless MCU with 512kB Flash and 32kB RAM | RF, RFID, Wireless Evaluation Boards | 10 | Active | The CC2538xFnn is the ideal wireless microcontroller System-on-Chip (SoC) for high-performance ZigBee applications. The device combines a powerful ARM Cortex-M3-based MCU system with up to 32KB on-chip RAM and up to 512KB on-chip flash with a robust IEEE 802.15.4 radio. This enables the device to handle complex network stacks with security, demanding applications, and over-the-air download. Thirty-two GPIOs and serial peripherals enable simple connections to the rest of the board. The powerful hardware security accelerators enable quick and efficient authentication and encryption while leaving the CPU free to handle application tasks. The multiple low-power modes with retention enable quick startup from sleep and minimum energy spent to perform periodic tasks. For a smooth development, the CC2538xFnn includes a powerful debugging system and a comprehensive driver library. To reduce the application flash footprint, CC2538xFnn ROM includes a utility function library and a serial boot loader. Combined with the robust and comprehensive Z-Stack software solutions from TI, the CC2538 provides the most capable and proven ZigBee solution in the market.
The CC2538xFnn is the ideal wireless microcontroller System-on-Chip (SoC) for high-performance ZigBee applications. The device combines a powerful ARM Cortex-M3-based MCU system with up to 32KB on-chip RAM and up to 512KB on-chip flash with a robust IEEE 802.15.4 radio. This enables the device to handle complex network stacks with security, demanding applications, and over-the-air download. Thirty-two GPIOs and serial peripherals enable simple connections to the rest of the board. The powerful hardware security accelerators enable quick and efficient authentication and encryption while leaving the CPU free to handle application tasks. The multiple low-power modes with retention enable quick startup from sleep and minimum energy spent to perform periodic tasks. For a smooth development, the CC2538xFnn includes a powerful debugging system and a comprehensive driver library. To reduce the application flash footprint, CC2538xFnn ROM includes a utility function library and a serial boot loader. Combined with the robust and comprehensive Z-Stack software solutions from TI, the CC2538 provides the most capable and proven ZigBee solution in the market. |
CC2540F256Extended industrial temperature Bluetooth® Low Energy (LE) wireless MCU | Evaluation Boards | 8 | Active | The CC2540 is a cost-effective, low-power, true system-on-chip (SoC) forBluetoothlow energy applications. It enables robust BLE master or slave nodes to be built with very low total bill-of-material costs. The CC2540 combines an excellent RF transceiver with an industry-standard enhanced 8051 MCU, in-system programmable flash memory, 8-KB RAM, and many other powerful supporting features and peripherals. The CC2540 is suitable for systems where very low power consumption is required. Very low-power sleep modes are available. Short transition times between operating modes further enable low power consumption.
The CC2540 comes in two different versions: CC2540F128/F256, with 128 and 256 KB of flash memory, respectively.
Combined with theBluetoothlow energy protocol stack from Texas Instruments, the CC2540F128/F256 forms the market’s most flexible and cost-effective single-modeBluetoothlow energy solution.
The CC2540 is a cost-effective, low-power, true system-on-chip (SoC) forBluetoothlow energy applications. It enables robust BLE master or slave nodes to be built with very low total bill-of-material costs. The CC2540 combines an excellent RF transceiver with an industry-standard enhanced 8051 MCU, in-system programmable flash memory, 8-KB RAM, and many other powerful supporting features and peripherals. The CC2540 is suitable for systems where very low power consumption is required. Very low-power sleep modes are available. Short transition times between operating modes further enable low power consumption.
The CC2540 comes in two different versions: CC2540F128/F256, with 128 and 256 KB of flash memory, respectively.
Combined with theBluetoothlow energy protocol stack from Texas Instruments, the CC2540F128/F256 forms the market’s most flexible and cost-effective single-modeBluetoothlow energy solution. |
CC2541-Q1Automotive qualified SimpleLink Bluetooth® Low Energy wireless MCU | RF Evaluation and Development Kits, Boards | 9 | Active | The CC2541-Q1 is a power-optimized true Wireless MCU solution for both low energy and proprietary 2.4-GHz applications. This device enables the building of robust nework nodes with low total bill-of-material costs. The CC2541-Q1 combines the excellent performance of a leading RF transceiver with an industry-standard enhanced 8051 MCU, in-system programmable flash memory, 8KB of RAM, and many other powerful supporting features and peripherals. The CC2541-Q1 is highly suited for systems in which ultralow power consumption is required, which is specified by various operating modes. Short transition times between operating modes further enable low power consumption.
The CC2541-Q1 comes in a 6 mm x 6 mm QFN40 package.
The CC2541-Q1 is a power-optimized true Wireless MCU solution for both low energy and proprietary 2.4-GHz applications. This device enables the building of robust nework nodes with low total bill-of-material costs. The CC2541-Q1 combines the excellent performance of a leading RF transceiver with an industry-standard enhanced 8051 MCU, in-system programmable flash memory, 8KB of RAM, and many other powerful supporting features and peripherals. The CC2541-Q1 is highly suited for systems in which ultralow power consumption is required, which is specified by various operating modes. Short transition times between operating modes further enable low power consumption.
The CC2541-Q1 comes in a 6 mm x 6 mm QFN40 package. |
CC25432.4 GHz RF Value Line SoC with 32kB flash, 16 GPIO, I2C, SPI and UART | Development Boards, Kits, Programmers | 5 | Active | The CC2543 is an optimized system-on-chip (SoC) solution with data rates up to 2Mbps built with low bill-of-material cost. The CC2543 combines the excellent performance of a leading RF transceiver with a single-cycle 8051 compliant CPU, 32-KB in-system programmable flash memory, up to 1-KB RAM, and many other powerful features. The CC2543 has efficient power modes with RAM and register retention below 1 µA, making it highly suited for low-duty-cycle systems where ultra-low power consumption is required. Short transition times between operating modes further ensure low energy consumption.
The CC2543 is compatible with the CC2541/CC2544/CC2545. It comes in a 5-mm × 5-mm QFN32 package, with SPI/UART/I2C interface. The CC2543 comes complete with reference designs from Texas Instruments.
The device targets wireless consumer and HID applications. The CC2543 is tailored for peripheral devices such as wireless mice.
The CC2543 is an optimized system-on-chip (SoC) solution with data rates up to 2Mbps built with low bill-of-material cost. The CC2543 combines the excellent performance of a leading RF transceiver with a single-cycle 8051 compliant CPU, 32-KB in-system programmable flash memory, up to 1-KB RAM, and many other powerful features. The CC2543 has efficient power modes with RAM and register retention below 1 µA, making it highly suited for low-duty-cycle systems where ultra-low power consumption is required. Short transition times between operating modes further ensure low energy consumption.
The CC2543 is compatible with the CC2541/CC2544/CC2545. It comes in a 5-mm × 5-mm QFN32 package, with SPI/UART/I2C interface. The CC2543 comes complete with reference designs from Texas Instruments.
The device targets wireless consumer and HID applications. The CC2543 is tailored for peripheral devices such as wireless mice. |
CC25442.4 GHz RF Value Line SoC with 32kB flash, USB, SPI and UART | RF and Wireless | 1 | Active | The CC2544 is an optimized system-on-chip (SoC) solution for USB applications with datarates upto 2Mbps built with low bill-of-material cost. The CC2544 combines the excellent performance of a leading RF transceiver with a single-cycle 8051 compliant CPU, 32-KB in-system programmable flash memory, up to 2-KB RAM, and many other powerful features.
The CC2544 is compatible with the CC2541/CC2543/CC2545. It comes in a 5-mm × 5-mm QFN32 package, with SPI/UART/USB interface. The CC2544 comes complete with reference designs from Texas Instruments.
The devices target wireless consumer and HID applications. The CC2544 is ideal for USB dongle applications.
The CC2544 is an optimized system-on-chip (SoC) solution for USB applications with datarates upto 2Mbps built with low bill-of-material cost. The CC2544 combines the excellent performance of a leading RF transceiver with a single-cycle 8051 compliant CPU, 32-KB in-system programmable flash memory, up to 2-KB RAM, and many other powerful features.
The CC2544 is compatible with the CC2541/CC2543/CC2545. It comes in a 5-mm × 5-mm QFN32 package, with SPI/UART/USB interface. The CC2544 comes complete with reference designs from Texas Instruments.
The devices target wireless consumer and HID applications. The CC2544 is ideal for USB dongle applications. |
CC25452.4 GHz RF Value Line SoC with 32kB flash, 31 GPIO, I2C, SPI and UART | Evaluation Boards | 3 | Active | The CC2545 is an optimized system-on-chip (SoC) solution with data rates up to 2Mbps built with low bill-of-material cost. The CC2545 combines the excellent performance of a leading RF transceiver with a single-cycle 8051 compliant CPU, 32-KB in-system programmable flash memory, up to 1-KB RAM, 31 General-Purpose I/O pins and many other powerful features. The CC2545 has efficient power modes with RAM and register retention below 1 µA, making it highly suited for low-duty-cycle systems where ultralow power consumption is required. Short transition times between operating modes further ensure low energy consumption.
The CC2545 is compatible with the CC2541/CC2543/CC2544. It comes in a 7-mm × 7-mm QFN48 package, with SPI/UART/I2C interface. The CC2545 comes complete with reference designs from Texas Instruments.
The device targets wireless consumer and HID applications. The CC2545 is tailored for peripheral devices such as wireless keyboards.
The CC2545 is an optimized system-on-chip (SoC) solution with data rates up to 2Mbps built with low bill-of-material cost. The CC2545 combines the excellent performance of a leading RF transceiver with a single-cycle 8051 compliant CPU, 32-KB in-system programmable flash memory, up to 1-KB RAM, 31 General-Purpose I/O pins and many other powerful features. The CC2545 has efficient power modes with RAM and register retention below 1 µA, making it highly suited for low-duty-cycle systems where ultralow power consumption is required. Short transition times between operating modes further ensure low energy consumption.
The CC2545 is compatible with the CC2541/CC2543/CC2544. It comes in a 7-mm × 7-mm QFN48 package, with SPI/UART/I2C interface. The CC2545 comes complete with reference designs from Texas Instruments.
The device targets wireless consumer and HID applications. The CC2545 is tailored for peripheral devices such as wireless keyboards. |
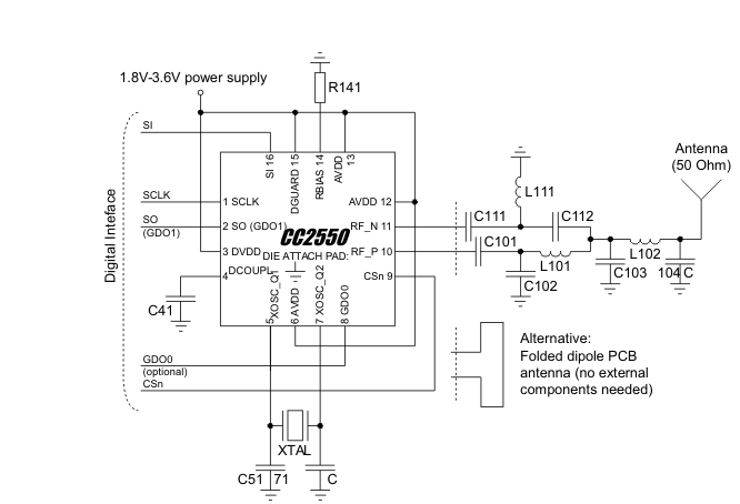
CC2550Low Cost 2.4 GHz Transmitter Designed for Low-Power Wireless Applications in 2.4 GHz ISM Band | Development Boards, Kits, Programmers | 6 | NRND | The CC2550 is a low-cost 2.4 GHz transmitter designed for very low-power wireless applications. The circuit is intended for the 2400-2483.5 MHz ISM (Industrial, Scientific and Medical) and SRD (Short Range Device) frequency band.
The RF transmitter is integrated with a highly configurable baseband modulator. The modulator supports various modulation formats and has a configurable data rate up to 500 kBaud.
The CC2550 provides extensive hardware support for packet handling, data buffering and burst transmissions.
The main operating parameters and the 64-byte transmit FIFO of CC2550 can be controlled via an SPI interface. In a typical system, the CC2550 will be used together with a microcontroller and a few passive components.
The CC2550 is a low-cost 2.4 GHz transmitter designed for very low-power wireless applications. The circuit is intended for the 2400-2483.5 MHz ISM (Industrial, Scientific and Medical) and SRD (Short Range Device) frequency band.
The RF transmitter is integrated with a highly configurable baseband modulator. The modulator supports various modulation formats and has a configurable data rate up to 500 kBaud.
The CC2550 provides extensive hardware support for packet handling, data buffering and burst transmissions.
The main operating parameters and the 64-byte transmit FIFO of CC2550 can be controlled via an SPI interface. In a typical system, the CC2550 will be used together with a microcontroller and a few passive components. |
| Evaluation Boards | 1 | Active | |
CC2560BBluetooth® 4.1 with Basic Rate (BR), Enhanced Data Rate (EDR), Low Energy (LE) | RF Transceiver ICs | 8 | Active | The TI CC256x device is a completeBluetoothBR/EDR/LE HCI solution that reduces design effort and enables fast time to market. Based on TI’s seventh-generationBluetoothcore, the CC256x device provides a product-proven solution that isBluetooth4.1 compliant. When coupled with a microcontroller unit (MCU), this HCI device offers best-in-class RF performance with a range of about 2X compared to otherBluetoothLE-only solutions. Furthermore, TI’s power-management hardware and software algorithms provide significant power savings in all commonly usedBluetoothBR/EDR/LE modes of operation.
The TI Dual-ModeBluetoothStack software is certified and provided royalty free for TI’s MSP430 and ARM Cortex-M3 and Cortex-M4 MCUs. Other MPUs can be supported through TI’s third party. iPod® (MFi) protocol is supported by add-on software packages. For more information, see TI Dual-Mode Bluetooth Stack. Some of the profiles supported include the following:
In addition to software, this solution consists of multiple reference designs with a low BOM cost, including a newBluetoothaudio sink reference design for customers to create a variety of applications for low-end, low-power audio solutions.
The TI CC256x device is a completeBluetoothBR/EDR/LE HCI solution that reduces design effort and enables fast time to market. Based on TI’s seventh-generationBluetoothcore, the CC256x device provides a product-proven solution that isBluetooth4.1 compliant. When coupled with a microcontroller unit (MCU), this HCI device offers best-in-class RF performance with a range of about 2X compared to otherBluetoothLE-only solutions. Furthermore, TI’s power-management hardware and software algorithms provide significant power savings in all commonly usedBluetoothBR/EDR/LE modes of operation.
The TI Dual-ModeBluetoothStack software is certified and provided royalty free for TI’s MSP430 and ARM Cortex-M3 and Cortex-M4 MCUs. Other MPUs can be supported through TI’s third party. iPod® (MFi) protocol is supported by add-on software packages. For more information, see TI Dual-Mode Bluetooth Stack. Some of the profiles supported include the following:
In addition to software, this solution consists of multiple reference designs with a low BOM cost, including a newBluetoothaudio sink reference design for customers to create a variety of applications for low-end, low-power audio solutions. |
CC2564MODABluetooth® 4.1 with Basic Rate, enhanced data rate, Low Energy (LE) module with integrated antenna | Development Boards, Kits, Programmers | 1 | Active | The CC2564MODx module from Texas Instruments™ is a complete Bluetooth®BR/EDR, and low energy HCI solution that reduces design effort, cost, and time to market. The CC2564MODx module includes TI's seventh-generation core and provides a versatile, product-proven solution that is Bluetooth 4.1-compliant. The module is also certified for FCC, IC, and CE, requiring no prior RF experience to develop with this device; and the device includes a royalty-free software stack compatible with several host MCUs and MPUs. The CC2564MODx module provides best-in-class RF performance with transmit power and receive sensitivity that provides twice the range and higher throughput than other Bluetooth-low-energy-only solutions.
Furthermore, TI’s power-management hardware and software algorithms provide significant power savings in all commonly used Bluetooth BR/EDR and low energy modes of operation.
The TI dual-mode Bluetooth stack software is certified and provided royalty free for TI's MSP430™ and MSP432™ ARM®Cortex®-M3 and ARM®Cortex®-M4 MCUs, and Linux®based MPUs. Other processors can be supported through TI's third party. The iPod®(MFi) protocol is supported by add-on software packages. Multiple profiles and sample applications, including the following, are supported:
For more information, see TI Dual-Mode Bluetooth Stack.
In addition to software, the BOOST-CC2564MODA and CC2564MODxEM evaluation boards are available for each variant. For more information on TI’s wireless platform solutions for Bluetooth, see TI's wireless-connectivity/dual-mode-bluetooth page.
The CC2564MODx module from Texas Instruments™ is a complete Bluetooth®BR/EDR, and low energy HCI solution that reduces design effort, cost, and time to market. The CC2564MODx module includes TI's seventh-generation core and provides a versatile, product-proven solution that is Bluetooth 4.1-compliant. The module is also certified for FCC, IC, and CE, requiring no prior RF experience to develop with this device; and the device includes a royalty-free software stack compatible with several host MCUs and MPUs. The CC2564MODx module provides best-in-class RF performance with transmit power and receive sensitivity that provides twice the range and higher throughput than other Bluetooth-low-energy-only solutions.
Furthermore, TI’s power-management hardware and software algorithms provide significant power savings in all commonly used Bluetooth BR/EDR and low energy modes of operation.
The TI dual-mode Bluetooth stack software is certified and provided royalty free for TI's MSP430™ and MSP432™ ARM®Cortex®-M3 and ARM®Cortex®-M4 MCUs, and Linux®based MPUs. Other processors can be supported through TI's third party. The iPod®(MFi) protocol is supported by add-on software packages. Multiple profiles and sample applications, including the following, are supported:
For more information, see TI Dual-Mode Bluetooth Stack.
In addition to software, the BOOST-CC2564MODA and CC2564MODxEM evaluation boards are available for each variant. For more information on TI’s wireless platform solutions for Bluetooth, see TI's wireless-connectivity/dual-mode-bluetooth page. |