| Interface | 1 | Obsolete | |
TUSB20362/3-port 12-Mbps USB full-speed hub with optional serial EEPROM interface | Integrated Circuits (ICs) | 4 | Active | The TUSB2036 hub is a 3.3-V CMOS device that provides up to three downstream ports in compliance with the USB 2.0 specification. Because this device is implemented with a digital state machine instead of a microcontroller, no firmware programming is required. Fully-compliant USB transceivers are integrated into the ASIC for all upstream and downstream ports. The downstream ports support both full-speed and low-speed devices by automatically setting the slew rate according to the speed of the device attached to the ports. The configuration of theBUSPWRpin selects either the bus-powered or the self-powered mode. The introduction of the DP0 pullup resistor disable pin, DP0PUR, makes it much easier to implement an onboard bus/self-power dynamic-switching circuitry. With the new function pin, the end-equipment vendor can reduce the total board cost while adding additional product value.
TheEXTMEM(pin 26) enables or disables the optional EEPROM interface. WhenEXTMEMis high, the vendor and product IDs (VID and PID) use defaults, such that the message displayed during enumeration is General Purpose USB Hub.
The TUSB2036 supports both bus-powered and self-powered modes. External power-management devices, such as the TPS2044, are required to control the 5-V power source switching (on/off) to the downstream ports and to detect an overcurrent condition from the downstream ports individually or ganged.
An individually port power controlled hub switches power on or off to each downstream port as requested by the USB host. Also when an individually port power controlled hub senses an over-current event, only power to the affected downstream port will be switched off. A ganged hub switches on power to all its downstream ports when power is required to be on for any port. The power to the downstream ports is not switched off unless all ports are in a state that allows power to be removed. Also when a ganged hub senses an over-current event, power to all downstream ports will be switched off.
The logic level of the MODE pin controls the selection of a crystal input to drive an internal oscillator or an external clock source.
The TUSB2036 hub is a 3.3-V CMOS device that provides up to three downstream ports in compliance with the USB 2.0 specification. Because this device is implemented with a digital state machine instead of a microcontroller, no firmware programming is required. Fully-compliant USB transceivers are integrated into the ASIC for all upstream and downstream ports. The downstream ports support both full-speed and low-speed devices by automatically setting the slew rate according to the speed of the device attached to the ports. The configuration of theBUSPWRpin selects either the bus-powered or the self-powered mode. The introduction of the DP0 pullup resistor disable pin, DP0PUR, makes it much easier to implement an onboard bus/self-power dynamic-switching circuitry. With the new function pin, the end-equipment vendor can reduce the total board cost while adding additional product value.
TheEXTMEM(pin 26) enables or disables the optional EEPROM interface. WhenEXTMEMis high, the vendor and product IDs (VID and PID) use defaults, such that the message displayed during enumeration is General Purpose USB Hub.
The TUSB2036 supports both bus-powered and self-powered modes. External power-management devices, such as the TPS2044, are required to control the 5-V power source switching (on/off) to the downstream ports and to detect an overcurrent condition from the downstream ports individually or ganged.
An individually port power controlled hub switches power on or off to each downstream port as requested by the USB host. Also when an individually port power controlled hub senses an over-current event, only power to the affected downstream port will be switched off. A ganged hub switches on power to all its downstream ports when power is required to be on for any port. The power to the downstream ports is not switched off unless all ports are in a state that allows power to be removed. Also when a ganged hub senses an over-current event, power to all downstream ports will be switched off.
The logic level of the MODE pin controls the selection of a crystal input to drive an internal oscillator or an external clock source. |
| Controllers | 6 | Obsolete | |
TUSB20464-port USB 2.0 12-Mbps USB full-speed hub | Integrated Circuits (ICs) | 9 | Active | The TUSB2046x is a 3.3-V CMOS hub device that provides one upstream port and four downstream ports in compliance with the Universal Serial Bus (USB) specification as a full-speed hub. Because this device is implemented with a digital state machine instead of a microcontroller, no firmwareprogramming is required. Fully compliant USB transceivers are integrated into the ASIC for all upstream and downstream ports. The downstream ports support full-speed and low-speed devices by automatically setting the slew rate according to the speed of the device attached to the ports. The configuration of the BUSPWR pin selects either the bus-powered or the self-powered mode.
Configuring the GANGED input determines the power switching and overcurrent detection modes for the downstream ports. If GANGED is high, allPWRONoutputs switch together and if anyOVRCURis activated, all ports transition to the power-off state. If GANGED is low, thePWRONoutputs andOVRCURinputs operate on a per-port basis.
The TUSB2046x provides the flexibility of using a 6-MHz or a 48-MHz clock. The logic level of the TSTMODE terminal controls the selection of the clock source. When TSTMODE is low, the output of the internal APLL circuitry is selected to drive the internal core of the device. When TSTMODE is high, the TSTPLL/48MCLK input is selected as the input clock source and the APLL circuitry is powered down and bypassed. The internal oscillator cell is also powered down while TSTMODE is high. Low EMI emission is achieved because the TUSB2046x can usee a 6-MHz crystal input. Connect the crystal as shown in Figure 6. An internal PLL then generates the 48-MHz clock used to sample data from the upstream port and to synchronize the 12 MHz used for the USB clock. If low-power suspend and resume are desired, a passive crystal or resonator must be used. However, a 6-MHz oscillator may be used by connecting the output to the XTAL1 pin and leaving the XTAL2 pin open. The oscillator TTL output must not exceed 3.6 V.
For 48-MHz operation, the clock cannot be generated with a crystal using the XTAL2 output because the internal oscillator cell supports only the fundamental frequency. Other useful features of the TUSB2046x include a package with a 0.8-mm pin pitch for easy PCB routing and assembly, push-pull outputs for thePWRONpins eliminate the need for pullup resistors required by traditional open-collector I/Os, andOVRCURpins have noise filtering for increased immunity to voltage spikes.
The TUSB2046x is a 3.3-V CMOS hub device that provides one upstream port and four downstream ports in compliance with the Universal Serial Bus (USB) specification as a full-speed hub. Because this device is implemented with a digital state machine instead of a microcontroller, no firmwareprogramming is required. Fully compliant USB transceivers are integrated into the ASIC for all upstream and downstream ports. The downstream ports support full-speed and low-speed devices by automatically setting the slew rate according to the speed of the device attached to the ports. The configuration of the BUSPWR pin selects either the bus-powered or the self-powered mode.
Configuring the GANGED input determines the power switching and overcurrent detection modes for the downstream ports. If GANGED is high, allPWRONoutputs switch together and if anyOVRCURis activated, all ports transition to the power-off state. If GANGED is low, thePWRONoutputs andOVRCURinputs operate on a per-port basis.
The TUSB2046x provides the flexibility of using a 6-MHz or a 48-MHz clock. The logic level of the TSTMODE terminal controls the selection of the clock source. When TSTMODE is low, the output of the internal APLL circuitry is selected to drive the internal core of the device. When TSTMODE is high, the TSTPLL/48MCLK input is selected as the input clock source and the APLL circuitry is powered down and bypassed. The internal oscillator cell is also powered down while TSTMODE is high. Low EMI emission is achieved because the TUSB2046x can usee a 6-MHz crystal input. Connect the crystal as shown in Figure 6. An internal PLL then generates the 48-MHz clock used to sample data from the upstream port and to synchronize the 12 MHz used for the USB clock. If low-power suspend and resume are desired, a passive crystal or resonator must be used. However, a 6-MHz oscillator may be used by connecting the output to the XTAL1 pin and leaving the XTAL2 pin open. The oscillator TTL output must not exceed 3.6 V.
For 48-MHz operation, the clock cannot be generated with a crystal using the XTAL2 output because the internal oscillator cell supports only the fundamental frequency. Other useful features of the TUSB2046x include a package with a 0.8-mm pin pitch for easy PCB routing and assembly, push-pull outputs for thePWRONpins eliminate the need for pullup resistors required by traditional open-collector I/Os, andOVRCURpins have noise filtering for increased immunity to voltage spikes. |
| Controllers | 2 | Obsolete | |
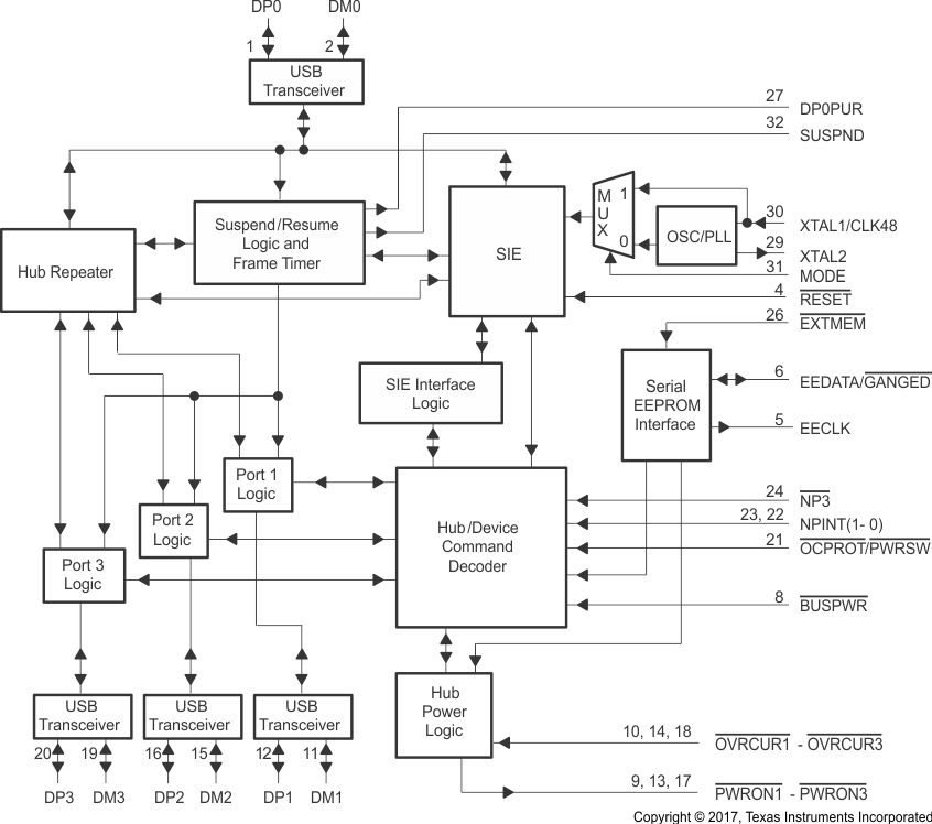
TUSB20777-Port Full-Speed 12Mbps USB 2.0 Hub | Integrated Circuits (ICs) | 3 | Active | The TUSB2077A hub is a 3.3-V CMOS device that provides up to seven downstream ports in compliance with the USB 2.0 specification. Because this device is implemented with a digital state machine instead of a microcontroller, no software programming is required. Fully compliant USB transceivers are integrated into the ASIC for all upstream and downstream ports. The downstream ports support full-speed and low-speed devices by automatically setting the slew rate according to the speed of the device attached to the ports. The configuration of theBUSPWRterminal selects either the bus-powered or self-powered mode. The introduction of the DP0 pull-up resistor disable terminal, DP0PUR, makes it much easier to implement an onboard bus/self-power dynamic-switching circuitry. The three-LED indicator control output pins also enable the implementation of visualized status monitoring of the hub and its downstream ports. With these new function pins, the end equipment vendor can considerably reduce the total board cost while adding additional product value.
TheEXTMEMpin (pin 47) enables or disables the optional EEPROM interface. WhenEXTMEMis high, the vendor and product IDs (VID and PID) use defaults, such that the message displayed during enumeration is General Purpose USB Hub.
The TUSB2077A supports bus-powered and self-powered modes. External power-management devices, such as the TPS2044, are required to control the 5-V power source switching (on/off) to the downstream ports and to detect an overcurrent condition from the downstream ports individually or ganged. An individually port power controlled hub switches power on or off to each downstream port as requested by the USB host. Also when an individually port power controlled hub senses an overcurrent event, only power to the affected downstream port will be switched off. A ganged hub switches on power to all its downstream ports when power must be on for any port. The power to the downstream ports is not switched off unless all ports are in a state that allows power to be removed. Also, when a ganged hub senses an overcurrent event, power to all downstream ports will be switched off.
The TUSB2077A hub is a 3.3-V CMOS device that provides up to seven downstream ports in compliance with the USB 2.0 specification. Because this device is implemented with a digital state machine instead of a microcontroller, no software programming is required. Fully compliant USB transceivers are integrated into the ASIC for all upstream and downstream ports. The downstream ports support full-speed and low-speed devices by automatically setting the slew rate according to the speed of the device attached to the ports. The configuration of theBUSPWRterminal selects either the bus-powered or self-powered mode. The introduction of the DP0 pull-up resistor disable terminal, DP0PUR, makes it much easier to implement an onboard bus/self-power dynamic-switching circuitry. The three-LED indicator control output pins also enable the implementation of visualized status monitoring of the hub and its downstream ports. With these new function pins, the end equipment vendor can considerably reduce the total board cost while adding additional product value.
TheEXTMEMpin (pin 47) enables or disables the optional EEPROM interface. WhenEXTMEMis high, the vendor and product IDs (VID and PID) use defaults, such that the message displayed during enumeration is General Purpose USB Hub.
The TUSB2077A supports bus-powered and self-powered modes. External power-management devices, such as the TPS2044, are required to control the 5-V power source switching (on/off) to the downstream ports and to detect an overcurrent condition from the downstream ports individually or ganged. An individually port power controlled hub switches power on or off to each downstream port as requested by the USB host. Also when an individually port power controlled hub senses an overcurrent event, only power to the affected downstream port will be switched off. A ganged hub switches on power to all its downstream ports when power must be on for any port. The power to the downstream ports is not switched off unless all ports are in a state that allows power to be removed. Also, when a ganged hub senses an overcurrent event, power to all downstream ports will be switched off. |
| Integrated Circuits (ICs) | 5 | Active | |
TUSB211AUSB 2.0 480-Mbps high-speed signal conditioner | Integrated Circuits (ICs) | 2 | Active | The TUSB211A is a third-generation USB 2.0 high-speed signal conditioner designed to compensate both AC loss (due to capacitive load) and DC loss (due to resistive loss) in the transmission channel.
The TUSB211A leverages a patented design to speed-up transition edges of USB 2.0 high-speed signal with an edge booster and increases static levels with a DC boost function.
In addition, the TUSB211A includes a pre-equalization function to compensate the inter-symbol interference (ISI) jitter in application with longer cable length. USB low-speed and full-speed signal characteristics are unaffected by the TUSB211A.
The TUSB211A improves signal quality without altering packet timing or adding propagation delay or latency.
The TUSB211A helps a system to pass the USB 2.0 high-speed near end eye compliance with a cable as long as 5 meters.
The TUSB211A is compatible with USB On-The-Go (OTG) and Battery Charging (BC) protocols.
The TUSB211A is a third-generation USB 2.0 high-speed signal conditioner designed to compensate both AC loss (due to capacitive load) and DC loss (due to resistive loss) in the transmission channel.
The TUSB211A leverages a patented design to speed-up transition edges of USB 2.0 high-speed signal with an edge booster and increases static levels with a DC boost function.
In addition, the TUSB211A includes a pre-equalization function to compensate the inter-symbol interference (ISI) jitter in application with longer cable length. USB low-speed and full-speed signal characteristics are unaffected by the TUSB211A.
The TUSB211A improves signal quality without altering packet timing or adding propagation delay or latency.
The TUSB211A helps a system to pass the USB 2.0 high-speed near end eye compliance with a cable as long as 5 meters.
The TUSB211A is compatible with USB On-The-Go (OTG) and Battery Charging (BC) protocols. |
TUSB211A-Q1Automotive, USB 2.0 480Mbps high-speed signal conditioner | Integrated Circuits (ICs) | 2 | Active | The TUSB211A-Q1 is a third-generation USB™ 2.0 high-speed signal conditioner designed to compensate both AC loss (due to capacitive load) and DC loss (due to resistive loss) in the transmission channel.
The TUSB211A-Q1 leverages a patented design to speed-up transition edges of USB 2.0 high-speed signal with an edge booster and increases static levels with a DC boost function.
In addition, the TUSB211A-Q1 includes a pre-equalization function to compensate the inter-symbol interference (ISI) jitter in application with longer cable length. USB low-speed and full-speed signal characteristics are unaffected by the TUSB211A-Q1.
The TUSB211A-Q1 improves signal quality without altering packet timing or adding propagation delay or latency.
The TUSB211A-Q1 helps a system to pass the USB 2.0 high-speed near end eye compliance with a cable as long as 5 meters.
The TUSB211A-Q1 is compatible with USB On-The-Go (OTG) and Battery Charging (BC) protocols.
The TUSB211A-Q1 is a third-generation USB™ 2.0 high-speed signal conditioner designed to compensate both AC loss (due to capacitive load) and DC loss (due to resistive loss) in the transmission channel.
The TUSB211A-Q1 leverages a patented design to speed-up transition edges of USB 2.0 high-speed signal with an edge booster and increases static levels with a DC boost function.
In addition, the TUSB211A-Q1 includes a pre-equalization function to compensate the inter-symbol interference (ISI) jitter in application with longer cable length. USB low-speed and full-speed signal characteristics are unaffected by the TUSB211A-Q1.
The TUSB211A-Q1 improves signal quality without altering packet timing or adding propagation delay or latency.
The TUSB211A-Q1 helps a system to pass the USB 2.0 high-speed near end eye compliance with a cable as long as 5 meters.
The TUSB211A-Q1 is compatible with USB On-The-Go (OTG) and Battery Charging (BC) protocols. |
TUSB212USB 2.0 high speed signal conditioner with DC boost | Interface | 7 | Active | The TUSB212 is a USB High-Speed (HS) signal conditioner, designed to compensate for ISI signal loss in a transmission channel.
TUSB212 has a patent-pending design which is agnostic to USB Low Speed (LS) and Full Speed (FS) signals. LS and FS signal characteristics are unaffected by the TUSB212 while HS signals are compensated.
Programmable signal AC boost and DC boost permits fine tuning device performance to optimize High Speed signals at the connector. This helps to pass USB High Speed electrical compliance tests.
In addition, TUSB212 is compatible with the USB On-The-Go (OTG) and Battery Charging (BC) protocols.
The TUSB212 is a USB High-Speed (HS) signal conditioner, designed to compensate for ISI signal loss in a transmission channel.
TUSB212 has a patent-pending design which is agnostic to USB Low Speed (LS) and Full Speed (FS) signals. LS and FS signal characteristics are unaffected by the TUSB212 while HS signals are compensated.
Programmable signal AC boost and DC boost permits fine tuning device performance to optimize High Speed signals at the connector. This helps to pass USB High Speed electrical compliance tests.
In addition, TUSB212 is compatible with the USB On-The-Go (OTG) and Battery Charging (BC) protocols. |