T
Texas Instruments
| Series | Category | # Parts | Status | Description |
|---|---|---|---|---|
| Part | Spec A | Spec B | Spec C | Spec D | Description |
|---|---|---|---|---|---|
| Series | Category | # Parts | Status | Description |
|---|---|---|---|---|
| Part | Spec A | Spec B | Spec C | Spec D | Description |
|---|---|---|---|---|---|
| Part | Category | Description |
|---|---|---|
Texas Instruments BQ2002CSNTRG4Unknown | Integrated Circuits (ICs) | LINEAR BATTERY CHARGER NICD/NIMH 2000MA 0V TO 6V 8-PIN SOIC T/R |
Texas Instruments LM3676SDX-3.3Obsolete | Integrated Circuits (ICs) | IC REG BUCK 3.3V 600MA 8WSON |
Texas Instruments | Integrated Circuits (ICs) | TMX320DRE311 179PIN UBGA 200MHZ |
Texas Instruments UCC3580N-1G4Obsolete | Integrated Circuits (ICs) | IC REG CTRLR FWRD CONV 16DIP |
Texas Instruments LM2831YMF EVALObsolete | Development Boards Kits Programmers | EVAL BOARD FOR LM2831 |
Texas Instruments | Integrated Circuits (ICs) | BUFFER/LINE DRIVER 8-CH NON-INVERTING 3-ST CMOS 20-PIN SSOP T/R |
Texas Instruments | Integrated Circuits (ICs) | ANALOG OTHER PERIPHERALS |
Texas Instruments | Integrated Circuits (ICs) | RADIATION-HARDENED, QMLP 60V HAL |
Texas Instruments SN75LVDS051DRObsolete | Integrated Circuits (ICs) | IC TRANSCEIVER FULL 2/2 16SOIC |
Texas Instruments | Integrated Circuits (ICs) | AUTOMOTIVE OCTAL D-TYPE FLIP-FLO |
| Series | Category | # Parts | Status | Description |
|---|---|---|---|---|
TPS9251565-V 2-A LED driver with Integrated NFET, high-side current Sense, and Shunt PWM dimming Capable | LED Driver Evaluation Boards | 10 | Active | The TPS92515 family of devices are compact monolithic switching regulators integrating a low resistance N-Channel MOSFET. The devices are intended for high-brightness LED lighting applications where efficiency, high bandwidth, PWM and/or analog dimming and small size are important.
The regulator operates using a constant off-time, peak current control. The operation is simple: after an off-time based on the output voltage, an on-time begins. The on-time ends once the inductor peak current threshold is reached. The TPS92515 device can be configured to maintain a constant peak-to-peak ripple during the ON and OFF periods of a shunt FET dimming cycle. This is ideal for maintaining a linear response across the entire shunt FET dimming range.
Steady-state accuracy is aided by the inclusion of a low-offset, high-side comparator. LED current can be modulated using either Analog or PWM dimming, or both simultaneously. Other features include UVLO, wide input voltage operation, inherent LED Open operation and wide operating temperature range with thermal shut-down.
The TPS92515 and TPS92515-Q1 devices have an operational input range up to 42 V. The TPS92515HV and TPS92515HV-Q1 offer high-voltage options with an input range up to 65 V. All are available in a thermally enhanced 10-pin HVSSOP package.
The TPS92515 family of devices are compact monolithic switching regulators integrating a low resistance N-Channel MOSFET. The devices are intended for high-brightness LED lighting applications where efficiency, high bandwidth, PWM and/or analog dimming and small size are important.
The regulator operates using a constant off-time, peak current control. The operation is simple: after an off-time based on the output voltage, an on-time begins. The on-time ends once the inductor peak current threshold is reached. The TPS92515 device can be configured to maintain a constant peak-to-peak ripple during the ON and OFF periods of a shunt FET dimming cycle. This is ideal for maintaining a linear response across the entire shunt FET dimming range.
Steady-state accuracy is aided by the inclusion of a low-offset, high-side comparator. LED current can be modulated using either Analog or PWM dimming, or both simultaneously. Other features include UVLO, wide input voltage operation, inherent LED Open operation and wide operating temperature range with thermal shut-down.
The TPS92515 and TPS92515-Q1 devices have an operational input range up to 42 V. The TPS92515HV and TPS92515HV-Q1 offer high-voltage options with an input range up to 65 V. All are available in a thermally enhanced 10-pin HVSSOP package. |
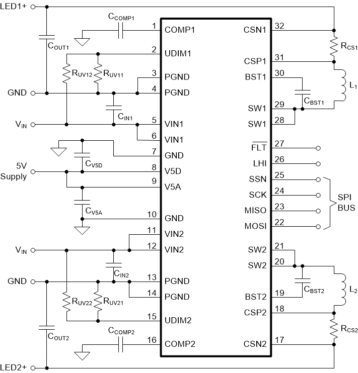
TPS9251842-V automotive dual buck LED controller with SPI interface, analog and PWM dimming | LED Drivers | 8 | Active | The TPS92518-Q1 family of parts are dual channel buck LED current controllers with a SPI communications interface. The serial communication interface provides a singular communication path for multichannel and platform lighting driver module (LDM) applications.
The TPS92518-Q1 uses a quasi-hysteretic control method that supports switching frequencies ranging from 1 kHz to 2 MHz. This control method enables superior, high frequency shunt FET dimming and also handles the demanding dynamic loads of adaptive LED matrix based headlamp systems.
Software programmable SPI set points (Precision Peak Current, Controlled Off-Time and Output Voltage Sense) enables designers to develop a single LED driver solution for multiple load configurations that can be quickly reconfigured for future LED driver design requirements.
The TPS92518-Q1 device has an input range up to 42 V. The TPS92518HV-Q1 is a high-voltage option with an input range up to 65 V.
The TPS92518-Q1 family of parts are dual channel buck LED current controllers with a SPI communications interface. The serial communication interface provides a singular communication path for multichannel and platform lighting driver module (LDM) applications.
The TPS92518-Q1 uses a quasi-hysteretic control method that supports switching frequencies ranging from 1 kHz to 2 MHz. This control method enables superior, high frequency shunt FET dimming and also handles the demanding dynamic loads of adaptive LED matrix based headlamp systems.
Software programmable SPI set points (Precision Peak Current, Controlled Off-Time and Output Voltage Sense) enables designers to develop a single LED driver solution for multiple load configurations that can be quickly reconfigured for future LED driver design requirements.
The TPS92518-Q1 device has an input range up to 42 V. The TPS92518HV-Q1 is a high-voltage option with an input range up to 65 V. |
| LED Drivers | 1 | Active | ||
| Development Boards, Kits, Programmers | 3 | Active | ||
TPS92530-Q1Automotive 3-channel, constant-current and constant-voltage synchronous buck LED driver | Power Management (PMIC) | 1 | Active | Automotive headlight and adaptive LED driving module
Automotive headlight and adaptive LED driving module |
TPS92543-Q1Automotive, 65V synchronous boost controller, 2A synchronous CC buck and bypass FET controller | Integrated Circuits (ICs) | 1 | Active | The TPS92543 device contains a synchronous BOOST controller and a monolithic synchronous buck LED driver with a wide 4.5V to 65V operating BUCK input voltage range. The TPS92543 includes two sub-strings of three series connected floating bypass FET controllers.
The synchronous BOOST controller implements a peak current-mode controller to operate in constant voltage mode. The Boost can be programmed to operate as dual-phase together with another TPS92543. The output voltage can be programmed using a programmable 8-bit DAC.
The monolithic synchronous BUCK implements an adaptive on-time average current mode control and is designed to be compatible with shunt FET dimming techniques and LED matrix manager-based dynamic beam headlamps. The adaptive on-time control provides near constant switching frequency that can be set between 100kHz and 1.0MHz. Inductor current sensing and closed-loop feedback enable better than ±4% accuracy over wide input voltage, output voltage and ambient temperature range.
The TPS92543 incorporates two sub-strings of three series connected floating bypass FET controllers to perform LED shunt FET dimming. Each controller can perform FET dimming with segment voltages of up to 55V. The device includes programmable registers for phase shift and pulse width of each individual segment.
The TPS92543 includes an internal oscillator. The UART serial interface is compatible with TPS9266x, and TPS9254x devices. The internal EEPROM can store system defaults as well as calibration and lighting module data. The four configurable MPIOs can be configured as digital inputs or outputs, or ADC input for use with system temperature compensation, LED binning and coding.
The TPS92543-Q1 is available in a 7.0mm × 7.0mm thermally-enhanced 48-pin HTQFP package with top-exposed pad.
The TPS92543 device contains a synchronous BOOST controller and a monolithic synchronous buck LED driver with a wide 4.5V to 65V operating BUCK input voltage range. The TPS92543 includes two sub-strings of three series connected floating bypass FET controllers.
The synchronous BOOST controller implements a peak current-mode controller to operate in constant voltage mode. The Boost can be programmed to operate as dual-phase together with another TPS92543. The output voltage can be programmed using a programmable 8-bit DAC.
The monolithic synchronous BUCK implements an adaptive on-time average current mode control and is designed to be compatible with shunt FET dimming techniques and LED matrix manager-based dynamic beam headlamps. The adaptive on-time control provides near constant switching frequency that can be set between 100kHz and 1.0MHz. Inductor current sensing and closed-loop feedback enable better than ±4% accuracy over wide input voltage, output voltage and ambient temperature range.
The TPS92543 incorporates two sub-strings of three series connected floating bypass FET controllers to perform LED shunt FET dimming. Each controller can perform FET dimming with segment voltages of up to 55V. The device includes programmable registers for phase shift and pulse width of each individual segment.
The TPS92543 includes an internal oscillator. The UART serial interface is compatible with TPS9266x, and TPS9254x devices. The internal EEPROM can store system defaults as well as calibration and lighting module data. The four configurable MPIOs can be configured as digital inputs or outputs, or ADC input for use with system temperature compensation, LED binning and coding.
The TPS92543-Q1 is available in a 7.0mm × 7.0mm thermally-enhanced 48-pin HTQFP package with top-exposed pad. |
| Evaluation Boards | 3 | Active | ||
| LED Drivers | 2 | Active | ||
TPS92560Simple LED driver for MR16 and AR111 Applications | Evaluation Boards | 3 | Active | The TPS92560 is a simple LED driver designed to drive high-power LEDs by drawing constant current from the power source. The device is ideal for MR16 and AR111 applications, which require good compatibility to DC and AC voltages and electronic transformers. The hysteretic control scheme does not need control loop compensation while providing the benefits of fast transient response and high power factor. The patent pending feedback control method allows the output power to be determined by the number of LED used without component change. The TPS92560 supports both boost and SEPIC configurations for the use of different LED modules.
The TPS92560 is a simple LED driver designed to drive high-power LEDs by drawing constant current from the power source. The device is ideal for MR16 and AR111 applications, which require good compatibility to DC and AC voltages and electronic transformers. The hysteretic control scheme does not need control loop compensation while providing the benefits of fast transient response and high power factor. The patent pending feedback control method allows the output power to be determined by the number of LED used without component change. The TPS92560 supports both boost and SEPIC configurations for the use of different LED modules. |
TPS92561Phase dimmable, Single Stage boost controller for LED Lighting | Power Management (PMIC) | 2 | Active | The TPS92561 device is a boost controller for LED lighting applications utilizing high-voltage, low-current LEDs. A boost converter approach to lighting applications allows the creation of the smallest volume converter possible and enables high efficiencies beyond 90%. The device incorporates a current sense comparator with a fixed offset enabling a simple hysteretic control scheme free of the loop compensation issues typically associated with a boost converter. The integrated OVP and VCC regulator further simplify the design procedure and reduce external component count.
The TPS92561 device is a boost controller for LED lighting applications utilizing high-voltage, low-current LEDs. A boost converter approach to lighting applications allows the creation of the smallest volume converter possible and enables high efficiencies beyond 90%. The device incorporates a current sense comparator with a fixed offset enabling a simple hysteretic control scheme free of the loop compensation issues typically associated with a boost converter. The integrated OVP and VCC regulator further simplify the design procedure and reduce external component count. |