TPS650331-Q118-V PMIC with 3 buck converters and 1 LDO for camera modules up to ASIL B | Power Management (PMIC) | 1 | Active | The TPS650331-Q1 device is a highly integrated power management IC for automotive camera modules. This device combines three step-down converters and one low-dropout (LDO) regulator. The BUCK1 step-down converter has an input voltage range up to 18.3 V for connections to power over coax (PoC). All converters operate in a forced fixed-frequency PWM mode. The LDO can supply 300 mA and operate with an input voltage range from 2.5 V to 5.5 V. The step-down converters and the LDO have separate voltage inputs that enable maximum design and sequencing flexibility.
The TPS650331-Q1 is available in a 24-pin VQFN package (4.00 mm × 4.00 mm).
The TPS650331-Q1 device is a highly integrated power management IC for automotive camera modules. This device combines three step-down converters and one low-dropout (LDO) regulator. The BUCK1 step-down converter has an input voltage range up to 18.3 V for connections to power over coax (PoC). All converters operate in a forced fixed-frequency PWM mode. The LDO can supply 300 mA and operate with an input voltage range from 2.5 V to 5.5 V. The step-down converters and the LDO have separate voltage inputs that enable maximum design and sequencing flexibility.
The TPS650331-Q1 is available in a 24-pin VQFN package (4.00 mm × 4.00 mm). |
| Voltage Regulators - Linear + Switching | 23 | Active | |
TPS650333-Q118-V PMIC with 3 buck converters and 1 LDO for camera modules up to ASIL B | Uncategorized | 3 | Active | The TPS650333-Q1 device is a highly integrated power management IC for automotive camera modules. This device combines three step-down converters and one low-dropout (LDO) regulator. The BUCK1 step-down converter has an input voltage range up to 18.3 V for connections to power over coax (PoC). All converters operate in a forced fixed-frequency PWM mode. The LDO can supply 300 mA and operate with an input voltage range from 2.5 V to 5.5 V. The step-down converters and the LDO have separate voltage inputs that enable maximum design and sequencing flexibility.
The TPS650333-Q1 is available in a 24-pin VQFN package (4.00 mm × 4.00 mm).
The TPS650333-Q1 device is a highly integrated power management IC for automotive camera modules. This device combines three step-down converters and one low-dropout (LDO) regulator. The BUCK1 step-down converter has an input voltage range up to 18.3 V for connections to power over coax (PoC). All converters operate in a forced fixed-frequency PWM mode. The LDO can supply 300 mA and operate with an input voltage range from 2.5 V to 5.5 V. The step-down converters and the LDO have separate voltage inputs that enable maximum design and sequencing flexibility.
The TPS650333-Q1 is available in a 24-pin VQFN package (4.00 mm × 4.00 mm). |
TPS650350-Q118V PMIC with three buck converters and one LDO for camera modules | Power Management (PMIC) | 3 | Active | The TPS650350-Q1 device is a highly integrated power management IC for automotive camera modules. This device combines three step down converters and one low-dropout (LDO) regulator. The BUCK1 step-down converter has an input voltage range up to 18.3 V for connections to Power over Coax (PoC). All converters operate in a forced fixed-frequency PWM mode. The LDO can supply 300 mA and operate with an input voltage range from 2.5 V to 5.5 V. The step-down converters and the LDO have separate voltage inputs that enable maximum design and sequencing flexibility.
The TPS650350-Q1 is available in a 22-pin WQFN package (3.0 mm × 3.5 mm).
The TPS650350-Q1 device is a highly integrated power management IC for automotive camera modules. This device combines three step down converters and one low-dropout (LDO) regulator. The BUCK1 step-down converter has an input voltage range up to 18.3 V for connections to Power over Coax (PoC). All converters operate in a forced fixed-frequency PWM mode. The LDO can supply 300 mA and operate with an input voltage range from 2.5 V to 5.5 V. The step-down converters and the LDO have separate voltage inputs that enable maximum design and sequencing flexibility.
The TPS650350-Q1 is available in a 22-pin WQFN package (3.0 mm × 3.5 mm). |
TPS650352-Q1Automotive 18V PMIC with three buck converters and one LDO for camera modules | Integrated Circuits (ICs) | 1 | Active | The TPS650352-Q1 device is a highly integrated power management IC for automotive camera modules. This device combines three step down converters and one low-dropout (LDO) regulator. The BUCK1 step-down converter has an input voltage range up to 18.3V for connections to Power over Coax (PoC). All converters operate in a forced fixed-frequency PWM mode. The LDO can supply 300mA and operate with an input voltage range from 2.5V to 5.5V. The step-down converters and the LDO have separate voltage inputs that enable maximum design and sequencing flexibility.
The TPS650352-Q1 is available in a 22-pin WQFN package (3.0mm × 3.5mm).
The TPS650352-Q1 device is a highly integrated power management IC for automotive camera modules. This device combines three step down converters and one low-dropout (LDO) regulator. The BUCK1 step-down converter has an input voltage range up to 18.3V for connections to Power over Coax (PoC). All converters operate in a forced fixed-frequency PWM mode. The LDO can supply 300mA and operate with an input voltage range from 2.5V to 5.5V. The step-down converters and the LDO have separate voltage inputs that enable maximum design and sequencing flexibility.
The TPS650352-Q1 is available in a 22-pin WQFN package (3.0mm × 3.5mm). |
| Power Management (PMIC) | 5 | Active | |
TPS65051Automotive 1.5V to 6.5V, 2 Buck & 4 LDO Power Management IC | Development Boards, Kits, Programmers | 5 | Active | The TPS65051-Q1 device is an integrated power-management IC for applications powered by one Li-Ion or Li-Polymer cell, which requires multiple power rails. The TPS65051-Q1 device provides two efficient, 2.25-MHz step-down converters targeted at providing the core voltage and I/O voltage in a processor-based system. Both step-down converters enter a low-power mode at light load for maximum efficiency across the widest possible range of load currents.
For low-noise applications, the user can force the devices into fixed-frequency PWM mode by pulling the MODE pin high. Operating in the shutdown mode reduces the current consumption to less than 1 μA. The devices allow the use of small inductors and capacitors to achieve a small solution size. The TPS65051-Q1 device provides an output current of up to 1 A (DCDC1) and 0.6 A (DCDC2). The TPS65051-Q1 device also integrates two 400-mA LDO and two 200-mA LDO voltage regulators, which one can turn on or off using separate enable pins on each LDO. Each LDO operates with an input voltage range between 1.5 V and 6.5 V, allowing the supply to be from one of the step-down converters or directly from the main battery.
The LDO voltage of the TPS65051-Q1 device is adjustable using external resistor dividers.
The TPS65051-Q1 device is an integrated power-management IC for applications powered by one Li-Ion or Li-Polymer cell, which requires multiple power rails. The TPS65051-Q1 device provides two efficient, 2.25-MHz step-down converters targeted at providing the core voltage and I/O voltage in a processor-based system. Both step-down converters enter a low-power mode at light load for maximum efficiency across the widest possible range of load currents.
For low-noise applications, the user can force the devices into fixed-frequency PWM mode by pulling the MODE pin high. Operating in the shutdown mode reduces the current consumption to less than 1 μA. The devices allow the use of small inductors and capacitors to achieve a small solution size. The TPS65051-Q1 device provides an output current of up to 1 A (DCDC1) and 0.6 A (DCDC2). The TPS65051-Q1 device also integrates two 400-mA LDO and two 200-mA LDO voltage regulators, which one can turn on or off using separate enable pins on each LDO. Each LDO operates with an input voltage range between 1.5 V and 6.5 V, allowing the supply to be from one of the step-down converters or directly from the main battery.
The LDO voltage of the TPS65051-Q1 device is adjustable using external resistor dividers. |
| Integrated Circuits (ICs) | 2 | Obsolete | |
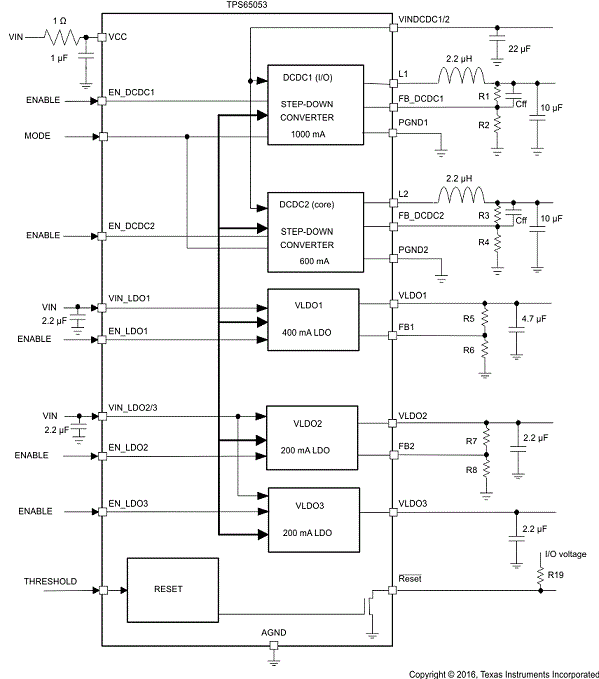
TPS65053Configurable Integrated Power Management (PMIC) with two DC/DC converters and three LDOs | Evaluation Boards | 13 | Active | The TPS65053-Q1 device is integrated power management IC (PMIC) for applications powered by one Li-Ion or Li-Polymer cell, which require multiple power rails. The TPS65053-Q1 device provides two highly efficient, 2.25-MHz step-down converters targeted at providing the core voltage and I/O voltage in a processor-based system. Both step-down converters enter a low power mode at light loads for maximum efficiency across the widest possible range of load currents. For low-noise applications, the devices can be forced into fixed-frequency PWM mode by pulling the MODE pin high. Both converters allow the use of small inductors and capacitors to achieve a small solution size.
The TPS65053-Q1 device provides an output current of up to 1 A on the DCDC1 converter and up to 0.6 A on the DCDC2 converter. The device also integrates one 400-mA LDO and two 200-mA LDO voltage regulators, which can be turned on and off using separate enable pins on each LDO. Each LDO operates with an input voltage range from 1.5 V to 6.5 V, allowing them to be supplied from one of the step-down converters or directly from the main battery. LDO1 and LDO2 are externally adjustable, while LDO3 has a fixed output voltage of 1.3 V.
The TPS65053-Q1 device is available in a small 24-pin leadless package (4-mm × 4-mm VQFN) with a 0,5-mm pitch.
The TPS65053-Q1 device is integrated power management IC (PMIC) for applications powered by one Li-Ion or Li-Polymer cell, which require multiple power rails. The TPS65053-Q1 device provides two highly efficient, 2.25-MHz step-down converters targeted at providing the core voltage and I/O voltage in a processor-based system. Both step-down converters enter a low power mode at light loads for maximum efficiency across the widest possible range of load currents. For low-noise applications, the devices can be forced into fixed-frequency PWM mode by pulling the MODE pin high. Both converters allow the use of small inductors and capacitors to achieve a small solution size.
The TPS65053-Q1 device provides an output current of up to 1 A on the DCDC1 converter and up to 0.6 A on the DCDC2 converter. The device also integrates one 400-mA LDO and two 200-mA LDO voltage regulators, which can be turned on and off using separate enable pins on each LDO. Each LDO operates with an input voltage range from 1.5 V to 6.5 V, allowing them to be supplied from one of the step-down converters or directly from the main battery. LDO1 and LDO2 are externally adjustable, while LDO3 has a fixed output voltage of 1.3 V.
The TPS65053-Q1 device is available in a small 24-pin leadless package (4-mm × 4-mm VQFN) with a 0,5-mm pitch. |
| Integrated Circuits (ICs) | 2 | Obsolete | |