T
Texas Instruments
| Series | Category | # Parts | Status | Description |
|---|---|---|---|---|
| Part | Spec A | Spec B | Spec C | Spec D | Description |
|---|---|---|---|---|---|
| Series | Category | # Parts | Status | Description |
|---|---|---|---|---|
| Part | Spec A | Spec B | Spec C | Spec D | Description |
|---|---|---|---|---|---|
| Part | Category | Description |
|---|---|---|
Texas Instruments BQ2002CSNTRG4Unknown | Integrated Circuits (ICs) | LINEAR BATTERY CHARGER NICD/NIMH 2000MA 0V TO 6V 8-PIN SOIC T/R |
Texas Instruments LM3676SDX-3.3Obsolete | Integrated Circuits (ICs) | IC REG BUCK 3.3V 600MA 8WSON |
Texas Instruments | Integrated Circuits (ICs) | TMX320DRE311 179PIN UBGA 200MHZ |
Texas Instruments UCC3580N-1G4Obsolete | Integrated Circuits (ICs) | IC REG CTRLR FWRD CONV 16DIP |
Texas Instruments LM2831YMF EVALObsolete | Development Boards Kits Programmers | EVAL BOARD FOR LM2831 |
Texas Instruments | Integrated Circuits (ICs) | BUFFER/LINE DRIVER 8-CH NON-INVERTING 3-ST CMOS 20-PIN SSOP T/R |
Texas Instruments | Integrated Circuits (ICs) | ANALOG OTHER PERIPHERALS |
Texas Instruments | Integrated Circuits (ICs) | RADIATION-HARDENED, QMLP 60V HAL |
Texas Instruments SN75LVDS051DRObsolete | Integrated Circuits (ICs) | IC TRANSCEIVER FULL 2/2 16SOIC |
Texas Instruments | Integrated Circuits (ICs) | AUTOMOTIVE OCTAL D-TYPE FLIP-FLO |
| Series | Category | # Parts | Status | Description |
|---|---|---|---|---|
| Development Boards, Kits, Programmers | 3 | Active | ||
TPS650861User programmable 3 converter, 3 controller, 4 LDO, & 3 load switch Power Management IC (PMIC) | Special Purpose Regulators | 1 | Active | The TPS650861 device family is a single-chip power-management IC (PMIC) designed to be programmed for optimal output voltages and sequencing. The TPS650861 has three controllers to provide flexible power capable of up to 30A with large external FETs for high power designs but which can scale down in both size and cost for smaller designs. Combined with three 3A converters, three general purpose LDOs, a termination LDO for DDR, and three load switches, the TPS650861 can provide system power for a wide variety of applications. The D-CAP2™ and DCS-Control high-frequency voltage regulators use small passives to achieve a small solution size. The D-CAP2 and DCS-Control topologies have excellent transient response performance, ideal for processor core and system memory rails that have fast load switching. The device has two banks of one-time programmable (OTP) memory. For large volume opportunities, please contact a local TI sales representative to determine if use of TI’s manufacturing for a custom OTP is available. Third party distributors may also support programming of the TPS650861.
The TPS650861 device family is a single-chip power-management IC (PMIC) designed to be programmed for optimal output voltages and sequencing. The TPS650861 has three controllers to provide flexible power capable of up to 30A with large external FETs for high power designs but which can scale down in both size and cost for smaller designs. Combined with three 3A converters, three general purpose LDOs, a termination LDO for DDR, and three load switches, the TPS650861 can provide system power for a wide variety of applications. The D-CAP2™ and DCS-Control high-frequency voltage regulators use small passives to achieve a small solution size. The D-CAP2 and DCS-Control topologies have excellent transient response performance, ideal for processor core and system memory rails that have fast load switching. The device has two banks of one-time programmable (OTP) memory. For large volume opportunities, please contact a local TI sales representative to determine if use of TI’s manufacturing for a custom OTP is available. Third party distributors may also support programming of the TPS650861. |
TPS65086100User programmable 3 converter, 3 controller, 4 LDO, & 3 load switch Power Management IC (PMIC) | Integrated Circuits (ICs) | 1 | Active | The TPS650861 device family is a single-chip power-management IC (PMIC) designed to be programmed for optimal output voltages and sequencing. The TPS650861 has three controllers to provide flexible power capable of up to 30A with large external FETs for high power designs but which can scale down in both size and cost for smaller designs. Combined with three 3A converters, three general purpose LDOs, a termination LDO for DDR, and three load switches, the TPS650861 can provide system power for a wide variety of applications. The D-CAP2™ and DCS-Control high-frequency voltage regulators use small passives to achieve a small solution size. The D-CAP2 and DCS-Control topologies have excellent transient response performance, ideal for processor core and system memory rails that have fast load switching. The device has two banks of one-time programmable (OTP) memory. For large volume opportunities, please contact a local TI sales representative to determine if use of TI’s manufacturing for a custom OTP is available. Third party distributors may also support programming of the TPS650861.
The TPS650861 device family is a single-chip power-management IC (PMIC) designed to be programmed for optimal output voltages and sequencing. The TPS650861 has three controllers to provide flexible power capable of up to 30A with large external FETs for high power designs but which can scale down in both size and cost for smaller designs. Combined with three 3A converters, three general purpose LDOs, a termination LDO for DDR, and three load switches, the TPS650861 can provide system power for a wide variety of applications. The D-CAP2™ and DCS-Control high-frequency voltage regulators use small passives to achieve a small solution size. The D-CAP2 and DCS-Control topologies have excellent transient response performance, ideal for processor core and system memory rails that have fast load switching. The device has two banks of one-time programmable (OTP) memory. For large volume opportunities, please contact a local TI sales representative to determine if use of TI’s manufacturing for a custom OTP is available. Third party distributors may also support programming of the TPS650861. |
| Power Management (PMIC) | 7 | Active | ||
TPS6508700PMIC for AMD™ family 17h models 10h-1Fh processors | Integrated Circuits (ICs) | 2 | Active | The TPS6508700 device is a single-chip power-management IC (PMIC) designed for the AMD™ family 17h models 10h-1Fh processors targeted for notebooks and all-in-one desktops. The TPS6508700 device offers an input range from 5.6V to 21V, enabling use in a wide range of applications. The device is well suited for NVDC and non-NVDC power architecture using 2S, 3S, or 4S Li-Ion battery packs. The D-CAP2™ and DCS-Control™ high-frequency voltage regulators use small inductors and capacitors to achieve a small solution size. The D-CAP2 and DCS-control topologies have excellent transient response performance, which is optimal for processor core and system memory rails that have fast load switching. An I2C interface allows simple control either by an embedded controller (EC) or by a system on chip (SoC). The PMIC comes in an 8mm × 8mm, single-row VQFN package with thermal pad for good thermal dissipation and ease of board routing.
The TPS6508700 device is a single-chip power-management IC (PMIC) designed for the AMD™ family 17h models 10h-1Fh processors targeted for notebooks and all-in-one desktops. The TPS6508700 device offers an input range from 5.6V to 21V, enabling use in a wide range of applications. The device is well suited for NVDC and non-NVDC power architecture using 2S, 3S, or 4S Li-Ion battery packs. The D-CAP2™ and DCS-Control™ high-frequency voltage regulators use small inductors and capacitors to achieve a small solution size. The D-CAP2 and DCS-control topologies have excellent transient response performance, which is optimal for processor core and system memory rails that have fast load switching. An I2C interface allows simple control either by an embedded controller (EC) or by a system on chip (SoC). The PMIC comes in an 8mm × 8mm, single-row VQFN package with thermal pad for good thermal dissipation and ease of board routing. |
| Power Management (PMIC) | 2 | Active | ||
| Special Purpose Regulators | 12 | Active | ||
| Integrated Circuits (ICs) | 4 | Obsolete | ||
| DC/DC & AC/DC (Off-Line) SMPS Evaluation Boards | 4 | Active | ||
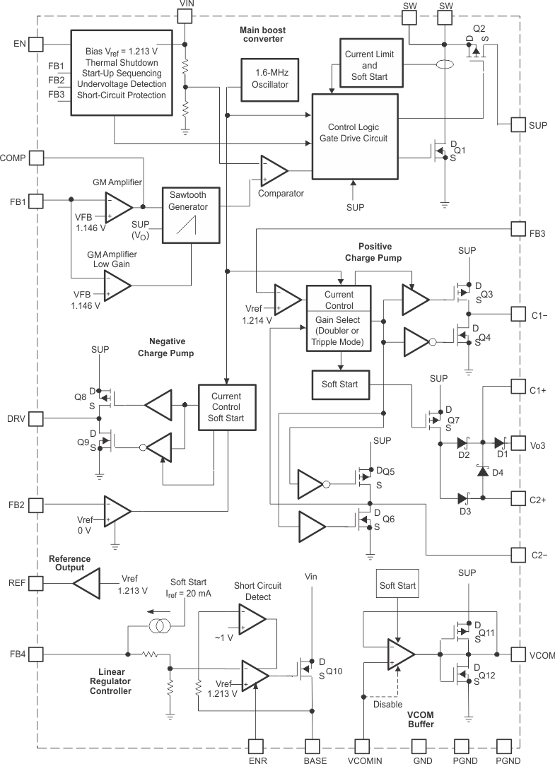
TPS65100-Q1Automotive 2.7V to 5.8V LCD Supply with Boost Converter, Dual Charge Pump, and LDO Controller | Power Management (PMIC) | 1 | Active | The TPS65100-Q1 device offers a compact and small power supply solution that provides all three voltages required by thin-film transistor (TFT) LCD displays. The auxiliary linear regulator controller can be used to generate a 3.3-V logic power rail for systems powered by a 5-V supply rail only.
The main output, VO1, is a 1.6-MHz fixed-frequency PWM boost converter that provides the source-drive voltage for the LCD display. The TPS65100-Q1 has a typical switch current limit of 2.3 A. A fully integrated adjustable charge pump doubler-tripler provides the positive LCD gate-drive voltage. An externally adjustable negative charge pump provides the negative gate-drive voltage.
The TPS65100-Q1 has an integrated VCOM buffer to power the LCD backplane. For LCD panels powered by 5 V only, the TPS65100-Q1 device has a linear regulator controller using an external transistor to provide a regulated 3.3-V output for the digital circuits. For maximum safety, the TPS65100-Q1 device goes into shutdown as soon as one of the outputs is out of regulation. The device can be enabled again by toggling the input or the enable (EN) pin to GND.
The TPS65100-Q1 device offers a compact and small power supply solution that provides all three voltages required by thin-film transistor (TFT) LCD displays. The auxiliary linear regulator controller can be used to generate a 3.3-V logic power rail for systems powered by a 5-V supply rail only.
The main output, VO1, is a 1.6-MHz fixed-frequency PWM boost converter that provides the source-drive voltage for the LCD display. The TPS65100-Q1 has a typical switch current limit of 2.3 A. A fully integrated adjustable charge pump doubler-tripler provides the positive LCD gate-drive voltage. An externally adjustable negative charge pump provides the negative gate-drive voltage.
The TPS65100-Q1 has an integrated VCOM buffer to power the LCD backplane. For LCD panels powered by 5 V only, the TPS65100-Q1 device has a linear regulator controller using an external transistor to provide a regulated 3.3-V output for the digital circuits. For maximum safety, the TPS65100-Q1 device goes into shutdown as soon as one of the outputs is out of regulation. The device can be enabled again by toggling the input or the enable (EN) pin to GND. |